Поиск подшипника
Статьи
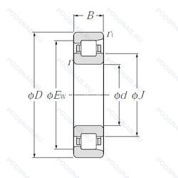
NF2308 — однорядный цилиндрический роликовый подшипник, основное исполнение, выпускается производителями: CYSD, SKF.
Размер подшипника: 40x90x33 мм.
Внутреннем кольце с двойным фланцем, внешнее с одним.
Альтернативное обозначение: 9DBBQV.
Международная стандартизации ISO
NF2308
В наличии
| Обозначение | Конструктивные изменения |
|---|---|
| NF2308MB C3 | Внутренний зазор больше нормального. Латунный сепаратор. Центрированный на внутреннем кольце. |
Модификации цилиндрического роликового подшипника NF2308 — это измененное основное конструктивное исполнение NF2308, основные размеры (40x90x33) не отличаются.
| Обозначение | Гост | Конструктивные особенности |
|---|---|---|
| 9DBBQV | ISO | однорядный цилиндрический роликовый подшипник. |
| NUP2308W C3 | ISO | Внутренний зазор больше нормального. Цельный прессованный сепаратор. |
| NU2308E MAS | ISO | Однорядный цилиндрический роликоподшипник с увеличенной грузоподъемностью. Механически обработанный латунный сепаратор, центрирование внешнего кольца, со смазочными канавками на направляющих поверхностях. |
| NU2308E.M1.C3 | ISO | Внутренний зазор больше нормального. Повышенная грузоподъемность. Механически обработанный латунный сепаратор. вращающийся элемент качения (крестовина на заклепках). |
| NJ2308ET | ISO | Сквозная закалка и шлифовка стали с переломом в одной точке. |
| NJ2308E G15 | ISO | Повышенная грузоподъемность. Литой сепаратор из полиамида 6.6. армированного стекловолокном. Элемент качения по центру. |
| NJ2308E.TVP2.C4 | ISO | Внутренний зазор подшипника больше. чем C3. Повышенная грузоподъемность. Cепаратор изготовленный из полиамида PA66. армированного стекловолокном. |
| NUP2308E.TVP2.C3 | ISO | Внутренний зазор больше нормального. Повышенная грузоподъемность. Cепаратор изготовленный из полиамида PA66. армированного стекловолокном. |
| NU2308E P6 | ISO | Повышенная грузоподъемность. Размерные и геометрические допуски соответствуют классу точности P6. |
| 32608M | ISO | Механически обработанный латунный сепаратор .Расположенный на элементах качения. |
| SL19-2308C3 | ISO | Внутренний зазор больше нормального. |
| NJ2308E.TVP2.C4.QP51 | ISO | Внутренний зазор подшипника больше. чем C3. Повышенная грузоподъемность. Cепаратор изготовленный из полиамида PA66. армированного стекловолокном. Спецификация виброгрохота. |
| NU2308E G15 | ISO | Повышенная грузоподъемность. Литой сепаратор из полиамида 6.6. армированного стекловолокном. Элемент качения по центру. |
| NJ2308W | ISO | Цельный прессованный сепаратор. |
| NUP2308ECP/C3 | ISO | Внутренний зазор больше нормального. Оптимизированная внутренняя конструкция предусматривает увеличенное количество роликов и/или ролики большего размера с улучшенными условиями контакта торцов роликов с бортами внутреннего кольца. Сепаратор из стеклонаполненного полиамида PA66. центрируемый по роликам. |
| NU2308E.C4 | ISO | Внутренний зазор подшипника больше. чем C3. Повышенная грузоподъемность. |
| NUP2308ECP/C3/R821 | ISO | Внутренний зазор больше нормального. Оптимизированная внутренняя конструкция предусматривает увеличенное количество роликов и/или ролики большего размера с улучшенными условиями контакта торцов роликов с бортами внутреннего кольца. Сепаратор из стеклонаполненного полиамида PA66. центрируемый по роликам. Индивидуальный зазор (радиальный/осевой). Это касается цилиндрических и игольчатых роликоподшипников. |
| NU2308E/TGP/C3 | ISO | Внутренний зазор больше нормального. Цилиндрический роликовый подшипник c увеличенной грузоподъемностью. Формованный полиамидный сепаратор оконного типа. Роликовые тела качения. |
| NUP2308-E-M1 | ISO | Повышенная грузоподъемность. Механически обработанный латунный сепаратор. вращающийся элемент качения (крестовина на заклепках). |
| NJ2308EG1C3 | ISO | Внутренний зазор больше нормального. Повышенная грузоподъемность. Обработанный латунный сепаратор для цилиндрических роликоподшипников. |
| NU2308C3 FY | ISO | Внутренний зазор больше нормального. Обработанный латунный сепаратор. |
Аналог цилиндрического роликового подшипника NF2308 — это подшипник такого же размера dx40,Dx90,Bx33, типа и конструкции.
| Обозначение | Конструктивные особенности | Внутренний (d) | Наружный (D) | Ширина (B) |
|---|---|---|---|---|
| 6-32608 КМ | Роликовый радиальный однорядный подшипник. Модифицированный контакт.. | 40.00 | 90.00 | 33.00 |
| 6-32608 ЛМ | Роликовый радиальный однорядный подшипник. Сепаратор из латуни.. Модифицированный контакт.. | 40.00 | 90.00 | 33.00 |
| 7608A | Роликовый радиальный-упорный однорядный подшипник. Двухрядный радиально-упорный шарикоподшипник без отверстия для смазки. | 40.00 | 90.00 | 33.00 |
| 180608-A1 | Шариковый радиальный однорядный подшипник. ABEC.1. | 40.00 | 90.00 | 33.00 |
| 2308 TN9 | Шариковый сферический двухрядный подшипник. Литой защелкивающийся сепаратор из полиамида. армированного стекловолокном 6.6. | 40.00 | 90.00 | 33.00 |
| 2308E-2RS1KTN9 | Шариковый сферический двухрядный подшипник. Повышенная грузоподъемность. | 40.00 | 90.00 | 33.00 |
| NJ 2308 ECPH | Роликовый радиальный однорядный подшипник. Однорядный цилиндрический роликовый подшипник. | 40.00 | 90.00 | 33.00 |
| NU 2308 ECPH | Роликовый радиальный однорядный подшипник. Однорядный цилиндрический роликовый подшипник. | 40.00 | 90.00 | 33.00 |
| 492608-М | Роликовый радиальный цилиндрический однорядный подшипник. Модифицированный контакт.. | 40.00 | 90.00 | 33.00 |
| 53608-К | Роликовый радиальный двухрядный подшипник. Кольцевая проточка на середине цилиндрической наружной поверхности наружного кольца плюс три отверстия для смазки. | 40.00 | 90.00 | 33.00 |
| 53608-Е | Роликовый радиальный двухрядный подшипник. Сепаратор из текстолита.. | 40.00 | 90.00 | 33.00 |
| 53608-Л | Роликовый радиальный двухрядный подшипник. Сепаратор из латуни.. | 40.00 | 90.00 | 33.00 |
| 53608-Н | Роликовый радиальный двухрядный подшипник. Детали из теплостойкой стали. | 40.00 | 90.00 | 33.00 |
| 6-1608 Л | Шариковый радиальный двухрядный подшипник. Сепаратор из латуни.. | 40.00 | 90.00 | 33.00 |
| 6-180608 Ш | Шариковый радиальный однорядный подшипник. Нормы шумности. | 40.00 | 90.00 | 33.00 |
Способы доставки
Отправка через ведущие транспортные и курьерские компании: ПЭК, Деловые Линии, СДЭК, Байкал-Сервис, Энергия, КИТ, ЖелДорЭкспедиция.
Самовывоз возможен напрямую со склада в Москве.
Сроки доставки
Срок зависит от региона и выбранной транспортной компании. Все заказы комплектуются и отправляются в кратчайшие сроки со склада в Москве.
Надёжность и сохранность
Вся продукция упаковывается с учётом требований транспортировки. Мы гарантируем, что подшипники и комплектующие прибудут к заказчику в полной сохранности.
Доставка в страны ЕАЭС
Мы работаем с проверенными логистическими партнёрами, что позволяет оперативно доставлять заказы в Беларусь, Казахстан, Армению и другие страны ЕАЭС.
Варианты оплаты:
Минимальная сумма заказа и скидки:
Документы и гарантии:
Да, конечно! Наши технические специалисты готовы помочь вам с подбором точного аналога или замены подшипника. Просто позвоните нам по телефону +7 (495) 104-99-04 или напишите на почту zakaz@podsnab.ru.
Для оперативной консультации подготовьте, пожалуйста, имеющиеся данные: маркировку, размеры, тип оборудования или артикул старого подшипника.
Да, конечно! Мы высоко ценим долгосрочное сотрудничество и доверие клиентов по всей России. Для постоянных клиентов действует персональная система скидок.
Условия формируются индивидуально и зависят от:
Чтобы узнать свои условия и получить максимально выгодное предложение, свяжитесь с персональным менеджером или напишите нам на почту zakaz@podsnab.ru.
Вы можете оформить заказ несколькими способами:
Для оформления заказа от юридического лица свяжитесь с нашим отделом по работе с корпоративными клиентами по телефону +7 (495) 104-99-04 или напишите на email zakaz@podsnab.ru, прикрепив реквизиты вашей организации.
Мы оперативно подготовим коммерческое предложение и выставим счет.
Возврат товара надлежащего качества возможен в течение 10 дней с момента получения, если товар не был в употреблении, сохранен товарный вид, упаковка не вскрывалась и присутствуют все сопроводительные документы.
Возврат денежных средств осуществляется в течение 10 рабочих дней после проверки товара складом.
В соответствии с законодательством возврату не подлежат подшипники надлежащего качества, если отсутствует оригинальная упаковка или имеются следы монтажа.
В случае выявления брака или гарантийного случая мы гарантируем возврат или обмен товара.
Да, гарантийный срок хранения устанавливается заводом-изготовителем и в среднем составляет 2 года при соблюдении условий хранения: сухое помещение, оригинальная упаковка и смазка.
Точный срок для конкретного типа подшипника уточняйте у наших менеджеров.
Пн–Пт: с 8:00 до 17:00 (МСК).
Сб–Вс: выходные дни.
Заказы на сайте принимаются круглосуточно. Заявки, поступившие после окончания рабочего дня, обрабатываются на следующий рабочий день.
Минимальная сумма заказа для доставки составляет 3000 рублей. Самовывоз со склада возможен на любую сумму при наличии товара.
ООО «УралТехГрупп»
ИНН: 7415093830
КПП: 772401001
ОГРН: 1167456069021
Банк: ПАО Сбербанк
Р/с: 40702810838000475273
К/с: 30101810400000000225
БИК: 044525225
У подшипника NF2308 пока нет отзывов. Вы можете стать первым покупателем, поделившимся своим мнением.