Поиск подшипника
Статьи
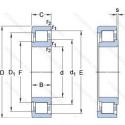
319165A — Однорядный цилиндрический роликовый подшипник, модификация основного исполнения 319165, производство SKF.
Размер подшипника: 600x800x90 мм.
Цилиндрический роликоподшипник. с углом фланца 1 градус 40 минут. сферические роликовые наконечники.
Международная стандартизации ISO
319165A
В наличии
| Обозначение | Конструктивные изменения |
|---|---|
| 319165 | Однорядный цилиндрический роликовый подшипник. Основное конструктивное исполнение. |
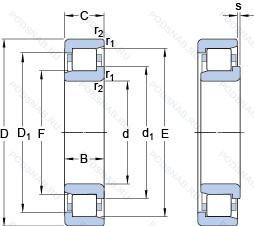
Модификации цилиндрического роликового подшипника 319165A — это измененное основное конструктивное исполнение 319165, основные размеры (600x800x90) не отличаются.
| Обозначение | Гост | Конструктивные особенности |
|---|---|---|
| NUP19/600 | ISO | Длина направляющей. Однорядный цилиндрический роликовый подшипник. Наружное кольцо имеет два борта. |
| NF19/600-E-M1B | ISO | Повышенная грузоподъемность. Solid Brass Cage. Two-Piece. Rib-Guided On Inner Ring. Длина направляющей. |
| NJ19/600-E-M1A | ISO | Повышенная грузоподъемность. Массивный латунный сепаратор. двухтельный. центрированный по бортам. Длина направляющей. |
| Z-526782.ZL | ISO | Цилиндрический роликовый подшипник. |
| 526782 | ISO | Однорядный цилиндрический роликовый подшипник. |
| NU19/600-E-M1A | ISO | Повышенная грузоподъемность. Массивный латунный сепаратор. двухтельный. центрированный по бортам. Длина направляющей. |
Аналог цилиндрического роликового подшипника 319165A — это подшипник такого же размера dx600,Dx800,Bx90, типа и конструкции.
| Обозначение | Конструктивные особенности | Внутренний (d) | Наружный (D) | Ширина (B) |
|---|---|---|---|---|
| 619/600MA.C3 | Подшипник однорядный шариковый радиальный. Внутренний зазор больше нормального. | 600.00 | 800.00 | 90.00 |
| 619/600-M | Подшипник однорядный шариковый радиальный. Твердый латунный сепаратор. Шариковые направляющие. Длина направляющей. | 600.00 | 800.00 | 90.00 |
| 69/600M C4 | Подшипник однорядный шариковый радиальный. Внутренний зазор подшипника больше. чем C3. Механически обработанный латунный сепаратор .Расположенный на элементах качения. | 600.00 | 800.00 | 90.00 |
| 619/600MBS C3 | Подшипник однорядный шариковый радиальный. Внутренний зазор больше нормального. Механически обработанный латунный сепаратор. Направляющие внутреннего кольца. Со смазочными канавками на направляющих поверхностях. | 600.00 | 800.00 | 90.00 |
| 619/600-MA | Подшипник однорядный шариковый радиальный. Механически обработанный латунный сепаратор. Центрирование по внешнему кольцу. Длина направляющей. | 600.00 | 800.00 | 90.00 |
| N19/600 | Роликовый радиальный однорядный подшипник. Однорядный цилиндрический роликовый подшипник. Внутреннее кольцо подшипника имеет два борта. Длина направляющей. | 600.00 | 800.00 | 90.00 |
| NF19/600 | Роликовый радиальный однорядный подшипник. Длина направляющей. | 600.00 | 800.00 | 90.00 |
| NJ19/600 | Роликовый радиальный однорядный подшипник. Однорядный цилиндрический роликовый подшипник. Наружное кольцо имеет два борта. Длина направляющей. | 600.00 | 800.00 | 90.00 |
| NP19/600 | Роликовый радиальный однорядный подшипник. Длина направляющей. | 600.00 | 800.00 | 90.00 |
| NU19/600 | Роликовый радиальный однорядный подшипник. Длина направляющей. Однорядные цилиндрические роликоподшипники. Наружное кольцо подшипника имеет два борта. | 600.00 | 800.00 | 90.00 |
| NU19/600-M1 | Роликовый радиальный цилиндрический однорядный подшипник. Механически обработанный латунный сепаратор. вращающийся элемент качения (крестовина на заклепках). Длина направляющей. | 600.00 | 800.00 | 90.00 |
| 719/600 ACM | Шариковый радиально-упорный однорядный подшипник. Однорядный с углом контакта 25°. | 600.00 | 800.00 | 90.00 |
| 619/600 | Шариковый радиальный однорядный подшипник. Длина направляющей. | 600.00 | 800.00 | 90.00 |
| NU 19/600 ECMA/HA1 | Роликовый радиальный однорядный подшипник. Измененная или модифицированная внутренняя конструкция при неизменных основных размерах. Однорядный цилиндрический роликовый подшипник. | 600.00 | 800.00 | 90.00 |
| NUP 19/600 ECMA/HA1 | Роликовый радиальный однорядный подшипник. Измененная или модифицированная внутренняя конструкция при неизменных основных размерах. Однорядный цилиндрический роликовый подшипник. | 600.00 | 800.00 | 90.00 |
Способы доставки
Отправка через ведущие транспортные и курьерские компании: ПЭК, Деловые Линии, СДЭК, Байкал-Сервис, Энергия, КИТ, ЖелДорЭкспедиция.
Самовывоз возможен напрямую со склада в Москве.
Сроки доставки
Срок зависит от региона и выбранной транспортной компании. Все заказы комплектуются и отправляются в кратчайшие сроки со склада в Москве.
Надёжность и сохранность
Вся продукция упаковывается с учётом требований транспортировки. Мы гарантируем, что подшипники и комплектующие прибудут к заказчику в полной сохранности.
Доставка в страны ЕАЭС
Мы работаем с проверенными логистическими партнёрами, что позволяет оперативно доставлять заказы в Беларусь, Казахстан, Армению и другие страны ЕАЭС.
Варианты оплаты:
Минимальная сумма заказа и скидки:
Документы и гарантии:
Да, конечно! Наши технические специалисты готовы помочь вам с подбором точного аналога или замены подшипника. Просто позвоните нам по телефону +7 (495) 104-99-04 или напишите на почту zakaz@podsnab.ru.
Для оперативной консультации подготовьте, пожалуйста, имеющиеся данные: маркировку, размеры, тип оборудования или артикул старого подшипника.
Да, конечно! Мы высоко ценим долгосрочное сотрудничество и доверие клиентов по всей России. Для постоянных клиентов действует персональная система скидок.
Условия формируются индивидуально и зависят от:
Чтобы узнать свои условия и получить максимально выгодное предложение, свяжитесь с персональным менеджером или напишите нам на почту zakaz@podsnab.ru.
Вы можете оформить заказ несколькими способами:
Для оформления заказа от юридического лица свяжитесь с нашим отделом по работе с корпоративными клиентами по телефону +7 (495) 104-99-04 или напишите на email zakaz@podsnab.ru, прикрепив реквизиты вашей организации.
Мы оперативно подготовим коммерческое предложение и выставим счет.
Возврат товара надлежащего качества возможен в течение 10 дней с момента получения, если товар не был в употреблении, сохранен товарный вид, упаковка не вскрывалась и присутствуют все сопроводительные документы.
Возврат денежных средств осуществляется в течение 10 рабочих дней после проверки товара складом.
В соответствии с законодательством возврату не подлежат подшипники надлежащего качества, если отсутствует оригинальная упаковка или имеются следы монтажа.
В случае выявления брака или гарантийного случая мы гарантируем возврат или обмен товара.
Да, гарантийный срок хранения устанавливается заводом-изготовителем и в среднем составляет 2 года при соблюдении условий хранения: сухое помещение, оригинальная упаковка и смазка.
Точный срок для конкретного типа подшипника уточняйте у наших менеджеров.
Пн–Пт: с 8:00 до 17:00 (МСК).
Сб–Вс: выходные дни.
Заказы на сайте принимаются круглосуточно. Заявки, поступившие после окончания рабочего дня, обрабатываются на следующий рабочий день.
Минимальная сумма заказа для доставки составляет 3000 рублей. Самовывоз со склада возможен на любую сумму при наличии товара.
ООО «УралТехГрупп»
ИНН: 7415093830
КПП: 772401001
ОГРН: 1167456069021
Банк: ПАО Сбербанк
Р/с: 40702810838000475273
К/с: 30101810400000000225
БИК: 044525225
У подшипника 319165A пока нет отзывов. Вы можете стать первым покупателем, поделившимся своим мнением.