Поиск подшипника
Статьи
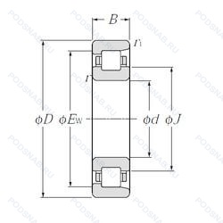
NF2309 — однорядный цилиндрический роликовый подшипник, основное исполнение, выпускается производителями: CYSD, GPZ.
Размер подшипника: 45x100x36 мм.
Внутреннем кольце с двойным фланцем, внешнее с одним.
Международная стандартизации ISO
NF2309
В наличии
| Обозначение | Конструктивные изменения |
|---|---|
| NF2309M | Механически обработанный латунный сепаратор .Расположенный на элементах качения. |
| NF2309M P6 CTU100 | Механически обработанный латунный сепаратор .Расположенный на элементах качения. Размерные и геометрические допуски соответствуют классу точности P6. |
| NF2309ECP | Оптимизированная внутренняя конструкция предусматривает увеличенное количество роликов и/или ролики большего размера с улучшенными условиями контакта торцов роликов с бортами внутреннего кольца. Сепаратор из стеклонаполненного полиамида PA66. центрируемый по роликам. |
Модификации цилиндрического роликового подшипника NF2309 — это измененное основное конструктивное исполнение NF2309, основные размеры (45x100x36) не отличаются.
| Обозначение | Гост | Конструктивные особенности |
|---|---|---|
| NU2309ECML/P63L | ISO | Оптимизированная внутренняя конструкция предусматривает увеличенное количество роликов и/или ролики большего размера с улучшенными условиями контакта торцов роликов с бортами внутреннего кольца. Механически обработанный латунный сепаратор. оконного типа. центрируемый по внутреннему или наружному кольцу в зависимости от типа подшипника. Combination Of P6 (Dimensional And Running Accuracy To ISO Tolerance Class 6 (Better Than Normal)) And C3L ((Segment Rad. Int. Play. Code C)=Reduced Clearance Range Corresponding To The Lower Half Of The Actual Clearance Range). |
| NJ2309E.M1A.C4 | ISO | Внутренний зазор подшипника больше. чем C3. Повышенная грузоподъемность. Массивный латунный сепаратор. двухтельный. центрированный по бортам. |
| NJ2309E.TVP2.C4 | ISO | Внутренний зазор подшипника больше. чем C3. Повышенная грузоподъемность. Cепаратор изготовленный из полиамида PA66. армированного стекловолокном. |
| NUP2309EM C3 | ISO | Внутренний зазор больше нормального. Стандартный фланцевый ( с резьбой и сквозным отверстием). |
| NUP2309EM | ISO | Стандартный фланцевый ( с резьбой и сквозным отверстием). |
| NJ2309E TGP C3 | ISO | Внутренний зазор больше нормального. Повышенная грузоподъемность. Формованный полиамидный сепаратор оконного типа. Роликовые тела качения. |
| NU2309E G15 | ISO | Повышенная грузоподъемность. Литой сепаратор из полиамида 6.6. армированного стекловолокном. Элемент качения по центру. |
| NJ2309W | ISO | Цельный прессованный сепаратор. |
| NU2309E.TVP | ISO | Повышенная грузоподъемность. Формованный полиамидный сепаратор оконного типа. Роликовые тела качения. |
| NUP2309ET2 | ISO | Увеличенная грузоподъёмность. Сепаратор из полиамида. армированного стекловолокном. |
| NUP2309E.M1.C3 | ISO | Внутренний зазор больше нормального. Повышенная грузоподъемность. Механически обработанный латунный сепаратор. вращающийся элемент качения (крестовина на заклепках). |
| NUP2309E TGP | ISO | Цилиндрический роликовый подшипник c увеличенной грузоподъемностью. Формованный полиамидный сепаратор оконного типа. Роликовые тела качения. |
| NJ2309ET2 C4 | ISO | Внутренний зазор подшипника больше. чем C3. Повышенная грузоподъемность. |
| ZSL192309-C3 | ISO | Внутренний зазор больше нормального. |
| NU2309W | ISO | Цельный прессованный сепаратор. |
| NUP2309ETC3 | ISO | Внутренний зазор больше нормального. Увеличенная грузоподъёмность. Сепаратор из полиамида. армированного стекловолокном. |
| NU2309-E-TVP2-C4 | ISO | Внутренний зазор подшипника больше. чем C3. Повышенная грузоподъемность. Cепаратор изготовленный из полиамида PA66. армированного стекловолокном. |
| NU2309E.M1.C4 | ISO | Внутренний зазор подшипника больше. чем C3. Повышенная грузоподъемность. Механически обработанный латунный сепаратор. вращающийся элемент качения (крестовина на заклепках). |
| NU2309ET2C3 | ISO | Внутренний зазор больше нормального. Увеличенная грузоподъёмность. Сепаратор из полиамида. армированного стекловолокном. |
| NUP2309E G1 | ISO | Повышенная грузоподъемность. Обработанный латунный сепаратор для цилиндрических роликоподшипников. |
Аналог цилиндрического роликового подшипника NF2309 — это подшипник такого же размера dx45,Dx100,Bx36, типа и конструкции.
| Обозначение | Конструктивные особенности | Внутренний (d) | Наружный (D) | Ширина (B) |
|---|---|---|---|---|
| 180609-С17 | Шариковый радиальный однорядный подшипник. Смазка Литол-24. | 45.00 | 100.00 | 36.00 |
| 180609-С9 | Шариковый радиальный однорядный подшипник. Смазка ЛЗ-31. | 45.00 | 100.00 | 36.00 |
| 2309-K+H2309 | Шариковый сферический двухрядный подшипник. Коническое внутреннее отверстие. | 45.00 | 100.00 | 36.00 |
| 2309 TN9 | Шариковый сферический двухрядный подшипник. Литой защелкивающийся сепаратор из полиамида. армированного стекловолокном 6.6. | 45.00 | 100.00 | 36.00 |
| 2309E-2RS1KTN9 | Шариковый сферический двухрядный подшипник. Повышенная грузоподъемность. | 45.00 | 100.00 | 36.00 |
| 42609-Л | Роликовый радиальный однорядный подшипник. Сепаратор из латуни.. | 45.00 | 100.00 | 36.00 |
| 5-1609 Е | Шариковый радиальный двухрядный подшипник. Сепаратор из текстолита.. | 45.00 | 100.00 | 36.00 |
| 5-1609 Л | Шариковый радиальный двухрядный подшипник. Сепаратор из латуни.. | 45.00 | 100.00 | 36.00 |
| 53609-Е | Роликовый радиальный двухрядный подшипник. Сепаратор из текстолита.. | 45.00 | 100.00 | 36.00 |
| 53609-Н(22309CCW33C3) | Роликовый радиальный двухрядный подшипник. ВНИИНП-210. Детали из вакуумированной стали.. Детали из теплостойкой стали. | 45.00 | 100.00 | 36.00 |
| 53609-Н | Роликовый радиальный двухрядный подшипник. Детали из теплостойкой стали. | 45.00 | 100.00 | 36.00 |
| 6-12609 К1М | Роликовый радиальный однорядный подшипник. Модифицированный контакт.. | 45.00 | 100.00 | 36.00 |
| 6-1609 Е | Шариковый радиальный двухрядный подшипник. Сепаратор из текстолита.. | 45.00 | 100.00 | 36.00 |
| 6-1609 Л | Шариковый радиальный двухрядный подшипник. Сепаратор из латуни.. | 45.00 | 100.00 | 36.00 |
| 6-180609 С9Ш1 | Шариковый радиальный однорядный подшипник. Нормы шумности. Смазка ЛЗ-31. | 45.00 | 100.00 | 36.00 |
Способы доставки
Отправка через ведущие транспортные и курьерские компании: ПЭК, Деловые Линии, СДЭК, Байкал-Сервис, Энергия, КИТ, ЖелДорЭкспедиция.
Самовывоз возможен напрямую со склада в Москве.
Сроки доставки
Срок зависит от региона и выбранной транспортной компании. Все заказы комплектуются и отправляются в кратчайшие сроки со склада в Москве.
Надёжность и сохранность
Вся продукция упаковывается с учётом требований транспортировки. Мы гарантируем, что подшипники и комплектующие прибудут к заказчику в полной сохранности.
Доставка в страны ЕАЭС
Мы работаем с проверенными логистическими партнёрами, что позволяет оперативно доставлять заказы в Беларусь, Казахстан, Армению и другие страны ЕАЭС.
Варианты оплаты:
Минимальная сумма заказа и скидки:
Документы и гарантии:
Да, конечно! Наши технические специалисты готовы помочь вам с подбором точного аналога или замены подшипника. Просто позвоните нам по телефону +7 (495) 104-99-04 или напишите на почту zakaz@podsnab.ru.
Для оперативной консультации подготовьте, пожалуйста, имеющиеся данные: маркировку, размеры, тип оборудования или артикул старого подшипника.
Да, конечно! Мы высоко ценим долгосрочное сотрудничество и доверие клиентов по всей России. Для постоянных клиентов действует персональная система скидок.
Условия формируются индивидуально и зависят от:
Чтобы узнать свои условия и получить максимально выгодное предложение, свяжитесь с персональным менеджером или напишите нам на почту zakaz@podsnab.ru.
Вы можете оформить заказ несколькими способами:
Для оформления заказа от юридического лица свяжитесь с нашим отделом по работе с корпоративными клиентами по телефону +7 (495) 104-99-04 или напишите на email zakaz@podsnab.ru, прикрепив реквизиты вашей организации.
Мы оперативно подготовим коммерческое предложение и выставим счет.
Возврат товара надлежащего качества возможен в течение 10 дней с момента получения, если товар не был в употреблении, сохранен товарный вид, упаковка не вскрывалась и присутствуют все сопроводительные документы.
Возврат денежных средств осуществляется в течение 10 рабочих дней после проверки товара складом.
В соответствии с законодательством возврату не подлежат подшипники надлежащего качества, если отсутствует оригинальная упаковка или имеются следы монтажа.
В случае выявления брака или гарантийного случая мы гарантируем возврат или обмен товара.
Да, гарантийный срок хранения устанавливается заводом-изготовителем и в среднем составляет 2 года при соблюдении условий хранения: сухое помещение, оригинальная упаковка и смазка.
Точный срок для конкретного типа подшипника уточняйте у наших менеджеров.
Пн–Пт: с 8:00 до 17:00 (МСК).
Сб–Вс: выходные дни.
Заказы на сайте принимаются круглосуточно. Заявки, поступившие после окончания рабочего дня, обрабатываются на следующий рабочий день.
Минимальная сумма заказа для доставки составляет 3000 рублей. Самовывоз со склада возможен на любую сумму при наличии товара.
ООО «УралТехГрупп»
ИНН: 7415093830
КПП: 772401001
ОГРН: 1167456069021
Банк: ПАО Сбербанк
Р/с: 40702810838000475273
К/с: 30101810400000000225
БИК: 044525225
У подшипника NF2309 пока нет отзывов. Вы можете стать первым покупателем, поделившимся своим мнением.