Поиск подшипника
Статьи
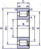
SL18-2938 — однорядный цилиндрический роликовый подшипник, основное исполнение, выпускается производителями: INA, Подшипники NBS.
Размер подшипника: 190x260x42 мм.
Тип: Узкое внутреннее кольцо, легкая нагрузка, корпус из штампованной стали, установочный винт.
Альтернативное обозначение: NCF2938CV, NCF2938V.
Аналоги: SL182938-B-XL INA.
Международная стандартизации ISO
SL182938
В наличии
| Обозначение | Конструктивные изменения |
|---|---|
| SL182938-B | Конический роликовый подшипник. Угол контакта 20 градусов. |
| SL182938-B-XL-BR | Особенность внутренней конструкции. Серия X-Life премиум-класс. увеличиный срок службы. Чёрный цвет. |
| SL18-2938C3 | Внутренний зазор больше нормального. |
| SL182938-B-XL-2S | Особенность внутренней конструкции. Серия X-Life премиум-класс. увеличиный срок службы. Bearings Matched In Set Of Two For Side-By-Side Mounting. |
| SL182938-B-XL-R40-80 | Особенность внутренней конструкции. Серия X-Life премиум-класс. увеличиный срок службы. Radial Clearance In μm. |
| SL18-2938BC3 | Внутренний зазор больше нормального. DE BETEKENIS VAN DEZE TEKENS IS NIET AFZONDERLIJK VASTGELEGD. ZIJ WORDEN NAAR BEHOEFTE TER AANDUIDING VAN BIJZONDERE KENMERKEN VAN DE INWENDIGE CONSTRUCTIE OF UITWENDIGE VORM GEBRUIKT. IN HET ALGEMEEN IS HET GEBRUIK HIERVAN SLECHTS TIJDELIJK. OM GEDURENDE EEN OVERGANGSTIJD VERWARRING TE VOORKOMEN. IN ENKELE GEVALLEN DIENEN ZIJ OOK VOOR PERMANENTE AANDUIDING VAN LAGERS EN ONDERDELEN VAN HETZELFDE TYPE EN DEZELFDE AFMETING. ECHTER MET EEN VAN ELKAAR AFWIJKENDE INWENDIGE CONSTRUCTIE. (BRON/ INA-CATALOGUS NO. 307). |
| SL18-2938B C4 | Внутренний зазор подшипника больше. чем C3. Особенность внутренней конструкции. |
| SL182938-B-XL-C4 | Внутренний зазор подшипника больше. чем C3. Особенность внутренней конструкции. Серия X-Life премиум-класс. увеличиный срок службы. |
| SL18-2938C4 | Внутренний зазор подшипника больше. чем C3. |
| SL182938-B-XL | Особенность внутренней конструкции. Серия X-Life премиум-класс. увеличиный срок службы. |
| SL182938-B-XL-C3 | Внутренний зазор больше нормального. Особенность внутренней конструкции. Серия X-Life премиум-класс. увеличиный срок службы. |
| SL182938-B-XL-C2 | Внутренний зазор подшипника меньше нормального. Особенность внутренней конструкции. Серия X-Life премиум-класс. увеличиный срок службы. |
| SL182938-B-XL-BR-C3 | Внутренний зазор больше нормального. Особенность внутренней конструкции. Серия X-Life премиум-класс. увеличиный срок службы. Чёрный цвет. |
| SL18-2938B C5 | Особенность внутренней конструкции. Внутренний зазор подшипника больше. чем С4. |
Модификации цилиндрического роликового подшипника SL18-2938 — это измененное основное конструктивное исполнение SL182938, основные размеры (190x260x42) не отличаются.
| Обозначение | Гост | Конструктивные особенности |
|---|---|---|
| NU2938/314088C | ISO | однорядный цилиндрический роликовый подшипник. |
| NCF2938V/C3 | ISO | Внутренний зазор больше нормального. Подшипник без сепаратора. С полным комплектом тел качения. |
| NCF2938V | ISO | Бессепараторный подшипник. Однорядный без сепараторный цилиндрический роликовый подшипник. Два борта на внутреннем кольце и один борт на наружном. |
| NCF2938CV | ISO | Полноразмерный цилиндрический роликоподшипник с модифицированной внутренней конструкцией. Однорядный без сепараторный цилиндрический роликовый подшипник. |
| NJ2938-A-XL-M1 | ISO | Цилиндрические роликоподшипники. Взаимозаменяемые детали. Серия X-Life премиум-класс. увеличиный срок службы. Механически обработанный латунный сепаратор. вращающийся элемент качения (крестовина на заклепках). |
| NCF2938CV/C3 | ISO | Внутренние изменения в конструкции. Внутренний зазор больше нормального. Полноразмерный цилиндрический роликоподшипник с модифицированной внутренней конструкцией. |
Аналог цилиндрического роликового подшипника SL18-2938 — это подшипник такого же размера dx190,Dx260,Bx42, типа и конструкции.
| Обозначение | Конструктивные особенности | Внутренний (d) | Наружный (D) | Ширина (B) |
|---|---|---|---|---|
| NU2938 | Роликовый радиальный однорядный подшипник. | 190.00 | 260.00 | 42.00 |
| R3819V | Роликовый радиальный однорядный подшипник. Подшипник без сепаратора. С полным комплектом тел качения. | 190.00 | 260.00 | 42.00 |
| 292134Н | Роликовый радиальный однорядный подшипник. Детали из теплостойкой стали. | 190.00 | 260.00 | 42.00 |
| 2007938М | Роликовый радиальный-упорный однорядный подшипник. Модифицированный контакт.. | 190.00 | 260.00 | 42.00 |
| 562938 | Шариковый упорный двухрядный подшипник. | 190.00 | 260.00 | 42.00 |
| 234938 | Шариковый упорный двухрядный подшипник. | 190.00 | 260.00 | 42.00 |
Способы доставки
Отправка через ведущие транспортные и курьерские компании: ПЭК, Деловые Линии, СДЭК, Байкал-Сервис, Энергия, КИТ, ЖелДорЭкспедиция.
Самовывоз возможен напрямую со склада в Москве.
Сроки доставки
Срок зависит от региона и выбранной транспортной компании. Все заказы комплектуются и отправляются в кратчайшие сроки со склада в Москве.
Надёжность и сохранность
Вся продукция упаковывается с учётом требований транспортировки. Мы гарантируем, что подшипники и комплектующие прибудут к заказчику в полной сохранности.
Доставка в страны ЕАЭС
Мы работаем с проверенными логистическими партнёрами, что позволяет оперативно доставлять заказы в Беларусь, Казахстан, Армению и другие страны ЕАЭС.
Варианты оплаты:
Минимальная сумма заказа и скидки:
Документы и гарантии:
Да, конечно! Наши технические специалисты готовы помочь вам с подбором точного аналога или замены подшипника. Просто позвоните нам по телефону +7 (495) 104-99-04 или напишите на почту zakaz@podsnab.ru.
Для оперативной консультации подготовьте, пожалуйста, имеющиеся данные: маркировку, размеры, тип оборудования или артикул старого подшипника.
Да, конечно! Мы высоко ценим долгосрочное сотрудничество и доверие клиентов по всей России. Для постоянных клиентов действует персональная система скидок.
Условия формируются индивидуально и зависят от:
Чтобы узнать свои условия и получить максимально выгодное предложение, свяжитесь с персональным менеджером или напишите нам на почту zakaz@podsnab.ru.
Вы можете оформить заказ несколькими способами:
Для оформления заказа от юридического лица свяжитесь с нашим отделом по работе с корпоративными клиентами по телефону +7 (495) 104-99-04 или напишите на email zakaz@podsnab.ru, прикрепив реквизиты вашей организации.
Мы оперативно подготовим коммерческое предложение и выставим счет.
Возврат товара надлежащего качества возможен в течение 10 дней с момента получения, если товар не был в употреблении, сохранен товарный вид, упаковка не вскрывалась и присутствуют все сопроводительные документы.
Возврат денежных средств осуществляется в течение 10 рабочих дней после проверки товара складом.
В соответствии с законодательством возврату не подлежат подшипники надлежащего качества, если отсутствует оригинальная упаковка или имеются следы монтажа.
В случае выявления брака или гарантийного случая мы гарантируем возврат или обмен товара.
Да, гарантийный срок хранения устанавливается заводом-изготовителем и в среднем составляет 2 года при соблюдении условий хранения: сухое помещение, оригинальная упаковка и смазка.
Точный срок для конкретного типа подшипника уточняйте у наших менеджеров.
Пн–Пт: с 8:00 до 17:00 (МСК).
Сб–Вс: выходные дни.
Заказы на сайте принимаются круглосуточно. Заявки, поступившие после окончания рабочего дня, обрабатываются на следующий рабочий день.
Минимальная сумма заказа для доставки составляет 3000 рублей. Самовывоз со склада возможен на любую сумму при наличии товара.
ООО «УралТехГрупп»
ИНН: 7415093830
КПП: 772401001
ОГРН: 1167456069021
Банк: ПАО Сбербанк
Р/с: 40702810838000475273
К/с: 30101810400000000225
БИК: 044525225
У подшипника SL18-2938 пока нет отзывов. Вы можете стать первым покупателем, поделившимся своим мнением.