Поиск подшипника
Статьи
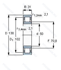
NU410.M1.C3 — Однорядный цилиндрический роликовый подшипник, модификация основного исполнения NU410, производство FAG.
Размер подшипника: 50x130x31 мм.
Однорядный цилиндрический роликоподшипник. Наружное кольцо подшипника имеет два борта, а внутреннее кольцо бортов не имеет, внутренний зазор больше нормального, механически обработанный латунный сепаратор. вращающийся элемент качения (крестовина на заклепках).
Аналоги: NU410M1.C3 FAG,NU410-XL-M1-C3 FAG.
Международная стандартизации ISO
NU410M1C3
В наличии
| Обозначение | Конструктивные изменения |
|---|---|
| NU410M1A P64 | Массивный латунный сепаратор. двухтельный. центрированный по бортам. Комбинация P6 (Точность размеров и хода по классу допуска ISO 6 (лучше. чем нормальный)) и C4 (Внутренний зазор подшипника больше. чем C3). |
| NU410C4 | Внутренний зазор подшипника больше. чем C3. |
| NU410ZS | Z-образный сепаратор. |
| NU410C3 | Внутренний зазор больше нормального. |
| NU410NA | Радиальный зазор для подшипников с невзаимозаменяемыми кольцами (Обозначает всегда после символа радиального зазора. например. NU215P63 NA). |
| NU410 | Сталь сквозной закалки SUJ2 (японская) и взаимозаменяемость (только для метрических серий). Канавка под стопорное кольцо на наружном кольце подшипника. Однорядные цилиндрические роликоподшипники. Наружное кольцо подшипника имеет два борта. Основное конструктивное исполнение. |
| NU410N C3 NA | Внутренний зазор больше нормального. Радиальный зазор для подшипников с невзаимозаменяемыми кольцами (Обозначает всегда после символа радиального зазора. например. NU215P63 NA). Канавка под стопорное кольцо на внешнем кольце. |
| NU410N.MA.C3.F59 | Внутренний зазор больше нормального. Механически обработанный латунный сепаратор. Центрирование по внешнему кольцу. Канавка под стопорное кольцо на внешнем кольце. Replaced By. |
| NU410-XL-M1 | Серия X-Life премиум-класс. увеличиный срок службы. Механически обработанный латунный сепаратор. вращающийся элемент качения (крестовина на заклепках). |
| NU410-XL-M1-C3 | Внутренний зазор больше нормального. Серия X-Life премиум-класс. увеличиный срок службы. Механически обработанный латунный сепаратор. вращающийся элемент качения (крестовина на заклепках). |
| NU410N C3 | Внутренний зазор больше нормального. Канавка под стопорное кольцо на внешнем кольце. |
| NU410-N-M1A-F59-C3 | Внутренний зазор больше нормального. Канавка под стопорное кольцо на внешнем кольце. Массивный латунный сепаратор. двухтельный. центрированный по бортам. Replaced By. |
| NU410B | Конический роликовый подшипник. Угол контакта 20 градусов. |
| NU410W C3 | Внутренний зазор больше нормального. Цельный прессованный сепаратор. |
| NU410M C3 | Внутренний зазор больше нормального. Механически обработанный латунный сепаратор .Расположенный на элементах качения. |
| NU410G1 C3 | Внутренний зазор больше нормального. Обработанный латунный сепаратор для цилиндрических роликоподшипников. |
| NU410W | Цельный прессованный сепаратор. |
| NU410M.C4 | Внутренний зазор подшипника больше. чем C3. Механически обработанный латунный сепаратор .Расположенный на элементах качения. |
| NU410.M1 | Механически обработанный латунный сепаратор. вращающийся элемент качения (крестовина на заклепках). |
| NU410M | Механически обработанный латунный сепаратор .Расположенный на элементах качения. |
| NU410-XL-N-M1A-F59-C3 | Внутренний зазор больше нормального. Серия X-Life премиум-класс. увеличиный срок службы. Канавка под стопорное кольцо на внешнем кольце. Массивный латунный сепаратор. двухтельный. центрированный по бортам. Replaced By. |
Модификации цилиндрического роликового подшипника NU410.M1.C3 — это измененное основное конструктивное исполнение NU410, основные размеры (50x130x31) не отличаются.
| Обозначение | Гост | Конструктивные особенности |
|---|---|---|
| NJ410W C3 | ISO | Внутренний зазор больше нормального. Цельный прессованный сепаратор. |
| NJ410-XL-M1A-C3 | ISO | Внутренний зазор больше нормального. Серия X-Life премиум-класс. увеличиный срок службы. Массивный латунный сепаратор. двухтельный. центрированный по бортам. |
| NJ410-XL-M1-C3 | ISO | Внутренний зазор больше нормального. Серия X-Life премиум-класс. увеличиный срок службы. Механически обработанный латунный сепаратор. вращающийся элемент качения (крестовина на заклепках). |
| NJ410-M1 | ISO | Механически обработанный латунный сепаратор. вращающийся элемент качения (крестовина на заклепках). |
| NJ410MAS.P64 | ISO | Обработанный латунный сепаратор. Внешние кольца центрированы. Со смазочными канавками на направляющих поверхностях. Комбинация P6 (Точность размеров и хода по классу допуска ISO 6 (лучше. чем нормальный)) и C4 (Внутренний зазор подшипника больше. чем C3). |
| N410M C3 | ISO | Внутренний зазор больше нормального. Механически обработанный латунный сепаратор .Расположенный на элементах качения. |
| NUP410W | ISO | Цельный прессованный сепаратор. |
| NJ410-XL-M1A | ISO | Серия X-Life премиум-класс. увеличиный срок службы. Массивный латунный сепаратор. двухтельный. центрированный по бортам. |
| NJ410-XL-M1A-P6-C4 | ISO | Внутренний зазор подшипника больше. чем C3. Серия X-Life премиум-класс. увеличиный срок службы. Размерные и геометрические допуски соответствуют классу точности P6. Массивный латунный сепаратор. двухтельный. центрированный по бортам. |
| NUP410-M1-C3 | ISO | Внутренний зазор больше нормального. Механически обработанный латунный сепаратор. вращающийся элемент качения (крестовина на заклепках). |
| NJ410M1.C3 | ISO | Внутренний зазор больше нормального. Механически обработанный латунный сепаратор. вращающийся элемент качения (крестовина на заклепках). |
| NJ410W | ISO | Цельный прессованный сепаратор. |
| NUP410NR.C3 | ISO | Внутренний зазор больше нормального. Канавка под стопорное кольцо на наружном кольце с соответствующим стопорным кольцом. |
| NUP410NR.C3.F55 | ISO | Внутренний зазор больше нормального. Канавка под стопорное кольцо на наружном кольце с соответствующим стопорным кольцом. Radial Cylindrical Roller Bearings With Loose Lips Or Lip Rings_ Lips Slightly Opened (F55 Replaced By T44). |
| NJ410ECJ | ISO | Сепаратор из штампованной стали. Центрирование роликов. Незакаленный. Два стальных сепаратора оконного типа. внутреннее кольцо без фланца. направляющее кольцо с усиленным роликом. |
| NJ410M1A.C3 | ISO | Внутренний зазор больше нормального. Массивный латунный сепаратор. двухтельный. центрированный по бортам. |
| NJ410-M1A-P6-C4 | ISO | Внутренний зазор подшипника больше. чем C3. Размерные и геометрические допуски соответствуют классу точности P6. Массивный латунный сепаратор. двухтельный. центрированный по бортам. |
| NUP410M | ISO | Механически обработанный латунный сепаратор .Расположенный на элементах качения. |
| NUP410M1 | ISO | Механически обработанный латунный сепаратор. вращающийся элемент качения (крестовина на заклепках). |
| NJ410/B910 | ISO | B Combined With A Two Or Three Figure Number Identifies Variants Of The Standard Design That Cannot Be Identified By Generally Applicable Suffixes. |
Аналог цилиндрического роликового подшипника NU410.M1.C3 — это подшипник такого же размера dx50,Dx130,Bx31, типа и конструкции.
| Обозначение | Конструктивные особенности | Внутренний (d) | Наружный (D) | Ширина (B) |
|---|---|---|---|---|
| 7-410 А | Роликовый радиально-упорный подшипник. Повышенная грузоподъемность. | 50.00 | 130.00 | 31.00 |
| 70-410 А | Шариковый радиальный однорядный подшипник. Повышенная грузоподъемность. | 50.00 | 130.00 | 31.00 |
| 70-42410 К3М | Роликовый радиальный однорядный подшипник. Модифицированный контакт.. | 50.00 | 130.00 | 31.00 |
| 70-42410 Л | Роликовый радиальный однорядный подшипник. Сепаратор из латуни.. | 50.00 | 130.00 | 31.00 |
| 76-410 АШ | Шариковый радиальный однорядный подшипник. Повышенная грузоподъемность. Нормы шумности. | 50.00 | 130.00 | 31.00 |
| 76-410 АШ1 | Шариковый радиальный однорядный подшипник. Повышенная грузоподъемность. Нормы шумности. | 50.00 | 130.00 | 31.00 |
| 76-410 Ш | Шариковый радиальный однорядный подшипник. Нормы шумности. | 50.00 | 130.00 | 31.00 |
| 20-410 А | Шариковый радиальный однорядный подшипник. Повышенная грузоподъемность. | 50.00 | 130.00 | 31.00 |
| 410-А | Шариковый радиальный однорядный подшипник. Повышенная грузоподъемность. | 50.00 | 130.00 | 31.00 |
| 410-Ш | Шариковый радиальный однорядный подшипник. Нормы шумности. | 50.00 | 130.00 | 31.00 |
| 42410-М | Роликовый радиальный однорядный подшипник. Модифицированный контакт.. | 50.00 | 130.00 | 31.00 |
| 45-176410 Е1Ш2 | Шариковый радиально-упорный однорядный подшипник. Сепаратор из текстолита.. Нормы шумности. | 50.00 | 130.00 | 31.00 |
| 50410-А | Шариковый радиальный однорядный подшипник. Повышенная грузоподъемность. | 50.00 | 130.00 | 31.00 |
| 50410-АУ | Шариковый радиальный однорядный подшипник. Дополнительные технические требования. Повышенная грузоподъемность. | 50.00 | 130.00 | 31.00 |
| 50410-У | Шариковый радиальный однорядный подшипник. Дополнительные технические требования. | 50.00 | 130.00 | 31.00 |
Способы доставки
Отправка через ведущие транспортные и курьерские компании: ПЭК, Деловые Линии, СДЭК, Байкал-Сервис, Энергия, КИТ, ЖелДорЭкспедиция.
Самовывоз возможен напрямую со склада в Москве.
Сроки доставки
Срок зависит от региона и выбранной транспортной компании. Все заказы комплектуются и отправляются в кратчайшие сроки со склада в Москве.
Надёжность и сохранность
Вся продукция упаковывается с учётом требований транспортировки. Мы гарантируем, что подшипники и комплектующие прибудут к заказчику в полной сохранности.
Доставка в страны ЕАЭС
Мы работаем с проверенными логистическими партнёрами, что позволяет оперативно доставлять заказы в Беларусь, Казахстан, Армению и другие страны ЕАЭС.
Варианты оплаты:
Минимальная сумма заказа и скидки:
Документы и гарантии:
Да, конечно! Наши технические специалисты готовы помочь вам с подбором точного аналога или замены подшипника. Просто позвоните нам по телефону +7 (495) 104-99-04 или напишите на почту zakaz@podsnab.ru.
Для оперативной консультации подготовьте, пожалуйста, имеющиеся данные: маркировку, размеры, тип оборудования или артикул старого подшипника.
Да, конечно! Мы высоко ценим долгосрочное сотрудничество и доверие клиентов по всей России. Для постоянных клиентов действует персональная система скидок.
Условия формируются индивидуально и зависят от:
Чтобы узнать свои условия и получить максимально выгодное предложение, свяжитесь с персональным менеджером или напишите нам на почту zakaz@podsnab.ru.
Вы можете оформить заказ несколькими способами:
Для оформления заказа от юридического лица свяжитесь с нашим отделом по работе с корпоративными клиентами по телефону +7 (495) 104-99-04 или напишите на email zakaz@podsnab.ru, прикрепив реквизиты вашей организации.
Мы оперативно подготовим коммерческое предложение и выставим счет.
Возврат товара надлежащего качества возможен в течение 10 дней с момента получения, если товар не был в употреблении, сохранен товарный вид, упаковка не вскрывалась и присутствуют все сопроводительные документы.
Возврат денежных средств осуществляется в течение 10 рабочих дней после проверки товара складом.
В соответствии с законодательством возврату не подлежат подшипники надлежащего качества, если отсутствует оригинальная упаковка или имеются следы монтажа.
В случае выявления брака или гарантийного случая мы гарантируем возврат или обмен товара.
Да, гарантийный срок хранения устанавливается заводом-изготовителем и в среднем составляет 2 года при соблюдении условий хранения: сухое помещение, оригинальная упаковка и смазка.
Точный срок для конкретного типа подшипника уточняйте у наших менеджеров.
Пн–Пт: с 8:00 до 17:00 (МСК).
Сб–Вс: выходные дни.
Заказы на сайте принимаются круглосуточно. Заявки, поступившие после окончания рабочего дня, обрабатываются на следующий рабочий день.
Минимальная сумма заказа для доставки составляет 3000 рублей. Самовывоз со склада возможен на любую сумму при наличии товара.
ООО «УралТехГрупп»
ИНН: 7415093830
КПП: 772401001
ОГРН: 1167456069021
Банк: ПАО Сбербанк
Р/с: 40702810838000475273
К/с: 30101810400000000225
БИК: 044525225
У подшипника NU410.M1.C3 пока нет отзывов. Вы можете стать первым покупателем, поделившимся своим мнением.