Поиск подшипника
Статьи
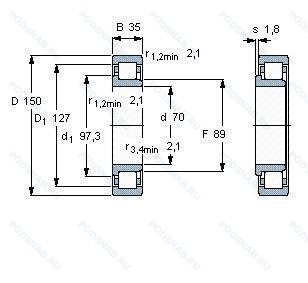
NJ314-E-TVP3-C3 — Однорядный цилиндрический роликовый подшипник, модификация основного исполнения NJ314, производство NKE.
Размер подшипника: 70x150x35 мм.
Однорядный цилиндрический роликоподшипник. Наружное кольцо имеет два борта, наружное — один борт, цельный сепаратор из полиамида pa66-gf25. сепаратор оконного типа. направляемый телами качения, внутренний зазор больше нормального, увеличенная грузоподъёмность.
Аналоги: NJ314ECP/C3 SKF.
Международная стандартизации ISO
NJ314ETVP3C3
В наличии
| Обозначение | Конструктивные изменения |
|---|---|
| NJ314-E-XL-MPA-C3 | Внутренний зазор больше нормального. Повышенная грузоподъемность. Серия X-Life премиум-класс. увеличиный срок службы. Массивный латунный сепаратор. центрированный по бортику наружного кольца. |
| NJ314-E-XL-MPAX-C3-H144 | Внутренний зазор больше нормального. Повышенная грузоподъемность. Серия X-Life премиум-класс. увеличиный срок службы. Требования к точности железнодорожных подшипников для Siemens. Ребристый однокомпонентный цельнолатунный сепаратор является дальнейшим развитием сепараторов FAG типов MPA и MP1A и будет последовательно заменять эти типы. Он обладает большей прочностью по отношению к ударным нагрузкам и вибрациям. чем его предшественники. и особенно хорошо подходит для применения в условиях высоких нагрузок. |
| NJ314-E-M1A | Повышенная грузоподъемность. Массивный латунный сепаратор. двухтельный. центрированный по бортам. |
| NJ314-E-XL-MPAX-C4-H144 | Внутренний зазор подшипника больше. чем C3. Повышенная грузоподъемность. Серия X-Life премиум-класс. увеличиный срок службы. Требования к точности железнодорожных подшипников для Siemens. Ребристый однокомпонентный цельнолатунный сепаратор является дальнейшим развитием сепараторов FAG типов MPA и MP1A и будет последовательно заменять эти типы. Он обладает большей прочностью по отношению к ударным нагрузкам и вибрациям. чем его предшественники. и особенно хорошо подходит для применения в условиях высоких нагрузок. |
| NJ314-E-XL-N-MPAX-C3 | Внутренний зазор больше нормального. Повышенная грузоподъемность. Серия X-Life премиум-класс. увеличиный срок службы. Канавка под стопорное кольцо на внешнем кольце. Ребристый однокомпонентный цельнолатунный сепаратор является дальнейшим развитием сепараторов FAG типов MPA и MP1A и будет последовательно заменять эти типы. Он обладает большей прочностью по отношению к ударным нагрузкам и вибрациям. чем его предшественники. и особенно хорошо подходит для применения в условиях высоких нагрузок. |
| NJ314-E-XL-TVP2-C4 | Внутренний зазор подшипника больше. чем C3. Повышенная грузоподъемность. Серия X-Life премиум-класс. увеличиный срок службы. Cепаратор изготовленный из полиамида PA66. армированного стекловолокном. |
| NJ314E.M1.C4 | Внутренний зазор подшипника больше. чем C3. Повышенная грузоподъемность. Механически обработанный латунный сепаратор. вращающийся элемент качения (крестовина на заклепках). |
| NJ314-E-M1A-C4 | Внутренний зазор подшипника больше. чем C3. Повышенная грузоподъемность. Массивный латунный сепаратор. двухтельный. центрированный по бортам. |
| NJ314G1CM | Обработанный латунный сепаратор для цилиндрических роликоподшипников. Специальный радиальный внутренний зазор для электродвигателей. |
| NJ314EM/U537 | Стандартный фланцевый ( с резьбой и сквозным отверстием). Подшипники NSK серии HPS. |
| NJ314ES C3 | Внутренний зазор больше нормального. Разъемное наружное кольцо со смазочными отверстиями. |
| NJ314E/B/M6/C3/SQ52 | Внутренний зазор больше нормального. Повышенная грузоподъемность. Свободный ход шариков. Цельный латунный сепаратор с роликовыми направляющими для цилиндрических роликоподшипников. Оптимизированное исполнение для высоких осевых нагрузок. |
| NJ314-E-XL-M1A | Повышенная грузоподъемность. Серия X-Life премиум-класс. увеличиный срок службы. Массивный латунный сепаратор. двухтельный. центрированный по бортам. |
| NJ314G1C3 | Внутренний зазор больше нормального. Обработанный латунный сепаратор для цилиндрических роликоподшипников. |
| NJ314-E-TVP2 + HJ314-E | Повышенная грузоподъемность. Твердый сепаратор оконного типа из армированного стекловолокном полиамида. |
| NJ314R | С выпуклыми асимметричными роликами и обработанным сепаратором. |
| NJ314-E-MPA | Повышенная грузоподъемность. Твердый латунный сепаратор. |
| NJ314-E-MA6+HJ314-E | Повышенная грузоподъемность. Изготовленный из двух частей латунный сепаратор. Центрирование по внешнему кольцу. Различные конструкции или сорта материалов обозначаются цифрой или буквой.. |
| NJ314-E-TVP3+HJ314-E | Повышенная грузоподъемность. Цельный сепаратор из полиамида PA66-GF25. сепаратор оконного типа. направляемый телами качения. |
| NJ314-E-TVP3 | Повышенная грузоподъемность. Цельный сепаратор из полиамида PA66-GF25. сепаратор оконного типа. направляемый телами качения. |
| NJ314-E-M6+HJ314-E | Повышенная грузоподъемность. 20-28 UM (C3 & C4). |
| NJ314-E-MPA+HJ314-E | Повышенная грузоподъемность. Твердый латунный сепаратор. |
| NJ314-E-MA6 | Повышенная грузоподъемность. Изготовленный из двух частей латунный сепаратор. Центрирование по внешнему кольцу. Различные конструкции или сорта материалов обозначаются цифрой или буквой.. |
| NJ314 ETN | Цилиндрический роликовый подшипник. Дополнительная грузоподъемность с сепаратором из полиамида 6-6. |
| NJ314-E-M6 | Повышенная грузоподъемность. 20-28 UM (C3 & C4). |
Модификации цилиндрического роликового подшипника NJ314-E-TVP3-C3 — это измененное основное конструктивное исполнение NJ314, основные размеры (70x150x35) не отличаются.
| Обозначение | Гост | Конструктивные особенности |
|---|---|---|
| NU314-E-XL-JP3-R65-85NA | ISO | Повышенная грузоподъемность. Серия X-Life премиум-класс. увеличиный срок службы. Нет особого значения для цилиндрического подшипника. Применения с цилиндрическими роликоподшипниками с наружным диаметром > 90 мм с сепаратором из листовой стали JP3 с оптимизированной толщиной листа. Улучшенные направляющие и удерживающие ролики. Увеличенный поток масла или смазки. Radial Clearance In μm. |
| NU314-E-XL-M1-F1-C3 | ISO | Внутренний зазор больше нормального. Повышенная грузоподъемность. Серия X-Life премиум-класс. увеличиный срок службы. Механически обработанный латунный сепаратор. вращающийся элемент качения (крестовина на заклепках). Спецификация производства и контроля FAG для цилиндрических роликоподшипников в тяговых двигателях. |
| NU314-E-XL-M1-F1-C4 | ISO | Внутренний зазор подшипника больше. чем C3. Повышенная грузоподъемность. Серия X-Life премиум-класс. увеличиный срок службы. Механически обработанный латунный сепаратор. вращающийся элемент качения (крестовина на заклепках). Спецификация производства и контроля FAG для цилиндрических роликоподшипников в тяговых двигателях. |
| NU314-E-XL-M1-F1-J20B-C4 | ISO | Внутренний зазор подшипника больше. чем C3. Повышенная грузоподъемность. Серия X-Life премиум-класс. увеличиный срок службы. Механически обработанный латунный сепаратор. вращающийся элемент качения (крестовина на заклепках). Спецификация производства и контроля FAG для цилиндрических роликоподшипников в тяговых двигателях. Наружное кольцо с керамическим покрытием (напряжение 500 В постоянного тока). |
| NU314-E-XL-M1-F1-T51F | ISO | Повышенная грузоподъемность. Серия X-Life премиум-класс. увеличиный срок службы. Механически обработанный латунный сепаратор. вращающийся элемент качения (крестовина на заклепках). Спецификация производства и контроля FAG для цилиндрических роликоподшипников в тяговых двигателях. Специальные допуски для железнодорожных двигателей. |
| NU314-E-XL-M1-H257A-C4 | ISO | Внутренний зазор подшипника больше. чем C3. Повышенная грузоподъемность. Серия X-Life премиум-класс. увеличиный срок службы. Механически обработанный латунный сепаратор. вращающийся элемент качения (крестовина на заклепках). |
| NU314-E-XL-M1-F1-J20AB-C4 | ISO | Внутренний зазор подшипника больше. чем C3. Повышенная грузоподъемность. Серия X-Life премиум-класс. увеличиный срок службы. Механически обработанный латунный сепаратор. вращающийся элемент качения (крестовина на заклепках). Спецификация производства и контроля FAG для цилиндрических роликоподшипников в тяговых двигателях. Puncture Voltage/ 1.000vDC - Operating Environment/ Dry. Damp - Layer Thickness/ 100μm - Possible Dimensions/ 70mm–1400mm Outside Diameter. |
| NU314-E-XL-M1-P6-F1-C3 | ISO | Внутренний зазор больше нормального. Повышенная грузоподъемность. Серия X-Life премиум-класс. увеличиный срок службы. Механически обработанный латунный сепаратор. вращающийся элемент качения (крестовина на заклепках). Спецификация производства и контроля FAG для цилиндрических роликоподшипников в тяговых двигателях. Размерные и геометрические допуски соответствуют классу точности P6. |
| NU314-E-XL-M1A-F59-C3 | ISO | Внутренний зазор больше нормального. Повышенная грузоподъемность. Серия X-Life премиум-класс. увеличиный срок службы. Массивный латунный сепаратор. двухтельный. центрированный по бортам. Replaced By. |
| NU314-E-XL-N-M1-C3 | ISO | Внутренний зазор больше нормального. Повышенная грузоподъемность. Серия X-Life премиум-класс. увеличиный срок службы. Механически обработанный латунный сепаратор. вращающийся элемент качения (крестовина на заклепках). Канавка под стопорное кольцо на внешнем кольце. |
| NU314-E-XL-TVP2-F1-C3 | ISO | Внутренний зазор больше нормального. Повышенная грузоподъемность. Серия X-Life премиум-класс. увеличиный срок службы. Cепаратор изготовленный из полиамида PA66. армированного стекловолокном. Спецификация производства и контроля FAG для цилиндрических роликоподшипников в тяговых двигателях. |
| NU314-E-M6-C3 | ISO | Внутренний зазор больше нормального. Увеличенная грузоподъёмность. Цельный латунный сепаратор с роликовыми направляющими для цилиндрических роликоподшипников. |
| NU314M1.P63.F1 | ISO | Комбинация P6 (Точность размеров и пробега в соответствии с классом допуска ISO 6 (лучше нормы)) и C3 (Внутренний зазор больше нормы). Механически обработанный латунный сепаратор. вращающийся элемент качения (крестовина на заклепках). Спецификация производства и контроля FAG для цилиндрических роликоподшипников в тяговых двигателях. |
| NUP314-E-XL-N-M1 | ISO | Повышенная грузоподъемность. Серия X-Life премиум-класс. увеличиный срок службы. Механически обработанный латунный сепаратор. вращающийся элемент качения (крестовина на заклепках). Канавка под стопорное кольцо на внешнем кольце. |
| NUP314-E-XL-N-M1-C3 | ISO | Внутренний зазор больше нормального. Повышенная грузоподъемность. Серия X-Life премиум-класс. увеличиный срок службы. Механически обработанный латунный сепаратор. вращающийся элемент качения (крестовина на заклепках). Канавка под стопорное кольцо на внешнем кольце. |
| NUP314-E-XL-N-TVP2-C3 | ISO | Внутренний зазор больше нормального. Повышенная грузоподъемность. Серия X-Life премиум-класс. увеличиный срок службы. Cепаратор изготовленный из полиамида PA66. армированного стекловолокном. Канавка под стопорное кольцо на внешнем кольце. |
| NUP314-E-XL-TVP2-F1-C3 | ISO | Внутренний зазор больше нормального. Повышенная грузоподъемность. Серия X-Life премиум-класс. увеличиный срок службы. Cепаратор изготовленный из полиамида PA66. армированного стекловолокном. Спецификация производства и контроля FAG для цилиндрических роликоподшипников в тяговых двигателях. |
| NUP314-E-XL-N-TVP2 | ISO | Повышенная грузоподъемность. Серия X-Life премиум-класс. увеличиный срок службы. Cепаратор изготовленный из полиамида PA66. армированного стекловолокном. Канавка под стопорное кольцо на внешнем кольце. |
| NU314-E-XL-TVP2-F1-J20A-C3 | ISO | Внутренний зазор больше нормального. Повышенная грузоподъемность. Серия X-Life премиум-класс. увеличиный срок службы. Твердый сепаратор оконного типа из армированного стекловолокном полиамида. Подшипники токоизолированной конструкции. Заменяет Z76. Подшипники качения для тяговых двигателей. |
| NU314-E-M1 | ISO | Повышенная грузоподъемность. Механически обработанный латунный сепаратор. вращающийся элемент качения (крестовина на заклепках). |
Аналог цилиндрического роликового подшипника NJ314-E-TVP3-C3 — это подшипник такого же размера dx70,Dx150,Bx35, типа и конструкции.
| Обозначение | Конструктивные особенности | Внутренний (d) | Наружный (D) | Ширина (B) |
|---|---|---|---|---|
| 46314-Л | Шариковый радиально-упорный однорядный подшипник. Сепаратор из латуни.. | 70.00 | 150.00 | 35.00 |
| 46314К | Шариковый радиально-упорный однорядный подшипник. «Замок» (скос) на внутреннем кольце плюс массивный сепаратор из текстолита. | 70.00 | 150.00 | 35.00 |
| 5-314 Ш2У | Шариковый радиальный однорядный подшипник. Дополнительные технические требования. Нормы шумности. | 70.00 | 150.00 | 35.00 |
| 5-46314 Л | Шариковый радиально-упорный однорядный подшипник. Сепаратор из латуни.. | 70.00 | 150.00 | 35.00 |
| 5-50314 Л | Шариковый радиальный однорядный подшипник. Сепаратор из латуни.. | 70.00 | 150.00 | 35.00 |
| 50-2314 КМ | Роликовый радиальный однорядный подшипник. Модифицированный контакт.. | 70.00 | 150.00 | 35.00 |
| 50314-А | Шариковый радиальный однорядный подшипник. Повышенная грузоподъемность. | 70.00 | 150.00 | 35.00 |
| 50314-Л | Шариковый радиальный однорядный подшипник. Сепаратор из латуни.. | 70.00 | 150.00 | 35.00 |
| 50314-АК | Шариковый радиальный однорядный подшипник. Повышенная грузоподъемность. | 70.00 | 150.00 | 35.00 |
| 6-102314 М | Роликовый радиальный однорядный подшипник. Модифицированный контакт.. | 70.00 | 150.00 | 35.00 |
| 6-126314 Л | Шариковый радиально-упорный однорядный подшипник. Сепаратор из латуни.. | 70.00 | 150.00 | 35.00 |
| 6-126314 Р | Шариковый радиально-упорный однорядный подшипник. Детали из теплоустойчивой (быстрорежущие) стали.. | 70.00 | 150.00 | 35.00 |
| 6-170314 Л | Шариковый радиальный однорядный подшипник. Сепаратор из латуни.. | 70.00 | 150.00 | 35.00 |
| 6-176314 Л | Шариковый радиально-упорный однорядный подшипник. Сепаратор из латуни.. | 70.00 | 150.00 | 35.00 |
| 6-180314 Ш1 | Шариковый радиальный однорядный подшипник. Нормы шумности. | 70.00 | 150.00 | 35.00 |
Способы доставки
Отправка через ведущие транспортные и курьерские компании: ПЭК, Деловые Линии, СДЭК, Байкал-Сервис, Энергия, КИТ, ЖелДорЭкспедиция.
Самовывоз возможен напрямую со склада в Москве.
Сроки доставки
Срок зависит от региона и выбранной транспортной компании. Все заказы комплектуются и отправляются в кратчайшие сроки со склада в Москве.
Надёжность и сохранность
Вся продукция упаковывается с учётом требований транспортировки. Мы гарантируем, что подшипники и комплектующие прибудут к заказчику в полной сохранности.
Доставка в страны ЕАЭС
Мы работаем с проверенными логистическими партнёрами, что позволяет оперативно доставлять заказы в Беларусь, Казахстан, Армению и другие страны ЕАЭС.
Варианты оплаты:
Минимальная сумма заказа и скидки:
Документы и гарантии:
Да, конечно! Наши технические специалисты готовы помочь вам с подбором точного аналога или замены подшипника. Просто позвоните нам по телефону +7 (495) 104-99-04 или напишите на почту zakaz@podsnab.ru.
Для оперативной консультации подготовьте, пожалуйста, имеющиеся данные: маркировку, размеры, тип оборудования или артикул старого подшипника.
Да, конечно! Мы высоко ценим долгосрочное сотрудничество и доверие клиентов по всей России. Для постоянных клиентов действует персональная система скидок.
Условия формируются индивидуально и зависят от:
Чтобы узнать свои условия и получить максимально выгодное предложение, свяжитесь с персональным менеджером или напишите нам на почту zakaz@podsnab.ru.
Вы можете оформить заказ несколькими способами:
Для оформления заказа от юридического лица свяжитесь с нашим отделом по работе с корпоративными клиентами по телефону +7 (495) 104-99-04 или напишите на email zakaz@podsnab.ru, прикрепив реквизиты вашей организации.
Мы оперативно подготовим коммерческое предложение и выставим счет.
Возврат товара надлежащего качества возможен в течение 10 дней с момента получения, если товар не был в употреблении, сохранен товарный вид, упаковка не вскрывалась и присутствуют все сопроводительные документы.
Возврат денежных средств осуществляется в течение 10 рабочих дней после проверки товара складом.
В соответствии с законодательством возврату не подлежат подшипники надлежащего качества, если отсутствует оригинальная упаковка или имеются следы монтажа.
В случае выявления брака или гарантийного случая мы гарантируем возврат или обмен товара.
Да, гарантийный срок хранения устанавливается заводом-изготовителем и в среднем составляет 2 года при соблюдении условий хранения: сухое помещение, оригинальная упаковка и смазка.
Точный срок для конкретного типа подшипника уточняйте у наших менеджеров.
Пн–Пт: с 8:00 до 17:00 (МСК).
Сб–Вс: выходные дни.
Заказы на сайте принимаются круглосуточно. Заявки, поступившие после окончания рабочего дня, обрабатываются на следующий рабочий день.
Минимальная сумма заказа для доставки составляет 3000 рублей. Самовывоз со склада возможен на любую сумму при наличии товара.
ООО «УралТехГрупп»
ИНН: 7415093830
КПП: 772401001
ОГРН: 1167456069021
Банк: ПАО Сбербанк
Р/с: 40702810838000475273
К/с: 30101810400000000225
БИК: 044525225
У подшипника NJ314-E-TVP3-C3 пока нет отзывов. Вы можете стать первым покупателем, поделившимся своим мнением.