Поиск подшипника
Статьи
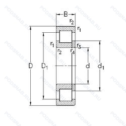
NUP2215E TVP3 — однорядный цилиндрический роликовый подшипник, модификация основного исполнения NUP2215, производство NKE.
Размер подшипника: 75x130x31 мм.
Однорядный цилиндрический роликоподшипник. Наружное кольцо имеет два борта, внутреннее — один борт и одно свободное фланцевое кольцо. Основные размеры по DIN 5412-1, относится к подтипу фиксированные подшипники, разъемные, с сепаратором, цельный сепаратор из полиамида pa66-gf25. сепаратор оконного типа. направляемый телами качения, увеличенная грузоподъёмность.
Аналоги: NUP2215-E-TVP3 NKE.
Международная стандартизации ISO
NUP2215ETVP3
В наличии
| Обозначение | Конструктивные изменения |
|---|---|
| NUP2215TV | Прочный сепаратор из полиамида. армированного стекловолокном. |
| NUP2215E.M1 | Повышенная грузоподъемность. Механически обработанный латунный сепаратор. вращающийся элемент качения (крестовина на заклепках). |
| NUP2215-E-XL-M1-C3 | Внутренний зазор больше нормального. Повышенная грузоподъемность. Серия X-Life премиум-класс. увеличиный срок службы. Механически обработанный латунный сепаратор. вращающийся элемент качения (крестовина на заклепках). |
| NUP2215-E-XL-M1A-C3 | Внутренний зазор больше нормального. Повышенная грузоподъемность. Серия X-Life премиум-класс. увеличиный срок службы. Массивный латунный сепаратор. двухтельный. центрированный по бортам. |
| NUP2215-E-XL-TVP2 | Повышенная грузоподъемность. Серия X-Life премиум-класс. увеличиный срок службы. Cепаратор изготовленный из полиамида PA66. армированного стекловолокном. |
| NUP2215-E-XL-TVP2-C3 | Внутренний зазор больше нормального. Повышенная грузоподъемность. Серия X-Life премиум-класс. увеличиный срок службы. Cепаратор изготовленный из полиамида PA66. армированного стекловолокном. |
| NUP2215ET2XU | Повышенная грузоподъемность. Одно ребро. Одно стопорное кольцо в наружном кольце. Полиамидный сепаратор 4.6 для цилиндрических роликоподшипников. |
| NUP2215ECP | Оптимизированная внутренняя конструкция предусматривает увеличенное количество роликов и/или ролики большего размера с улучшенными условиями контакта торцов роликов с бортами внутреннего кольца. Сепаратор из стеклонаполненного полиамида PA66. центрируемый по роликам. Однорядный цилиндрический роликовый подшипник. |
| NUP2215-E-TVP2-P5-C2 | Внутренний зазор подшипника меньше нормального. Повышенная грузоподъемность. Размерная и рабочая точность соответствует классу допуска ISO 5. Cепаратор изготовленный из полиамида PA66. армированного стекловолокном. |
| NUP2215C3 | Внутренний зазор больше нормального. |
| NUP2215E MA | Повышенная грузоподъемность. Механически обработанный латунный сепаратор. Центрирование по внешнему кольцу. |
| NUP2215E.M1.C3 | Внутренний зазор больше нормального. Повышенная грузоподъемность. Механически обработанный латунный сепаратор. вращающийся элемент качения (крестовина на заклепках). |
| NUP2215ET2 | Увеличенная грузоподъёмность. Сепаратор из полиамида. армированного стекловолокном. |
| NUP2215ET | Сквозная закалка и шлифовка стали с переломом в одной точке. |
| NUP2215E G15 | Повышенная грузоподъемность. Литой сепаратор из полиамида 6.6. армированного стекловолокном. Элемент качения по центру. |
| NUP2215-E-M6-C3 | Внутренний зазор больше нормального. Увеличенная грузоподъёмность. Цельный латунный сепаратор с роликовыми направляющими для цилиндрических роликоподшипников. |
| NUP2215E.M1A.C3 | Внутренний зазор больше нормального. Повышенная грузоподъемность. Массивный латунный сепаратор. двухтельный. центрированный по бортам. |
| NUP2215-E-XL-K-M1-C3 | Внутренний зазор больше нормального. Коническое отверстие. конус 1/12. Повышенная грузоподъемность. Серия X-Life премиум-класс. увеличиный срок службы. Массивный латунный сепаратор. Из двух частей. С роликовыми направляющими. |
| NUP2215-E-XL-JP3-P5 | Повышенная грузоподъемность. Серия X-Life премиум-класс. увеличиный срок службы. Размерная и рабочая точность соответствует классу допуска ISO 5. Применения с цилиндрическими роликоподшипниками с наружным диаметром > 90 мм с сепаратором из листовой стали JP3 с оптимизированной толщиной листа. Улучшенные направляющие и удерживающие ролики. Увеличенный поток масла или смазки. |
| NUP2215-E-XL-TVP2-P5-C2 | Внутренний зазор подшипника меньше нормального. Повышенная грузоподъемность. Серия X-Life премиум-класс. увеличиный срок службы. Размерная и рабочая точность соответствует классу допуска ISO 5. Cепаратор изготовленный из полиамида PA66. армированного стекловолокном. |
| NUP2215-E-MPA | Повышенная грузоподъемность. Твердый латунный сепаратор. |
| NUP2215-E-M6 | Повышенная грузоподъемность. 20-28 UM (C3 & C4). |
| NUP2215-E-MA6 | Повышенная грузоподъемность. Изготовленный из двух частей латунный сепаратор. Центрирование по внешнему кольцу. Различные конструкции или сорта материалов обозначаются цифрой или буквой.. |
| NUP2215 EM | Стандартный фланцевый ( с резьбой и сквозным отверстием). |
| NUP2215R | С выпуклыми асимметричными роликами и обработанным сепаратором. |
Модификации цилиндрического роликового подшипника NUP2215E TVP3 — это измененное основное конструктивное исполнение NUP2215, основные размеры (75x130x31) не отличаются.
| Обозначение | Гост | Конструктивные особенности |
|---|---|---|
| NU2215E B MA6 C4 | ISO | Внутренний зазор подшипника больше. чем C3. Повышенная грузоподъемность. Свободный ход шариков. Изготовленный из двух частей латунный сепаратор. Центрирование по внешнему кольцу. Различные конструкции или сорта материалов обозначаются цифрой или буквой.. |
| NU2215E TGP | ISO | Цилиндрический роликовый подшипник c увеличенной грузоподъемностью. Формованный полиамидный сепаратор оконного типа. Роликовые тела качения. |
| NU2215ET C3 | ISO | Внутренний зазор больше нормального. Сквозная закалка и шлифовка стали с переломом в одной точке. |
| NU2215E TNG | ISO | Повышенная грузоподъемность. Прочный сепаратор из полиамида. армированного стекловолокном. |
| NU2215W | ISO | Цельный прессованный сепаратор. |
| SL18-2215C3 | ISO | Внутренний зазор больше нормального. |
| NU2215WC3 | ISO | Внутренний зазор больше нормального. Цельный прессованный сепаратор. |
| NJ2215W C3 | ISO | Внутренний зазор больше нормального. Цельный прессованный сепаратор. |
| SL182215-A-C3 | ISO | Внутренний зазор больше нормального. Особенность внутренней конструкции. |
| NU2215G1 C3 | ISO | Внутренний зазор больше нормального. Ламинированный фенольный сепаратор с центрированием на внешнем кольце. |
| NJ2215E G15 | ISO | Повышенная грузоподъемность. Литой сепаратор из полиамида 6.6. армированного стекловолокном. Элемент качения по центру. |
| NUB215ECM | ISO | Механически обработанный латунный сепаратор. клёпаный. центрируемый по роликам. Оптимизированная внутренняя конструкция предусматривает увеличенное количество роликов и/или ролики большего размера с улучшенными условиями контакта торцов роликов с бортами внутреннего кольца. |
| NU2215E.TVP2.C2 | ISO | Внутренний зазор подшипника меньше нормального. Повышенная грузоподъемность. Cепаратор изготовленный из полиамида PA66. армированного стекловолокном. |
| NUB215-E-TVP2 | ISO | Повышенная грузоподъемность. Cепаратор изготовленный из полиамида PA66. армированного стекловолокном. |
| NJ2215-E-MPA | ISO | Повышенная грузоподъемность. Твердый латунный сепаратор. |
| NU2215-E-TVP3 | ISO | Повышенная грузоподъемность. Цельный сепаратор из полиамида PA66-GF25. сепаратор оконного типа. направляемый телами качения. |
| NUB215-E-XL-TVP2 | ISO | Повышенная грузоподъемность. Серия X-Life премиум-класс. увеличиный срок службы. Cепаратор изготовленный из полиамида PA66. армированного стекловолокном. |
| NUB215-E-XL-M1 | ISO | Повышенная грузоподъемность. Серия X-Life премиум-класс. увеличиный срок службы. Механически обработанный латунный сепаратор. вращающийся элемент качения (крестовина на заклепках). |
| NU2215-E-XL-N1-MPAX-C3-H144 | ISO | Внутренний зазор больше нормального. Повышенная грузоподъемность. Серия X-Life премиум-класс. увеличиный срок службы. Один установочный паз на внешней кромке наружного кольца (для радиального расположения подшипника). Требования к точности железнодорожных подшипников для Siemens. Ребристый однокомпонентный цельнолатунный сепаратор является дальнейшим развитием сепараторов FAG типов MPA и MP1A и будет последовательно заменять эти типы. Он обладает большей прочностью по отношению к ударным нагрузкам и вибрациям. чем его предшественники. и особенно хорошо подходит для применения в условиях высоких нагрузок. |
| NU2215-E-M1A-P5 | ISO | Повышенная грузоподъемность. Размерная и рабочая точность соответствует классу допуска ISO 5. Массивный латунный сепаратор. двухтельный. центрированный по бортам. |
Аналог цилиндрического роликового подшипника NUP2215E TVP3 — это подшипник такого же размера dx75,Dx130,Bx31, типа и конструкции.
| Обозначение | Конструктивные особенности | Внутренний (d) | Наружный (D) | Ширина (B) |
|---|---|---|---|---|
| 962715-УС17 | Роликовый радиальный цилиндрический двухрядный подшипник. Смазка Литол-24. Дополнительные технические требования. | 75.00 | 129.00 | 30.00 |
| 962715-Х | Роликовый радиальный однорядный подшипник. Кольца и тела качения или только кольца (в том числе одно кольцо) из цементируемой стали.. | 75.00 | 129.00 | 30.00 |
| 962715-ХС17 | Опорный ролик. Смазка Литол-24. Кольца и тела качения или только кольца (в том числе одно кольцо) из цементируемой стали.. | 75.00 | 129.00 | 32.00 |
| 97515A1 | Роликовый радиальный-упорный двухрядный подшипник. ABEC.1. | 75.00 | 130.00 | 31.00 |
| 5-1515-Ю | Шариковый радиальный двухрядный подшипник. Все детали или часть деталей из нержавеющей стали.. | 75.00 | 130.00 | 31.00 |
| 6-1515 Ю | Шариковый радиальный двухрядный подшипник. Все детали или часть деталей из нержавеющей стали.. | 75.00 | 130.00 | 31.00 |
| 4-1515 Ю | Шариковый радиальный двухрядный подшипник. Все детали или часть деталей из нержавеющей стали.. | 75.00 | 130.00 | 31.00 |
| 1515-Ю | Шариковый радиальный двухрядный подшипник. Все детали или часть деталей из нержавеющей стали.. | 75.00 | 130.00 | 31.00 |
| 612515У2 | Роликовый радиальный двухрядный подшипник. Дополнительные технические требования. | 75.00 | 130.00 | 31.00 |
| NU2215 ET | Роликовый радиальный подшипник. Сквозная закалка и шлифовка стали с переломом в одной точке. | 75.00 | 130.00 | 31.00 |
| 2215 TN9 | Шариковый сферический двухрядный подшипник. Литой защелкивающийся сепаратор из полиамида. армированного стекловолокном 6.6. | 75.00 | 130.00 | 31.00 |
| 2215-2RS | Шариковый сферический двухрядный подшипник. Резиновые уплотнения с каждой стороны подшипника. | 75.00 | 130.00 | 31.00 |
| NJ 2215 ECPH | Роликовый радиальный однорядный подшипник. Однорядный цилиндрический роликовый подшипник. | 75.00 | 130.00 | 31.00 |
| NU 2215 ECPH | Роликовый радиальный однорядный подшипник. Однорядный цилиндрический роликовый подшипник. | 75.00 | 130.00 | 31.00 |
| 53515-Н | Роликовый радиальный двухрядный подшипник. Детали из теплостойкой стали. | 75.00 | 130.00 | 31.00 |
Способы доставки
Отправка через ведущие транспортные и курьерские компании: ПЭК, Деловые Линии, СДЭК, Байкал-Сервис, Энергия, КИТ, ЖелДорЭкспедиция.
Самовывоз возможен напрямую со склада в Москве.
Сроки доставки
Срок зависит от региона и выбранной транспортной компании. Все заказы комплектуются и отправляются в кратчайшие сроки со склада в Москве.
Надёжность и сохранность
Вся продукция упаковывается с учётом требований транспортировки. Мы гарантируем, что подшипники и комплектующие прибудут к заказчику в полной сохранности.
Доставка в страны ЕАЭС
Мы работаем с проверенными логистическими партнёрами, что позволяет оперативно доставлять заказы в Беларусь, Казахстан, Армению и другие страны ЕАЭС.
Варианты оплаты:
Минимальная сумма заказа и скидки:
Документы и гарантии:
Да, конечно! Наши технические специалисты готовы помочь вам с подбором точного аналога или замены подшипника. Просто позвоните нам по телефону +7 (495) 104-99-04 или напишите на почту zakaz@podsnab.ru.
Для оперативной консультации подготовьте, пожалуйста, имеющиеся данные: маркировку, размеры, тип оборудования или артикул старого подшипника.
Да, конечно! Мы высоко ценим долгосрочное сотрудничество и доверие клиентов по всей России. Для постоянных клиентов действует персональная система скидок.
Условия формируются индивидуально и зависят от:
Чтобы узнать свои условия и получить максимально выгодное предложение, свяжитесь с персональным менеджером или напишите нам на почту zakaz@podsnab.ru.
Вы можете оформить заказ несколькими способами:
Для оформления заказа от юридического лица свяжитесь с нашим отделом по работе с корпоративными клиентами по телефону +7 (495) 104-99-04 или напишите на email zakaz@podsnab.ru, прикрепив реквизиты вашей организации.
Мы оперативно подготовим коммерческое предложение и выставим счет.
Возврат товара надлежащего качества возможен в течение 10 дней с момента получения, если товар не был в употреблении, сохранен товарный вид, упаковка не вскрывалась и присутствуют все сопроводительные документы.
Возврат денежных средств осуществляется в течение 10 рабочих дней после проверки товара складом.
В соответствии с законодательством возврату не подлежат подшипники надлежащего качества, если отсутствует оригинальная упаковка или имеются следы монтажа.
В случае выявления брака или гарантийного случая мы гарантируем возврат или обмен товара.
Да, гарантийный срок хранения устанавливается заводом-изготовителем и в среднем составляет 2 года при соблюдении условий хранения: сухое помещение, оригинальная упаковка и смазка.
Точный срок для конкретного типа подшипника уточняйте у наших менеджеров.
Пн–Пт: с 8:00 до 17:00 (МСК).
Сб–Вс: выходные дни.
Заказы на сайте принимаются круглосуточно. Заявки, поступившие после окончания рабочего дня, обрабатываются на следующий рабочий день.
Минимальная сумма заказа для доставки составляет 3000 рублей. Самовывоз со склада возможен на любую сумму при наличии товара.
ООО «УралТехГрупп»
ИНН: 7415093830
КПП: 772401001
ОГРН: 1167456069021
Банк: ПАО Сбербанк
Р/с: 40702810838000475273
К/с: 30101810400000000225
БИК: 044525225
У подшипника NUP2215E TVP3 пока нет отзывов. Вы можете стать первым покупателем, поделившимся своим мнением.