Поиск подшипника
Статьи
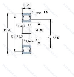
NUP308-E-TVP3-C3 — Однорядный цилиндрический роликовый подшипник, модификация основного исполнения NUP308, производство NKE.
Размер подшипника: 40x90x23 мм.
Однорядный цилиндрический роликоподшипник. Наружное кольцо имеет два борта, внутреннее — один борт и одно свободное фланцевое кольцо. Основные размеры по DIN 5412-1, относится к подтипу фиксированные подшипники, разъемные, с сепаратором, цельный сепаратор из полиамида pa66-gf25. сепаратор оконного типа. направляемый телами качения, внутренний зазор больше нормального, увеличенная грузоподъёмность.
Аналоги: NUP308-E-XL-TVP2-C3 FAG,NUP308E.TVP3.C3 NKE.
Международная стандартизации ISO
NUP308ETVP3C3
В наличии
| Обозначение | Конструктивные изменения |
|---|---|
| NUP308VH-1NRS02 | Две стопорные канавки во внешнем кольце. Полный комплект цилиндрических роликоподшипников с набором самоудерживающихся роликов. Width Can Differ From The Item Without The '-1' Suffix. Кольца стабилизированы по размерам для использования при рабочих температурах до +250°C (482°F). |
| NUP308E G1 | Повышенная грузоподъемность. Обработанный латунный сепаратор для цилиндрических роликоподшипников. |
| NUP308EM C3 | Внутренний зазор больше нормального. Стандартный фланцевый ( с резьбой и сквозным отверстием). |
| NUP308EW C3 | Внутренний зазор больше нормального. Однорядный. |
| NUP308A1WNR C3 | Внутренний зазор больше нормального. Канавка под стопорное кольцо на наружном кольце с соответствующим стопорным кольцом. Цельный прессованный сепаратор. |
| NUP308W | Цельный прессованный сепаратор. |
| NUP308ECM | Механически обработанный латунный сепаратор. клёпаный. центрируемый по роликам. Оптимизированная внутренняя конструкция предусматривает увеличенное количество роликов и/или ролики большего размера с улучшенными условиями контакта торцов роликов с бортами внутреннего кольца. Однорядный цилиндрический роликовый подшипник. |
| NUP308-E-TVP3-C4 | Внутренний зазор подшипника больше. чем C3. Повышенная грузоподъемность. Цельный сепаратор из полиамида PA66-GF25. сепаратор оконного типа. направляемый телами качения. |
| NUP308E/TGP | Цилиндрический роликовый подшипник c увеличенной грузоподъемностью. Формованный полиамидный сепаратор оконного типа. Роликовые тела качения. |
| NUP308EW | Однорядный. |
| NUP308-E-TVP2-C4 | Внутренний зазор подшипника больше. чем C3. Повышенная грузоподъемность. Cепаратор изготовленный из полиамида PA66. армированного стекловолокном. |
| NUP308-E-TVP3 | Повышенная грузоподъемность. Цельный сепаратор из полиамида PA66-GF25. сепаратор оконного типа. направляемый телами качения. |
| NUP308N | Канавка под стопорное кольцо на внешнем кольце. |
| NUP308C3U | Внутренний зазор больше нормального. Одно ребро. Одно стопорное кольцо в наружном кольце. |
| NUP.308.E.G15 | Повышенная грузоподъемность. Литой сепаратор из полиамида 6.6. армированного стекловолокном. Элемент качения по центру. |
| NUP308-E-XL-JP1-C3 | Внутренний зазор больше нормального. Повышенная грузоподъемность. Серия X-Life премиум-класс. увеличиный срок службы. Прессованный сепаратор из листового металла. |
| NUP308E.JP1.C3 | Внутренний зазор больше нормального. Повышенная грузоподъемность. Прессованный сепаратор из листового металла. |
| NUP308-E-MPA | Повышенная грузоподъемность. Твердый латунный сепаратор. |
| NUP308E.TVP | Повышенная грузоподъемность. Molded Snap-Type Cage Of Glass Fibre Reinforced Polyamide. Rolling Element Riding. |
| NUP308 ETN | Цилиндрический роликовый подшипник. Дополнительная грузоподъемность с сепаратором из полиамида 6-6. |
| NUP308FM | Y-образный подшипник серии YET2 (внутреннее кольцо выдвинуто с одной стороны. Эксцентриковая стопорная втулка). Стандартное уплотнение без фланца с каждой стороны. |
| NUP308FM/C3 | Внутренний зазор больше нормального. Y-образный подшипник серии YET2 (внутреннее кольцо выдвинуто с одной стороны. Эксцентриковая стопорная втулка). Стандартное уплотнение без фланца с каждой стороны. |
| NUP308FMNR/C3 | Внутренний зазор больше нормального. |
| NUP308R | С выпуклыми асимметричными роликами и обработанным сепаратором. |
| NUP308EG | Игольчатые сепараторы для шатунов двигателей. |
Модификации цилиндрического роликового подшипника NUP308-E-TVP3-C3 — это измененное основное конструктивное исполнение NUP308, основные размеры (40x90x23) не отличаются.
| Обозначение | Гост | Конструктивные особенности |
|---|---|---|
| NJ308E MA C4 | ISO | Внутренний зазор подшипника больше. чем C3. Повышенная грузоподъемность. Механически обработанный латунный сепаратор. Центрирование по внешнему кольцу. |
| NJ308ECMA/C3 | ISO | Внутренний зазор больше нормального. Изготовленный из двух частей латунный сепаратор. внешнее кольцо по центру. Оптимизированная внутренняя конструкция предусматривает увеличенное количество роликов и/или ролики большего размера с улучшенными условиями контакта торцов роликов с бортами внутреннего кольца. |
| NJ308-E-TVP3-OEMQ | ISO | Увеличенная грузоподъёмность. Цельный сепаратор из полиамида PA66-GF25. сепаратор оконного типа. направляемый телами качения. Original Equipement Manufacturer. |
| NF308E | ISO | Повышенная грузоподъемность. |
| MU1308TVWS | ISO | Наружное кольцо с двумя стопорными кольцами во внутреннем диаметре. Цельный стальной сепаратор. |
| NU308EG1C3 | ISO | Внутренний зазор больше нормального. Повышенная грузоподъемность. Обработанный латунный сепаратор для цилиндрических роликоподшипников. |
| NF308ET2X | ISO | Повышенная грузоподъемность. Полиамидный сепаратор 4.6 для цилиндрических роликоподшипников. |
| NU308G1 CM | ISO | Обработанный латунный сепаратор для цилиндрических роликоподшипников. Специальный радиальный внутренний зазор для электродвигателей. |
| NJ308-E-M1A-C3 | ISO | Внутренний зазор больше нормального. Повышенная грузоподъемность. Массивный латунный сепаратор. двухтельный. центрированный по бортам. |
| NU308E TVP3 C3 | ISO | Внутренний зазор больше нормального. Увеличенная грузоподъёмность. Цельный сепаратор из полиамида PA66-GF25. сепаратор оконного типа. направляемый телами качения. |
| NH308EW | ISO | Однорядный. |
| N308-E-TVP-C3 | ISO | Внутренний зазор больше нормального. Увеличенная грузоподъёмность. Формованный полиамидный сепаратор оконного типа. Роликовые тела качения. |
| N308-E-TVP | ISO | Увеличенная грузоподъёмность. Формованный полиамидный сепаратор оконного типа. Роликовые тела качения. |
| NJ308ET C3 | ISO | Внутренний зазор больше нормального. Сквозная закалка и шлифовка стали с переломом в одной точке. |
| NU308-E-XL-JP3-C3 | ISO | Внутренний зазор больше нормального. Повышенная грузоподъемность. Серия X-Life премиум-класс. увеличиный срок службы. Применения с цилиндрическими роликоподшипниками с наружным диаметром > 90 мм с сепаратором из листовой стали JP3 с оптимизированной толщиной листа. Улучшенные направляющие и удерживающие ролики. Увеличенный поток масла или смазки. |
| NU308-E-XL-M1A-F59-C3 | ISO | Внутренний зазор больше нормального. Повышенная грузоподъемность. Серия X-Life премиум-класс. увеличиный срок службы. Массивный латунный сепаратор. двухтельный. центрированный по бортам. Replaced By. |
| NU308-E-XL-M1A-P5-R35-45 | ISO | Повышенная грузоподъемность. Серия X-Life премиум-класс. увеличиный срок службы. Размерная и рабочая точность соответствует классу допуска ISO 5. Массивный латунный сепаратор. двухтельный. центрированный по бортам. Radial Clearance In μm. |
| N308E G15 | ISO | Повышенная грузоподъемность. Литой сепаратор из полиамида 6.6. армированного стекловолокном. Элемент качения по центру. |
| NU308E G15 J30 | ISO | Повышенная грузоподъемность. Внутренний зазор больше нормального. Литой сепаратор из полиамида 6.6. армированного стекловолокном. Элемент качения по центру. |
| NU308FM | ISO | Y-образный подшипник серии YET2 (внутреннее кольцо выдвинуто с одной стороны. Эксцентриковая стопорная втулка). Стандартное уплотнение без фланца с каждой стороны. |
Аналог цилиндрического роликового подшипника NUP308-E-TVP3-C3 — это подшипник такого же размера dx40,Dx90,Bx23, типа и конструкции.
| Обозначение | Конструктивные особенности | Внутренний (d) | Наружный (D) | Ширина (B) |
|---|---|---|---|---|
| 5-36308 Е5 | Шариковый радиально-упорный однорядный подшипник. Сепаратор из текстолита.. | 40.00 | 90.00 | 23.00 |
| 5-36308 К | Шариковый радиально-упорный однорядный подшипник. «Замок» (скос) на внутреннем кольце плюс массивный сепаратор из текстолита. | 40.00 | 90.00 | 23.00 |
| 5-36308 Л | Шариковый радиально-упорный однорядный подшипник. Сепаратор из латуни.. | 40.00 | 90.00 | 23.00 |
| 5-36308 Р | Шариковый радиально-упорный однорядный подшипник. Детали из теплоустойчивой (быстрорежущие) стали.. | 40.00 | 90.00 | 23.00 |
| 5-46308 Е2 | Шариковый радиально-упорный однорядный подшипник. Сепаратор из пластических материалов.. | 40.00 | 90.00 | 23.00 |
| 5-46308 Е5 | Шариковый радиально-упорный однорядный подшипник. Сепаратор из текстолита.. | 40.00 | 90.00 | 23.00 |
| 5-46308 Л | Шариковый радиально-упорный однорядный подшипник. Сепаратор из латуни.. | 40.00 | 90.00 | 23.00 |
| 50308-А | Шариковый радиальный однорядный подшипник. Повышенная грузоподъемность. | 40.00 | 90.00 | 23.00 |
| 50308-А1 | Шариковый радиальный однорядный подшипник. Повышенная грузоподъемность. | 40.00 | 90.00 | 23.00 |
| 50308-К | Шариковый радиальный однорядный подшипник. «Замок» (скос) на внутреннем кольце плюс массивный сепаратор из текстолита. | 40.00 | 90.00 | 23.00 |
| 550308А | Шариковый радиальный однорядный подшипник. Повышенная грузоподъемность. | 40.00 | 90.00 | 23.00 |
| 6-126308 Б | Шариковый радиально-упорный однорядный подшипник. Сепаратор из безоловянистой бронзы.. | 40.00 | 90.00 | 23.00 |
| 6-126308 Б1 | Шариковый радиально-упорный однорядный подшипник. Сепаратор из безоловянистой бронзы.. | 40.00 | 90.00 | 23.00 |
| 6-1308 Л | Шариковый радиальный двухрядный подшипник. Сепаратор из латуни.. | 40.00 | 90.00 | 23.00 |
| 6-176308 Е | Шариковый радиально-упорный однорядный подшипник. Сепаратор из текстолита.. | 40.00 | 90.00 | 23.00 |
Способы доставки
Отправка через ведущие транспортные и курьерские компании: ПЭК, Деловые Линии, СДЭК, Байкал-Сервис, Энергия, КИТ, ЖелДорЭкспедиция.
Самовывоз возможен напрямую со склада в Москве.
Сроки доставки
Срок зависит от региона и выбранной транспортной компании. Все заказы комплектуются и отправляются в кратчайшие сроки со склада в Москве.
Надёжность и сохранность
Вся продукция упаковывается с учётом требований транспортировки. Мы гарантируем, что подшипники и комплектующие прибудут к заказчику в полной сохранности.
Доставка в страны ЕАЭС
Мы работаем с проверенными логистическими партнёрами, что позволяет оперативно доставлять заказы в Беларусь, Казахстан, Армению и другие страны ЕАЭС.
Варианты оплаты:
Минимальная сумма заказа и скидки:
Документы и гарантии:
Да, конечно! Наши технические специалисты готовы помочь вам с подбором точного аналога или замены подшипника. Просто позвоните нам по телефону +7 (495) 104-99-04 или напишите на почту zakaz@podsnab.ru.
Для оперативной консультации подготовьте, пожалуйста, имеющиеся данные: маркировку, размеры, тип оборудования или артикул старого подшипника.
Да, конечно! Мы высоко ценим долгосрочное сотрудничество и доверие клиентов по всей России. Для постоянных клиентов действует персональная система скидок.
Условия формируются индивидуально и зависят от:
Чтобы узнать свои условия и получить максимально выгодное предложение, свяжитесь с персональным менеджером или напишите нам на почту zakaz@podsnab.ru.
Вы можете оформить заказ несколькими способами:
Для оформления заказа от юридического лица свяжитесь с нашим отделом по работе с корпоративными клиентами по телефону +7 (495) 104-99-04 или напишите на email zakaz@podsnab.ru, прикрепив реквизиты вашей организации.
Мы оперативно подготовим коммерческое предложение и выставим счет.
Возврат товара надлежащего качества возможен в течение 10 дней с момента получения, если товар не был в употреблении, сохранен товарный вид, упаковка не вскрывалась и присутствуют все сопроводительные документы.
Возврат денежных средств осуществляется в течение 10 рабочих дней после проверки товара складом.
В соответствии с законодательством возврату не подлежат подшипники надлежащего качества, если отсутствует оригинальная упаковка или имеются следы монтажа.
В случае выявления брака или гарантийного случая мы гарантируем возврат или обмен товара.
Да, гарантийный срок хранения устанавливается заводом-изготовителем и в среднем составляет 2 года при соблюдении условий хранения: сухое помещение, оригинальная упаковка и смазка.
Точный срок для конкретного типа подшипника уточняйте у наших менеджеров.
Пн–Пт: с 8:00 до 17:00 (МСК).
Сб–Вс: выходные дни.
Заказы на сайте принимаются круглосуточно. Заявки, поступившие после окончания рабочего дня, обрабатываются на следующий рабочий день.
Минимальная сумма заказа для доставки составляет 3000 рублей. Самовывоз со склада возможен на любую сумму при наличии товара.
ООО «УралТехГрупп»
ИНН: 7415093830
КПП: 772401001
ОГРН: 1167456069021
Банк: ПАО Сбербанк
Р/с: 40702810838000475273
К/с: 30101810400000000225
БИК: 044525225
У подшипника NUP308-E-TVP3-C3 пока нет отзывов. Вы можете стать первым покупателем, поделившимся своим мнением.