Поиск подшипника
Статьи
CRM6 — Однорядный цилиндрический роликовый подшипник, основное исполнение, выпускается производителями: NEUTRAL, RHP, SKF.
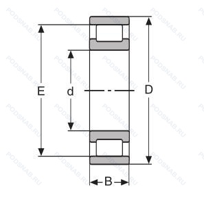
Размер подшипника: 19x50x17 мм.
Альтернативное обозначение: MRJ3/4J, RMS8.
Аналоги: MRJ3/4J RHP.
Международная стандартизации ISO
CRM6
В наличии
| Обозначение | Конструктивные изменения |
|---|---|
| CRM6A | Цилиндрический роликоподшипник. С углом фланца 1 градус 40 минут. Сферические роликовые наконечники. |
Модификации цилиндрического роликового подшипника CRM6 — это измененное основное конструктивное исполнение CRM6, основные размеры (19x50x17) не отличаются.
| Обозначение | Гост | Конструктивные особенности |
|---|---|---|
| MRJ3/4J | ISO | Однорядный цилиндрический роликовый подшипник. |
| RMS8 | ISO | Механически обработанный латунный сепаратор. |
| RMS8ZZ | ISO | Защитные металлические шайбы с обеих сторон. |
| MRJA3/4 | ISO | Подшипник с чрезвычайно высокой точностью вращения (Abec9) и допуском формы (Abec7). |
| MRJ3/4 | ISO | Подшипник с чрезвычайно высокой точностью вращения (Abec9) и допуском формы (Abec7). |
| RMS8M | ISO | Механически обработанный латунный сепаратор .Расположенный на элементах качения. |
| MRJ3/4M | ISO | Однорядный цилиндрический роликовый подшипник. |
| MMRJ3/4 | ISO | Подшипник с чрезвычайно высокой точностью вращения (Abec9) и допуском формы (Abec7). |
| MRJ3/4JCN | ISO | Прессованный стальной сепаратор. Нормальный уровень радиального внутреннего зазора (не маркируется). |
| MRJ3/4J C3 | ISO | Внутренний зазор больше нормального. Сепаратор из стали. |
| MMRJN3/4M | ISO | Механически обработанный латунный сепаратор .Расположенный на элементах качения. Силиконовая смазка SH44M TORAY SILICONE. |
| RMS8 V3 | ISO | Радиальный зазор больше стандартного. |
| MMRJ3/4J | ISO | Прессованный стальной сепаратор. |
Аналог цилиндрического роликового подшипника CRM6 — это подшипник такого же размера dx19,Dx50,Bx17, типа и конструкции.
| Обозначение | Конструктивные особенности | Внутренний (d) | Наружный (D) | Ширина (B) |
|---|---|---|---|---|
| SN20S | Сферический шарнирный подшипник. Запечатанная версия кулачкового ролика. | 20.00 | 50.00 | 16.00 |
| MJ3/4 2RS | Подшипник однорядный шариковый радиальный. Резиновые уплотнения с каждой стороны подшипника. | 19.05 | 50.80 | 17.46 |
| NMJ3/4M | Подшипник шариковый двухрядный самоустанавливающийся. Механически обработанный латунный сепаратор .Расположенный на элементах качения. Силиконовая смазка SH44M TORAY SILICONE. | 19.05 | 50.80 | 17.34 |
| NMJ3/4J | Подшипник шариковый двухрядный самоустанавливающийся. Прессованный стальной сепаратор. | 19.05 | 50.80 | 17.46 |
| MJ1JRRS | Подшипник однорядный шариковый радиальный. Прессованный стальной сепаратор. Два резиновых уплотнения. | 19.05 | 50.80 | 17.46 |
| MJT3/4M | Подшипник шариковый однорядный радиально-упорный. Механически обработанный латунный сепаратор .Расположенный на элементах качения. | 19.05 | 50.80 | 17.46 |
| RMS8-2RS1 | Подшипник однорядный шариковый радиальный. Усиленные листовой сталью контактные уплотнения из акрилонитрил-бутадиенового каучука (NBR) с обеих сторон подшипника. | 19.05 | 50.80 | 17.46 |
| RMS6/C3 | Подшипник однорядный шариковый радиальный. Внутренний зазор больше нормального. | 19.05 | 50.80 | 17.46 |
| MJ3/4-C3 | Подшипник однорядный шариковый радиальный. Внутренний зазор больше нормального. | 19.05 | 50.80 | 17.46 |
| MJ1-2ZJ | Подшипник однорядный шариковый радиальный. Прессованный стальной сепаратор. Защитные металлические шайбы с обеих сторон. | 19.05 | 50.80 | 17.46 |
| MJT3/4=13 | Шариковый радиально-упорный однорядный подшипник. Подшипник с чрезвычайно высокой точностью вращения (Abec9) и допуском формы (Abec7). 13/16. | 19.05 | 50.80 | 17.50 |
| BR2049DD | Шариковый радиальный однорядный подшипник. Два уплотнения из PTFE. | 20.00 | 49.00 | 16.00 |
| MJ3/4-Z | Шариковый радиальный однорядный подшипник. щит из листовой прессованной стали с одной стороны подшипника. Подшипник с чрезвычайно высокой точностью вращения (Abec9) и допуском формы (Abec7). | 19.05 | 50.80 | 17.46 |
| MJ3/4-RS | Шариковый радиальный однорядный подшипник. Резиновое уплотнение с одной стороны. Подшипник с чрезвычайно высокой точностью вращения (Abec9) и допуском формы (Abec7). | 19.05 | 50.80 | 17.46 |
| MJ3/4-2Z | Шариковый радиальный однорядный подшипник. Защитные металлические шайбы с обеих сторон подшипника. Подшипник с чрезвычайно высокой точностью вращения (Abec9) и допуском формы (Abec7). | 19.05 | 50.80 | 17.46 |
Способы доставки
Отправка через ведущие транспортные и курьерские компании: ПЭК, Деловые Линии, СДЭК, Байкал-Сервис, Энергия, КИТ, ЖелДорЭкспедиция.
Самовывоз возможен напрямую со склада в Москве.
Сроки доставки
Срок зависит от региона и выбранной транспортной компании. Все заказы комплектуются и отправляются в кратчайшие сроки со склада в Москве.
Надёжность и сохранность
Вся продукция упаковывается с учётом требований транспортировки. Мы гарантируем, что подшипники и комплектующие прибудут к заказчику в полной сохранности.
Доставка в страны ЕАЭС
Мы работаем с проверенными логистическими партнёрами, что позволяет оперативно доставлять заказы в Беларусь, Казахстан, Армению и другие страны ЕАЭС.
Варианты оплаты:
Минимальная сумма заказа и скидки:
Документы и гарантии:
Да, конечно! Наши технические специалисты готовы помочь вам с подбором точного аналога или замены подшипника. Просто позвоните нам по телефону +7 (495) 104-99-04 или напишите на почту zakaz@podsnab.ru.
Для оперативной консультации подготовьте, пожалуйста, имеющиеся данные: маркировку, размеры, тип оборудования или артикул старого подшипника.
Да, конечно! Мы высоко ценим долгосрочное сотрудничество и доверие клиентов по всей России. Для постоянных клиентов действует персональная система скидок.
Условия формируются индивидуально и зависят от:
Чтобы узнать свои условия и получить максимально выгодное предложение, свяжитесь с персональным менеджером или напишите нам на почту zakaz@podsnab.ru.
Вы можете оформить заказ несколькими способами:
Для оформления заказа от юридического лица свяжитесь с нашим отделом по работе с корпоративными клиентами по телефону +7 (495) 104-99-04 или напишите на email zakaz@podsnab.ru, прикрепив реквизиты вашей организации.
Мы оперативно подготовим коммерческое предложение и выставим счет.
Возврат товара надлежащего качества возможен в течение 10 дней с момента получения, если товар не был в употреблении, сохранен товарный вид, упаковка не вскрывалась и присутствуют все сопроводительные документы.
Возврат денежных средств осуществляется в течение 10 рабочих дней после проверки товара складом.
В соответствии с законодательством возврату не подлежат подшипники надлежащего качества, если отсутствует оригинальная упаковка или имеются следы монтажа.
В случае выявления брака или гарантийного случая мы гарантируем возврат или обмен товара.
Да, гарантийный срок хранения устанавливается заводом-изготовителем и в среднем составляет 2 года при соблюдении условий хранения: сухое помещение, оригинальная упаковка и смазка.
Точный срок для конкретного типа подшипника уточняйте у наших менеджеров.
Пн–Пт: с 8:00 до 17:00 (МСК).
Сб–Вс: выходные дни.
Заказы на сайте принимаются круглосуточно. Заявки, поступившие после окончания рабочего дня, обрабатываются на следующий рабочий день.
Минимальная сумма заказа для доставки составляет 3000 рублей. Самовывоз со склада возможен на любую сумму при наличии товара.
ООО «УралТехГрупп»
ИНН: 7415093830
КПП: 772401001
ОГРН: 1167456069021
Банк: ПАО Сбербанк
Р/с: 40702810838000475273
К/с: 30101810400000000225
БИК: 044525225
У подшипника CRM6 пока нет отзывов. Вы можете стать первым покупателем, поделившимся своим мнением.