Поиск подшипника
Статьи
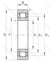
SL19-2312 — однорядный цилиндрический роликовый подшипник, основное исполнение, выпускается производителями: INA, ISO, ROLLWAY, Подшипники NBS.
Размер подшипника: 60x130x46 мм.
Тип: Узкое внутреннее кольцо, легкая нагрузка, корпус из штампованной стали, установочный винт.
Альтернативное обозначение: NJG2312V.
Международная стандартизации ISO
SL192312
В наличии
| Обозначение | Конструктивные изменения |
|---|---|
| SL192312-C3-2S | Внутренний зазор больше нормального. Bearings Matched In Set Of Two For Side-By-Side Mounting. |
| SL19-2312C3 | Внутренний зазор больше нормального. |
Модификации цилиндрического роликового подшипника SL19-2312 — это измененное основное конструктивное исполнение SL192312, основные размеры (60x130x46) не отличаются.
| Обозначение | Гост | Конструктивные особенности |
|---|---|---|
| 13DBB/V | ISO | Подшипник без сепаратора. С полным комплектом тел качения. Два однорядных радиальных шарикоподшипника. Дуплекс. Однорядные радиально-упорные шарикоподшипники или однорядные конические роликовые подшипники. подходящие для монтажа в схеме «спина к спине». Средний преднатяг. |
| NU2312E G15 | ISO | Повышенная грузоподъемность. Литой сепаратор из полиамида 6.6. армированного стекловолокном. Элемент качения по центру. |
| NU2312ECML/C3 | ISO | Внутренний зазор больше нормального. Оптимизированная внутренняя конструкция предусматривает увеличенное количество роликов и/или ролики большего размера с улучшенными условиями контакта торцов роликов с бортами внутреннего кольца. Механически обработанный латунный сепаратор. оконного типа. центрируемый по внутреннему или наружному кольцу в зависимости от типа подшипника. |
| NJ2312E G15 J30 | ISO | Повышенная грузоподъемность. Внутренний зазор больше нормального. Литой сепаратор из полиамида 6.6. армированного стекловолокном. Элемент качения по центру. |
| NUP2312-E-MPA-C3 | ISO | Внутренний зазор больше нормального. Увеличенная грузоподъёмность. Твердый латунный сепаратор. |
| NU2312E.M1.C3.F2 | ISO | Внутренний зазор больше нормального. Повышенная грузоподъемность. Механически обработанный латунный сепаратор. вращающийся элемент качения (крестовина на заклепках). Производство цилиндрических роликоподшипников и сферических роликоподшипников для буксовых узлов. |
| NU2312E MA C3 | ISO | Внутренний зазор больше нормального. Повышенная грузоподъемность. Механически обработанный латунный сепаратор. Центрирование по внешнему кольцу. |
| NJ2312-E-XL-MPAX-QP51 | ISO | Повышенная грузоподъемность. Серия X-Life премиум-класс. увеличиный срок службы. Спецификация виброгрохота. Ребристый однокомпонентный цельнолатунный сепаратор является дальнейшим развитием сепараторов FAG типов MPA и MP1A и будет последовательно заменять эти типы. Он обладает большей прочностью по отношению к ударным нагрузкам и вибрациям. чем его предшественники. и особенно хорошо подходит для применения в условиях высоких нагрузок. |
| NU2312-E-XL-M1A | ISO | Повышенная грузоподъемность. Серия X-Life премиум-класс. увеличиный срок службы. Массивный латунный сепаратор. двухтельный. центрированный по бортам. |
| NU2312-E-XL-M1A-QP51-C4 | ISO | Внутренний зазор подшипника больше. чем C3. Повышенная грузоподъемность. Серия X-Life премиум-класс. увеличиный срок службы. Спецификация виброгрохота. Массивный латунный сепаратор. двухтельный. центрированный по бортам. |
| NU2312-E-XL-N-M1A-C3 | ISO | Внутренний зазор больше нормального. Повышенная грузоподъемность. Серия X-Life премиум-класс. увеличиный срок службы. Канавка под стопорное кольцо на внешнем кольце. Массивный латунный сепаратор. двухтельный. центрированный по бортам. |
| NU2312-E-XL-K-M1 | ISO | Коническое отверстие. конус 1/12. Повышенная грузоподъемность. Серия X-Life премиум-класс. увеличиный срок службы. Массивный латунный сепаратор. Из двух частей. С роликовыми направляющими. |
| NU2312-E-XL-TVP2-C4 | ISO | Внутренний зазор подшипника больше. чем C3. Повышенная грузоподъемность. Серия X-Life премиум-класс. увеличиный срок службы. Cепаратор изготовленный из полиамида PA66. армированного стекловолокном. |
| NU2312-E-XL-K-TVP2-C3 | ISO | Внутренний зазор больше нормального. Коническое отверстие. конус 1/12. Повышенная грузоподъемность. Серия X-Life премиум-класс. увеличиный срок службы. Cепаратор изготовленный из полиамида PA66. армированного стекловолокном. |
| NU2312-E-XL-K-TVP2 | ISO | Коническое отверстие. конус 1/12. Повышенная грузоподъемность. Серия X-Life премиум-класс. увеличиный срок службы. Cепаратор изготовленный из полиамида PA66. армированного стекловолокном. |
| NUB312-E-XL-M1-C3 | ISO | Внутренний зазор больше нормального. Повышенная грузоподъемность. Серия X-Life премиум-класс. увеличиный срок службы. Механически обработанный латунный сепаратор. вращающийся элемент качения (крестовина на заклепках). |
| NUB312-E-XL-M1-C4 | ISO | Внутренний зазор подшипника больше. чем C3. Повышенная грузоподъемность. Серия X-Life премиум-класс. увеличиный срок службы. Механически обработанный латунный сепаратор. вращающийся элемент качения (крестовина на заклепках). |
| NUB312-E-XL-M1 | ISO | Повышенная грузоподъемность. Серия X-Life премиум-класс. увеличиный срок службы. Механически обработанный латунный сепаратор. вращающийся элемент качения (крестовина на заклепках). |
| NJ2312-E-XL-N1-MPAX-C3-H144 | ISO | Внутренний зазор больше нормального. Повышенная грузоподъемность. Серия X-Life премиум-класс. увеличиный срок службы. Один установочный паз на внешней кромке наружного кольца (для радиального расположения подшипника). Требования к точности железнодорожных подшипников для Siemens. Ребристый однокомпонентный цельнолатунный сепаратор является дальнейшим развитием сепараторов FAG типов MPA и MP1A и будет последовательно заменять эти типы. Он обладает большей прочностью по отношению к ударным нагрузкам и вибрациям. чем его предшественники. и особенно хорошо подходит для применения в условиях высоких нагрузок. |
| NU2312-E-XL-M1A-C3 | ISO | Внутренний зазор больше нормального. Повышенная грузоподъемность. Серия X-Life премиум-класс. увеличиный срок службы. Массивный латунный сепаратор. двухтельный. центрированный по бортам. |
Аналог цилиндрического роликового подшипника SL19-2312 — это подшипник такого же размера dx60,Dx130,Bx46, типа и конструкции.
| Обозначение | Конструктивные особенности | Внутренний (d) | Наружный (D) | Ширина (B) |
|---|---|---|---|---|
| 180612-АК1 | Шариковый радиальный однорядный подшипник. Повышенная грузоподъемность. | 60.00 | 130.00 | 46.00 |
| 2312S | Шариковый сферический двухрядный подшипник. Запечатанная версия кулачкового ролика. Только для внутреннего и наружного колец. | 60.00 | 130.00 | 46.00 |
| NJ 2312 ECPH | Роликовый радиальный однорядный подшипник. Однорядный цилиндрический роликовый подшипник. | 60.00 | 130.00 | 46.00 |
| NU 2312 ECPH | Роликовый радиальный однорядный подшипник. Однорядный цилиндрический роликовый подшипник. | 60.00 | 130.00 | 46.00 |
| 42612-КМ | Роликовый радиальный однорядный подшипник. Кольцевая проточка на середине цилиндрической наружной поверхности наружного кольца плюс три отверстия для смазки. Модифицированный контакт.. | 60.00 | 130.00 | 46.00 |
| 42612-Л | Роликовый радиальный однорядный подшипник. Сепаратор из латуни.. | 60.00 | 130.00 | 46.00 |
| 53612-Е | Роликовый радиальный двухрядный подшипник. Сепаратор из текстолита.. | 60.00 | 130.00 | 46.00 |
| 53612-К | Роликовый радиальный двухрядный подшипник. Кольцевая проточка на середине цилиндрической наружной поверхности наружного кольца плюс три отверстия для смазки. | 60.00 | 130.00 | 46.00 |
| 53612-Л | Роликовый радиальный двухрядный подшипник. Сепаратор из латуни.. | 60.00 | 130.00 | 46.00 |
| 53612-М | Роликовый радиальный двухрядный подшипник. Модифицированный контакт.. | 60.00 | 130.00 | 46.00 |
| 53612-Н | Роликовый радиальный двухрядный подшипник. Детали из теплостойкой стали. | 60.00 | 130.00 | 46.00 |
| 53612-НЕ | Роликовый радиальный двухрядный подшипник. Сепаратор из текстолита.. Детали из теплостойкой стали. | 60.00 | 130.00 | 46.00 |
| 53612-Т | Роликовый радиальный двухрядный подшипник. Температура отпуска. 160°. | 60.00 | 130.00 | 46.00 |
| 553612H | Роликовый радиальный сферический двухрядный подшипник. Pressed Snap-Type Steel Cage. Hardened. | 60.00 | 130.00 | 46.00 |
| 6-1612 Л | Шариковый радиальный двухрядный подшипник. Сепаратор из латуни.. | 60.00 | 130.00 | 46.00 |
Способы доставки
Отправка через ведущие транспортные и курьерские компании: ПЭК, Деловые Линии, СДЭК, Байкал-Сервис, Энергия, КИТ, ЖелДорЭкспедиция.
Самовывоз возможен напрямую со склада в Москве.
Сроки доставки
Срок зависит от региона и выбранной транспортной компании. Все заказы комплектуются и отправляются в кратчайшие сроки со склада в Москве.
Надёжность и сохранность
Вся продукция упаковывается с учётом требований транспортировки. Мы гарантируем, что подшипники и комплектующие прибудут к заказчику в полной сохранности.
Доставка в страны ЕАЭС
Мы работаем с проверенными логистическими партнёрами, что позволяет оперативно доставлять заказы в Беларусь, Казахстан, Армению и другие страны ЕАЭС.
Варианты оплаты:
Минимальная сумма заказа и скидки:
Документы и гарантии:
Да, конечно! Наши технические специалисты готовы помочь вам с подбором точного аналога или замены подшипника. Просто позвоните нам по телефону +7 (495) 104-99-04 или напишите на почту zakaz@podsnab.ru.
Для оперативной консультации подготовьте, пожалуйста, имеющиеся данные: маркировку, размеры, тип оборудования или артикул старого подшипника.
Да, конечно! Мы высоко ценим долгосрочное сотрудничество и доверие клиентов по всей России. Для постоянных клиентов действует персональная система скидок.
Условия формируются индивидуально и зависят от:
Чтобы узнать свои условия и получить максимально выгодное предложение, свяжитесь с персональным менеджером или напишите нам на почту zakaz@podsnab.ru.
Вы можете оформить заказ несколькими способами:
Для оформления заказа от юридического лица свяжитесь с нашим отделом по работе с корпоративными клиентами по телефону +7 (495) 104-99-04 или напишите на email zakaz@podsnab.ru, прикрепив реквизиты вашей организации.
Мы оперативно подготовим коммерческое предложение и выставим счет.
Возврат товара надлежащего качества возможен в течение 10 дней с момента получения, если товар не был в употреблении, сохранен товарный вид, упаковка не вскрывалась и присутствуют все сопроводительные документы.
Возврат денежных средств осуществляется в течение 10 рабочих дней после проверки товара складом.
В соответствии с законодательством возврату не подлежат подшипники надлежащего качества, если отсутствует оригинальная упаковка или имеются следы монтажа.
В случае выявления брака или гарантийного случая мы гарантируем возврат или обмен товара.
Да, гарантийный срок хранения устанавливается заводом-изготовителем и в среднем составляет 2 года при соблюдении условий хранения: сухое помещение, оригинальная упаковка и смазка.
Точный срок для конкретного типа подшипника уточняйте у наших менеджеров.
Пн–Пт: с 8:00 до 17:00 (МСК).
Сб–Вс: выходные дни.
Заказы на сайте принимаются круглосуточно. Заявки, поступившие после окончания рабочего дня, обрабатываются на следующий рабочий день.
Минимальная сумма заказа для доставки составляет 3000 рублей. Самовывоз со склада возможен на любую сумму при наличии товара.
ООО «УралТехГрупп»
ИНН: 7415093830
КПП: 772401001
ОГРН: 1167456069021
Банк: ПАО Сбербанк
Р/с: 40702810838000475273
К/с: 30101810400000000225
БИК: 044525225
У подшипника SL19-2312 пока нет отзывов. Вы можете стать первым покупателем, поделившимся своим мнением.