Поиск подшипника
Статьи
N2209 — однорядный цилиндрический роликовый подшипник, основное исполнение, выпускается производителями: NEUTRAL, NIS, NTN, SIGMA.
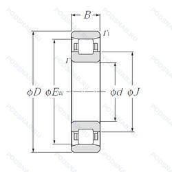
Размер подшипника: 45x85x23 мм.
Однорядный цилиндрический роликоподшипник. Внутреннее кольцо подшипника имеет два борта, наружное — без бортов.
Международная стандартизации ISO
N2209
В наличии
| Обозначение | Конструктивные изменения |
|---|---|
| N2209EM TVP2 | Формованный полиамидный сепаратор оконного типа. Роликовые тела качения. Стандартный фланцевый ( с резьбой и сквозным отверстием). |
| N2209M | Подшипник с латунным сепаратором. центрированный по телам качения. |
| N2209EM | Стандартный фланцевый ( с резьбой и сквозным отверстием). |
| N2209EM6 | Цилиндрический роликовый подшипник c увеличенной грузоподъемностью. Цельный латунный сепаратор с роликовыми направляющими для цилиндрических роликоподшипников. |
| N2209M C3 | Внутренний зазор больше нормального. Механически обработанный латунный сепаратор .Расположенный на элементах качения. |
| N2209E TGP | Цилиндрический роликовый подшипник c увеличенной грузоподъемностью. Формованный полиамидный сепаратор оконного типа. Роликовые тела качения. |
| N2209E | Повышенная грузоподъемность. |
Модификации цилиндрического роликового подшипника N2209 — это измененное основное конструктивное исполнение N2209, основные размеры (45x85x23) не отличаются.
| Обозначение | Гост | Конструктивные особенности |
|---|---|---|
| NCF3009V/C3 | ISO | Внутренний зазор больше нормального. Подшипник без сепаратора. С полным комплектом тел качения. |
| SL18-3009A C3 | ISO | Внутренний зазор больше нормального. Особенность внутренней конструкции. |
| NCF3009V | ISO | Бессепараторный подшипник. Однорядный без сепараторный цилиндрический роликовый подшипник. Два борта на внутреннем кольце и один борт на наружном. |
| SL18-3009C3 | ISO | Внутренний зазор больше нормального. |
| NCF3009CV | ISO | Полноразмерный цилиндрический роликоподшипник с модифицированной внутренней конструкцией. Однорядный без сепараторный цилиндрический роликовый подшипник. |
| RSL182209-A-XL-2S | ISO | Особенность внутренней конструкции. Серия X-Life премиум-класс. увеличиный срок службы. Bearings Matched In Set Of Two For Side-By-Side Mounting. |
| SL18-3009A | ISO | Особенность внутренней конструкции. |
| RSL182209-A-XL-3S | ISO | Особенность внутренней конструкции. Серия X-Life премиум-класс. увеличиный срок службы. Bearings Matched In Set Of Three For Side-By-Side Mounting. Can Be Used As Standard. |
| RSL182209-A-XL-4S | ISO | Особенность внутренней конструкции. Серия X-Life премиум-класс. увеличиный срок службы. Bearings Matched In Set Of Four For Side-By-Side Mounting. |
| SL18-3009 | ISO | однорядный цилиндрический роликовый подшипник. |
| SL18-3009A XL | ISO | Особенность внутренней конструкции. Серия X-Life премиум-класс. увеличиный срок службы. |
Аналог цилиндрического роликового подшипника N2209 — это подшипник такого же размера dx45,Dx85,Bx23, типа и конструкции.
| Обозначение | Конструктивные особенности | Внутренний (d) | Наружный (D) | Ширина (B) |
|---|---|---|---|---|
| 3182109-ЛК | Роликовый радиальный двухрядный подшипник. Сепаратор из латуни.. | 45.00 | 75.00 | 23.00 |
| 3182109-К | Роликовый радиальный двухрядный подшипник. Кольцевая проточка на середине цилиндрической наружной поверхности наружного кольца плюс три отверстия для смазки. | 45.00 | 75.00 | 23.00 |
| 4-3182109 Л | Роликовый радиальный двухрядный подшипник. Сепаратор из латуни.. | 45.00 | 75.00 | 23.00 |
| RSL182209-A | Роликовый радиальный однорядный подшипник. Двухрядный радиально-упорный шарикоподшипник без отверстия для смазки. | 45.00 | 74.43 | 23.00 |
| E33009J | Роликовый радиальный-упорный однорядный подшипник. Дорожки качения наружного кольца. угол контакта и ширина наружного кольца в соответствии с ISO. | 45.00 | 75.00 | 24.00 |
| HR33009J | Роликовый радиальный-упорный однорядный подшипник. Дорожки качения наружного кольца. угол контакта и ширина наружного кольца в соответствии с ISO. Для конических роликоподшипников и радиальных шарикоподшипников. | 45.00 | 75.00 | 24.00 |
| 4T-33009 | Роликовый радиальный-упорный конический однорядный подшипник. Цементованная сталь. | 45.00 | 75.00 | 24.00 |
| 6-3182110 Л | Роликовый радиальный двухрядный подшипник. Сепаратор из латуни.. | 45.00 | 75.00 | 23.00 |
| 712509У3 | Роликовый радиальный двухрядный подшипник. Дополнительные технические требования. | 45.00 | 74.50 | 23.00 |
| NK15X75X22 | Роликовый игольчатый подшипник однорядный. Изменённая фаска. | 45.00 | 75.00 | 22.00 |
| 33009 A | Роликовый радиальный-упорный однорядный подшипник. Двухрядный радиально-упорный шарикоподшипник без отверстия для смазки. | 45.00 | 75.00 | 24.00 |
| 33009F | Роликовый радиальный-упорный однорядный подшипник. Сепаратор из обработанной стали или специального чугуна. | 45.00 | 75.00 | 24.00 |
| 5-3182109 Л | Роликовый радиальный двухрядный подшипник. Сепаратор из латуни.. | 45.00 | 75.00 | 23.00 |
| 5-3182109 ЛК | Роликовый радиальный двухрядный подшипник. Сепаратор из латуни.. | 45.00 | 75.00 | 23.00 |
| 5-3182110 ЛЕ | Роликовый радиальный двухрядный подшипник. Сепаратор из текстолита.. Сепаратор из латуни.. | 45.00 | 75.00 | 23.00 |
Способы доставки
Отправка через ведущие транспортные и курьерские компании: ПЭК, Деловые Линии, СДЭК, Байкал-Сервис, Энергия, КИТ, ЖелДорЭкспедиция.
Самовывоз возможен напрямую со склада в Москве.
Сроки доставки
Срок зависит от региона и выбранной транспортной компании. Все заказы комплектуются и отправляются в кратчайшие сроки со склада в Москве.
Надёжность и сохранность
Вся продукция упаковывается с учётом требований транспортировки. Мы гарантируем, что подшипники и комплектующие прибудут к заказчику в полной сохранности.
Доставка в страны ЕАЭС
Мы работаем с проверенными логистическими партнёрами, что позволяет оперативно доставлять заказы в Беларусь, Казахстан, Армению и другие страны ЕАЭС.
Варианты оплаты:
Минимальная сумма заказа и скидки:
Документы и гарантии:
Да, конечно! Наши технические специалисты готовы помочь вам с подбором точного аналога или замены подшипника. Просто позвоните нам по телефону +7 (495) 104-99-04 или напишите на почту zakaz@podsnab.ru.
Для оперативной консультации подготовьте, пожалуйста, имеющиеся данные: маркировку, размеры, тип оборудования или артикул старого подшипника.
Да, конечно! Мы высоко ценим долгосрочное сотрудничество и доверие клиентов по всей России. Для постоянных клиентов действует персональная система скидок.
Условия формируются индивидуально и зависят от:
Чтобы узнать свои условия и получить максимально выгодное предложение, свяжитесь с персональным менеджером или напишите нам на почту zakaz@podsnab.ru.
Вы можете оформить заказ несколькими способами:
Для оформления заказа от юридического лица свяжитесь с нашим отделом по работе с корпоративными клиентами по телефону +7 (495) 104-99-04 или напишите на email zakaz@podsnab.ru, прикрепив реквизиты вашей организации.
Мы оперативно подготовим коммерческое предложение и выставим счет.
Возврат товара надлежащего качества возможен в течение 10 дней с момента получения, если товар не был в употреблении, сохранен товарный вид, упаковка не вскрывалась и присутствуют все сопроводительные документы.
Возврат денежных средств осуществляется в течение 10 рабочих дней после проверки товара складом.
В соответствии с законодательством возврату не подлежат подшипники надлежащего качества, если отсутствует оригинальная упаковка или имеются следы монтажа.
В случае выявления брака или гарантийного случая мы гарантируем возврат или обмен товара.
Да, гарантийный срок хранения устанавливается заводом-изготовителем и в среднем составляет 2 года при соблюдении условий хранения: сухое помещение, оригинальная упаковка и смазка.
Точный срок для конкретного типа подшипника уточняйте у наших менеджеров.
Пн–Пт: с 8:00 до 17:00 (МСК).
Сб–Вс: выходные дни.
Заказы на сайте принимаются круглосуточно. Заявки, поступившие после окончания рабочего дня, обрабатываются на следующий рабочий день.
Минимальная сумма заказа для доставки составляет 3000 рублей. Самовывоз со склада возможен на любую сумму при наличии товара.
ООО «УралТехГрупп»
ИНН: 7415093830
КПП: 772401001
ОГРН: 1167456069021
Банк: ПАО Сбербанк
Р/с: 40702810838000475273
К/с: 30101810400000000225
БИК: 044525225
У подшипника N2209 пока нет отзывов. Вы можете стать первым покупателем, поделившимся своим мнением.