Поиск подшипника
Статьи
NJG2316VH — однорядный цилиндрический роликовый подшипник, модификация основного исполнения NJG2316, выпускается производителями: IDC/INTERPRECISE DONATH GMBH, SIGMA, SKF.
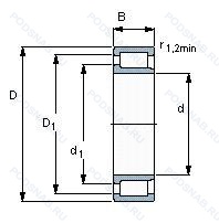
Размер подшипника: 80x170x58 мм.
Полный набор роликов (без сепаратора). самоудерживающиеся.
Альтернативное обозначение: SL192316-A.
Аналоги: SL192316 INA,NJG2316CV Rollway.
Международная стандартизации ISO
NJG2316VH
В наличии
| Обозначение | Конструктивные изменения |
|---|---|
| NJG2316VH/C3 | Внутренний зазор больше нормального. Полный набор роликов (без сепаратора). Самоудерживающиеся. |
| NJG2316CV | Полноразмерный цилиндрический роликоподшипник с модифицированной внутренней конструкцией. |
Модификации цилиндрического роликового подшипника NJG2316VH — это измененное основное конструктивное исполнение NJG2316, основные размеры (80x170x58) не отличаются.
| Обозначение | Гост | Конструктивные особенности |
|---|---|---|
| NJ2316ECML/C5R821 | ISO | Внутренний зазор подшипника больше. чем С4. Оптимизированная внутренняя конструкция предусматривает увеличенное количество роликов и/или ролики большего размера с улучшенными условиями контакта торцов роликов с бортами внутреннего кольца. Индивидуальный зазор (радиальный/осевой). Это касается цилиндрических и игольчатых роликоподшипников. Механически обработанный латунный сепаратор. оконного типа. центрируемый по внутреннему или наружному кольцу в зависимости от типа подшипника. |
| NU2316M | ISO | Механически обработанный латунный сепаратор .Расположенный на элементах качения. |
| NUP2316ECP | ISO | Оптимизированная внутренняя конструкция предусматривает увеличенное количество роликов и/или ролики большего размера с улучшенными условиями контакта торцов роликов с бортами внутреннего кольца. Сепаратор из стеклонаполненного полиамида PA66. центрируемый по роликам. Однорядный цилиндрический роликовый подшипник. |
| NJ2316E MA | ISO | Конструкция с увеличенной грузоподьемностью. Механически обработанный латунный сепаратор. Центрирование по внешнему кольцу. |
| NJ2316EMAC3 | ISO | Внутренний зазор больше нормального. Конструкция с увеличенной грузоподьемностью. Механически обработанный латунный сепаратор. Центрирование по внешнему кольцу. |
| NU2316E.M1.C4 | ISO | Внутренний зазор подшипника больше. чем C3. Повышенная грузоподъемность. Механически обработанный латунный сепаратор. вращающийся элемент качения (крестовина на заклепках). |
| NU.2316.E.M.J30 | ISO | Усиленный элемент качения. Механически обработанный латунный сепаратор. Внутренний зазор больше нормального. |
| NU2316E G15 | ISO | Повышенная грузоподъемность. Литой сепаратор из полиамида 6.6. армированного стекловолокном. Элемент качения по центру. |
| NJ2316E.TVP2.C4.QP51 | ISO | Внутренний зазор подшипника больше. чем C3. Повышенная грузоподъемность. Cепаратор изготовленный из полиамида PA66. армированного стекловолокном. Спецификация виброгрохота. |
| NJ2316E.TVP2.C4 | ISO | Внутренний зазор подшипника больше. чем C3. Повышенная грузоподъемность. Cепаратор изготовленный из полиамида PA66. армированного стекловолокном. |
| NJ2316VH/C3 | ISO | Внутренний зазор больше нормального. Полный набор роликов (без сепаратора). Самоудерживающиеся. |
| NJ2316-E-MPA | ISO | Повышенная грузоподъемность. Твердый латунный сепаратор. |
| NU2316ET C3 | ISO | Внутренний зазор больше нормального. Сквозная закалка и шлифовка стали с переломом в одной точке. |
| NU2316G1C3 | ISO | Внутренний зазор больше нормального. Обработанный латунный сепаратор для цилиндрических роликоподшипников. |
| NU2316-E-M1-C3-F2 | ISO | Внутренний зазор больше нормального. Повышенная грузоподъемность. Механически обработанный латунный сепаратор. вращающийся элемент качения (крестовина на заклепках). Производство цилиндрических роликоподшипников и сферических роликоподшипников для буксовых узлов. |
| NU2316EM C4 | ISO | Внутренний зазор подшипника больше. чем C3. Стандартный фланцевый ( с резьбой и сквозным отверстием). |
| NUP2316W | ISO | Цельный прессованный сепаратор. |
| NU2316EMA | ISO | Конструкция с увеличенной грузоподьемностью. Механически обработанный латунный сепаратор. Центрирование по внешнему кольцу. |
| NJ2316WC3 | ISO | Внутренний зазор больше нормального. Цельный прессованный сепаратор. |
| NU2316-E-M1-C3 | ISO | Внутренний зазор больше нормального. Повышенная грузоподъемность. Механически обработанный латунный сепаратор. вращающийся элемент качения (крестовина на заклепках). |
Аналог цилиндрического роликового подшипника NJG2316VH — это подшипник такого же размера dx80,Dx170,Bx58, типа и конструкции.
| Обозначение | Конструктивные особенности | Внутренний (d) | Наружный (D) | Ширина (B) |
|---|---|---|---|---|
| 2В0-1616 Л | Шариковый радиальный двухрядный подшипник. Сепаратор из латуни.. | 80.00 | 170.00 | 58.00 |
| 2ВО-1616 Л | Шариковый радиальный двухрядный подшипник. Сепаратор из латуни.. | 80.00 | 170.00 | 58.00 |
| 6-32616 Л1 | Роликовый радиальный однорядный подшипник. Сепаратор из латуни.. | 80.00 | 170.00 | 58.00 |
| 2316-2RS | Шариковый сферический двухрядный подшипник. Резиновые уплотнения с каждой стороны подшипника. | 80.00 | 170.00 | 58.00 |
| NJ 2316 ECM | Роликовый радиальный однорядный подшипник. Однорядный цилиндрический роликовый подшипник. | 80.00 | 170.00 | 58.00 |
| NU 2316 ECM | Роликовый радиальный однорядный подшипник. Однорядный цилиндрический роликовый подшипник. | 80.00 | 170.00 | 58.00 |
| 42616-КМ | Роликовый радиальный однорядный подшипник. Кольцевая проточка на середине цилиндрической наружной поверхности наружного кольца плюс три отверстия для смазки. Модифицированный контакт.. | 80.00 | 170.00 | 58.00 |
| 42616-Л | Роликовый радиальный однорядный подшипник. Сепаратор из латуни.. | 80.00 | 170.00 | 58.00 |
| 42616-М | Роликовый радиальный однорядный подшипник. Модифицированный контакт.. | 80.00 | 170.00 | 58.00 |
| 42616KМ | Роликовый радиальный однорядный подшипник. Коническое отверстие. Конусность 1/12. Модифицированный контакт.. | 80.00 | 170.00 | 58.00 |
| 53616-К | Роликовый радиальный двухрядный подшипник. Кольцевая проточка на середине цилиндрической наружной поверхности наружного кольца плюс три отверстия для смазки. | 80.00 | 170.00 | 58.00 |
| 53616-Е | Роликовый радиальный двухрядный подшипник. Сепаратор из текстолита.. | 80.00 | 170.00 | 58.00 |
| 53616-К1 | Роликовый радиальный двухрядный подшипник. Кольцевая проточка на середине цилиндрической наружной поверхности наружного кольца плюс три отверстия для смазки. | 80.00 | 170.00 | 58.00 |
| 53616-Н | Роликовый радиальный двухрядный подшипник. Детали из теплостойкой стали. | 80.00 | 170.00 | 58.00 |
| 53616AН | Роликовый радиальный двухрядный подшипник. Двухрядный радиально-упорный шарикоподшипник без отверстия для смазки. Детали из теплостойкой стали. | 80.00 | 170.00 | 58.00 |
Способы доставки
Отправка через ведущие транспортные и курьерские компании: ПЭК, Деловые Линии, СДЭК, Байкал-Сервис, Энергия, КИТ, ЖелДорЭкспедиция.
Самовывоз возможен напрямую со склада в Москве.
Сроки доставки
Срок зависит от региона и выбранной транспортной компании. Все заказы комплектуются и отправляются в кратчайшие сроки со склада в Москве.
Надёжность и сохранность
Вся продукция упаковывается с учётом требований транспортировки. Мы гарантируем, что подшипники и комплектующие прибудут к заказчику в полной сохранности.
Доставка в страны ЕАЭС
Мы работаем с проверенными логистическими партнёрами, что позволяет оперативно доставлять заказы в Беларусь, Казахстан, Армению и другие страны ЕАЭС.
Варианты оплаты:
Минимальная сумма заказа и скидки:
Документы и гарантии:
Да, конечно! Наши технические специалисты готовы помочь вам с подбором точного аналога или замены подшипника. Просто позвоните нам по телефону +7 (495) 104-99-04 или напишите на почту zakaz@podsnab.ru.
Для оперативной консультации подготовьте, пожалуйста, имеющиеся данные: маркировку, размеры, тип оборудования или артикул старого подшипника.
Да, конечно! Мы высоко ценим долгосрочное сотрудничество и доверие клиентов по всей России. Для постоянных клиентов действует персональная система скидок.
Условия формируются индивидуально и зависят от:
Чтобы узнать свои условия и получить максимально выгодное предложение, свяжитесь с персональным менеджером или напишите нам на почту zakaz@podsnab.ru.
Вы можете оформить заказ несколькими способами:
Для оформления заказа от юридического лица свяжитесь с нашим отделом по работе с корпоративными клиентами по телефону +7 (495) 104-99-04 или напишите на email zakaz@podsnab.ru, прикрепив реквизиты вашей организации.
Мы оперативно подготовим коммерческое предложение и выставим счет.
Возврат товара надлежащего качества возможен в течение 10 дней с момента получения, если товар не был в употреблении, сохранен товарный вид, упаковка не вскрывалась и присутствуют все сопроводительные документы.
Возврат денежных средств осуществляется в течение 10 рабочих дней после проверки товара складом.
В соответствии с законодательством возврату не подлежат подшипники надлежащего качества, если отсутствует оригинальная упаковка или имеются следы монтажа.
В случае выявления брака или гарантийного случая мы гарантируем возврат или обмен товара.
Да, гарантийный срок хранения устанавливается заводом-изготовителем и в среднем составляет 2 года при соблюдении условий хранения: сухое помещение, оригинальная упаковка и смазка.
Точный срок для конкретного типа подшипника уточняйте у наших менеджеров.
Пн–Пт: с 8:00 до 17:00 (МСК).
Сб–Вс: выходные дни.
Заказы на сайте принимаются круглосуточно. Заявки, поступившие после окончания рабочего дня, обрабатываются на следующий рабочий день.
Минимальная сумма заказа для доставки составляет 3000 рублей. Самовывоз со склада возможен на любую сумму при наличии товара.
ООО «УралТехГрупп»
ИНН: 7415093830
КПП: 772401001
ОГРН: 1167456069021
Банк: ПАО Сбербанк
Р/с: 40702810838000475273
К/с: 30101810400000000225
БИК: 044525225
У подшипника NJG2316VH пока нет отзывов. Вы можете стать первым покупателем, поделившимся своим мнением.