Поиск подшипника
Статьи
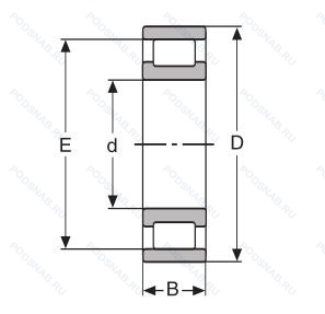
CRL16 — Однорядный цилиндрический роликовый подшипник, основное исполнение, выпускается производителями: KOYO, SKF, STERLING.
Размер подшипника: 50x101x20 мм.
Альтернативное обозначение: LRJ2, RLS15.
Аналоги: LRJ2J RHP,RLS15 Nachi.
Международная стандартизации ISO
CRL16
В наличии
| Обозначение | Конструктивные изменения |
|---|---|
| CRL16A | Цилиндрический роликоподшипник. С углом фланца 1 градус 40 минут. Сферические роликовые наконечники. |
| CRL16/C3 | Внутренний зазор больше нормального. |
Модификации цилиндрического роликового подшипника CRL16 — это измененное основное конструктивное исполнение CRL16, основные размеры (50x101x20) не отличаются.
| Обозначение | Гост | Конструктивные особенности |
|---|---|---|
| RLS15V3 | ISO | Уровень вибрации 3. |
| RLS15 | ISO | Однорядный цилиндрический роликовый подшипник. |
| RLS15M | ISO | Механически обработанный латунный сепаратор .Расположенный на элементах качения. |
| LRJA2 | ISO | Однорядный цилиндрический роликовый подшипник. |
| LRJA2DESB | ISO | Design B. |
| RLS15.C3 | ISO | Внутренний зазор больше нормального. |
| RLS16 | ISO | Однорядный цилиндрический роликовый подшипник. |
| LRJ2 | ISO | Однорядный цилиндрический роликовый подшипник. |
| LLRJN2M DES A | ISO | Двухрядный радиально-упорный шарикоподшипник без отверстия для смазки. Механически обработанный латунный сепаратор .Расположенный на элементах качения. |
| RLS15NR | ISO | Канавка под стопорное кольцо на наружном кольце с соответствующим стопорным кольцом. |
| LRJ2JC3 | ISO | Внутренний зазор больше нормального. Сепаратор из стали. |
| LLRJN2J | ISO | Прессованный стальной сепаратор. |
| LRJ2J | ISO | Дорожки качения наружного кольца. угол контакта и ширина наружного кольца в соответствии с ISO. |
| NL16TGP | ISO | Формованный полиамидный сепаратор оконного типа. Роликовые тела качения. |
| LRJ2-C3 | ISO | Внутренний зазор больше нормального. |
| LRJ2DESA | ISO | Конструкция А. |
| LRJA2M | ISO | Подшипник с латунным сепаратором. центрированный по телам качения. |
| LRJ2JCNS | ISO | Специальная термическая обработка. Прессованный стальной сепаратор. Нормальный уровень радиального внутреннего зазора (не маркируется). |
Аналог цилиндрического роликового подшипника CRL16 — это подшипник такого же размера dx50,Dx101,Bx20, типа и конструкции.
| Обозначение | Конструктивные особенности | Внутренний (d) | Наружный (D) | Ширина (B) |
|---|---|---|---|---|
| 6-11210 Ш1 | Шариковый радиальный двухрядный подшипник. Нормы шумности. | 50.00 | 100.00 | 21.00 |
| 6-11210 Ш | Шариковый радиальный двухрядный подшипник. Нормы шумности. | 50.00 | 100.00 | 21.00 |
| 11210-К1 | Шариковый радиальный двухрядный подшипник. «Замок» (скос) на внутреннем кольце плюс массивный сепаратор из текстолита. | 50.00 | 100.00 | 21.00 |
| F-237543.02 | Шариковый радиальный однорядный подшипник. Design. | 50.00 | 100.00 | 20.00 |
| LJ2-N | Шариковый радиальный однорядный подшипник. Канавка под стопорное кольцо на внешнем кольце. | 50.80 | 101.60 | 20.64 |
| LJ2-Z | Шариковый радиальный однорядный подшипник. щит из листовой прессованной стали с одной стороны подшипника. | 50.80 | 101.60 | 20.64 |
| LJ2-NR | Шариковый радиальный однорядный подшипник. Канавка под стопорное кольцо на наружном кольце с соответствующим стопорным кольцом. | 50.80 | 101.60 | 20.64 |
| LJ2-2Z | Шариковый радиальный однорядный подшипник. Защитные металлические шайбы с обеих сторон подшипника. | 50.80 | 101.60 | 20.64 |
| 1211-K-TVH-C3 + H211 | Шариковый сферический двухрядный подшипник. Внутренний зазор больше нормального. Коническое отверстие. Конусность 1/12. Твердая клетка из полиамида. Not A Suffix. But the Adapter/Withdrawal Sleeve Is Included. | 50.00 | 100.00 | 21.00 |
| 1211 KTN9+H211 | Шариковый сферический двухрядный подшипник. Not A Suffix. But the Adapter/Withdrawal Sleeve Is Included. | 50.00 | 100.00 | 21.00 |
| BSD 50100 C | Шариковый упорный подшипник. 15° Угол контакта. | 50.00 | 100.00 | 20.00 |
| BSD 50100 CG-2RZ | Шариковый упорный однорядный подшипник. Шарикоподшипник. С уплотнением и низким коэффициентом трения с обеих сторон. Уплотнение состоит из шайбы из листовой стали с вулканизированной резиной. Резьбовой винт со стопором и защелкой. | 50.00 | 100.00 | 20.00 |
| BSD 50100 CG | Шариковый упорный однорядный подшипник. Резьбовой винт со стопором и защелкой. | 50.00 | 100.00 | 20.00 |
| SAC50100B | Шариковый упорный однорядный подшипник. Конический роликовый подшипник. Угол контакта 20 градусов. | 50.00 | 100.00 | 20.00 |
| 5-2710 ДТ1 | Роликовый радиальный однорядный подшипник. Сепаратор из алюминиевого сплава.. 180°. Температура отпуска. | 50.00 | 100.00 | 21.00 |
Способы доставки
Отправка через ведущие транспортные и курьерские компании: ПЭК, Деловые Линии, СДЭК, Байкал-Сервис, Энергия, КИТ, ЖелДорЭкспедиция.
Самовывоз возможен напрямую со склада в Москве.
Сроки доставки
Срок зависит от региона и выбранной транспортной компании. Все заказы комплектуются и отправляются в кратчайшие сроки со склада в Москве.
Надёжность и сохранность
Вся продукция упаковывается с учётом требований транспортировки. Мы гарантируем, что подшипники и комплектующие прибудут к заказчику в полной сохранности.
Доставка в страны ЕАЭС
Мы работаем с проверенными логистическими партнёрами, что позволяет оперативно доставлять заказы в Беларусь, Казахстан, Армению и другие страны ЕАЭС.
Варианты оплаты:
Минимальная сумма заказа и скидки:
Документы и гарантии:
Да, конечно! Наши технические специалисты готовы помочь вам с подбором точного аналога или замены подшипника. Просто позвоните нам по телефону +7 (495) 104-99-04 или напишите на почту zakaz@podsnab.ru.
Для оперативной консультации подготовьте, пожалуйста, имеющиеся данные: маркировку, размеры, тип оборудования или артикул старого подшипника.
Да, конечно! Мы высоко ценим долгосрочное сотрудничество и доверие клиентов по всей России. Для постоянных клиентов действует персональная система скидок.
Условия формируются индивидуально и зависят от:
Чтобы узнать свои условия и получить максимально выгодное предложение, свяжитесь с персональным менеджером или напишите нам на почту zakaz@podsnab.ru.
Вы можете оформить заказ несколькими способами:
Для оформления заказа от юридического лица свяжитесь с нашим отделом по работе с корпоративными клиентами по телефону +7 (495) 104-99-04 или напишите на email zakaz@podsnab.ru, прикрепив реквизиты вашей организации.
Мы оперативно подготовим коммерческое предложение и выставим счет.
Возврат товара надлежащего качества возможен в течение 10 дней с момента получения, если товар не был в употреблении, сохранен товарный вид, упаковка не вскрывалась и присутствуют все сопроводительные документы.
Возврат денежных средств осуществляется в течение 10 рабочих дней после проверки товара складом.
В соответствии с законодательством возврату не подлежат подшипники надлежащего качества, если отсутствует оригинальная упаковка или имеются следы монтажа.
В случае выявления брака или гарантийного случая мы гарантируем возврат или обмен товара.
Да, гарантийный срок хранения устанавливается заводом-изготовителем и в среднем составляет 2 года при соблюдении условий хранения: сухое помещение, оригинальная упаковка и смазка.
Точный срок для конкретного типа подшипника уточняйте у наших менеджеров.
Пн–Пт: с 8:00 до 17:00 (МСК).
Сб–Вс: выходные дни.
Заказы на сайте принимаются круглосуточно. Заявки, поступившие после окончания рабочего дня, обрабатываются на следующий рабочий день.
Минимальная сумма заказа для доставки составляет 3000 рублей. Самовывоз со склада возможен на любую сумму при наличии товара.
ООО «УралТехГрупп»
ИНН: 7415093830
КПП: 772401001
ОГРН: 1167456069021
Банк: ПАО Сбербанк
Р/с: 40702810838000475273
К/с: 30101810400000000225
БИК: 044525225
У подшипника CRL16 пока нет отзывов. Вы можете стать первым покупателем, поделившимся своим мнением.