Поиск подшипника
Статьи
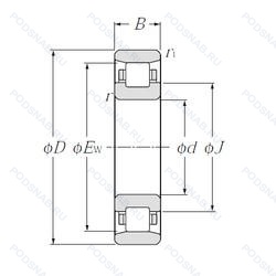
N2215 — однорядный цилиндрический роликовый подшипник, основное исполнение, выпускается производителями: NEUTRAL, NTN, RIV, SIGMA, SKF.
Размер подшипника: 75x130x31 мм.
Однорядный цилиндрический роликоподшипник. Внутреннее кольцо подшипника имеет два борта, наружное — без бортов.
Международная стандартизации ISO
N2215
В наличии
| Обозначение | Гост | Конструктивные особенности |
|---|---|---|
| NCF3015-VX | ISO | Подшипник без сепаратора. С полным комплектом тел качения. |
| SL18-3015C3 | ISO | однорядный цилиндрический роликовый подшипник. |
| NCF3015V | ISO | Бессепараторный подшипник. Однорядный без сепараторный цилиндрический роликовый подшипник. Два борта на внутреннем кольце и один борт на наружном. |
| SL18-3015 | ISO | однорядный цилиндрический роликовый подшипник. |
| SL183015-A | ISO | Двухрядный радиально-упорный шарикоподшипник без отверстия для смазки. |
| SL183015-A-XL-C3-2S | ISO | Внутренний зазор больше нормального. Особенность внутренней конструкции. Серия X-Life премиум-класс. увеличиный срок службы. Bearings Matched In Set Of Two For Side-By-Side Mounting. |
| SL183015-A-XL | ISO | Особенность внутренней конструкции. Серия X-Life премиум-класс. увеличиный срок службы. |
| SL183015-A-XL-S3-C4 | ISO | Внутренний зазор подшипника больше. чем C3. Особенность внутренней конструкции. Серия X-Life премиум-класс. увеличиный срок службы. Кольца или шайбы подшипников, стабилизированные по размерам для использования при рабочих температурах до +300°C (572°F). |
| NCF3015V C3 | ISO | Внутренний зазор больше нормального. Подшипник без сепаратора. С полным комплектом тел качения. |
| NCF3015CV/C3 | ISO | Внутренние изменения в конструкции. Внутренний зазор больше нормального. Полноразмерный цилиндрический роликоподшипник с модифицированной внутренней конструкцией. |
| SL183015-A-C3 | ISO | Внутренний зазор больше нормального. Особенность внутренней конструкции. |
| RSL182215-A | ISO | Особенность внутренней конструкции. |
| SL183015-A-XL-C3 | ISO | Внутренний зазор больше нормального. Особенность внутренней конструкции. Серия X-Life премиум-класс. увеличиный срок службы. |
| SL18-3015AX | ISO | однорядный цилиндрический роликовый подшипник. |
| SL18-3015C3 2S | ISO | Внутренний зазор больше нормального. Bearings Matched In Set Of Two For Side-By-Side Mounting. |
Аналог цилиндрического роликового подшипника N2215 — это подшипник такого же размера dx75,Dx130,Bx31, типа и конструкции.
| Обозначение | Конструктивные особенности | Внутренний (d) | Наружный (D) | Ширина (B) |
|---|---|---|---|---|
| 3182115КЕ | Роликовый радиальный двухрядный подшипник. Сепаратор из текстолита.. | 75.00 | 115.00 | 30.00 |
| 4-3182115 Л | Роликовый радиальный двухрядный подшипник. Сепаратор из латуни.. | 75.00 | 115.00 | 30.00 |
| NCF 3015 CV | Роликовый радиальный цилиндрический однорядный подшипник. Полноразмерный цилиндрический роликоподшипник с модифицированной внутренней конструкцией. Однорядный без сепараторный цилиндрический роликовый подшипник. | 75.00 | 115.00 | 30.00 |
| NN3015/W33 | Роликовый радиальный однорядный подшипник. Канавка для смазки и три отверстия во внешнем кольце подшипника. | 75.00 | 115.00 | 30.00 |
| NN3015K/W33 | Роликовый радиальный цилиндрический однорядный подшипник. Канавка для смазки и три отверстия во внешнем кольце подшипника. Коническое отверстие. Конусность 1/12. | 75.00 | 115.00 | 30.00 |
| NN 3015 TN/SP | Роликовый радиальный двухрядный подшипник. литой под давлением сепаратор из полиамида 6.6. центрированный роликовый элемент. Точность размеров примерно соответствует классу точности Р5. биения — классу точности Р4. Двухрядный цилиндрический роликовый подшипник. | 75.00 | 115.00 | 30.00 |
| E33015J | Роликовый радиальный-упорный однорядный подшипник. Дорожки качения наружного кольца. угол контакта и ширина наружного кольца в соответствии с ISO. | 75.00 | 115.00 | 31.00 |
| HR33015J | Роликовый радиальный-упорный однорядный подшипник. Дорожки качения наружного кольца. угол контакта и ширина наружного кольца в соответствии с ISO. Для конических роликоподшипников и радиальных шарикоподшипников. | 75.00 | 115.00 | 31.00 |
| 33015U | Роликовый радиальный-упорный однорядный подшипник. Универсальный одиночный подшипник. | 75.00 | 115.00 | 31.00 |
| 6-3182115 Л | Роликовый радиальный двухрядный подшипник. Сепаратор из латуни.. | 75.00 | 115.00 | 30.00 |
| 33015JR | Роликовый радиальный-упорный конический однорядный подшипник. TAPERED ROLLER BEARING CONFORMING TO ISO R355 (SUB-UNIT. METRIC SERIES). EXAMPLE/ 30206JR. | 75.00 | 115.00 | 31.00 |
| 5-3182115 Е | Роликовый радиальный двухрядный подшипник. Сепаратор из текстолита.. | 75.00 | 115.00 | 30.00 |
| 5-3182115-К | Роликовый радиальный двухрядный подшипник. Кольцевая проточка на середине цилиндрической наружной поверхности наружного кольца плюс три отверстия для смазки. | 75.00 | 115.00 | 30.00 |
| 5-3182115 Л | Роликовый радиальный двухрядный подшипник. Сепаратор из латуни.. | 75.00 | 115.00 | 30.00 |
| 5-3182115 ЛК | Роликовый радиальный двухрядный подшипник. Сепаратор из латуни.. | 75.00 | 115.00 | 30.00 |
Способы доставки
Отправка через ведущие транспортные и курьерские компании: ПЭК, Деловые Линии, СДЭК, Байкал-Сервис, Энергия, КИТ, ЖелДорЭкспедиция.
Самовывоз возможен напрямую со склада в Москве.
Сроки доставки
Срок зависит от региона и выбранной транспортной компании. Все заказы комплектуются и отправляются в кратчайшие сроки со склада в Москве.
Надёжность и сохранность
Вся продукция упаковывается с учётом требований транспортировки. Мы гарантируем, что подшипники и комплектующие прибудут к заказчику в полной сохранности.
Доставка в страны ЕАЭС
Мы работаем с проверенными логистическими партнёрами, что позволяет оперативно доставлять заказы в Беларусь, Казахстан, Армению и другие страны ЕАЭС.
Варианты оплаты:
Минимальная сумма заказа и скидки:
Документы и гарантии:
Да, конечно! Наши технические специалисты готовы помочь вам с подбором точного аналога или замены подшипника. Просто позвоните нам по телефону +7 (495) 104-99-04 или напишите на почту zakaz@podsnab.ru.
Для оперативной консультации подготовьте, пожалуйста, имеющиеся данные: маркировку, размеры, тип оборудования или артикул старого подшипника.
Да, конечно! Мы высоко ценим долгосрочное сотрудничество и доверие клиентов по всей России. Для постоянных клиентов действует персональная система скидок.
Условия формируются индивидуально и зависят от:
Чтобы узнать свои условия и получить максимально выгодное предложение, свяжитесь с персональным менеджером или напишите нам на почту zakaz@podsnab.ru.
Вы можете оформить заказ несколькими способами:
Для оформления заказа от юридического лица свяжитесь с нашим отделом по работе с корпоративными клиентами по телефону +7 (495) 104-99-04 или напишите на email zakaz@podsnab.ru, прикрепив реквизиты вашей организации.
Мы оперативно подготовим коммерческое предложение и выставим счет.
Возврат товара надлежащего качества возможен в течение 10 дней с момента получения, если товар не был в употреблении, сохранен товарный вид, упаковка не вскрывалась и присутствуют все сопроводительные документы.
Возврат денежных средств осуществляется в течение 10 рабочих дней после проверки товара складом.
В соответствии с законодательством возврату не подлежат подшипники надлежащего качества, если отсутствует оригинальная упаковка или имеются следы монтажа.
В случае выявления брака или гарантийного случая мы гарантируем возврат или обмен товара.
Да, гарантийный срок хранения устанавливается заводом-изготовителем и в среднем составляет 2 года при соблюдении условий хранения: сухое помещение, оригинальная упаковка и смазка.
Точный срок для конкретного типа подшипника уточняйте у наших менеджеров.
Пн–Пт: с 8:00 до 17:00 (МСК).
Сб–Вс: выходные дни.
Заказы на сайте принимаются круглосуточно. Заявки, поступившие после окончания рабочего дня, обрабатываются на следующий рабочий день.
Минимальная сумма заказа для доставки составляет 3000 рублей. Самовывоз со склада возможен на любую сумму при наличии товара.
ООО «УралТехГрупп»
ИНН: 7415093830
КПП: 772401001
ОГРН: 1167456069021
Банк: ПАО Сбербанк
Р/с: 40702810838000475273
К/с: 30101810400000000225
БИК: 044525225
У подшипника N2215 пока нет отзывов. Вы можете стать первым покупателем, поделившимся своим мнением.