Поиск подшипника
Статьи
CRM44 — Однорядный цилиндрический роликовый подшипник, основное исполнение, выпускается производителями: KOYO, SKF.
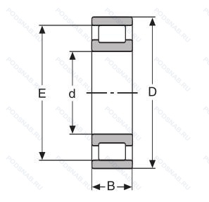
Размер подшипника: 139x279x50 мм.
Альтернативное обозначение: MRJ5.1/2.
Международная стандартизации ISO
CRM44
В наличии
| Обозначение | Гост | Конструктивные особенности |
|---|---|---|
| MRJ5.1/2 | ISO | ISO Tolerance Class ABEC.9. Number Of Carriages Per Rail Track. |
| RMS23.1/2 | ISO | ISO Tolerance Class ABEC.9. Number Of Carriages Per Rail Track. |
| MRJ5.1/2EVM+43 | ISO | Подшипник повышенной грузоподъемности с латунным сепаратором. Internal Suffix Used By RHP. No Specific Meaning. |
| MRJ5.1/2EVM | ISO | Подшипник повышенной грузоподъемности с латунным сепаратором. |
| MRJ5.1/2EM | ISO | Повышенная грузоподъемность. Механически обработанный латунный сепаратор .Расположенный на элементах качения. |
| MRJ5.1/2EMC3 | ISO | Внутренний зазор больше нормального. Повышенная грузоподъемность. Механически обработанный латунный сепаратор .Расположенный на элементах качения. |
| MRJ5.1/2EVMC3+43 | ISO | Внутренний зазор больше нормального. Подшипник повышенной грузоподъемности с латунным сепаратором. Internal Suffix Used By RHP. No Specific Meaning. |
| MRJ5.1/2MC3+43 | ISO | Внутренний зазор больше нормального. Механически обработанный латунный сепаратор .Расположенный на элементах качения. Internal Suffix Used By RHP. No Specific Meaning. |
| MRJ5.1/2MC3 | ISO | Внутренний зазор больше нормального. Механически обработанный латунный сепаратор .Расположенный на элементах качения. |
| MMRJ5.1/2EVM C3 | ISO | Внутренний зазор больше нормального. Number Of Carriages Per Rail Track. Подшипник повышенной грузоподъемности с латунным сепаратором. |
Аналог цилиндрического роликового подшипника CRM44 — это подшипник такого же размера dx139,Dx279,Bx50, типа и конструкции.
| Обозначение | Конструктивные особенности | Внутренний (d) | Наружный (D) | Ширина (B) |
|---|---|---|---|---|
| RMS44CMC3 | Подшипник однорядный шариковый радиальный. Внутренний зазор больше нормального. | 139.70 | 279.40 | 50.80 |
| MJT 5 1/2 | Шариковый радиально-упорный подшипник однонаправленный. | 139.70 | 279.40 | 50.80 |
| RMS44M | Подшипник однорядный шариковый радиальный. Подшипник с латунным сепаратором. центрированный по телам качения. | 139.70 | 279.40 | 50.80 |
| MJ5.1/2M | Подшипник однорядный шариковый радиальный. | 139.70 | 279.40 | 50.80 |
| MJ5.1/2M+43 | Подшипник однорядный шариковый радиальный. Механически обработанный латунный сепаратор .Расположенный на элементах качения. Internal Suffix Used By RHP. No Specific Meaning. | 139.70 | 279.40 | 50.80 |
| RMS44 | Подшипник однорядный шариковый радиальный. | 139.70 | 279.40 | 50.80 |
| MS23.1/2 | Подшипник однорядный шариковый радиальный. ISO Tolerance Class ABEC.9. Number Of Carriages Per Rail Track. | 139.70 | 279.40 | 50.80 |
| QJL5.1/2 | Подшипник шариковый с четырехточечным контактом. ISO Tolerance Class ABEC.9. Number Of Carriages Per Rail Track. | 139.70 | 279.40 | 50.80 |
| MJ5.1/2 | Подшипник однорядный шариковый радиальный. ISO Tolerance Class ABEC.9. Number Of Carriages Per Rail Track. | 139.70 | 279.40 | 50.80 |
| RMS44M/C3 | Подшипник однорядный шариковый радиальный. Внутренний зазор больше нормального. Механически обработанный латунный сепаратор. центрируемый по шарикам. Разные конструкции или материалы обозначаются цифрой после буквы М. например. М2. | 139.70 | 279.40 | 50.80 |
| MJ5.1/2M C3 | Подшипник однорядный шариковый радиальный. Внутренний зазор больше нормального. Механически обработанный латунный сепаратор .Расположенный на элементах качения. | 139.70 | 279.40 | 50.80 |
| MMRJ5.1/2 | Роликовый радиальный однорядный подшипник. ISO Tolerance Class ABEC.9. Number Of Carriages Per Rail Track. | 139.70 | 279.40 | 50.80 |
| NMJ 5.1/2 | Сферический двухрядный подшипник. | 139.70 | 279.40 | 50.80 |
| QJM 5.1/2 | Шариковый радиально-упорный однорядный подшипник. | 139.70 | 279.40 | 50.85 |
Способы доставки
Отправка через ведущие транспортные и курьерские компании: ПЭК, Деловые Линии, СДЭК, Байкал-Сервис, Энергия, КИТ, ЖелДорЭкспедиция.
Самовывоз возможен напрямую со склада в Москве.
Сроки доставки
Срок зависит от региона и выбранной транспортной компании. Все заказы комплектуются и отправляются в кратчайшие сроки со склада в Москве.
Надёжность и сохранность
Вся продукция упаковывается с учётом требований транспортировки. Мы гарантируем, что подшипники и комплектующие прибудут к заказчику в полной сохранности.
Доставка в страны ЕАЭС
Мы работаем с проверенными логистическими партнёрами, что позволяет оперативно доставлять заказы в Беларусь, Казахстан, Армению и другие страны ЕАЭС.
Варианты оплаты:
Минимальная сумма заказа и скидки:
Документы и гарантии:
Да, конечно! Наши технические специалисты готовы помочь вам с подбором точного аналога или замены подшипника. Просто позвоните нам по телефону +7 (495) 104-99-04 или напишите на почту zakaz@podsnab.ru.
Для оперативной консультации подготовьте, пожалуйста, имеющиеся данные: маркировку, размеры, тип оборудования или артикул старого подшипника.
Да, конечно! Мы высоко ценим долгосрочное сотрудничество и доверие клиентов по всей России. Для постоянных клиентов действует персональная система скидок.
Условия формируются индивидуально и зависят от:
Чтобы узнать свои условия и получить максимально выгодное предложение, свяжитесь с персональным менеджером или напишите нам на почту zakaz@podsnab.ru.
Вы можете оформить заказ несколькими способами:
Для оформления заказа от юридического лица свяжитесь с нашим отделом по работе с корпоративными клиентами по телефону +7 (495) 104-99-04 или напишите на email zakaz@podsnab.ru, прикрепив реквизиты вашей организации.
Мы оперативно подготовим коммерческое предложение и выставим счет.
Возврат товара надлежащего качества возможен в течение 10 дней с момента получения, если товар не был в употреблении, сохранен товарный вид, упаковка не вскрывалась и присутствуют все сопроводительные документы.
Возврат денежных средств осуществляется в течение 10 рабочих дней после проверки товара складом.
В соответствии с законодательством возврату не подлежат подшипники надлежащего качества, если отсутствует оригинальная упаковка или имеются следы монтажа.
В случае выявления брака или гарантийного случая мы гарантируем возврат или обмен товара.
Да, гарантийный срок хранения устанавливается заводом-изготовителем и в среднем составляет 2 года при соблюдении условий хранения: сухое помещение, оригинальная упаковка и смазка.
Точный срок для конкретного типа подшипника уточняйте у наших менеджеров.
Пн–Пт: с 8:00 до 17:00 (МСК).
Сб–Вс: выходные дни.
Заказы на сайте принимаются круглосуточно. Заявки, поступившие после окончания рабочего дня, обрабатываются на следующий рабочий день.
Минимальная сумма заказа для доставки составляет 3000 рублей. Самовывоз со склада возможен на любую сумму при наличии товара.
ООО «УралТехГрупп»
ИНН: 7415093830
КПП: 772401001
ОГРН: 1167456069021
Банк: ПАО Сбербанк
Р/с: 40702810838000475273
К/с: 30101810400000000225
БИК: 044525225
У подшипника CRM44 пока нет отзывов. Вы можете стать первым покупателем, поделившимся своим мнением.