Поиск подшипника
Статьи
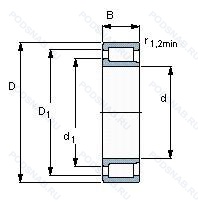
NJG2340VH — однорядный цилиндрический роликовый подшипник, модификация основного исполнения NJG2340, выпускается производителями: IDC/INTERPRECISE DONATH GMBH, SKF.
Размер подшипника: 200x420x138 мм.
Полный набор роликов (без сепаратора). самоудерживающиеся.
Альтернативное обозначение: SL192340.
Международная стандартизации ISO
NJG2340VH
В наличии
| Обозначение | Гост | Конструктивные особенности |
|---|---|---|
| SL192340 | ISO | однорядный цилиндрический роликовый подшипник. |
| NU2340ECML/C3 | ISO | Внутренний зазор больше нормального. Оптимизированная внутренняя конструкция предусматривает увеличенное количество роликов и/или ролики большего размера с улучшенными условиями контакта торцов роликов с бортами внутреннего кольца. Механически обработанный латунный сепаратор. оконного типа. центрируемый по внутреннему или наружному кольцу в зависимости от типа подшипника. |
| N2340-EX-TB-M1 | ISO | Механически обработанный латунный сепаратор. вращающийся элемент качения (крестовина на заклепках). Подшипники с повышенной осевой грузоподъемностью. Конструкция с повышенной грузоподъемностью. конструкция изменена. |
| NJ2340ECMA | ISO | Изготовленный из двух частей латунный сепаратор. внешнее кольцо по центру. Оптимизированная внутренняя конструкция предусматривает увеличенное количество роликов и/или ролики большего размера с улучшенными условиями контакта торцов роликов с бортами внутреннего кольца. Однорядный цилиндрический роликовый подшипник. |
| NU2340ECML/HB3C3 | ISO | Внутренний зазор больше нормального. Оптимизированная внутренняя конструкция предусматривает увеличенное количество роликов и/или ролики большего размера с улучшенными условиями контакта торцов роликов с бортами внутреннего кольца. Механически обработанный латунный сепаратор. оконного типа. центрируемый по внутреннему или наружному кольцу в зависимости от типа подшипника. Bainite-Hardened Bearing Or Bearing Component. Inner Ring. |
| NJ2340-EX-TB-M1-J30PC | ISO | Механически обработанный латунный сепаратор. вращающийся элемент качения (крестовина на заклепках). Подшипники с повышенной осевой грузоподъемностью. Конструкция с повышенной грузоподъемностью. конструкция изменена. Кольца и тела качения с черным оксидным покрытием. |
| SL19-2340TB BR C3 | ISO | Внутренний зазор больше нормального. Чёрный цвет. Подшипник с увеличенной осевой груподъемностью. |
| NU2340-EX-TB-M1-J30PC-C3 | ISO | Внутренний зазор больше нормального. Механически обработанный латунный сепаратор. вращающийся элемент качения (крестовина на заклепках). Подшипники с повышенной осевой грузоподъемностью. Конструкция с повышенной грузоподъемностью. конструкция изменена. Кольца и тела качения с черным оксидным покрытием. |
| LSL192340-B-C3 | ISO | Внутренний зазор больше нормального. Особенность внутренней конструкции. |
| SL19-2340C3 | ISO | Внутренний зазор больше нормального. |
| LSL192340-TB-C3 | ISO | Внутренний зазор больше нормального. Подшипник с увеличенной осевой груподъемностью. |
| LSL192340-TB | ISO | Подшипник с увеличенной осевой груподъемностью. |
| NU2340-EX-M1-J30PC-W10B-C3 | ISO | Внутренний зазор больше нормального. Механически обработанный латунный сепаратор. вращающийся элемент качения (крестовина на заклепках). Конструкция с повышенной грузоподъемностью. конструкция изменена. Кольца и тела качения с черным оксидным покрытием. Bearing Rings And Rolling Elements Of Through Hardening Rolling Bearing Steel Isotemp Heat Treated.(W10B Replaces Z43B). |
| NJ2340E MA | ISO | Конструкция с увеличенной грузоподьемностью. Механически обработанный латунный сепаратор. Центрирование по внешнему кольцу. |
| NJ2340E MA C3 | ISO | Внутренний зазор больше нормального. Конструкция с увеличенной грузоподьемностью. Механически обработанный латунный сепаратор. Центрирование по внешнему кольцу. |
| NU2340M C4 | ISO | Внутренний зазор подшипника больше. чем C3. Механически обработанный латунный сепаратор .Расположенный на элементах качения. |
| NU2340-E-M1-C3 | ISO | Внутренний зазор больше нормального. Повышенная грузоподъемность. Механически обработанный латунный сепаратор. вращающийся элемент качения (крестовина на заклепках). |
| NJ2340-EX-TB-M1-J30PC-C3 | ISO | Внутренний зазор больше нормального. Механически обработанный латунный сепаратор. вращающийся элемент качения (крестовина на заклепках). Подшипники с повышенной осевой грузоподъемностью. Конструкция с повышенной грузоподъемностью. конструкция изменена. Кольца и тела качения с черным оксидным покрытием. |
| NU2340-EX-TB-M1-J30PC | ISO | Механически обработанный латунный сепаратор. вращающийся элемент качения (крестовина на заклепках). Подшипники с повышенной осевой грузоподъемностью. Конструкция с повышенной грузоподъемностью. конструкция изменена. Кольца и тела качения с черным оксидным покрытием. |
| NU2340-EX-TB-M1-C4 | ISO | Внутренний зазор подшипника больше. чем C3. Механически обработанный латунный сепаратор. вращающийся элемент качения (крестовина на заклепках). Подшипники с повышенной осевой грузоподъемностью. Конструкция с повышенной грузоподъемностью. конструкция изменена. |
| NJK2340V C3 | ISO | Внутренний зазор больше нормального. Подшипник без сепаратора. с полным набором тел качения. |
Аналог цилиндрического роликового подшипника NJG2340VH — это подшипник такого же размера dx200,Dx420,Bx138, типа и конструкции.
| Обозначение | Конструктивные особенности | Внутренний (d) | Наружный (D) | Ширина (B) |
|---|---|---|---|---|
| NUP2340 | Роликовый радиальный однорядный подшипник. Сталь сквозной закалки SUJ2 (японская) и взаимозаменяемость (только для метрических серий). Канавка под стопорное кольцо на наружном кольце подшипника. Точность размеров примерно соответствует классу точности Р4. Класс точности 2. Однорядный цилиндрический роликовый подшипник. Наружное кольцо имеет два борта. | 200.00 | 420.00 | 138.00 |
| 22340E | Роликовый радиальный сферический двухрядный подшипник. Повышенная грузоподъемность. | 200.00 | 420.00 | 138.00 |
| 22340EK | Роликовый радиальный сферический двухрядный подшипник. | 200.00 | 420.00 | 138.00 |
| NJ2340-E-MA6+HJ2340-E | Роликовый радиальный однорядный подшипник. Повышенная грузоподъемность. Изготовленный из двух частей латунный сепаратор. Центрирование по внешнему кольцу. Различные конструкции или сорта материалов обозначаются цифрой или буквой.. | 200.00 | 420.00 | 138.00 |
| NJ2340-E-M6 | Роликовый радиальный однорядный подшипник. Повышенная грузоподъемность. 20-28 UM (C3 & C4). | 200.00 | 420.00 | 138.00 |
| NJ2340-E-M6+HJ2340-E | Роликовый радиальный однорядный подшипник. Повышенная грузоподъемность. 20-28 UM (C3 & C4). | 200.00 | 420.00 | 138.00 |
| NJ2340-E-MPA | Роликовый радиальный однорядный подшипник. Повышенная грузоподъемность. Твердый латунный сепаратор. | 200.00 | 420.00 | 138.00 |
| NJ2340-E-MPA+HJ2340-E | Роликовый радиальный однорядный подшипник. Повышенная грузоподъемность. Твердый латунный сепаратор. | 200.00 | 420.00 | 138.00 |
| NJ2340-VH | Роликовый радиальный однорядный подшипник. Полный набор роликов (без сепаратора). Самоудерживающиеся. | 200.00 | 420.00 | 138.00 |
| NJ2340-E-MA6 | Роликовый радиальный однорядный подшипник. Повышенная грузоподъемность. Изготовленный из двух частей латунный сепаратор. Центрирование по внешнему кольцу. Различные конструкции или сорта материалов обозначаются цифрой или буквой.. | 200.00 | 420.00 | 138.00 |
| NU2340-E-MA6 | Роликовый радиальный однорядный подшипник. Повышенная грузоподъемность. Изготовленный из двух частей латунный сепаратор. Центрирование по внешнему кольцу. Различные конструкции или сорта материалов обозначаются цифрой или буквой.. | 200.00 | 420.00 | 138.00 |
| NU2340-E-MPA | Роликовый радиальный однорядный подшипник. Повышенная грузоподъемность. Твердый латунный сепаратор. | 200.00 | 420.00 | 138.00 |
| NU2340-E-M6 | Роликовый радиальный однорядный подшипник. Повышенная грузоподъемность. 20-28 UM (C3 & C4). | 200.00 | 420.00 | 138.00 |
| NU 2340 ECML | Роликовый радиальный однорядный подшипник. Однорядный цилиндрический роликовый подшипник. | 200.00 | 420.00 | 138.00 |
| 53640Н | Роликовый радиальный двухрядный подшипник. Детали из теплостойкой стали. | 200.00 | 420.00 | 138.00 |
Способы доставки
Отправка через ведущие транспортные и курьерские компании: ПЭК, Деловые Линии, СДЭК, Байкал-Сервис, Энергия, КИТ, ЖелДорЭкспедиция.
Самовывоз возможен напрямую со склада в Москве.
Сроки доставки
Срок зависит от региона и выбранной транспортной компании. Все заказы комплектуются и отправляются в кратчайшие сроки со склада в Москве.
Надёжность и сохранность
Вся продукция упаковывается с учётом требований транспортировки. Мы гарантируем, что подшипники и комплектующие прибудут к заказчику в полной сохранности.
Доставка в страны ЕАЭС
Мы работаем с проверенными логистическими партнёрами, что позволяет оперативно доставлять заказы в Беларусь, Казахстан, Армению и другие страны ЕАЭС.
Варианты оплаты:
Минимальная сумма заказа и скидки:
Документы и гарантии:
Да, конечно! Наши технические специалисты готовы помочь вам с подбором точного аналога или замены подшипника. Просто позвоните нам по телефону +7 (495) 104-99-04 или напишите на почту zakaz@podsnab.ru.
Для оперативной консультации подготовьте, пожалуйста, имеющиеся данные: маркировку, размеры, тип оборудования или артикул старого подшипника.
Да, конечно! Мы высоко ценим долгосрочное сотрудничество и доверие клиентов по всей России. Для постоянных клиентов действует персональная система скидок.
Условия формируются индивидуально и зависят от:
Чтобы узнать свои условия и получить максимально выгодное предложение, свяжитесь с персональным менеджером или напишите нам на почту zakaz@podsnab.ru.
Вы можете оформить заказ несколькими способами:
Для оформления заказа от юридического лица свяжитесь с нашим отделом по работе с корпоративными клиентами по телефону +7 (495) 104-99-04 или напишите на email zakaz@podsnab.ru, прикрепив реквизиты вашей организации.
Мы оперативно подготовим коммерческое предложение и выставим счет.
Возврат товара надлежащего качества возможен в течение 10 дней с момента получения, если товар не был в употреблении, сохранен товарный вид, упаковка не вскрывалась и присутствуют все сопроводительные документы.
Возврат денежных средств осуществляется в течение 10 рабочих дней после проверки товара складом.
В соответствии с законодательством возврату не подлежат подшипники надлежащего качества, если отсутствует оригинальная упаковка или имеются следы монтажа.
В случае выявления брака или гарантийного случая мы гарантируем возврат или обмен товара.
Да, гарантийный срок хранения устанавливается заводом-изготовителем и в среднем составляет 2 года при соблюдении условий хранения: сухое помещение, оригинальная упаковка и смазка.
Точный срок для конкретного типа подшипника уточняйте у наших менеджеров.
Пн–Пт: с 8:00 до 17:00 (МСК).
Сб–Вс: выходные дни.
Заказы на сайте принимаются круглосуточно. Заявки, поступившие после окончания рабочего дня, обрабатываются на следующий рабочий день.
Минимальная сумма заказа для доставки составляет 3000 рублей. Самовывоз со склада возможен на любую сумму при наличии товара.
ООО «УралТехГрупп»
ИНН: 7415093830
КПП: 772401001
ОГРН: 1167456069021
Банк: ПАО Сбербанк
Р/с: 40702810838000475273
К/с: 30101810400000000225
БИК: 044525225
У подшипника NJG2340VH пока нет отзывов. Вы можете стать первым покупателем, поделившимся своим мнением.