Поиск подшипника
Статьи
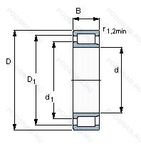
NJG2352VH — Однорядный цилиндрический роликовый подшипник, модификация основного исполнения NJG2352, выпускается производителями: IDC/INTERPRECISE DONATH GMBH, SKF.
Размер подшипника: 260x540x165 мм.
Полный набор роликов (без сепаратора). самоудерживающиеся.
Альтернативное обозначение: SL192352-A.
Международная стандартизации ISO
NJG2352VH
В наличии
| Обозначение | Гост | Конструктивные особенности |
|---|---|---|
| NU2352-EX-M1 | ISO | Механически обработанный латунный сепаратор. вращающийся элемент качения (крестовина на заклепках). Конструкция с повышенной грузоподъемностью. конструкция изменена. |
| NJ2352M.C3 | ISO | Внутренний зазор больше нормального. Подшипник с латунным сепаратором. центрированный по телам качения. |
| NU2352M | ISO | Механически обработанный латунный сепаратор .Расположенный на элементах качения. |
| NU2352-EX-M1A | ISO | Конструкция с повышенной грузоподъемностью. конструкция изменена. Массивный латунный сепаратор. двухтельный. центрированный по бортам. |
| NU2352-EX-M1A-C3 | ISO | Внутренний зазор больше нормального. Конструкция с повышенной грузоподъемностью. конструкция изменена. Массивный латунный сепаратор. двухтельный. центрированный по бортам. |
| SL192352 | ISO | Однорядный цилиндрический роликовый подшипник. |
| NU2352-EX-TB-M1-C3 | ISO | Внутренний зазор больше нормального. Механически обработанный латунный сепаратор. вращающийся элемент качения (крестовина на заклепках). Подшипники с повышенной осевой грузоподъемностью. Конструкция с повышенной грузоподъемностью. конструкция изменена. |
| NU2352-EX-TB-M1-J30PC-C3 | ISO | Внутренний зазор больше нормального. Механически обработанный латунный сепаратор. вращающийся элемент качения (крестовина на заклепках). Подшипники с повышенной осевой грузоподъемностью. Конструкция с повышенной грузоподъемностью. конструкция изменена. Кольца и тела качения с черным оксидным покрытием. |
| LSL192352-BR-C3 | ISO | Внутренний зазор больше нормального. Чёрный цвет. |
| NU2352M4A C3 | ISO | Внутренний зазор больше нормального. Machined Brass Cage. Rolling Element Centered_ Different Designs Or Material Grades Are Identified By A Figure Or A Letter. e.g. M2. MC. |
| NU2352-EX-TB-M1 | ISO | Механически обработанный латунный сепаратор. вращающийся элемент качения (крестовина на заклепках). Подшипники с повышенной осевой грузоподъемностью. Конструкция с повышенной грузоподъемностью. конструкция изменена. |
| LSL192352-A-BR-C3 | ISO | Внутренний зазор больше нормального. Особенность внутренней конструкции. Чёрный цвет. |
| LSL192352-TB-C3 | ISO | Внутренний зазор больше нормального. Подшипник с увеличенной осевой груподъемностью. |
| NU2352M.C3 | ISO | Внутренний зазор больше нормального. Механически обработанный латунный сепаратор .Расположенный на элементах качения. |
| NU2352EX.M1.C3 | ISO | Внутренний зазор больше нормального. Механически обработанный латунный сепаратор. вращающийся элемент качения (крестовина на заклепках). Конструкция с повышенной грузоподъемностью. конструкция изменена. |
| F91225 | ISO | Однорядный цилиндрический роликовый подшипник. |
| LSL192352-TB-BR-C3 | ISO | Внутренний зазор больше нормального. Чёрный цвет. Подшипник с увеличенной осевой груподъемностью. |
Аналог цилиндрического роликового подшипника NJG2352VH — это подшипник такого же размера dx260,Dx540,Bx165, типа и конструкции.
| Обозначение | Конструктивные особенности | Внутренний (d) | Наружный (D) | Ширина (B) |
|---|---|---|---|---|
| NP2352 | Роликовый радиальный однорядный подшипник. Канавка под стопорное кольцо на наружном кольце подшипника. | 260.00 | 540.00 | 165.00 |
| NU2352 E | Роликовый радиальный однорядный подшипник. Повышенная грузоподъемность. | 260.00 | 540.00 | 165.00 |
| NUP2352 E | Роликовый радиальный однорядный подшипник. Повышенная грузоподъемность. | 260.00 | 540.00 | 165.00 |
| LSL192352-TB | Роликовый радиальный подшипник. Textite (Fabric-Reinforced Phenolic Resin) Cage Guided On The Inner Ring. | 260.00 | 540.00 | 165.00 |
| SL192352-TB | Роликовый радиальный подшипник. Textite (Fabric-Reinforced Phenolic Resin) Cage Guided On The Inner Ring. | 260.00 | 540.00 | 165.00 |
| NJ2352 | Роликовый радиальный однорядный подшипник. Штампованный сепаратор из стального листа. Канавка под стопорное кольцо на наружном кольце подшипника. Однорядный цилиндрический роликовый подшипник. Наружное кольцо имеет два борта. | 260.00 | 540.00 | 165.00 |
| NU2352 | Роликовый радиальный однорядный подшипник. Сталь сквозной закалки SUJ2 (японская) и взаимозаменяемость (только для метрических серий). Канавка под стопорное кольцо на наружном кольце подшипника. Однорядные цилиндрические роликоподшипники. Наружное кольцо подшипника имеет два борта. | 260.00 | 540.00 | 165.00 |
| NUP2352 | Роликовый радиальный однорядный подшипник. Сталь сквозной закалки SUJ2 (японская) и взаимозаменяемость (только для метрических серий). Канавка под стопорное кольцо на наружном кольце подшипника. Точность размеров примерно соответствует классу точности Р4. Класс точности 2. Однорядный цилиндрический роликовый подшипник. Наружное кольцо имеет два борта. | 260.00 | 540.00 | 165.00 |
| 22352E | Роликовый радиальный сферический двухрядный подшипник. Повышенная грузоподъемность. | 260.00 | 540.00 | 165.00 |
| 22352EK | Роликовый радиальный сферический двухрядный подшипник. | 260.00 | 540.00 | 165.00 |
| NU2352-E-M6 | Роликовый радиальный однорядный подшипник. Повышенная грузоподъемность. 20-28 UM (C3 & C4). | 260.00 | 540.00 | 165.00 |
| NU2352-E-MA6 | Роликовый радиальный однорядный подшипник. Повышенная грузоподъемность. Изготовленный из двух частей латунный сепаратор. Центрирование по внешнему кольцу. Различные конструкции или сорта материалов обозначаются цифрой или буквой.. | 260.00 | 540.00 | 165.00 |
| NU2352-E-MPA | Роликовый радиальный однорядный подшипник. Повышенная грузоподъемность. Твердый латунный сепаратор. | 260.00 | 540.00 | 165.00 |
| NU 2352 EM | Роликовый радиальный однорядный подшипник. Стандартный фланцевый ( с резьбой и сквозным отверстием). | 260.00 | 540.00 | 165.00 |
| 53652Н | Роликовый радиальный двухрядный подшипник. Детали из теплостойкой стали. | 260.00 | 540.00 | 165.00 |
Способы доставки
Отправка через ведущие транспортные и курьерские компании: ПЭК, Деловые Линии, СДЭК, Байкал-Сервис, Энергия, КИТ, ЖелДорЭкспедиция.
Самовывоз возможен напрямую со склада в Москве.
Сроки доставки
Срок зависит от региона и выбранной транспортной компании. Все заказы комплектуются и отправляются в кратчайшие сроки со склада в Москве.
Надёжность и сохранность
Вся продукция упаковывается с учётом требований транспортировки. Мы гарантируем, что подшипники и комплектующие прибудут к заказчику в полной сохранности.
Доставка в страны ЕАЭС
Мы работаем с проверенными логистическими партнёрами, что позволяет оперативно доставлять заказы в Беларусь, Казахстан, Армению и другие страны ЕАЭС.
Варианты оплаты:
Минимальная сумма заказа и скидки:
Документы и гарантии:
Да, конечно! Наши технические специалисты готовы помочь вам с подбором точного аналога или замены подшипника. Просто позвоните нам по телефону +7 (495) 104-99-04 или напишите на почту zakaz@podsnab.ru.
Для оперативной консультации подготовьте, пожалуйста, имеющиеся данные: маркировку, размеры, тип оборудования или артикул старого подшипника.
Да, конечно! Мы высоко ценим долгосрочное сотрудничество и доверие клиентов по всей России. Для постоянных клиентов действует персональная система скидок.
Условия формируются индивидуально и зависят от:
Чтобы узнать свои условия и получить максимально выгодное предложение, свяжитесь с персональным менеджером или напишите нам на почту zakaz@podsnab.ru.
Вы можете оформить заказ несколькими способами:
Для оформления заказа от юридического лица свяжитесь с нашим отделом по работе с корпоративными клиентами по телефону +7 (495) 104-99-04 или напишите на email zakaz@podsnab.ru, прикрепив реквизиты вашей организации.
Мы оперативно подготовим коммерческое предложение и выставим счет.
Возврат товара надлежащего качества возможен в течение 10 дней с момента получения, если товар не был в употреблении, сохранен товарный вид, упаковка не вскрывалась и присутствуют все сопроводительные документы.
Возврат денежных средств осуществляется в течение 10 рабочих дней после проверки товара складом.
В соответствии с законодательством возврату не подлежат подшипники надлежащего качества, если отсутствует оригинальная упаковка или имеются следы монтажа.
В случае выявления брака или гарантийного случая мы гарантируем возврат или обмен товара.
Да, гарантийный срок хранения устанавливается заводом-изготовителем и в среднем составляет 2 года при соблюдении условий хранения: сухое помещение, оригинальная упаковка и смазка.
Точный срок для конкретного типа подшипника уточняйте у наших менеджеров.
Пн–Пт: с 8:00 до 17:00 (МСК).
Сб–Вс: выходные дни.
Заказы на сайте принимаются круглосуточно. Заявки, поступившие после окончания рабочего дня, обрабатываются на следующий рабочий день.
Минимальная сумма заказа для доставки составляет 3000 рублей. Самовывоз со склада возможен на любую сумму при наличии товара.
ООО «УралТехГрупп»
ИНН: 7415093830
КПП: 772401001
ОГРН: 1167456069021
Банк: ПАО Сбербанк
Р/с: 40702810838000475273
К/с: 30101810400000000225
БИК: 044525225
У подшипника NJG2352VH пока нет отзывов. Вы можете стать первым покупателем, поделившимся своим мнением.