Поиск подшипника
Статьи
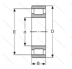
CRM9 — Однорядный цилиндрический роликовый подшипник, основное исполнение, выпускается производителями: HOFFMANN, NEUTRAL, RANSOME & MARLES, RHP, SKF.
Размер подшипника: 28x71x20 мм.
Альтернативное обозначение: RMS11.
Аналоги: MRJ1.1/8 RHP.
Международная стандартизации ISO
CRM9
В наличии
| Обозначение | Конструктивные изменения |
|---|---|
| CRM9A | Цилиндрический роликоподшипник. С углом фланца 1 градус 40 минут. Сферические роликовые наконечники. |
| CRM9FYB | Обработанный латунный сепаратор. |
Модификации цилиндрического роликового подшипника CRM9 — это измененное основное конструктивное исполнение CRM9, основные размеры (28x71x20) не отличаются.
| Обозначение | Гост | Конструктивные особенности |
|---|---|---|
| MRJ1.1/8J | ISO | Однорядный цилиндрический роликовый подшипник. |
| MMRJ1.1/8M | ISO | Однорядный цилиндрический роликовый подшипник. |
| MRJ1.1/8 | ISO | Number Of Carriages Per Rail Track. Средний предварительный натяг. |
| MRJA1.1/8 | ISO | Number Of Carriages Per Rail Track. Средний предварительный натяг. |
| RM11L | ISO | Механически обработанный алюминиевый фиксатор. Направляющий роликовый элемент. |
| RMS11 | ISO | Однорядный цилиндрический роликовый подшипник. |
| MRJA1.1/8-C3 | ISO | Однорядный цилиндрический роликовый подшипник. |
| MRJ1.1/8M | ISO | Однорядный цилиндрический роликовый подшипник. |
| NM9TGP | ISO | Формованный полиамидный сепаратор оконного типа. Роликовые тела качения. |
| MMRJ1.1/8J C3 | ISO | Внутренний зазор больше нормального. Сепаратор из стали. |
| CFM9 | ISO | Однорядный цилиндрический роликовый подшипник. |
| MMRJN1.1/8M | ISO | Механически обработанный латунный сепаратор .Расположенный на элементах качения. Number Of Carriages Per Rail Track. |
| MRJ1.1/8J C3 | ISO | Внутренний зазор больше нормального. Сепаратор из стали. |
| MMRJN1.1/8J | ISO | Прессованный стальной сепаратор. Number Of Carriages Per Rail Track. |
| MRJ1.1/8-C3 | ISO | Внутренний зазор больше нормального. |
| MRJA1.1/8J | ISO | Прессованный стальной сепаратор. |
| MMRJ1.1/8 | ISO | Number Of Carriages Per Rail Track. Средний предварительный натяг. |
| MMRJ1.1/8C3 | ISO | Внутренний зазор больше нормального. |
| MMRJ1.1/8J | ISO | Сепаратор из стали. |
| RMSN11 | ISO | Однорядный цилиндрический роликовый подшипник. |
Аналог цилиндрического роликового подшипника CRM9 — это подшипник такого же размера dx28,Dx71,Bx20, типа и конструкции.
| Обозначение | Конструктивные особенности | Внутренний (d) | Наружный (D) | Ширина (B) |
|---|---|---|---|---|
| 1035-1.1/8G | Подшипник для корпуса. Number Of Carriages Per Rail Track. | 28.58 | 72.00 | 21.00 |
| NMJ1.1/8 | Подшипник шариковый двухрядный самоустанавливающийся. Number Of Carriages Per Rail Track. Средний предварительный натяг. | 28.57 | 71.44 | 20.64 |
| MJT1+1/8 | Подшипник шариковый однорядный радиально-упорный. Number Of Carriages Per Rail Track. Средний предварительный натяг. | 28.57 | 71.44 | 20.64 |
| RMS9 2RS | Подшипник однорядный шариковый радиальный. Резиновые уплотнения с каждой стороны подшипника. | 28.57 | 71.44 | 20.64 |
| 1035-1.1/8G/AR3P | Подшипник для корпуса. Вкладыш подшипника с возможностью повторной смазки. Number Of Carriages Per Rail Track. Designation = Alvania Grease R3. Base Oil = Mineral. Thickener = Lithium. Min. Temp = -34°C. Max. Temp = +135°C. | 28.58 | 72.00 | 21.00 |
| AMS9TN | Подшипник шариковый однорядный радиально-упорный. литой под давлением сепаратор из полиамида 6.6. центрированный роликовый элемент. | 28.58 | 71.44 | 20.64 |
| MJ1.1/8NR | Подшипник однорядный шариковый радиальный. Канавка под стопорное кольцо на наружном кольце с соответствующим стопорным кольцом. Number Of Carriages Per Rail Track. | 28.57 | 71.44 | 20.64 |
| QJM1.1/8 | Подшипник шариковый с четырехточечным контактом. Number Of Carriages Per Rail Track. Средний предварительный натяг. | 28.57 | 71.44 | 20.64 |
| BR2872DD | Шариковый радиальный однорядный подшипник. Два уплотнения из PTFE. | 28.00 | 72.00 | 20.00 |
| BR2870DD | Шариковый радиальный однорядный подшипник. Два уплотнения из PTFE. | 28.00 | 70.00 | 20.00 |
| MJ1.1/8-N | Шариковый радиальный однорядный подшипник. Канавка под стопорное кольцо на внешнем кольце. Number Of Carriages Per Rail Track. Средний предварительный натяг. | 28.57 | 71.44 | 20.64 |
| MJ1.1/8-2RS | Шариковый радиальный однорядный подшипник. Резиновые уплотнения с каждой стороны подшипника. Number Of Carriages Per Rail Track. Средний предварительный натяг. | 28.57 | 71.44 | 20.64 |
| MJ1.1/8-Z | Шариковый радиальный однорядный подшипник. щит из листовой прессованной стали с одной стороны подшипника. Number Of Carriages Per Rail Track. Средний предварительный натяг. | 28.57 | 71.44 | 20.64 |
| MJ1.1/8-2Z | Шариковый радиальный однорядный подшипник. Защитные металлические шайбы с обеих сторон подшипника. Number Of Carriages Per Rail Track. Средний предварительный натяг. | 28.57 | 71.44 | 20.64 |
| MJ1.1/8-RS | Шариковый радиальный однорядный подшипник. Резиновое уплотнение с одной стороны. Number Of Carriages Per Rail Track. Средний предварительный натяг. | 28.57 | 71.44 | 20.64 |
Способы доставки
Отправка через ведущие транспортные и курьерские компании: ПЭК, Деловые Линии, СДЭК, Байкал-Сервис, Энергия, КИТ, ЖелДорЭкспедиция.
Самовывоз возможен напрямую со склада в Москве.
Сроки доставки
Срок зависит от региона и выбранной транспортной компании. Все заказы комплектуются и отправляются в кратчайшие сроки со склада в Москве.
Надёжность и сохранность
Вся продукция упаковывается с учётом требований транспортировки. Мы гарантируем, что подшипники и комплектующие прибудут к заказчику в полной сохранности.
Доставка в страны ЕАЭС
Мы работаем с проверенными логистическими партнёрами, что позволяет оперативно доставлять заказы в Беларусь, Казахстан, Армению и другие страны ЕАЭС.
Варианты оплаты:
Минимальная сумма заказа и скидки:
Документы и гарантии:
Да, конечно! Наши технические специалисты готовы помочь вам с подбором точного аналога или замены подшипника. Просто позвоните нам по телефону +7 (495) 104-99-04 или напишите на почту zakaz@podsnab.ru.
Для оперативной консультации подготовьте, пожалуйста, имеющиеся данные: маркировку, размеры, тип оборудования или артикул старого подшипника.
Да, конечно! Мы высоко ценим долгосрочное сотрудничество и доверие клиентов по всей России. Для постоянных клиентов действует персональная система скидок.
Условия формируются индивидуально и зависят от:
Чтобы узнать свои условия и получить максимально выгодное предложение, свяжитесь с персональным менеджером или напишите нам на почту zakaz@podsnab.ru.
Вы можете оформить заказ несколькими способами:
Для оформления заказа от юридического лица свяжитесь с нашим отделом по работе с корпоративными клиентами по телефону +7 (495) 104-99-04 или напишите на email zakaz@podsnab.ru, прикрепив реквизиты вашей организации.
Мы оперативно подготовим коммерческое предложение и выставим счет.
Возврат товара надлежащего качества возможен в течение 10 дней с момента получения, если товар не был в употреблении, сохранен товарный вид, упаковка не вскрывалась и присутствуют все сопроводительные документы.
Возврат денежных средств осуществляется в течение 10 рабочих дней после проверки товара складом.
В соответствии с законодательством возврату не подлежат подшипники надлежащего качества, если отсутствует оригинальная упаковка или имеются следы монтажа.
В случае выявления брака или гарантийного случая мы гарантируем возврат или обмен товара.
Да, гарантийный срок хранения устанавливается заводом-изготовителем и в среднем составляет 2 года при соблюдении условий хранения: сухое помещение, оригинальная упаковка и смазка.
Точный срок для конкретного типа подшипника уточняйте у наших менеджеров.
Пн–Пт: с 8:00 до 17:00 (МСК).
Сб–Вс: выходные дни.
Заказы на сайте принимаются круглосуточно. Заявки, поступившие после окончания рабочего дня, обрабатываются на следующий рабочий день.
Минимальная сумма заказа для доставки составляет 3000 рублей. Самовывоз со склада возможен на любую сумму при наличии товара.
ООО «УралТехГрупп»
ИНН: 7415093830
КПП: 772401001
ОГРН: 1167456069021
Банк: ПАО Сбербанк
Р/с: 40702810838000475273
К/с: 30101810400000000225
БИК: 044525225
У подшипника CRM9 пока нет отзывов. Вы можете стать первым покупателем, поделившимся своим мнением.