Поиск подшипника
Статьи
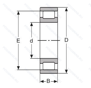
CRL9 — Однорядный цилиндрический роликовый подшипник, основное исполнение, выпускается производителями: NEUTRAL, RHP, SKF.
Размер подшипника: 28x63x15 мм.
Альтернативное обозначение: LRJ1.1/8, RLS11.
Международная стандартизации ISO
CRL9
В наличии
| Обозначение | Конструктивные изменения |
|---|---|
| CRL9A | Цилиндрический роликоподшипник. С углом фланца 1 градус 40 минут. Сферические роликовые наконечники. |
Модификации цилиндрического роликового подшипника CRL9 — это измененное основное конструктивное исполнение CRL9, основные размеры (28x63x15) не отличаются.
| Обозначение | Гост | Конструктивные особенности |
|---|---|---|
| LRJ1.1/8 | ISO | Number Of Carriages Per Rail Track. Средний предварительный натяг. |
| RLS11V3 | ISO | Уровень вибрации 3. |
| CFL9 | ISO | Однорядный цилиндрический роликовый подшипник. |
| CFL9A | ISO | Двухрядный радиально-упорный шарикоподшипник без отверстия для смазки. |
| RLS11 | ISO | Однорядный цилиндрический роликовый подшипник. |
| LRJ1.1/8J | ISO | Однорядный цилиндрический роликовый подшипник. |
| RL11L | ISO | Механически обработанный алюминиевый фиксатор. Направляющий роликовый элемент. |
| LRJ1.1/8J CN | ISO | Прессованный стальной сепаратор. Нормальный уровень радиального внутреннего зазора (не маркируется). |
| LRJA1.1/8 | ISO | Number Of Carriages Per Rail Track. Средний предварительный натяг. |
| LRJ1.1/8M | ISO | Однорядный цилиндрический роликовый подшипник. |
| LLRJN1.1/8M | ISO | Механически обработанный латунный сепаратор .Расположенный на элементах качения. Number Of Carriages Per Rail Track. |
| LRJA1.1/8M C3 | ISO | Внутренний зазор больше нормального. Механически обработанный латунный сепаратор .Расположенный на элементах качения. |
| LRJ1.1/8MB | ISO | Однокомпонентное внутреннее кольцо с центрированным сепаратором из механически обработанной латуни. |
| LRJA1.1/8MB | ISO | Однокомпонентное внутреннее кольцо с центрированным сепаратором из механически обработанной латуни. |
| NJ206/28.5ECP/VC025 | ISO | Оптимизированная внутренняя конструкция предусматривает увеличенное количество роликов и/или ролики большего размера с улучшенными условиями контакта торцов роликов с бортами внутреннего кольца. Сепаратор из стеклонаполненного полиамида PA66. центрируемый по роликам. 1.3/4. Однорядный цилиндрический роликовый подшипник. Bearing With Specially Wear-Resistant Raceways For Applications In Heavily Contaminated Environments. |
| NJ206/28.5ECP | ISO | Оптимизированная внутренняя конструкция предусматривает увеличенное количество роликов и/или ролики большего размера с улучшенными условиями контакта торцов роликов с бортами внутреннего кольца. Сепаратор из стеклонаполненного полиамида PA66. центрируемый по роликам. 1.3/4. |
| LRJ1.1/8C3 | ISO | Внутренний зазор больше нормального. |
| LLRJ1.1/8J | ISO | Прессованный стальной сепаратор. Number Of Carriages Per Rail Track. |
Аналог цилиндрического роликового подшипника CRL9 — это подшипник такого же размера dx28,Dx63,Bx15, типа и конструкции.
| Обозначение | Конструктивные особенности | Внутренний (d) | Наружный (D) | Ширина (B) |
|---|---|---|---|---|
| RLS9 2NS | Подшипник однорядный шариковый радиальный. Контактное уплотнение с двух сторон подшипника. | 28.58 | 63.50 | 15.88 |
| 6206/28 2RS | Подшипник однорядный шариковый радиальный. Резиновые уплотнения с каждой стороны подшипника. 1.3/4. | 28.00 | 62.00 | 16.00 |
| LJ1.1/8 2RSR | Подшипник однорядный шариковый радиальный. Резиновые уплотнения с каждой стороны подшипника. | 28.58 | 63.50 | 15.88 |
| RL9C | Подшипник шариковый двухрядный самоустанавливающийся. Внутренние изменения в конструкции. | 28.58 | 63.50 | 15.88 |
| LJ1+1/8-C3 | Подшипник однорядный шариковый радиальный. Внутренний зазор больше нормального. | 28.58 | 63.50 | 15.88 |
| QJL1.1/8 | Подшипник шариковый с четырехточечным контактом. Number Of Carriages Per Rail Track. Средний предварительный натяг. | 28.57 | 63.50 | 15.88 |
| RLS9/C6 | Подшипник однорядный шариковый радиальный. Уровень шума ниже нормы (бесшумная работа). | 28.58 | 63.50 | 15.88 |
| 6206/28.5ETN9 | Подшипник однорядный шариковый радиальный. Оптимизированный внутренний дизайн. Литая защелкивающаяся клетка из полиамида 6.6. армированного стекловолокном с шариковой центрировкой.. 1.3/4. | 28.50 | 62.00 | 16.00 |
| LJ1.1/8 2RSJ | Подшипник однорядный шариковый радиальный. Резиновые уплотнения с каждой стороны подшипника. Сепаратор из стали. | 28.58 | 63.50 | 15.88 |
| NLJ1.1/8K5 | Подшипник шариковый двухрядный самоустанавливающийся. Ближе к стандартным допускам. | 28.58 | 63.50 | 15.88 |
| LJ1.1/8-2ZJ | Подшипник однорядный шариковый радиальный. Прессованный стальной сепаратор. Защитные металлические шайбы с обеих сторон. | 28.58 | 63.50 | 15.88 |
| LLRJ1.1/8 | Роликовый радиальный однорядный подшипник. Number Of Carriages Per Rail Track. Средний предварительный натяг. | 28.57 | 63.50 | 15.88 |
| 6206LUA/28 | Шариковый радиальный однорядный подшипник. 1.3/4. Полиакриловое резиновое уплотнение. | 28.00 | 62.00 | 16.00 |
| US206-18 | Шариковый радиальный однорядный подшипник. 18° Угол контакта. | 28.57 | 62.00 | 16.00 |
| CUS206-18 | Шариковый радиальный однорядный подшипник. 18° Угол контакта. | 28.57 | 62.00 | 16.00 |
Способы доставки
Отправка через ведущие транспортные и курьерские компании: ПЭК, Деловые Линии, СДЭК, Байкал-Сервис, Энергия, КИТ, ЖелДорЭкспедиция.
Самовывоз возможен напрямую со склада в Москве.
Сроки доставки
Срок зависит от региона и выбранной транспортной компании. Все заказы комплектуются и отправляются в кратчайшие сроки со склада в Москве.
Надёжность и сохранность
Вся продукция упаковывается с учётом требований транспортировки. Мы гарантируем, что подшипники и комплектующие прибудут к заказчику в полной сохранности.
Доставка в страны ЕАЭС
Мы работаем с проверенными логистическими партнёрами, что позволяет оперативно доставлять заказы в Беларусь, Казахстан, Армению и другие страны ЕАЭС.
Варианты оплаты:
Минимальная сумма заказа и скидки:
Документы и гарантии:
Да, конечно! Наши технические специалисты готовы помочь вам с подбором точного аналога или замены подшипника. Просто позвоните нам по телефону +7 (495) 104-99-04 или напишите на почту zakaz@podsnab.ru.
Для оперативной консультации подготовьте, пожалуйста, имеющиеся данные: маркировку, размеры, тип оборудования или артикул старого подшипника.
Да, конечно! Мы высоко ценим долгосрочное сотрудничество и доверие клиентов по всей России. Для постоянных клиентов действует персональная система скидок.
Условия формируются индивидуально и зависят от:
Чтобы узнать свои условия и получить максимально выгодное предложение, свяжитесь с персональным менеджером или напишите нам на почту zakaz@podsnab.ru.
Вы можете оформить заказ несколькими способами:
Для оформления заказа от юридического лица свяжитесь с нашим отделом по работе с корпоративными клиентами по телефону +7 (495) 104-99-04 или напишите на email zakaz@podsnab.ru, прикрепив реквизиты вашей организации.
Мы оперативно подготовим коммерческое предложение и выставим счет.
Возврат товара надлежащего качества возможен в течение 10 дней с момента получения, если товар не был в употреблении, сохранен товарный вид, упаковка не вскрывалась и присутствуют все сопроводительные документы.
Возврат денежных средств осуществляется в течение 10 рабочих дней после проверки товара складом.
В соответствии с законодательством возврату не подлежат подшипники надлежащего качества, если отсутствует оригинальная упаковка или имеются следы монтажа.
В случае выявления брака или гарантийного случая мы гарантируем возврат или обмен товара.
Да, гарантийный срок хранения устанавливается заводом-изготовителем и в среднем составляет 2 года при соблюдении условий хранения: сухое помещение, оригинальная упаковка и смазка.
Точный срок для конкретного типа подшипника уточняйте у наших менеджеров.
Пн–Пт: с 8:00 до 17:00 (МСК).
Сб–Вс: выходные дни.
Заказы на сайте принимаются круглосуточно. Заявки, поступившие после окончания рабочего дня, обрабатываются на следующий рабочий день.
Минимальная сумма заказа для доставки составляет 3000 рублей. Самовывоз со склада возможен на любую сумму при наличии товара.
ООО «УралТехГрупп»
ИНН: 7415093830
КПП: 772401001
ОГРН: 1167456069021
Банк: ПАО Сбербанк
Р/с: 40702810838000475273
К/с: 30101810400000000225
БИК: 044525225
У подшипника CRL9 пока нет отзывов. Вы можете стать первым покупателем, поделившимся своим мнением.