Поиск подшипника
Статьи
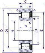
SL18-2924 — однорядный цилиндрический роликовый подшипник, основное исполнение, выпускается производителями: INA, ISO, ROLLWAY, STEYR, Подшипники NBS.
Размер подшипника: 120x165x27 мм.
Тип: Узкое внутреннее кольцо, легкая нагрузка, корпус из штампованной стали, установочный винт.
Альтернативное обозначение: NCF2924V.
Аналоги: SL182924-B-XL INA.
Международная стандартизации ISO
SL182924
В наличии
| Обозначение | Конструктивные изменения |
|---|---|
| SL18-2924B | однорядный цилиндрический роликовый подшипник. |
| SL18-2924B C3 | Внутренний зазор больше нормального. Особенность внутренней конструкции. |
| SL182924.C3 | Внутренний зазор больше нормального. |
| SL182924-B-XL | Особенность внутренней конструкции. Серия X-Life премиум-класс. увеличиный срок службы. |
| SL182924-B-XL-C2/2M | Особенность внутренней конструкции. Серия X-Life премиум-класс. увеличиный срок службы. Bearing Internal Clearance Smaller Than Normal. +. |
| SL182924-B-XL-C3 | Внутренний зазор больше нормального. Особенность внутренней конструкции. Серия X-Life премиум-класс. увеличиный срок службы. |
| SL18-2924A | Особенность внутренней конструкции. |
Модификации цилиндрического роликового подшипника SL18-2924 — это измененное основное конструктивное исполнение SL182924, основные размеры (120x165x27) не отличаются.
| Обозначение | Гост | Конструктивные особенности |
|---|---|---|
| NCF2924V.C3 | ISO | Внутренний зазор больше нормального. Подшипник без сепаратора. С полным комплектом тел качения. |
| NCF2924V | ISO | Бессепараторный подшипник. Однорядный без сепараторный цилиндрический роликовый подшипник. Два борта на внутреннем кольце и один борт на наружном. |
| NCF2924CV | ISO | Полноразмерный цилиндрический роликоподшипник с модифицированной внутренней конструкцией. Однорядный без сепараторный цилиндрический роликовый подшипник. |
| NCF2924CV C3 | ISO | Внутренние изменения в конструкции. Внутренний зазор больше нормального. Полноразмерный цилиндрический роликоподшипник с модифицированной внутренней конструкцией. |
Аналог цилиндрического роликового подшипника SL18-2924 — это подшипник такого же размера dx120,Dx165,Bx27, типа и конструкции.
| Обозначение | Конструктивные особенности | Внутренний (d) | Наружный (D) | Ширина (B) |
|---|---|---|---|---|
| 105120/105165C | однорядный конический роликовый подшипник. Flanged Cup. | 120.00 | 165.00 | 28.00 |
| N1024MR | Роликовый радиальный цилиндрический однорядный подшипник. Обработанный латунный сепаратор с роликовыми направляющими. | 120.00 | 165.00 | 28.00 |
| N1024MRKR | Роликовый радиальный цилиндрический однорядный подшипник. | 120.00 | 165.00 | 28.00 |
| 105120/105165 | Роликовый радиальный-упорный однорядный подшипник. | 120.00 | 165.00 | 28.00 |
| 562924 | Шариковый упорный двухрядный подшипник. | 120.00 | 165.00 | 27.00 |
| 234924 | Шариковый упорный двухрядный подшипник. | 120.00 | 165.00 | 27.00 |
| 6-1672924 Р2 | Роликовый радиальный однорядный подшипник. Детали из теплоустойчивой (быстрорежущие) стали.. | 120.00 | 165.00 | 27.00 |
Способы доставки
Отправка через ведущие транспортные и курьерские компании: ПЭК, Деловые Линии, СДЭК, Байкал-Сервис, Энергия, КИТ, ЖелДорЭкспедиция.
Самовывоз возможен напрямую со склада в Москве.
Сроки доставки
Срок зависит от региона и выбранной транспортной компании. Все заказы комплектуются и отправляются в кратчайшие сроки со склада в Москве.
Надёжность и сохранность
Вся продукция упаковывается с учётом требований транспортировки. Мы гарантируем, что подшипники и комплектующие прибудут к заказчику в полной сохранности.
Доставка в страны ЕАЭС
Мы работаем с проверенными логистическими партнёрами, что позволяет оперативно доставлять заказы в Беларусь, Казахстан, Армению и другие страны ЕАЭС.
Варианты оплаты:
Минимальная сумма заказа и скидки:
Документы и гарантии:
Да, конечно! Наши технические специалисты готовы помочь вам с подбором точного аналога или замены подшипника. Просто позвоните нам по телефону +7 (495) 104-99-04 или напишите на почту zakaz@podsnab.ru.
Для оперативной консультации подготовьте, пожалуйста, имеющиеся данные: маркировку, размеры, тип оборудования или артикул старого подшипника.
Да, конечно! Мы высоко ценим долгосрочное сотрудничество и доверие клиентов по всей России. Для постоянных клиентов действует персональная система скидок.
Условия формируются индивидуально и зависят от:
Чтобы узнать свои условия и получить максимально выгодное предложение, свяжитесь с персональным менеджером или напишите нам на почту zakaz@podsnab.ru.
Вы можете оформить заказ несколькими способами:
Для оформления заказа от юридического лица свяжитесь с нашим отделом по работе с корпоративными клиентами по телефону +7 (495) 104-99-04 или напишите на email zakaz@podsnab.ru, прикрепив реквизиты вашей организации.
Мы оперативно подготовим коммерческое предложение и выставим счет.
Возврат товара надлежащего качества возможен в течение 10 дней с момента получения, если товар не был в употреблении, сохранен товарный вид, упаковка не вскрывалась и присутствуют все сопроводительные документы.
Возврат денежных средств осуществляется в течение 10 рабочих дней после проверки товара складом.
В соответствии с законодательством возврату не подлежат подшипники надлежащего качества, если отсутствует оригинальная упаковка или имеются следы монтажа.
В случае выявления брака или гарантийного случая мы гарантируем возврат или обмен товара.
Да, гарантийный срок хранения устанавливается заводом-изготовителем и в среднем составляет 2 года при соблюдении условий хранения: сухое помещение, оригинальная упаковка и смазка.
Точный срок для конкретного типа подшипника уточняйте у наших менеджеров.
Пн–Пт: с 8:00 до 17:00 (МСК).
Сб–Вс: выходные дни.
Заказы на сайте принимаются круглосуточно. Заявки, поступившие после окончания рабочего дня, обрабатываются на следующий рабочий день.
Минимальная сумма заказа для доставки составляет 3000 рублей. Самовывоз со склада возможен на любую сумму при наличии товара.
ООО «УралТехГрупп»
ИНН: 7415093830
КПП: 772401001
ОГРН: 1167456069021
Банк: ПАО Сбербанк
Р/с: 40702810838000475273
К/с: 30101810400000000225
БИК: 044525225
У подшипника SL18-2924 пока нет отзывов. Вы можете стать первым покупателем, поделившимся своим мнением.