Поиск подшипника
Статьи
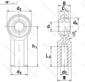
CFL12 — Однорядный цилиндрический роликовый подшипник, основное исполнение, выпускается производителями: FK, SKF.
Размер подшипника: 38x82x19 мм.
Альтернативное обозначение: LRJA1.1/2, RL13L.
Международная стандартизации ISO
CFL12
В наличии
| Обозначение | Конструктивные изменения |
|---|---|
| CFL12-M12 | Однорядный цилиндрический роликовый подшипник. |
Модификации цилиндрического роликового подшипника CFL12 — это измененное основное конструктивное исполнение CFL12, основные размеры (38x82x19) не отличаются.
| Обозначение | Гост | Конструктивные особенности |
|---|---|---|
| CRL12 | ISO | Однорядный цилиндрический роликовый подшипник. |
| LRJA1.1/2 | ISO | ISO Tolerance Class ABEC.9. Number Of Carriages Per Rail Track. |
| LRJA1.1/2DESA | ISO | Конструкция А. |
| CRL12/C2 | ISO | Внутренний зазор подшипника меньше нормального. |
| LRJ1.1/2 | ISO | ISO Tolerance Class ABEC.9. Number Of Carriages Per Rail Track. |
| LRJ1.1/2J | ISO | Однорядный цилиндрический роликовый подшипник. |
| RLS13C3 | ISO | Внутренний зазор больше нормального. |
| CRL12A | ISO | Цилиндрический роликоподшипник. С углом фланца 1 градус 40 минут. Сферические роликовые наконечники. |
| LRJA1.1/2 JCN | ISO | Прессованный стальной сепаратор. Нормальный уровень радиального внутреннего зазора (не маркируется). |
| LLRJ1.1/2 | ISO | ISO Tolerance Class ABEC.9. Number Of Carriages Per Rail Track. |
| LRJ1.1/2DESA | ISO | Конструкция А. |
| RLS13V3 | ISO | Радиальный зазор больше стандартного. |
| LRJA1.1/2C3 | ISO | Внутренний зазор больше нормального. |
| RLS13V2M | ISO | Механически обработанный латунный сепаратор .Расположенный на элементах качения. |
| LRJA1.1/2M | ISO | Однорядный цилиндрический роликовый подшипник. |
| LRJA1.1/2CNS | ISO | Специальная термическая обработка. Нормальный уровень радиального внутреннего зазора (не маркируется). |
| LRJA1.1/2 JCNS | ISO | Специальная термическая обработка. Прессованный стальной сепаратор. Нормальный уровень радиального внутреннего зазора (не маркируется). |
| PAPV12 | ISO | Однорядный цилиндрический роликовый подшипник. |
| LRJ1.1/2-C3 | ISO | Внутренний зазор больше нормального. |
Аналог цилиндрического роликового подшипника CFL12 — это подшипник такого же размера dx38,Dx82,Bx19, типа и конструкции.
| Обозначение | Конструктивные особенности | Внутренний (d) | Наружный (D) | Ширина (B) |
|---|---|---|---|---|
| RLS12-2RS1 | Подшипник однорядный шариковый радиальный. Усиленные листовой сталью контактные уплотнения из акрилонитрил-бутадиенового каучука (NBR) с обеих сторон подшипника. | 38.10 | 82.55 | 19.05 |
| LJ1.1/2-C3 | Подшипник однорядный шариковый радиальный. Внутренний зазор больше нормального. | 38.10 | 82.55 | 19.05 |
| LJ1.1/2-2RSJ C3 | Подшипник однорядный шариковый радиальный. Внутренний зазор больше нормального. Резиновые уплотнения с каждой стороны подшипника. | 38.10 | 82.55 | 19.05 |
| LJ1.1/2J C4 | Подшипник однорядный шариковый радиальный. Внутренний зазор подшипника больше. чем C3. Прессованный стальной сепаратор. | 38.10 | 82.55 | 19.05 |
| LJ1.1/2J NR | Подшипник однорядный шариковый радиальный. Прессованный стальной сепаратор. Канавка под стопорное кольцо на наружном кольце с соответствующим стопорным кольцом. | 38.10 | 82.55 | 19.05 |
| LJ1.1/2Z | Подшипник однорядный шариковый радиальный. Защитные металлические шайбы с обеих сторон подшипника. Number Of Carriages Per Rail Track. | 38.10 | 82.55 | 19.05 |
| LS13.C3 | Подшипник однорядный шариковый радиальный. Внутренний зазор больше нормального. | 38.10 | 82.55 | 19.05 |
| LJ1.1/2-2RS | Подшипник однорядный шариковый радиальный. Резиновые уплотнения с каждой стороны подшипника. | 38.10 | 82.55 | 19.05 |
| LS13VJ | Подшипник однорядный шариковый радиальный. Стальной сепаратор из 2 частей - пальцевый тип. | 38.10 | 82.55 | 19.05 |
| LS13ZZ | Подшипник однорядный шариковый радиальный. Защитные металлические шайбы с обеих сторон. | 38.10 | 82.55 | 19.05 |
| LJ1.1/2-2Z | Шариковый радиальный однорядный подшипник. Защитные металлические шайбы с обеих сторон подшипника. ISO Tolerance Class ABEC.9. Number Of Carriages Per Rail Track. | 38.10 | 82.55 | 19.05 |
| LJ1.1/2-RS | Шариковый радиальный однорядный подшипник. Резиновое уплотнение с одной стороны. ISO Tolerance Class ABEC.9. Number Of Carriages Per Rail Track. | 38.10 | 82.55 | 19.05 |
| LJ1.1/2-N | Шариковый радиальный однорядный подшипник. Канавка под стопорное кольцо на внешнем кольце. ISO Tolerance Class ABEC.9. Number Of Carriages Per Rail Track. | 38.10 | 82.55 | 19.05 |
| LJ1.1/2-NR | Шариковый радиальный однорядный подшипник. Канавка под стопорное кольцо на наружном кольце с соответствующим стопорным кольцом. ISO Tolerance Class ABEC.9. Number Of Carriages Per Rail Track. | 38.10 | 82.55 | 19.05 |
| SRLS12-2RS | Шариковый радиальный однорядный подшипник. Резиновые уплотнения с каждой стороны подшипника. | 38.10 | 82.55 | 19.05 |
Способы доставки
Отправка через ведущие транспортные и курьерские компании: ПЭК, Деловые Линии, СДЭК, Байкал-Сервис, Энергия, КИТ, ЖелДорЭкспедиция.
Самовывоз возможен напрямую со склада в Москве.
Сроки доставки
Срок зависит от региона и выбранной транспортной компании. Все заказы комплектуются и отправляются в кратчайшие сроки со склада в Москве.
Надёжность и сохранность
Вся продукция упаковывается с учётом требований транспортировки. Мы гарантируем, что подшипники и комплектующие прибудут к заказчику в полной сохранности.
Доставка в страны ЕАЭС
Мы работаем с проверенными логистическими партнёрами, что позволяет оперативно доставлять заказы в Беларусь, Казахстан, Армению и другие страны ЕАЭС.
Варианты оплаты:
Минимальная сумма заказа и скидки:
Документы и гарантии:
Да, конечно! Наши технические специалисты готовы помочь вам с подбором точного аналога или замены подшипника. Просто позвоните нам по телефону +7 (495) 104-99-04 или напишите на почту zakaz@podsnab.ru.
Для оперативной консультации подготовьте, пожалуйста, имеющиеся данные: маркировку, размеры, тип оборудования или артикул старого подшипника.
Да, конечно! Мы высоко ценим долгосрочное сотрудничество и доверие клиентов по всей России. Для постоянных клиентов действует персональная система скидок.
Условия формируются индивидуально и зависят от:
Чтобы узнать свои условия и получить максимально выгодное предложение, свяжитесь с персональным менеджером или напишите нам на почту zakaz@podsnab.ru.
Вы можете оформить заказ несколькими способами:
Для оформления заказа от юридического лица свяжитесь с нашим отделом по работе с корпоративными клиентами по телефону +7 (495) 104-99-04 или напишите на email zakaz@podsnab.ru, прикрепив реквизиты вашей организации.
Мы оперативно подготовим коммерческое предложение и выставим счет.
Возврат товара надлежащего качества возможен в течение 10 дней с момента получения, если товар не был в употреблении, сохранен товарный вид, упаковка не вскрывалась и присутствуют все сопроводительные документы.
Возврат денежных средств осуществляется в течение 10 рабочих дней после проверки товара складом.
В соответствии с законодательством возврату не подлежат подшипники надлежащего качества, если отсутствует оригинальная упаковка или имеются следы монтажа.
В случае выявления брака или гарантийного случая мы гарантируем возврат или обмен товара.
Да, гарантийный срок хранения устанавливается заводом-изготовителем и в среднем составляет 2 года при соблюдении условий хранения: сухое помещение, оригинальная упаковка и смазка.
Точный срок для конкретного типа подшипника уточняйте у наших менеджеров.
Пн–Пт: с 8:00 до 17:00 (МСК).
Сб–Вс: выходные дни.
Заказы на сайте принимаются круглосуточно. Заявки, поступившие после окончания рабочего дня, обрабатываются на следующий рабочий день.
Минимальная сумма заказа для доставки составляет 3000 рублей. Самовывоз со склада возможен на любую сумму при наличии товара.
ООО «УралТехГрупп»
ИНН: 7415093830
КПП: 772401001
ОГРН: 1167456069021
Банк: ПАО Сбербанк
Р/с: 40702810838000475273
К/с: 30101810400000000225
БИК: 044525225
У подшипника CFL12 пока нет отзывов. Вы можете стать первым покупателем, поделившимся своим мнением.