Поиск подшипника
Статьи
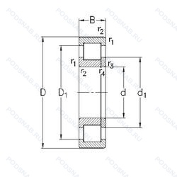
NUP415M — однорядный цилиндрический роликовый подшипник, модификация основного исполнения NUP415, выпускается производителями: NKE, STEYR.
Размер подшипника: 75x190x45 мм.
Однорядный цилиндрический роликоподшипник. Наружное кольцо имеет два борта, внутреннее — один борт и одно свободное фланцевое кольцо. Основные размеры по DIN 5412-1, относится к подтипу фиксированные подшипники, разъемные, с сепаратором, механически обработанный латунный сепаратор .расположенный на элементах качения.
Международная стандартизации ISO
NUP415M
В наличии
| Обозначение | Конструктивные изменения |
|---|---|
| NUP415M NA | Подшипник с латунным сепаратором. центрированный по телам качения. Радиальный зазор для подшипников с невзаимозаменяемыми кольцами (Обозначает всегда после символа радиального зазора. например. NU215P63 NA). |
| NUP415M C3 | Внутренний зазор больше нормального. Механически обработанный латунный сепаратор .Расположенный на элементах качения. |
| NUP415 | Сталь сквозной закалки SUJ2 (японская) и взаимозаменяемость (только для метрических серий). Канавка под стопорное кольцо на наружном кольце подшипника. Класс точности 4. Точность размеров примерно соответствует классу точности Р4. Однорядный цилиндрический роликовый подшипник. Наружное кольцо имеет два борта. Основное конструктивное исполнение. |
| NUP415-XL-M1A-C4 | Внутренний зазор подшипника больше. чем C3. Серия X-Life премиум-класс. увеличиный срок службы. Массивный латунный сепаратор. двухтельный. центрированный по бортам. |
| NUP415.C3 | Внутренний зазор больше нормального. |
| NUP415EM | Стандартный фланцевый ( с резьбой и сквозным отверстием). |
| NUP415M/C4 | Внутренний зазор подшипника больше. чем C3. Механически обработанный латунный сепаратор. клёпаный. центрируемый по роликам. |
| NUP415M1A.C4 | Внутренний зазор подшипника больше. чем C3. Массивный латунный сепаратор. двухтельный. центрированный по бортам. |
Модификации цилиндрического роликового подшипника NUP415M — это измененное основное конструктивное исполнение NUP415, основные размеры (75x190x45) не отличаются.
| Обозначение | Гост | Конструктивные особенности |
|---|---|---|
| NJ415W C3 | ISO | Внутренний зазор больше нормального. Цельный прессованный сепаратор. |
| NU415M/C3WM044 | ISO | Внутренний зазор больше нормального. Механически обработанный латунный сепаратор. клёпаный. центрируемый по роликам. Отклонение от стандартной конструкции. дополнительные обозначения не распространяются. |
| NJ415-XL-M1 | ISO | Серия X-Life премиум-класс. увеличиный срок службы. Механически обработанный латунный сепаратор. вращающийся элемент качения (крестовина на заклепках). |
| NU415W C3 | ISO | Внутренний зазор больше нормального. Цельный прессованный сепаратор. |
| N415M1 | ISO | Механически обработанный латунный сепаратор. вращающийся элемент качения (крестовина на заклепках). |
| NJ415M.C5 | ISO | Механически обработанный латунный сепаратор .Расположенный на элементах качения. Внутренний зазор подшипника больше. чем С4. |
| N415-M1-C3 | ISO | Внутренний зазор больше нормального. Механически обработанный латунный сепаратор. вращающийся элемент качения (крестовина на заклепках). |
| NJ415C3 | ISO | Внутренний зазор больше нормального. |
| NJ415FY | ISO | Обработанный латунный сепаратор. |
| NJ415E | ISO | Повышенная грузоподъемность. |
| NJ415.M1 | ISO | Механически обработанный латунный сепаратор. вращающийся элемент качения (крестовина на заклепках). |
| NJ415-XL-M1-C4 | ISO | Внутренний зазор подшипника больше. чем C3. Серия X-Life премиум-класс. увеличиный срок службы. Механически обработанный латунный сепаратор. вращающийся элемент качения (крестовина на заклепках). |
| N415M.C3 | ISO | Внутренний зазор больше нормального. Механически обработанный латунный сепаратор .Расположенный на элементах качения. |
| NJ415W C4 | ISO | Внутренний зазор подшипника больше. чем C3. Сепаратор из стали. |
| NU415M1 | ISO | Механически обработанный латунный сепаратор. вращающийся элемент качения (крестовина на заклепках). |
| NU415M1.C3 | ISO | Внутренний зазор больше нормального. Механически обработанный латунный сепаратор. вращающийся элемент качения (крестовина на заклепках). |
| NJ415B NA | ISO | Конический роликовый подшипник. Угол контакта 20 градусов. Радиальный зазор для подшипников с невзаимозаменяемыми кольцами (Обозначает всегда после символа радиального зазора. например. NU215P63 NA). |
| NF415M | ISO | Механически обработанный латунный сепаратор .Расположенный на элементах качения. |
| NU415-XL-M1A-C4 | ISO | Внутренний зазор подшипника больше. чем C3. Серия X-Life премиум-класс. увеличиный срок службы. Массивный латунный сепаратор. двухтельный. центрированный по бортам. |
| NJ415-M1-C3 | ISO | Внутренний зазор больше нормального. Механически обработанный латунный сепаратор. вращающийся элемент качения (крестовина на заклепках). |
Аналог цилиндрического роликового подшипника NUP415M — это подшипник такого же размера dx75,Dx190,Bx45, типа и конструкции.
| Обозначение | Конструктивные особенности | Внутренний (d) | Наружный (D) | Ширина (B) |
|---|---|---|---|---|
| 7415WN | Шариковый радиально-упорный однорядный подшипник. Sizes 7201K Through 7203WN Have A 20° Угол контакта And A Nylon Cage. Sizes 7204WN through 7218WN have a 40° Угол контакта And A One-Piece. Ball Piloted. Pressed Brass Cage. Larger Sizes 7219WN Through 7230WN Have A 40° Угол контакта And A One-Piece. Outer Ring Piloted High-Strength Machined Bronze Cage. | 75.00 | 190.00 | 45.00 |
| 7415B | Шариковый радиально-упорный однорядный подшипник. Угол контакта 40 градусов. | 75.00 | 190.00 | 45.00 |
| 7415 A | Шариковый радиально-упорный однорядный подшипник. Двухрядный радиально-упорный шарикоподшипник без отверстия для смазки. | 75.00 | 190.00 | 45.00 |
| 50415-А | Шариковый радиальный однорядный подшипник. Повышенная грузоподъемность. | 75.00 | 190.00 | 45.00 |
| 6-415 АШ1 | Шариковый радиальный однорядный подшипник. Повышенная грузоподъемность. Нормы шумности. | 75.00 | 190.00 | 45.00 |
| 6-415 АШ | Шариковый радиальный однорядный подшипник. Повышенная грузоподъемность. Нормы шумности. | 75.00 | 190.00 | 45.00 |
| 62415-М | Роликовый радиальный подшипник. Модифицированный контакт.. | 75.00 | 190.00 | 45.00 |
| 70-42415 КМ | Роликовый радиальный однорядный подшипник. Кольцевая проточка на середине цилиндрической наружной поверхности наружного кольца плюс три отверстия для смазки. Модифицированный контакт.. | 75.00 | 190.00 | 45.00 |
| 70-42415 ЛМ | Роликовый радиальный однорядный подшипник. Сепаратор из латуни.. Модифицированный контакт.. | 75.00 | 190.00 | 45.00 |
| 70-42415 М | Роликовый радиальный однорядный подшипник. Модифицированный контакт.. | 75.00 | 190.00 | 45.00 |
| 78-42415 КМ | Роликовый радиальный однорядный подшипник. Модифицированный контакт.. | 75.00 | 190.00 | 45.00 |
| 415-А | Шариковый радиальный однорядный подшипник. Повышенная грузоподъемность. | 75.00 | 190.00 | 45.00 |
| 42415-КМ | Роликовый радиальный однорядный подшипник. Кольцевая проточка на середине цилиндрической наружной поверхности наружного кольца плюс три отверстия для смазки. Модифицированный контакт.. | 75.00 | 190.00 | 45.00 |
| 42415-М | Роликовый радиальный однорядный подшипник. Модифицированный контакт.. | 75.00 | 190.00 | 45.00 |
| 42415KM | Роликовый радиальный однорядный подшипник. Type Of Model. | 75.00 | 190.00 | 45.00 |
Способы доставки
Отправка через ведущие транспортные и курьерские компании: ПЭК, Деловые Линии, СДЭК, Байкал-Сервис, Энергия, КИТ, ЖелДорЭкспедиция.
Самовывоз возможен напрямую со склада в Москве.
Сроки доставки
Срок зависит от региона и выбранной транспортной компании. Все заказы комплектуются и отправляются в кратчайшие сроки со склада в Москве.
Надёжность и сохранность
Вся продукция упаковывается с учётом требований транспортировки. Мы гарантируем, что подшипники и комплектующие прибудут к заказчику в полной сохранности.
Доставка в страны ЕАЭС
Мы работаем с проверенными логистическими партнёрами, что позволяет оперативно доставлять заказы в Беларусь, Казахстан, Армению и другие страны ЕАЭС.
Варианты оплаты:
Минимальная сумма заказа и скидки:
Документы и гарантии:
Да, конечно! Наши технические специалисты готовы помочь вам с подбором точного аналога или замены подшипника. Просто позвоните нам по телефону +7 (495) 104-99-04 или напишите на почту zakaz@podsnab.ru.
Для оперативной консультации подготовьте, пожалуйста, имеющиеся данные: маркировку, размеры, тип оборудования или артикул старого подшипника.
Да, конечно! Мы высоко ценим долгосрочное сотрудничество и доверие клиентов по всей России. Для постоянных клиентов действует персональная система скидок.
Условия формируются индивидуально и зависят от:
Чтобы узнать свои условия и получить максимально выгодное предложение, свяжитесь с персональным менеджером или напишите нам на почту zakaz@podsnab.ru.
Вы можете оформить заказ несколькими способами:
Для оформления заказа от юридического лица свяжитесь с нашим отделом по работе с корпоративными клиентами по телефону +7 (495) 104-99-04 или напишите на email zakaz@podsnab.ru, прикрепив реквизиты вашей организации.
Мы оперативно подготовим коммерческое предложение и выставим счет.
Возврат товара надлежащего качества возможен в течение 10 дней с момента получения, если товар не был в употреблении, сохранен товарный вид, упаковка не вскрывалась и присутствуют все сопроводительные документы.
Возврат денежных средств осуществляется в течение 10 рабочих дней после проверки товара складом.
В соответствии с законодательством возврату не подлежат подшипники надлежащего качества, если отсутствует оригинальная упаковка или имеются следы монтажа.
В случае выявления брака или гарантийного случая мы гарантируем возврат или обмен товара.
Да, гарантийный срок хранения устанавливается заводом-изготовителем и в среднем составляет 2 года при соблюдении условий хранения: сухое помещение, оригинальная упаковка и смазка.
Точный срок для конкретного типа подшипника уточняйте у наших менеджеров.
Пн–Пт: с 8:00 до 17:00 (МСК).
Сб–Вс: выходные дни.
Заказы на сайте принимаются круглосуточно. Заявки, поступившие после окончания рабочего дня, обрабатываются на следующий рабочий день.
Минимальная сумма заказа для доставки составляет 3000 рублей. Самовывоз со склада возможен на любую сумму при наличии товара.
ООО «УралТехГрупп»
ИНН: 7415093830
КПП: 772401001
ОГРН: 1167456069021
Банк: ПАО Сбербанк
Р/с: 40702810838000475273
К/с: 30101810400000000225
БИК: 044525225
У подшипника NUP415M пока нет отзывов. Вы можете стать первым покупателем, поделившимся своим мнением.