Поиск подшипника
Статьи
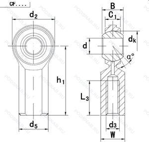
CFL10 — Однорядный цилиндрический роликовый подшипник, основное исполнение, производство SKF.
Размер подшипника: 31x69x17 мм.
Альтернативное обозначение: LRJA1.1/4, RL12L, RLS12L.
Аналоги: LRJA1.1/4J RHP,LRJA1.1/4 NKE.
Международная стандартизации ISO
CFL10
В наличии
| Обозначение | Конструктивные изменения |
|---|---|
| CFL10T | Textile Laminated Phenolic Resin. Outer Ring Guided. The Cage Is Suitable For Long-Term Operation At Temperatures Up To 100°C. |
| CFL10A | Цилиндрический роликоподшипник. С углом фланца 1 градус 40 минут. Сферические роликовые наконечники. |
Модификации цилиндрического роликового подшипника CFL10 — это измененное основное конструктивное исполнение CFL10, основные размеры (31x69x17) не отличаются.
| Обозначение | Гост | Конструктивные особенности |
|---|---|---|
| LRJA1.1/4 | ISO | Number Of Carriages Per Rail Track. Подшипник с чрезвычайно высокой точностью вращения (Abec9) и допуском формы (Abec7). |
| LRJ1.1/4 | ISO | Number Of Carriages Per Rail Track. Подшипник с чрезвычайно высокой точностью вращения (Abec9) и допуском формы (Abec7). |
| RLS12V3 | ISO | Радиальный зазор больше стандартного. |
| NL10TGP | ISO | Формованный полиамидный сепаратор оконного типа. Роликовые тела качения. |
| LRJA1.1/4J | ISO | Прессованный стальной сепаратор. |
| LRJ1.1/4DESA | ISO | Конструкция А. |
| LRJ1.1/4JCNS | ISO | Специальная термическая обработка. Прессованный стальной сепаратор. Нормальный уровень радиального внутреннего зазора (не маркируется). |
| RLS12M | ISO | Подшипник с латунным сепаратором. центрированный по телам качения. |
| CRL10/C2 | ISO | Внутренний зазор подшипника меньше нормального. |
| CRL10A | ISO | Цилиндрический роликоподшипник. С углом фланца 1 градус 40 минут. Сферические роликовые наконечники. |
| 30RT06S3NR A | ISO | Канавка под стопорное кольцо на наружном кольце с соответствующим стопорным кольцом. |
| LRJA1M | ISO | Механически обработанный латунный сепаратор .Расположенный на элементах качения. |
| RLS12C6 | ISO | Уровень шума ниже нормы (бесшумная работа). |
| LLRJN1.1/4J | ISO | Прессованный стальной сепаратор. Number Of Carriages Per Rail Track. |
| LLRJ1.1/4MB | ISO | Однокомпонентное внутреннее кольцо с центрированным сепаратором из механически обработанной латуни. |
| LRJ1.1/4JCN | ISO | Прессованный стальной сепаратор. Нормальный уровень радиального внутреннего зазора (не маркируется). |
| LLRJ1.1/4 | ISO | Number Of Carriages Per Rail Track. Подшипник с чрезвычайно высокой точностью вращения (Abec9) и допуском формы (Abec7). |
| 30RT06S3NR-AC3 | ISO | Внутренний зазор больше нормального. Канавка под стопорное кольцо на наружном кольце с соответствующим стопорным кольцом. |
| RL12 V3M | ISO | Механически обработанный латунный сепаратор .Расположенный на элементах качения. |
| RL12L | ISO | Одно механическое уплотнение. |
Аналог цилиндрического роликового подшипника CFL10 — это подшипник такого же размера dx31,Dx69,Bx17, типа и конструкции.
| Обозначение | Конструктивные особенности | Внутренний (d) | Наружный (D) | Ширина (B) |
|---|---|---|---|---|
| 30BC07S7N1 | Подшипник однорядный шариковый радиальный. Snapring Groove. | 30.00 | 68.00 | 16.00 |
| LJ1.1/4C4 | Подшипник однорядный шариковый радиальный. Внутренний зазор подшипника больше. чем C3. Number Of Carriages Per Rail Track. | 31.75 | 69.85 | 16.00 |
| QJL1.1/4 | Подшипник шариковый с четырехточечным контактом. Number Of Carriages Per Rail Track. Подшипник с чрезвычайно высокой точностью вращения (Abec9) и допуском формы (Abec7). | 31.75 | 69.85 | 17.46 |
| LJ1.1/4JC4 | Подшипник однорядный шариковый радиальный. Number Of Carriages Per Rail Track. | 31.75 | 69.85 | 16.00 |
| RLS10 C3 | Подшипник однорядный шариковый радиальный. Внутренний зазор больше нормального. | 31.75 | 69.85 | 16.00 |
| LJT1.1/4=14 | Шариковый радиально-упорный однорядный подшипник. Number Of Carriages Per Rail Track. Distance In MM From Beginning Of The Rail Till The First Hole. Подшипник с чрезвычайно высокой точностью вращения (Abec9) и допуском формы (Abec7). | 31.70 | 69.80 | 17.40 |
| DG3268B-9TCS20 | Шариковый радиальный однорядный подшипник. Угол контакта 20 градусов. Конический роликовый подшипник. Угол контакта 20 градусов. | 32.00 | 68.00 | 16.00 |
| B30-141NC3 | Шариковый радиальный однорядный подшипник. Подшипник со специальными размерами. | 30.00 | 68.00 | 16.00 |
| F-805728.TR1 | Роликовый радиальный-упорный однорядный подшипник. Однорядный конический роликоподшипник. | 30.00 | 68.00 | 16.40 |
| LJ1.1/4-RS | Шариковый радиальный однорядный подшипник. Резиновое уплотнение с одной стороны. Number Of Carriages Per Rail Track. Подшипник с чрезвычайно высокой точностью вращения (Abec9) и допуском формы (Abec7). | 31.75 | 69.85 | 17.46 |
| LJ1.1/4-Z | Шариковый радиальный однорядный подшипник. щит из листовой прессованной стали с одной стороны подшипника. Number Of Carriages Per Rail Track. Подшипник с чрезвычайно высокой точностью вращения (Abec9) и допуском формы (Abec7). | 31.75 | 69.85 | 17.46 |
| LJ1.1/4-N | Шариковый радиальный однорядный подшипник. Канавка под стопорное кольцо на внешнем кольце. Number Of Carriages Per Rail Track. Подшипник с чрезвычайно высокой точностью вращения (Abec9) и допуском формы (Abec7). | 31.75 | 69.85 | 17.46 |
| AB12029 | Шариковый радиальный однорядный подшипник. Однорядный радиально-упорный шариковый подшипник с полиамидным сепаратором. | 32.00 | 68.00 | 17.00 |
| SRLS10-2RS | Шариковый радиальный однорядный подшипник. Резиновые уплотнения с каждой стороны подшипника. | 31.75 | 69.85 | 17.46 |
| F-96212.1 | Шариковый упорный однорядный подшипник. Number Of Carriages Per Rail Track. | 31.00 | 68.00 | 16.20 |
Способы доставки
Отправка через ведущие транспортные и курьерские компании: ПЭК, Деловые Линии, СДЭК, Байкал-Сервис, Энергия, КИТ, ЖелДорЭкспедиция.
Самовывоз возможен напрямую со склада в Москве.
Сроки доставки
Срок зависит от региона и выбранной транспортной компании. Все заказы комплектуются и отправляются в кратчайшие сроки со склада в Москве.
Надёжность и сохранность
Вся продукция упаковывается с учётом требований транспортировки. Мы гарантируем, что подшипники и комплектующие прибудут к заказчику в полной сохранности.
Доставка в страны ЕАЭС
Мы работаем с проверенными логистическими партнёрами, что позволяет оперативно доставлять заказы в Беларусь, Казахстан, Армению и другие страны ЕАЭС.
Варианты оплаты:
Минимальная сумма заказа и скидки:
Документы и гарантии:
Да, конечно! Наши технические специалисты готовы помочь вам с подбором точного аналога или замены подшипника. Просто позвоните нам по телефону +7 (495) 104-99-04 или напишите на почту zakaz@podsnab.ru.
Для оперативной консультации подготовьте, пожалуйста, имеющиеся данные: маркировку, размеры, тип оборудования или артикул старого подшипника.
Да, конечно! Мы высоко ценим долгосрочное сотрудничество и доверие клиентов по всей России. Для постоянных клиентов действует персональная система скидок.
Условия формируются индивидуально и зависят от:
Чтобы узнать свои условия и получить максимально выгодное предложение, свяжитесь с персональным менеджером или напишите нам на почту zakaz@podsnab.ru.
Вы можете оформить заказ несколькими способами:
Для оформления заказа от юридического лица свяжитесь с нашим отделом по работе с корпоративными клиентами по телефону +7 (495) 104-99-04 или напишите на email zakaz@podsnab.ru, прикрепив реквизиты вашей организации.
Мы оперативно подготовим коммерческое предложение и выставим счет.
Возврат товара надлежащего качества возможен в течение 10 дней с момента получения, если товар не был в употреблении, сохранен товарный вид, упаковка не вскрывалась и присутствуют все сопроводительные документы.
Возврат денежных средств осуществляется в течение 10 рабочих дней после проверки товара складом.
В соответствии с законодательством возврату не подлежат подшипники надлежащего качества, если отсутствует оригинальная упаковка или имеются следы монтажа.
В случае выявления брака или гарантийного случая мы гарантируем возврат или обмен товара.
Да, гарантийный срок хранения устанавливается заводом-изготовителем и в среднем составляет 2 года при соблюдении условий хранения: сухое помещение, оригинальная упаковка и смазка.
Точный срок для конкретного типа подшипника уточняйте у наших менеджеров.
Пн–Пт: с 8:00 до 17:00 (МСК).
Сб–Вс: выходные дни.
Заказы на сайте принимаются круглосуточно. Заявки, поступившие после окончания рабочего дня, обрабатываются на следующий рабочий день.
Минимальная сумма заказа для доставки составляет 3000 рублей. Самовывоз со склада возможен на любую сумму при наличии товара.
ООО «УралТехГрупп»
ИНН: 7415093830
КПП: 772401001
ОГРН: 1167456069021
Банк: ПАО Сбербанк
Р/с: 40702810838000475273
К/с: 30101810400000000225
БИК: 044525225
У подшипника CFL10 пока нет отзывов. Вы можете стать первым покупателем, поделившимся своим мнением.