Поиск подшипника
Статьи
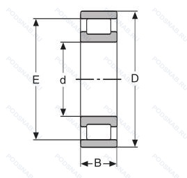
N404 — Однорядный цилиндрический роликовый подшипник, основное исполнение, выпускается производителями: FAG, RIV, SKF.
Размер подшипника: 20x72x19 мм.
Однорядный цилиндрический роликоподшипник. Внутреннее кольцо подшипника имеет два борта, наружное — без бортов.
Аналоги: R520 Hoffmann.
Международная стандартизации ISO
N404
В наличии
| Обозначение | Конструктивные изменения |
|---|---|
| N404M | Подшипник с латунным сепаратором. центрированный по телам качения. |
Модификации цилиндрического роликового подшипника N404 — это измененное основное конструктивное исполнение N404, основные размеры (20x72x19) не отличаются.
| Обозначение | Гост | Конструктивные особенности |
|---|---|---|
| R520 | ISO | Однорядный цилиндрический роликовый подшипник. |
Аналог цилиндрического роликового подшипника N404 — это подшипник такого же размера dx20,Dx72,Bx19, типа и конструкции.
| Обозначение | Конструктивные особенности | Внутренний (d) | Наружный (D) | Ширина (B) |
|---|---|---|---|---|
| 6404.2ZR | Подшипник однорядный шариковый радиальный. Защитные металлические шайбы с обеих сторон. | 20.00 | 72.00 | 19.00 |
| 6404.2ZR.C3 | Подшипник однорядный шариковый радиальный. Внутренний зазор больше нормального. Защитные металлические шайбы с обеих сторон. | 20.00 | 72.00 | 19.00 |
| 6404AZZ | Подшипник однорядный шариковый радиальный. Однорядный радиальный шарикоподшипник с двумя уплотнениями. | 20.00 | 72.00 | 19.00 |
| 7404MB | Подшипник шариковый однорядный радиально-упорный. Цельное внутреннее кольцо. Центрированный обработанный латунный сепаратор. | 20.00 | 72.00 | 19.00 |
| 6404-2Z | Подшипник однорядный шариковый радиальный. Защитные металлические шайбы с обеих сторон. | 20.00 | 72.00 | 19.00 |
| 6404-2RS1/C3 | Подшипник однорядный шариковый радиальный. Внутренний зазор больше нормального. Усиленные листовой сталью контактные уплотнения из акрилонитрил-бутадиенового каучука (NBR) с обеих сторон подшипника. | 20.00 | 72.00 | 19.00 |
| 404M | Подшипник однорядный шариковый радиальный. Максимальная производительность. Канавка для ввода тел качения. | 20.00 | 72.00 | 19.00 |
| 6404ZZ P6 | Подшипник однорядный шариковый радиальный. Защитные металлические шайбы с обеих сторон. Размерные и геометрические допуски соответствуют классу точности P6. | 20.00 | 72.00 | 19.00 |
| 7404B | Подшипник шариковый однорядный радиально-упорный. 40° Угол контакта. | 20.00 | 72.00 | 19.00 |
| 404S | Подшипник однорядный шариковый радиальный. Single Row Radial Conrad-Type Bearings. | 20.00 | 72.00 | 19.00 |
| 6404ZZ/2A | Подшипник однорядный шариковый радиальный. Защитные металлические шайбы с обеих сторон. Lubricant. Shell Oil Co.. Alvania #2 Grease. Mil-G-18709A. | 20.00 | 72.00 | 19.00 |
| 6404Y | Подшипник однорядный шариковый радиальный. Штампованный латунный сепаратор. Роликовый элемент центрирован. Различные конструкции или виды материалов обозначаются цифрой после буквы Y. Например. Y1. | 20.00 | 72.00 | 19.00 |
| 6404AZZ AV2S | Подшипник однорядный шариковый радиальный. Lubricant. Shell Oil Co.. Alvania #2 Grease. 1/4 Full. Temperature Range = -10°C / + 110°C (Normal Temperature Grease). Однорядный радиальный шарикоподшипник с двумя уплотнениями. | 20.00 | 72.00 | 19.00 |
| 7404 A | Шариковый радиально-упорный однорядный подшипник. Двухрядный радиально-упорный шарикоподшипник без отверстия для смазки. | 20.00 | 72.00 | 19.00 |
| 6404Z | Шариковый радиальный однорядный подшипник. Стальная шайба. | 20.00 | 72.00 | 19.00 |
Способы доставки
Отправка через ведущие транспортные и курьерские компании: ПЭК, Деловые Линии, СДЭК, Байкал-Сервис, Энергия, КИТ, ЖелДорЭкспедиция.
Самовывоз возможен напрямую со склада в Москве.
Сроки доставки
Срок зависит от региона и выбранной транспортной компании. Все заказы комплектуются и отправляются в кратчайшие сроки со склада в Москве.
Надёжность и сохранность
Вся продукция упаковывается с учётом требований транспортировки. Мы гарантируем, что подшипники и комплектующие прибудут к заказчику в полной сохранности.
Доставка в страны ЕАЭС
Мы работаем с проверенными логистическими партнёрами, что позволяет оперативно доставлять заказы в Беларусь, Казахстан, Армению и другие страны ЕАЭС.
Варианты оплаты:
Минимальная сумма заказа и скидки:
Документы и гарантии:
Да, конечно! Наши технические специалисты готовы помочь вам с подбором точного аналога или замены подшипника. Просто позвоните нам по телефону +7 (495) 104-99-04 или напишите на почту zakaz@podsnab.ru.
Для оперативной консультации подготовьте, пожалуйста, имеющиеся данные: маркировку, размеры, тип оборудования или артикул старого подшипника.
Да, конечно! Мы высоко ценим долгосрочное сотрудничество и доверие клиентов по всей России. Для постоянных клиентов действует персональная система скидок.
Условия формируются индивидуально и зависят от:
Чтобы узнать свои условия и получить максимально выгодное предложение, свяжитесь с персональным менеджером или напишите нам на почту zakaz@podsnab.ru.
Вы можете оформить заказ несколькими способами:
Для оформления заказа от юридического лица свяжитесь с нашим отделом по работе с корпоративными клиентами по телефону +7 (495) 104-99-04 или напишите на email zakaz@podsnab.ru, прикрепив реквизиты вашей организации.
Мы оперативно подготовим коммерческое предложение и выставим счет.
Возврат товара надлежащего качества возможен в течение 10 дней с момента получения, если товар не был в употреблении, сохранен товарный вид, упаковка не вскрывалась и присутствуют все сопроводительные документы.
Возврат денежных средств осуществляется в течение 10 рабочих дней после проверки товара складом.
В соответствии с законодательством возврату не подлежат подшипники надлежащего качества, если отсутствует оригинальная упаковка или имеются следы монтажа.
В случае выявления брака или гарантийного случая мы гарантируем возврат или обмен товара.
Да, гарантийный срок хранения устанавливается заводом-изготовителем и в среднем составляет 2 года при соблюдении условий хранения: сухое помещение, оригинальная упаковка и смазка.
Точный срок для конкретного типа подшипника уточняйте у наших менеджеров.
Пн–Пт: с 8:00 до 17:00 (МСК).
Сб–Вс: выходные дни.
Заказы на сайте принимаются круглосуточно. Заявки, поступившие после окончания рабочего дня, обрабатываются на следующий рабочий день.
Минимальная сумма заказа для доставки составляет 3000 рублей. Самовывоз со склада возможен на любую сумму при наличии товара.
ООО «УралТехГрупп»
ИНН: 7415093830
КПП: 772401001
ОГРН: 1167456069021
Банк: ПАО Сбербанк
Р/с: 40702810838000475273
К/с: 30101810400000000225
БИК: 044525225
У подшипника N404 пока нет отзывов. Вы можете стать первым покупателем, поделившимся своим мнением.