Поиск подшипника
Статьи
N2210 — однорядный цилиндрический роликовый подшипник, основное исполнение, выпускается производителями: NEUTRAL, NTN, RIV, SIGMA.
Размер подшипника: 50x90x23 мм.
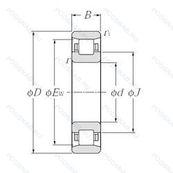
Однорядный цилиндрический роликоподшипник. Внутреннее кольцо подшипника имеет два борта, наружное — без бортов.
Международная стандартизации ISO
N2210
В наличии
| Обозначение | Конструктивные изменения |
|---|---|
| N2210E M6 | Цилиндрический роликовый подшипник c увеличенной грузоподъемностью. Цельный латунный сепаратор с роликовыми направляющими для цилиндрических роликоподшипников. |
| N2210E | Повышенная грузоподъемность. |
Модификации цилиндрического роликового подшипника N2210 — это измененное основное конструктивное исполнение N2210, основные размеры (50x90x23) не отличаются.
| Обозначение | Гост | Конструктивные особенности |
|---|---|---|
| NCF3010-V | ISO | Бессепараторный подшипник. Однорядный без сепараторный цилиндрический роликовый подшипник. Два борта на внутреннем кольце и один борт на наружном. |
| NCF3010V/C3 | ISO | Внутренний зазор больше нормального. Подшипник без сепаратора. С полным комплектом тел качения. |
| RNU2208ECJ | ISO | Два стальных сепаратора оконного типа. внутреннее кольцо без фланца. направляющее кольцо с усиленным роликом. |
| NCF3010CV | ISO | Полноразмерный цилиндрический роликоподшипник с модифицированной внутренней конструкцией. Однорядный без сепараторный цилиндрический роликовый подшипник. |
| RNU2208 | ISO | однорядный цилиндрический роликовый подшипник. |
| SL18-3010A C3 | ISO | Внутренний зазор больше нормального. Особенность внутренней конструкции. |
| RNU2208ECP | ISO | Оптимизированная внутренняя конструкция предусматривает увеличенное количество роликов и/или ролики большего размера с улучшенными условиями контакта торцов роликов с бортами внутреннего кольца. Сепаратор из стеклонаполненного полиамида PA66. центрируемый по роликам. |
| NCF3010/C4 | ISO | Внутренний зазор подшипника больше. чем C3. |
| SL18-3010 | ISO | однорядный цилиндрический роликовый подшипник. |
| R1040 | ISO | однорядный цилиндрический роликовый подшипник. |
| RNU2208-E-TVP2-C3 | ISO | Внутренний зазор больше нормального. Повышенная грузоподъемность. Cепаратор изготовленный из полиамида PA66. армированного стекловолокном. |
| NCF3010V/C3/VE900 | ISO | Внутренний зазор больше нормального. Полный комплект роликов (без сепаратора). Preliminary Standard Design. |
| RNU2208E.TVP2 | ISO | Повышенная грузоподъемность. Cепаратор изготовленный из полиамида PA66. армированного стекловолокном. |
| ZRL2331 | ISO | однорядный цилиндрический роликовый подшипник. |
| RNU2208-E-XL-TVP2 | ISO | Повышенная грузоподъемность. Серия X-Life премиум-класс. увеличиный срок службы. Cепаратор изготовленный из полиамида PA66. армированного стекловолокном. |
| RNU2208ETN | ISO | Цилиндрический роликовый подшипник. Дополнительная грузоподъемность с сепаратором из полиамида 6-6. |
| SL183010-A-XL | ISO | Особенность внутренней конструкции. Серия X-Life премиум-класс. увеличиный срок службы. |
| SL183010-A-XL-C3 | ISO | Внутренний зазор больше нормального. Особенность внутренней конструкции. Серия X-Life премиум-класс. увеличиный срок службы. |
| SL18-3010A | ISO | Особенность внутренней конструкции. |
| RNU2208ET | ISO | Сквозная закалка и шлифовка стали с переломом в одной точке. |
Аналог цилиндрического роликового подшипника N2210 — это подшипник такого же размера dx50,Dx90,Bx23, типа и конструкции.
| Обозначение | Конструктивные особенности | Внутренний (d) | Наружный (D) | Ширина (B) |
|---|---|---|---|---|
| NN3010K/W33 | Роликовый радиальный цилиндрический однорядный подшипник. Канавка для смазки и три отверстия во внешнем кольце подшипника. Коническое отверстие. Конусность 1/12. | 50.00 | 80.00 | 23.00 |
| NN3010/W33 | Роликовый радиальный однорядный подшипник. Канавка для смазки и три отверстия во внешнем кольце подшипника. | 50.00 | 80.00 | 23.00 |
| E33010J | Роликовый радиальный-упорный однорядный подшипник. Дорожки качения наружного кольца. угол контакта и ширина наружного кольца в соответствии с ISO. | 50.00 | 80.00 | 24.00 |
| HR33010J | Роликовый радиальный-упорный однорядный подшипник. Дорожки качения наружного кольца. угол контакта и ширина наружного кольца в соответствии с ISO. Для конических роликоподшипников и радиальных шарикоподшипников. | 50.00 | 80.00 | 24.00 |
| 4T-33010STPX1V1 | Роликовый радиальный-упорный конический однорядный подшипник. Цементованная сталь. | 50.00 | 80.00 | 24.00 |
| 129710-ЕС17 | Роликовый упорный одинарный подшипник. Смазка Литол-24. Сепаратор из текстолита.. | 50.00 | 80.50 | 22.80 |
| 129710-МС17 | Роликовый упорный одинарный подшипник. Смазка Литол-24. Модифицированный контакт.. | 50.00 | 80.00 | 22.00 |
| 129710Е | Роликовый упорный одинарный подшипник. Сепаратор из текстолита.. | 50.40 | 81.00 | 22.80 |
| F-226810.01.AR | Роликовый упорный однорядный подшипник. Design. Код формы шариковой направляющей. | 50.00 | 81.00 | 22.00 |
| BD50-8-A-T86NXC3 | Шариковый радиально-упорный двухрядный подшипник. Двухрядный радиально-упорный шарикоподшипник без отверстия для смазки. Средний предварительный натяг. | 50.00 | 80.00 | 23.80 |
| 33010F | Роликовый радиальный-упорный однорядный подшипник. Сепаратор из обработанной стали или специального чугуна. | 50.00 | 80.00 | 24.00 |
| HC STB5080LFT | Роликовый радиальный-упорный однорядный подшипник. Угол контакта 20 градусов. | 50.00 | 80.00 | 22.00 |
| 50TAG12 | Шариковый упорный однорядный подшипник. Только для тел качения. | 50.00 | 80.40 | 23.20 |
| 5-3182110 Е | Роликовый радиальный двухрядный подшипник. Сепаратор из текстолита.. | 50.00 | 80.00 | 23.00 |
| 5-3182110 Л | Роликовый радиальный двухрядный подшипник. Сепаратор из латуни.. | 50.00 | 80.00 | 23.00 |
Способы доставки
Отправка через ведущие транспортные и курьерские компании: ПЭК, Деловые Линии, СДЭК, Байкал-Сервис, Энергия, КИТ, ЖелДорЭкспедиция.
Самовывоз возможен напрямую со склада в Москве.
Сроки доставки
Срок зависит от региона и выбранной транспортной компании. Все заказы комплектуются и отправляются в кратчайшие сроки со склада в Москве.
Надёжность и сохранность
Вся продукция упаковывается с учётом требований транспортировки. Мы гарантируем, что подшипники и комплектующие прибудут к заказчику в полной сохранности.
Доставка в страны ЕАЭС
Мы работаем с проверенными логистическими партнёрами, что позволяет оперативно доставлять заказы в Беларусь, Казахстан, Армению и другие страны ЕАЭС.
Варианты оплаты:
Минимальная сумма заказа и скидки:
Документы и гарантии:
Да, конечно! Наши технические специалисты готовы помочь вам с подбором точного аналога или замены подшипника. Просто позвоните нам по телефону +7 (495) 104-99-04 или напишите на почту zakaz@podsnab.ru.
Для оперативной консультации подготовьте, пожалуйста, имеющиеся данные: маркировку, размеры, тип оборудования или артикул старого подшипника.
Да, конечно! Мы высоко ценим долгосрочное сотрудничество и доверие клиентов по всей России. Для постоянных клиентов действует персональная система скидок.
Условия формируются индивидуально и зависят от:
Чтобы узнать свои условия и получить максимально выгодное предложение, свяжитесь с персональным менеджером или напишите нам на почту zakaz@podsnab.ru.
Вы можете оформить заказ несколькими способами:
Для оформления заказа от юридического лица свяжитесь с нашим отделом по работе с корпоративными клиентами по телефону +7 (495) 104-99-04 или напишите на email zakaz@podsnab.ru, прикрепив реквизиты вашей организации.
Мы оперативно подготовим коммерческое предложение и выставим счет.
Возврат товара надлежащего качества возможен в течение 10 дней с момента получения, если товар не был в употреблении, сохранен товарный вид, упаковка не вскрывалась и присутствуют все сопроводительные документы.
Возврат денежных средств осуществляется в течение 10 рабочих дней после проверки товара складом.
В соответствии с законодательством возврату не подлежат подшипники надлежащего качества, если отсутствует оригинальная упаковка или имеются следы монтажа.
В случае выявления брака или гарантийного случая мы гарантируем возврат или обмен товара.
Да, гарантийный срок хранения устанавливается заводом-изготовителем и в среднем составляет 2 года при соблюдении условий хранения: сухое помещение, оригинальная упаковка и смазка.
Точный срок для конкретного типа подшипника уточняйте у наших менеджеров.
Пн–Пт: с 8:00 до 17:00 (МСК).
Сб–Вс: выходные дни.
Заказы на сайте принимаются круглосуточно. Заявки, поступившие после окончания рабочего дня, обрабатываются на следующий рабочий день.
Минимальная сумма заказа для доставки составляет 3000 рублей. Самовывоз со склада возможен на любую сумму при наличии товара.
ООО «УралТехГрупп»
ИНН: 7415093830
КПП: 772401001
ОГРН: 1167456069021
Банк: ПАО Сбербанк
Р/с: 40702810838000475273
К/с: 30101810400000000225
БИК: 044525225
У подшипника N2210 пока нет отзывов. Вы можете стать первым покупателем, поделившимся своим мнением.