Поиск подшипника
Статьи
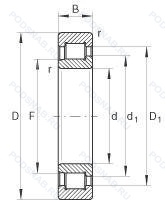
SL19-2314 — однорядный цилиндрический роликовый подшипник, основное исполнение, выпускается производителями: INA, ISO, ROLLWAY, Подшипники NBS.
Размер подшипника: 70x150x51 мм.
Тип: Узкое внутреннее кольцо, легкая нагрузка, корпус из штампованной стали, установочный винт.
Альтернативное обозначение: NJG2314VH.
Аналоги: SL192314 INA,NJG2314CV Rollway.
Международная стандартизации ISO
SL192314
В наличии
| Обозначение | Конструктивные изменения |
|---|---|
| SL19-2314A | Особенность внутренней конструкции. |
| SL192314 C3 | Внутренний зазор больше нормального. |
Модификации цилиндрического роликового подшипника SL19-2314 — это измененное основное конструктивное исполнение SL192314, основные размеры (70x150x51) не отличаются.
| Обозначение | Гост | Конструктивные особенности |
|---|---|---|
| NJG2314CV | ISO | Полноразмерный цилиндрический роликоподшипник с модифицированной внутренней конструкцией. |
| NJ2314E.TVP2.C4.BL | ISO | Внутренний зазор подшипника больше. чем C3. Повышенная грузоподъемность. Cепаратор изготовленный из полиамида PA66. армированного стекловолокном. Cylindrical Roller Bearing With Crowned Raceway On Inner Ring Or Outer Ring. Taper Bearing With Crowned Raceway On Inner Ring. Notice/ All Cylinder Rollers And Taper Rollers Have Light Curved Coated Lines. |
| NUP2314W | ISO | Подшипник без смазочных отверстий в наружном кольце. |
| NU2314EMA | ISO | Конструкция с увеличенной грузоподьемностью. Механически обработанный латунный сепаратор. Центрирование по внешнему кольцу. |
| NUB314ECP | ISO | Оптимизированная внутренняя конструкция предусматривает увеличенное количество роликов и/или ролики большего размера с улучшенными условиями контакта торцов роликов с бортами внутреннего кольца. Сепаратор из стеклонаполненного полиамида PA66. центрируемый по роликам. |
| NUB314ECJ/C3 | ISO | Внутренний зазор больше нормального. Два стальных сепаратора оконного типа. внутреннее кольцо без фланца. направляющее кольцо с усиленным роликом. |
| NUP2314-E-TVP2-C3 | ISO | Внутренний зазор больше нормального. Повышенная грузоподъемность. Cепаратор изготовленный из полиамида PA66. армированного стекловолокном. |
| NJ2314E.M1.C4 | ISO | Внутренний зазор подшипника больше. чем C3. Повышенная грузоподъемность. Механически обработанный латунный сепаратор. вращающийся элемент качения (крестовина на заклепках). |
| NJ2314E.M1A.C4 | ISO | Внутренний зазор подшипника больше. чем C3. Повышенная грузоподъемность. Массивный латунный сепаратор. двухтельный. центрированный по бортам. |
| NJ2314E.M1A.C4.QP51 | ISO | Внутренний зазор подшипника больше. чем C3. Повышенная грузоподъемность. Спецификация виброгрохота. Массивный латунный сепаратор. двухтельный. центрированный по бортам. |
| NU2314EM J30 | ISO | Внутренний зазор больше нормального. Стандартный фланцевый ( с резьбой и сквозным отверстием). |
| NU2314MA/C4 | ISO | Внутренний зазор подшипника больше. чем C3. Изготовленный из двух частей латунный сепаратор. внешнее кольцо по центру. |
| NU2314C2 | ISO | Внутренний зазор подшипника меньше нормального. |
| NJ2314E C3 | ISO | Внутренний зазор больше нормального. Повышенная грузоподъемность. |
| NJ2314E MA C3 | ISO | Внутренний зазор больше нормального. Повышенная грузоподъемность. BRASS CAGE GUIDED ON OUTER RING. |
| NJ2314-E-MA6-C3 | ISO | Внутренний зазор больше нормального. Увеличенная грузоподъёмность. Сепаратор из цельной латуни с наружным кольцом для цилиндрических роликоподшипников. Корпус сепаратора разработан с использованием механически обработанных заклепок трапециевидной формы. |
| NU2314-E-XL-M1-C4 | ISO | Внутренний зазор подшипника больше. чем C3. Повышенная грузоподъемность. Серия X-Life премиум-класс. увеличиный срок службы. Механически обработанный латунный сепаратор. вращающийся элемент качения (крестовина на заклепках). |
| NUB314-E-XL-M1-C3 | ISO | Внутренний зазор больше нормального. Повышенная грузоподъемность. Серия X-Life премиум-класс. увеличиный срок службы. Механически обработанный латунный сепаратор. вращающийся элемент качения (крестовина на заклепках). |
| NUB314-E-XL-M1 | ISO | Повышенная грузоподъемность. Серия X-Life премиум-класс. увеличиный срок службы. Механически обработанный латунный сепаратор. вращающийся элемент качения (крестовина на заклепках). |
| NU2314-E-XL-M1 | ISO | Повышенная грузоподъемность. Серия X-Life премиум-класс. увеличиный срок службы. Механически обработанный латунный сепаратор. вращающийся элемент качения (крестовина на заклепках). |
| NU2314-E-XL-M1-C3 | ISO | Внутренний зазор больше нормального. Повышенная грузоподъемность. Серия X-Life премиум-класс. увеличиный срок службы. Механически обработанный латунный сепаратор. вращающийся элемент качения (крестовина на заклепках). |
| NJG 2314 VH | ISO | Полный набор роликов (без сепаратора). Самоудерживающиеся. |
Аналог цилиндрического роликового подшипника SL19-2314 — это подшипник такого же размера dx70,Dx150,Bx51, типа и конструкции.
| Обозначение | Конструктивные особенности | Внутренний (d) | Наружный (D) | Ширина (B) |
|---|---|---|---|---|
| 42614-Л | Роликовый радиальный однорядный подшипник. Сепаратор из латуни.. | 70.00 | 150.00 | 51.00 |
| 42614-ЛМ | Роликовый радиальный однорядный подшипник. Сепаратор из латуни.. Модифицированный контакт.. | 70.00 | 150.00 | 51.00 |
| 42614KM | Роликовый радиальный однорядный подшипник. Type Of Model. | 70.00 | 150.00 | 51.00 |
| 42614ЛM | Роликовый радиальный однорядный подшипник. Подшипник с латунным сепаратором. центрированный по телам качения. Сепаратор из латуни.. | 70.00 | 150.00 | 51.00 |
| 53614-Е | Роликовый радиальный двухрядный подшипник. Сепаратор из текстолита.. | 70.00 | 150.00 | 51.00 |
| 53614-К | Роликовый радиальный двухрядный подшипник. Кольцевая проточка на середине цилиндрической наружной поверхности наружного кольца плюс три отверстия для смазки. | 70.00 | 150.00 | 51.00 |
| 53614-КЕ | Роликовый радиальный двухрядный подшипник. Сепаратор из текстолита.. | 70.00 | 150.00 | 51.00 |
| 53614-КТ | Роликовый радиальный двухрядный подшипник. Температура отпуска. 160°. | 70.00 | 150.00 | 51.00 |
| 53614-Л | Роликовый радиальный двухрядный подшипник. Сепаратор из латуни.. | 70.00 | 150.00 | 51.00 |
| 53614-Н | Роликовый радиальный двухрядный подшипник. Детали из теплостойкой стали. | 70.00 | 150.00 | 51.00 |
| 53614-НЕ | Роликовый радиальный двухрядный подшипник. Сепаратор из текстолита.. Детали из теплостойкой стали. | 70.00 | 150.00 | 51.00 |
| 53614-НК | Роликовый радиальный двухрядный подшипник. Детали из теплостойкой стали. | 70.00 | 150.00 | 51.00 |
| 53614-НК1 | Роликовый радиальный двухрядный подшипник. Детали из теплостойкой стали. | 70.00 | 150.00 | 51.00 |
| 53614-Т | Роликовый радиальный двухрядный подшипник. Температура отпуска. 160°. | 70.00 | 150.00 | 51.00 |
| 53614АН | Роликовый радиальный двухрядный подшипник. Детали из теплостойкой стали. Повышенная грузоподъемность. | 70.00 | 150.00 | 51.00 |
Способы доставки
Отправка через ведущие транспортные и курьерские компании: ПЭК, Деловые Линии, СДЭК, Байкал-Сервис, Энергия, КИТ, ЖелДорЭкспедиция.
Самовывоз возможен напрямую со склада в Москве.
Сроки доставки
Срок зависит от региона и выбранной транспортной компании. Все заказы комплектуются и отправляются в кратчайшие сроки со склада в Москве.
Надёжность и сохранность
Вся продукция упаковывается с учётом требований транспортировки. Мы гарантируем, что подшипники и комплектующие прибудут к заказчику в полной сохранности.
Доставка в страны ЕАЭС
Мы работаем с проверенными логистическими партнёрами, что позволяет оперативно доставлять заказы в Беларусь, Казахстан, Армению и другие страны ЕАЭС.
Варианты оплаты:
Минимальная сумма заказа и скидки:
Документы и гарантии:
Да, конечно! Наши технические специалисты готовы помочь вам с подбором точного аналога или замены подшипника. Просто позвоните нам по телефону +7 (495) 104-99-04 или напишите на почту zakaz@podsnab.ru.
Для оперативной консультации подготовьте, пожалуйста, имеющиеся данные: маркировку, размеры, тип оборудования или артикул старого подшипника.
Да, конечно! Мы высоко ценим долгосрочное сотрудничество и доверие клиентов по всей России. Для постоянных клиентов действует персональная система скидок.
Условия формируются индивидуально и зависят от:
Чтобы узнать свои условия и получить максимально выгодное предложение, свяжитесь с персональным менеджером или напишите нам на почту zakaz@podsnab.ru.
Вы можете оформить заказ несколькими способами:
Для оформления заказа от юридического лица свяжитесь с нашим отделом по работе с корпоративными клиентами по телефону +7 (495) 104-99-04 или напишите на email zakaz@podsnab.ru, прикрепив реквизиты вашей организации.
Мы оперативно подготовим коммерческое предложение и выставим счет.
Возврат товара надлежащего качества возможен в течение 10 дней с момента получения, если товар не был в употреблении, сохранен товарный вид, упаковка не вскрывалась и присутствуют все сопроводительные документы.
Возврат денежных средств осуществляется в течение 10 рабочих дней после проверки товара складом.
В соответствии с законодательством возврату не подлежат подшипники надлежащего качества, если отсутствует оригинальная упаковка или имеются следы монтажа.
В случае выявления брака или гарантийного случая мы гарантируем возврат или обмен товара.
Да, гарантийный срок хранения устанавливается заводом-изготовителем и в среднем составляет 2 года при соблюдении условий хранения: сухое помещение, оригинальная упаковка и смазка.
Точный срок для конкретного типа подшипника уточняйте у наших менеджеров.
Пн–Пт: с 8:00 до 17:00 (МСК).
Сб–Вс: выходные дни.
Заказы на сайте принимаются круглосуточно. Заявки, поступившие после окончания рабочего дня, обрабатываются на следующий рабочий день.
Минимальная сумма заказа для доставки составляет 3000 рублей. Самовывоз со склада возможен на любую сумму при наличии товара.
ООО «УралТехГрупп»
ИНН: 7415093830
КПП: 772401001
ОГРН: 1167456069021
Банк: ПАО Сбербанк
Р/с: 40702810838000475273
К/с: 30101810400000000225
БИК: 044525225
У подшипника SL19-2314 пока нет отзывов. Вы можете стать первым покупателем, поделившимся своим мнением.