Поиск подшипника
Статьи
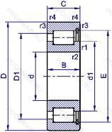
SL18-3007 — однорядный цилиндрический роликовый подшипник, основное исполнение, выпускается производителями: INA, ISO, NBI, Подшипники NBS.
Размер подшипника: 35x62x20 мм.
Тип: Узкое внутреннее кольцо, легкая нагрузка, корпус из штампованной стали, установочный винт.
Альтернативное обозначение: NCF3007V.
Международная стандартизации ISO
SL183007
В наличии
| Обозначение | Конструктивные изменения |
|---|---|
| SL18-3007A | однорядный цилиндрический роликовый подшипник. |
| SL18-3007C3 | Внутренний зазор больше нормального. |
| SL18-3007A C3 | Внутренний зазор больше нормального. Особенность внутренней конструкции. |
| SL183007-A-XL | Особенность внутренней конструкции. Серия X-Life премиум-класс. увеличиный срок службы. |
| SL18-3007C5 | однорядный цилиндрический роликовый подшипник. |
| SL183007-A-XL-C3 | Внутренний зазор больше нормального. Особенность внутренней конструкции. Серия X-Life премиум-класс. увеличиный срок службы. |
Модификации цилиндрического роликового подшипника SL18-3007 — это измененное основное конструктивное исполнение SL183007, основные размеры (35x62x20) не отличаются.
| Обозначение | Гост | Конструктивные особенности |
|---|---|---|
| NCF3007V/C3 | ISO | Внутренний зазор больше нормального. Подшипник без сепаратора. С полным комплектом тел качения. |
| NCF3007CV C3 | ISO | Внутренний зазор больше нормального. Полноразмерный цилиндрический роликоподшипник с модифицированной внутренней конструкцией. |
| NCF3007-V | ISO | Бессепараторный подшипник. Однорядный без сепараторный цилиндрический роликовый подшипник. Два борта на внутреннем кольце и один борт на наружном. |
| 541707B | ISO | Внутренние изменения в конструкции. |
| F-45226 | ISO | однорядный цилиндрический роликовый подшипник. |
| F43710.1 | ISO | Number Of Carriages Per Rail Track. |
| 52022B | ISO | Внутренние изменения в конструкции. |
| F-84874-10 | ISO | однорядный цилиндрический роликовый подшипник. |
Аналог цилиндрического роликового подшипника SL18-3007 — это подшипник такого же размера dx35,Dx62,Bx20, типа и конструкции.
| Обозначение | Конструктивные особенности | Внутренний (d) | Наружный (D) | Ширина (B) |
|---|---|---|---|---|
| E33007J | Роликовый радиальный-упорный однорядный подшипник. Дорожки качения наружного кольца. угол контакта и ширина наружного кольца в соответствии с ISO. | 35.00 | 62.00 | 21.00 |
| HR33007J | Роликовый радиальный-упорный конический однорядный подшипник. Дорожки качения наружного кольца. угол контакта и ширина наружного кольца в соответствии с ISO. Для конических роликоподшипников и радиальных шарикоподшипников. | 35.00 | 62.00 | 21.00 |
| 4T-33007 | Роликовый радиальный-упорный конический однорядный подшипник. Цементованная сталь. | 35.00 | 62.00 | 21.00 |
| T142W | Роликовый упорный однорядный подшипник. Подшипник без смазочных отверстий в наружном кольце. | 35.18 | 62.71 | 19.43 |
| 3007-B-2Z-TVH | Шариковый радиально-упорный подшипник. Модифицированная внутренняя конструкция. Защитные металлические шайбы с обеих сторон подшипника. Твердая клетка из полиамида. | 35.00 | 62.00 | 20.00 |
| 3007-B-TVH | Шариковый радиально-упорный подшипник. Модифицированная внутренняя конструкция. Твердая клетка из полиамида. | 35.00 | 62.00 | 20.00 |
| PC35620021CS | Шариковый радиальный двухрядный подшипник. Высокоуглеродистая сталь. | 35.00 | 62.00 | 21.00 |
| RNA2206XLL | Роликовый игольчатый подшипник однорядный. Два уплотнения. | 35.00 | 62.00 | 19.80 |
| 33007 A | Роликовый радиальный-упорный однорядный подшипник. Двухрядный радиально-упорный шарикоподшипник без отверстия для смазки. | 35.00 | 62.00 | 21.00 |
| 33007F | Роликовый радиальный-упорный однорядный подшипник. Сепаратор из обработанной стали или специального чугуна. | 35.00 | 62.00 | 21.00 |
| HC TR070602S | Роликовый радиальный-упорный однорядный подшипник. Угол контакта 20 градусов. | 35.00 | 62.00 | 19.00 |
| 33007JR | Роликовый радиальный-упорный однорядный подшипник. TAPERED ROLLER BEARING CONFORMING TO ISO R355 (SUB-UNIT. METRIC SERIES). EXAMPLE/ 30206JR. | 35.00 | 62.00 | 21.00 |
| SC07B26D2 | Шариковый радиальный однорядный подшипник. Угол контакта 40°. | 35.00 | 62.00 | 19.00 |
| B15 | Шариковый упорный подшипник. Стандартное исполнение радиально-упорных шпиндельных подшипников. | 34.92 | 62.71 | 19.05 |
| 5-3182107 Л | Роликовый радиальный двухрядный подшипник. Сепаратор из латуни.. | 35.00 | 62.00 | 20.00 |
Способы доставки
Отправка через ведущие транспортные и курьерские компании: ПЭК, Деловые Линии, СДЭК, Байкал-Сервис, Энергия, КИТ, ЖелДорЭкспедиция.
Самовывоз возможен напрямую со склада в Москве.
Сроки доставки
Срок зависит от региона и выбранной транспортной компании. Все заказы комплектуются и отправляются в кратчайшие сроки со склада в Москве.
Надёжность и сохранность
Вся продукция упаковывается с учётом требований транспортировки. Мы гарантируем, что подшипники и комплектующие прибудут к заказчику в полной сохранности.
Доставка в страны ЕАЭС
Мы работаем с проверенными логистическими партнёрами, что позволяет оперативно доставлять заказы в Беларусь, Казахстан, Армению и другие страны ЕАЭС.
Варианты оплаты:
Минимальная сумма заказа и скидки:
Документы и гарантии:
Да, конечно! Наши технические специалисты готовы помочь вам с подбором точного аналога или замены подшипника. Просто позвоните нам по телефону +7 (495) 104-99-04 или напишите на почту zakaz@podsnab.ru.
Для оперативной консультации подготовьте, пожалуйста, имеющиеся данные: маркировку, размеры, тип оборудования или артикул старого подшипника.
Да, конечно! Мы высоко ценим долгосрочное сотрудничество и доверие клиентов по всей России. Для постоянных клиентов действует персональная система скидок.
Условия формируются индивидуально и зависят от:
Чтобы узнать свои условия и получить максимально выгодное предложение, свяжитесь с персональным менеджером или напишите нам на почту zakaz@podsnab.ru.
Вы можете оформить заказ несколькими способами:
Для оформления заказа от юридического лица свяжитесь с нашим отделом по работе с корпоративными клиентами по телефону +7 (495) 104-99-04 или напишите на email zakaz@podsnab.ru, прикрепив реквизиты вашей организации.
Мы оперативно подготовим коммерческое предложение и выставим счет.
Возврат товара надлежащего качества возможен в течение 10 дней с момента получения, если товар не был в употреблении, сохранен товарный вид, упаковка не вскрывалась и присутствуют все сопроводительные документы.
Возврат денежных средств осуществляется в течение 10 рабочих дней после проверки товара складом.
В соответствии с законодательством возврату не подлежат подшипники надлежащего качества, если отсутствует оригинальная упаковка или имеются следы монтажа.
В случае выявления брака или гарантийного случая мы гарантируем возврат или обмен товара.
Да, гарантийный срок хранения устанавливается заводом-изготовителем и в среднем составляет 2 года при соблюдении условий хранения: сухое помещение, оригинальная упаковка и смазка.
Точный срок для конкретного типа подшипника уточняйте у наших менеджеров.
Пн–Пт: с 8:00 до 17:00 (МСК).
Сб–Вс: выходные дни.
Заказы на сайте принимаются круглосуточно. Заявки, поступившие после окончания рабочего дня, обрабатываются на следующий рабочий день.
Минимальная сумма заказа для доставки составляет 3000 рублей. Самовывоз со склада возможен на любую сумму при наличии товара.
ООО «УралТехГрупп»
ИНН: 7415093830
КПП: 772401001
ОГРН: 1167456069021
Банк: ПАО Сбербанк
Р/с: 40702810838000475273
К/с: 30101810400000000225
БИК: 044525225
У подшипника SL18-3007 пока нет отзывов. Вы можете стать первым покупателем, поделившимся своим мнением.