Поиск подшипника
Статьи
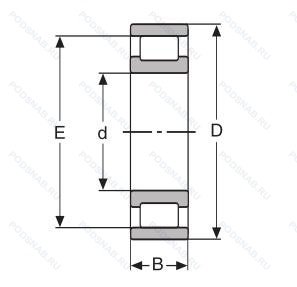
CRL28 — Однорядный цилиндрический роликовый подшипник, основное исполнение, производство SKF.
Размер подшипника: 88x165x28 мм.
Альтернативное обозначение: LRJ3.1/2, RLS20.
Аналоги: RLS20 Consolidated.
Международная стандартизации ISO
CRL28
В наличии
| Обозначение | Конструктивные изменения |
|---|---|
| CRL28A | Цилиндрический роликоподшипник. С углом фланца 1 градус 40 минут. Сферические роликовые наконечники. |
| CRL28MP | Цельный латунный сепаратор оконного типа с фрезерованными поверхностями. Внутреннее или внешнее кольцо центрировано. |
| CRL28MB/C3 | Внутренний зазор больше нормального. Двухкомпонентный латунный сепаратор с механической обработкой. Направляющее внутреннее кольцо. |
| CRL28A/C3 | Внутренний зазор больше нормального. Цилиндрический роликоподшипник. С углом фланца 1 градус 40 минут. Сферические роликовые наконечники. |
Модификации цилиндрического роликового подшипника CRL28 — это измененное основное конструктивное исполнение CRL28, основные размеры (88x165x28) не отличаются.
| Обозначение | Гост | Конструктивные особенности |
|---|---|---|
| RLS20V3 | ISO | Уровень вибрации 3. |
| LRJ3.1/2 | ISO | ISO Tolerance Class ABEC.9. Number Of Carriages Per Rail Track. |
| RLS20 | ISO | Однорядный цилиндрический роликовый подшипник. |
| LRJ3.1/2J | ISO | Однорядный цилиндрический роликовый подшипник. |
| LRJA3.1/2 | ISO | ISO Tolerance Class ABEC.9. Number Of Carriages Per Rail Track. |
| CFL28 | ISO | Однорядный цилиндрический роликовый подшипник. |
| LRJA3.1/2JCN | ISO | Прессованный стальной сепаратор. Нормальный уровень радиального внутреннего зазора (не маркируется). |
| LLRJN3.1/2 | ISO | ISO Tolerance Class ABEC.9. Number Of Carriages Per Rail Track. |
| LRJA3.1/2C3 | ISO | Внутренний зазор больше нормального. |
| LRJ3.1/2M C3 | ISO | Внутренний зазор больше нормального. Механически обработанный латунный сепаратор .Расположенный на элементах качения. |
| 1/LRJB3.1/2M | ISO | Механически обработанный латунный сепаратор .Расположенный на элементах качения. |
| LRJA3.1/2DESA | ISO | Конструкция А. |
| LRJA3.1/2J | ISO | Однорядный цилиндрический роликовый подшипник. |
| RLS20M | ISO | Механически обработанный латунный сепаратор .Расположенный на элементах качения. |
| LRJ3.1/2-C3 | ISO | Внутренний зазор больше нормального. |
| LRJA3.1/2M | ISO | Механически обработанный латунный сепаратор .Расположенный на элементах качения. |
Аналог цилиндрического роликового подшипника CRL28 — это подшипник такого же размера dx88,Dx165,Bx28, типа и конструкции.
| Обозначение | Конструктивные особенности | Внутренний (d) | Наружный (D) | Ширина (B) |
|---|---|---|---|---|
| RLS28 | Подшипник однорядный шариковый радиальный. | 88.90 | 165.10 | 28.57 |
| ALS28 | Подшипник шариковый однорядный радиально-упорный. | 88.90 | 165.10 | 28.58 |
| LJT3.1/2 | Подшипник шариковый однорядный радиально-упорный. ISO Tolerance Class ABEC.9. Number Of Carriages Per Rail Track. | 88.90 | 165.10 | 28.58 |
| NLJ3.1/2M | Подшипник шариковый двухрядный самоустанавливающийся. Number Of Carriages Per Rail Track. | 88.90 | 165.10 | 28.58 |
| LJ3.1/2 | Подшипник однорядный шариковый радиальный. ISO Tolerance Class ABEC.9. Number Of Carriages Per Rail Track. | 88.90 | 127.00 | 28.58 |
| ALS28M | Подшипник шариковый однорядный радиально-упорный. Механически обработанный латунный сепаратор. центрируемый по шарикам. Разные конструкции или материалы обозначаются цифрой после буквы М. например. М2. | 88.90 | 165.10 | 28.58 |
| ALS28ABP | Подшипник шариковый однорядный радиально-упорный. Внутренние изменения в конструкции. Single Row Angular Contact Ball Bearing With A 40° Угол контакта. Однорядный подшипник с сепаратором из стеклонаполненного полиамида PA66. центрируемым по шарикам. | 88.90 | 165.10 | 28.57 |
| LJT3.1/2M | Подшипник шариковый однорядный радиально-упорный. | 88.90 | 165.10 | 28.58 |
| NLJ3.1/2MB | Подшипник шариковый двухрядный самоустанавливающийся. Цельное внутреннее кольцо. Центрированный обработанный латунный сепаратор. | 88.90 | 165.10 | 28.58 |
| ALS28TNG | Подшипник шариковый однорядный радиально-упорный. Прочный сепаратор из полиамида. армированного стекловолокном. | 88.90 | 165.10 | 28.58 |
| NLJ3.1/2M C3 | Подшипник шариковый двухрядный самоустанавливающийся. Внутренний зазор больше нормального. Механически обработанный латунный сепаратор .Расположенный на элементах качения. | 88.90 | 165.10 | 28.58 |
| 1/LJB3.1/2 | Подшипник однорядный шариковый радиальный. | 88.90 | 165.10 | 28.58 |
| LS20AC | Подшипник шариковый однорядный радиально-упорный. Суффикс для радиально-упорного шарикоподшипника. | 88.90 | 165.10 | 28.58 |
| LLRJ3.1/2 | Роликовый радиальный однорядный подшипник. ISO Tolerance Class ABEC.9. Number Of Carriages Per Rail Track. | 88.90 | 165.10 | 28.57 |
| NLJ3.1/2 | Сферический двухрядный подшипник. ISO Tolerance Class ABEC.9. Number Of Carriages Per Rail Track. | 88.90 | 165.10 | 28.57 |
Способы доставки
Отправка через ведущие транспортные и курьерские компании: ПЭК, Деловые Линии, СДЭК, Байкал-Сервис, Энергия, КИТ, ЖелДорЭкспедиция.
Самовывоз возможен напрямую со склада в Москве.
Сроки доставки
Срок зависит от региона и выбранной транспортной компании. Все заказы комплектуются и отправляются в кратчайшие сроки со склада в Москве.
Надёжность и сохранность
Вся продукция упаковывается с учётом требований транспортировки. Мы гарантируем, что подшипники и комплектующие прибудут к заказчику в полной сохранности.
Доставка в страны ЕАЭС
Мы работаем с проверенными логистическими партнёрами, что позволяет оперативно доставлять заказы в Беларусь, Казахстан, Армению и другие страны ЕАЭС.
Варианты оплаты:
Минимальная сумма заказа и скидки:
Документы и гарантии:
Да, конечно! Наши технические специалисты готовы помочь вам с подбором точного аналога или замены подшипника. Просто позвоните нам по телефону +7 (495) 104-99-04 или напишите на почту zakaz@podsnab.ru.
Для оперативной консультации подготовьте, пожалуйста, имеющиеся данные: маркировку, размеры, тип оборудования или артикул старого подшипника.
Да, конечно! Мы высоко ценим долгосрочное сотрудничество и доверие клиентов по всей России. Для постоянных клиентов действует персональная система скидок.
Условия формируются индивидуально и зависят от:
Чтобы узнать свои условия и получить максимально выгодное предложение, свяжитесь с персональным менеджером или напишите нам на почту zakaz@podsnab.ru.
Вы можете оформить заказ несколькими способами:
Для оформления заказа от юридического лица свяжитесь с нашим отделом по работе с корпоративными клиентами по телефону +7 (495) 104-99-04 или напишите на email zakaz@podsnab.ru, прикрепив реквизиты вашей организации.
Мы оперативно подготовим коммерческое предложение и выставим счет.
Возврат товара надлежащего качества возможен в течение 10 дней с момента получения, если товар не был в употреблении, сохранен товарный вид, упаковка не вскрывалась и присутствуют все сопроводительные документы.
Возврат денежных средств осуществляется в течение 10 рабочих дней после проверки товара складом.
В соответствии с законодательством возврату не подлежат подшипники надлежащего качества, если отсутствует оригинальная упаковка или имеются следы монтажа.
В случае выявления брака или гарантийного случая мы гарантируем возврат или обмен товара.
Да, гарантийный срок хранения устанавливается заводом-изготовителем и в среднем составляет 2 года при соблюдении условий хранения: сухое помещение, оригинальная упаковка и смазка.
Точный срок для конкретного типа подшипника уточняйте у наших менеджеров.
Пн–Пт: с 8:00 до 17:00 (МСК).
Сб–Вс: выходные дни.
Заказы на сайте принимаются круглосуточно. Заявки, поступившие после окончания рабочего дня, обрабатываются на следующий рабочий день.
Минимальная сумма заказа для доставки составляет 3000 рублей. Самовывоз со склада возможен на любую сумму при наличии товара.
ООО «УралТехГрупп»
ИНН: 7415093830
КПП: 772401001
ОГРН: 1167456069021
Банк: ПАО Сбербанк
Р/с: 40702810838000475273
К/с: 30101810400000000225
БИК: 044525225
У подшипника CRL28 пока нет отзывов. Вы можете стать первым покупателем, поделившимся своим мнением.