Поиск подшипника
Статьи
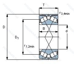
BT2B332931 — Подшипник роликовый конический двухрядный, модификация основного исполнения BT2, производство SKF.
Размер подшипника: 240x480x229 мм.
Подшипник со штампованным наружным кольцом, с сепаратором, с открытыми концами.
Международная стандартизации ISO
BT2B332931
В наличии
| Обозначение | Конструктивные изменения |
|---|---|
| BT2-0140 | Длина рельса в мм. |
| BT2-0108 | Подшипник роликовый конический двухрядный. |
| BT2-0164 | Подшипник роликовый конический двухрядный. |
| BT2-0183 | Подшипник роликовый конический двухрядный. |
| BT2B328095/HA4 | Case-Hardened Outer Ring. Inner Ring And Rollers. (100% Interchangeable With Basic Designation). |
| BT2B332603/HA1 | Case-Hardened Inner And Outer Ring. (100% Interchangeable With Basic Designation). |
| BT2-0145 | Подшипник роликовый конический двухрядный. |
| BT2-0287-B/L4BPEX | Измененный внутренний дизайн. Ролики и кольца подшипников с черным оксидированием. SKF Explorer Bearing. Used Only When Same-Sized Conventional And SKF Explorer Bearings Are Available. |
| BT2-8083/HA3 | Case-Hardened Inner Ring. (100% Interchangeable With Basic Designation). |
| BT2-8516BB | Больший угол контакта по сравнению со стандартной конструкцией. |
| BT2-0061C | Подшипник роликовый конический двухрядный. |
| BT2B332584A/HA2 | Измененная или модифицированная внутренняя конструкция при неизменных основных размерах. Case Hardened Outer Ring. |
| BT2B328133A | Измененный внутренний дизайн. |
| BT2-0236B | Конический роликовый подшипник. Угол контакта 20 градусов. |
| BT2B332757A | Измененный внутренний дизайн. |
| BT2-8547BB | Больший угол контакта по сравнению со стандартной конструкцией. |
| BT2B1861704B | Подшипник роликовый конический двухрядный. |
| BT2B441026D/Q | Оптимизированная геометрия и специальная обработка контактных поверхностей. |
| BT2B445620BB | Подшипник роликовый конический двухрядный. |
Модификации конического роликового подшипника BT2B332931 — это измененное основное конструктивное исполнение BT2, основные размеры (240x480x229) не отличаются.
Способы доставки
Отправка через ведущие транспортные и курьерские компании: ПЭК, Деловые Линии, СДЭК, Байкал-Сервис, Энергия, КИТ, ЖелДорЭкспедиция.
Самовывоз возможен напрямую со склада в Москве.
Сроки доставки
Срок зависит от региона и выбранной транспортной компании. Все заказы комплектуются и отправляются в кратчайшие сроки со склада в Москве.
Надёжность и сохранность
Вся продукция упаковывается с учётом требований транспортировки. Мы гарантируем, что подшипники и комплектующие прибудут к заказчику в полной сохранности.
Доставка в страны ЕАЭС
Мы работаем с проверенными логистическими партнёрами, что позволяет оперативно доставлять заказы в Беларусь, Казахстан, Армению и другие страны ЕАЭС.
Варианты оплаты:
Минимальная сумма заказа и скидки:
Документы и гарантии:
Да, конечно! Наши технические специалисты готовы помочь вам с подбором точного аналога или замены подшипника. Просто позвоните нам по телефону +7 (495) 104-99-04 или напишите на почту zakaz@podsnab.ru.
Для оперативной консультации подготовьте, пожалуйста, имеющиеся данные: маркировку, размеры, тип оборудования или артикул старого подшипника.
Да, конечно! Мы высоко ценим долгосрочное сотрудничество и доверие клиентов по всей России. Для постоянных клиентов действует персональная система скидок.
Условия формируются индивидуально и зависят от:
Чтобы узнать свои условия и получить максимально выгодное предложение, свяжитесь с персональным менеджером или напишите нам на почту zakaz@podsnab.ru.
Вы можете оформить заказ несколькими способами:
Для оформления заказа от юридического лица свяжитесь с нашим отделом по работе с корпоративными клиентами по телефону +7 (495) 104-99-04 или напишите на email zakaz@podsnab.ru, прикрепив реквизиты вашей организации.
Мы оперативно подготовим коммерческое предложение и выставим счет.
Возврат товара надлежащего качества возможен в течение 10 дней с момента получения, если товар не был в употреблении, сохранен товарный вид, упаковка не вскрывалась и присутствуют все сопроводительные документы.
Возврат денежных средств осуществляется в течение 10 рабочих дней после проверки товара складом.
В соответствии с законодательством возврату не подлежат подшипники надлежащего качества, если отсутствует оригинальная упаковка или имеются следы монтажа.
В случае выявления брака или гарантийного случая мы гарантируем возврат или обмен товара.
Да, гарантийный срок хранения устанавливается заводом-изготовителем и в среднем составляет 2 года при соблюдении условий хранения: сухое помещение, оригинальная упаковка и смазка.
Точный срок для конкретного типа подшипника уточняйте у наших менеджеров.
Пн–Пт: с 8:00 до 17:00 (МСК).
Сб–Вс: выходные дни.
Заказы на сайте принимаются круглосуточно. Заявки, поступившие после окончания рабочего дня, обрабатываются на следующий рабочий день.
Минимальная сумма заказа для доставки составляет 3000 рублей. Самовывоз со склада возможен на любую сумму при наличии товара.
ООО «УралТехГрупп»
ИНН: 7415093830
КПП: 772401001
ОГРН: 1167456069021
Банк: ПАО Сбербанк
Р/с: 40702810838000475273
К/с: 30101810400000000225
БИК: 044525225
У подшипника BT2B332931 пока нет отзывов. Вы можете стать первым покупателем, поделившимся своим мнением.