Поиск подшипника
Статьи
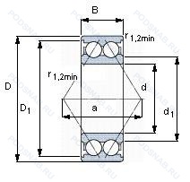
3318A — Подшипник шариковый двухрядный радиально-упорный, модификация основного исполнения 3318, выпускается производителями: ISB, SKF.
Размер подшипника: 90x190x73 мм.
Двухрядный радиально-упорный шарикоподшипник без отверстия для смазки.
Аналоги: 3318 FAG.
Международная стандартизации ISO
3318A
В наличии
| Обозначение | Конструктивные изменения |
|---|---|
| 3318 ATNZZ | Подшипник шариковый двухрядный радиально-упорный. |
| 3318 ATN2RS | Подшипник шариковый двухрядный радиально-упорный. |
| 3318 ATN | Подшипник шариковый двухрядный радиально-упорный. |
| 3318M | Подшипник с латунным сепаратором. центрированный по телам качения. |
| 3318 | Подшипник шариковый двухрядный радиально-упорный. Основное конструктивное исполнение. |
| 3318/C3 | Внутренний зазор больше нормального. |
| 3318DMA/S0VB188 | Подшипник шариковый двухрядный радиально-упорный. |
| 3318J | Сепаратор из стали. |
| 3318.C4 | Внутренний зазор подшипника больше. чем C3. |
| 3318A/C3 | Внутренний зазор больше нормального. Двухрядный радиально-упорный шарикоподшипник без отверстия для смазки. |
| 3318DMA/S0VB89 | Подшипник шариковый двухрядный радиально-упорный. |
| 3318-M-C3 | Внутренний зазор больше нормального. Твердый латунный сепаратор. Шариковые направляющие. |
| 3318DA.518398.E14S | Шарикоподшипник двухрядный с разъемным внутренним кольцом. Package Marking With Customer Number For BSI-Verkehrstechnik. Mulheim_ E14S Replaces K100. |
| 3318DMA/VB188 | Two-Piece Inner Ring And A 45° Угол контакта. Pronged Machined Brass Cage. Outer Ring Centered. Отклонения основных размеров. |
| 3318B.TVH | Модификация внутренней конструкции. Литой полиамидный сепаратор (PA66). защелкивающийся. |
| 3318-BD-XL | Серия X-Life премиум-класс. увеличиный срок службы. Модифицированная внутренняя конструкция. угол контакта α=30. без отверстия для заполнения. |
| 3318-M-C4 | Внутренний зазор подшипника больше. чем C3. Твердый латунный сепаратор. Шариковые направляющие. |
| 3318S | Запечатанная версия кулачкового ролика. |
| 3318C.M | 15° Угол контакта. Твердый латунный сепаратор. Шариковые направляющие. |
| 3318ATN9/C3 | Внутренний зазор больше нормального. Двухрядный радиально-упорный шарикоподшипник без отверстия для смазки. Литой защелкивающийся сепаратор из полиамида. армированного стекловолокном 6.6. |
| 3318-DA-MA | Механически обработанный латунный сепаратор. Центрирование по внешнему кольцу. Шарикоподшипник двухрядный с разъемным внутренним кольцом. |
| 3318JC3 | Внутренний зазор больше нормального. Сепаратор из стали. |
| 3318 DMA | Измененная или модифицированная внутренняя конструкция при неизменных основных размерах. |
| 3318-2RS | Резиновые уплотнения с каждой стороны подшипника. |
| 3318 D | Половина целого игольчатого валика. Применять суффикс 'D' в базовом номере. |
Модификации шарикового подшипника 3318A — это измененное основное конструктивное исполнение 3318, основные размеры (90x190x73) не отличаются.
| Обозначение | Гост | Конструктивные особенности |
|---|---|---|
| 5318 | ISO | Подшипник шариковый двухрядный радиально-упорный. |
| Z-518398.3318-DA | ISO | Шарикоподшипник двухрядный с разъемным внутренним кольцом. |
| 5318S | ISO | Запечатанная версия кулачкового ролика. |
| 5318WNR | ISO | Sizes 7201K Through 7203WN Have A 20° Угол контакта And A Nylon Cage. Sizes 7204WN through 7218WN have a 40° Угол контакта And A One-Piece. Ball Piloted. Pressed Brass Cage. Larger Sizes 7219WN Through 7230WN Have A 40° Угол контакта And A One-Piece. Outer Ring Piloted High-Strength Machined Bronze Cage. |
| 5318A | ISO | Двухрядный радиально-упорный шарикоподшипник без отверстия для смазки. |
| 5318WBR | ISO | Радиальный подшипник. Тип заправочного паза. Бронзовый фиксатор корпуса. |
| 5318C | ISO | Двухрядный радиально-упорный подшипник качения без канавки для заполнения шариками. Со сходящимися наружу угловыми контактами. Жесткая конструкция. |
| 5318M | ISO | Двухрядный радиально-упорный. Шарикоподшипник с заполняющей выемкой и сходящимися наружу углами контакта. |
Аналог шарикового подшипника 3318A — это подшипник такого же размера dx90,Dx190,Bx73, типа и конструкции.
| Обозначение | Конструктивные особенности | Внутренний (d) | Наружный (D) | Ширина (B) |
|---|---|---|---|---|
| 23318YM | Роликовый радиальный сферический двухрядный подшипник. 1 Piece Bronze Cage - Finger Type. | 90.00 | 190.00 | 73.00 |
| 30-3553318 Н | Роликовый радиальный сферический двухрядный подшипник. Детали из теплостойкой стали. | 90.00 | 190.00 | 73.00 |
| 30-3553318 НЛ | Роликовый радиальный сферический двухрядный подшипник. Детали из теплостойкой стали. Сепаратор из латуни.. | 90.00 | 190.00 | 73.00 |
| 3553318-НЛ | Роликовый радиальный сферический двухрядный подшипник. Детали из теплостойкой стали. Сепаратор из латуни.. | 90.00 | 190.00 | 73.00 |
| NJ3318 | Роликовый радиальный однорядный подшипник. Штампованный сепаратор из стального листа. Канавка под стопорное кольцо на наружном кольце подшипника. Однорядный цилиндрический роликовый подшипник. Наружное кольцо имеет два борта. | 90.00 | 190.00 | 73.00 |
| NU3318 | Роликовый радиальный однорядный подшипник. Канавка под стопорное кольцо на наружном кольце подшипника. Однорядные цилиндрические роликоподшипники. Наружное кольцо подшипника имеет два борта. | 90.00 | 190.00 | 73.00 |
| NUP3318 | Роликовый радиальный однорядный подшипник. Канавка под стопорное кольцо на наружном кольце подшипника. Точность размеров примерно соответствует классу точности Р4. Однорядный цилиндрический роликовый подшипник. Наружное кольцо имеет два борта. | 90.00 | 190.00 | 73.00 |
| 23318VS2 | Роликовый упорный однорядный подшипник. Подшипник для вибромашин со штампованным стальным сепараторами с поверхностной закалкой. | 90.00 | 190.00 | 73.00 |
| 5318ZZ | Шариковый радиально-упорный подшипник. Защитные металлические шайбы с обеих сторон. | 90.00 | 190.00 | 73.03 |
| 5318-2RS | Шариковый радиально-упорный подшипник. Резиновые уплотнения с каждой стороны подшипника. | 90.00 | 190.00 | 73.03 |
| 76-3056318 Л1Ш1 | Шариковый радиально-упорный двухрядный подшипник. Сепаратор из латуни.. Нормы шумности. | 90.00 | 190.00 | 73.00 |
| 76-3056318 Л1Ш | Шариковый радиально-упорный двухрядный подшипник. Сепаратор из латуни.. Нормы шумности. | 90.00 | 190.00 | 73.00 |
| 5318W | Шариковый радиально-упорный двухрядный подшипник. Максимальная грузоподъемность. | 90.00 | 190.00 | 73.02 |
| 63318 ZZ | Шариковый радиальный однорядный подшипник. Защитные металлические шайбы (бесконтактные уплотнения) с обеих сторон подшипника. | 90.00 | 190.00 | 73.00 |
| 63318-2RS | Шариковый радиальный однорядный подшипник. Резиновые уплотнения с каждой стороны подшипника. | 90.00 | 190.00 | 73.00 |
Способы доставки
Отправка через ведущие транспортные и курьерские компании: ПЭК, Деловые Линии, СДЭК, Байкал-Сервис, Энергия, КИТ, ЖелДорЭкспедиция.
Самовывоз возможен напрямую со склада в Москве.
Сроки доставки
Срок зависит от региона и выбранной транспортной компании. Все заказы комплектуются и отправляются в кратчайшие сроки со склада в Москве.
Надёжность и сохранность
Вся продукция упаковывается с учётом требований транспортировки. Мы гарантируем, что подшипники и комплектующие прибудут к заказчику в полной сохранности.
Доставка в страны ЕАЭС
Мы работаем с проверенными логистическими партнёрами, что позволяет оперативно доставлять заказы в Беларусь, Казахстан, Армению и другие страны ЕАЭС.
Варианты оплаты:
Минимальная сумма заказа и скидки:
Документы и гарантии:
Да, конечно! Наши технические специалисты готовы помочь вам с подбором точного аналога или замены подшипника. Просто позвоните нам по телефону +7 (495) 104-99-04 или напишите на почту zakaz@podsnab.ru.
Для оперативной консультации подготовьте, пожалуйста, имеющиеся данные: маркировку, размеры, тип оборудования или артикул старого подшипника.
Да, конечно! Мы высоко ценим долгосрочное сотрудничество и доверие клиентов по всей России. Для постоянных клиентов действует персональная система скидок.
Условия формируются индивидуально и зависят от:
Чтобы узнать свои условия и получить максимально выгодное предложение, свяжитесь с персональным менеджером или напишите нам на почту zakaz@podsnab.ru.
Вы можете оформить заказ несколькими способами:
Для оформления заказа от юридического лица свяжитесь с нашим отделом по работе с корпоративными клиентами по телефону +7 (495) 104-99-04 или напишите на email zakaz@podsnab.ru, прикрепив реквизиты вашей организации.
Мы оперативно подготовим коммерческое предложение и выставим счет.
Возврат товара надлежащего качества возможен в течение 10 дней с момента получения, если товар не был в употреблении, сохранен товарный вид, упаковка не вскрывалась и присутствуют все сопроводительные документы.
Возврат денежных средств осуществляется в течение 10 рабочих дней после проверки товара складом.
В соответствии с законодательством возврату не подлежат подшипники надлежащего качества, если отсутствует оригинальная упаковка или имеются следы монтажа.
В случае выявления брака или гарантийного случая мы гарантируем возврат или обмен товара.
Да, гарантийный срок хранения устанавливается заводом-изготовителем и в среднем составляет 2 года при соблюдении условий хранения: сухое помещение, оригинальная упаковка и смазка.
Точный срок для конкретного типа подшипника уточняйте у наших менеджеров.
Пн–Пт: с 8:00 до 17:00 (МСК).
Сб–Вс: выходные дни.
Заказы на сайте принимаются круглосуточно. Заявки, поступившие после окончания рабочего дня, обрабатываются на следующий рабочий день.
Минимальная сумма заказа для доставки составляет 3000 рублей. Самовывоз со склада возможен на любую сумму при наличии товара.
ООО «УралТехГрупп»
ИНН: 7415093830
КПП: 772401001
ОГРН: 1167456069021
Банк: ПАО Сбербанк
Р/с: 40702810838000475273
К/с: 30101810400000000225
БИК: 044525225
У подшипника 3318A пока нет отзывов. Вы можете стать первым покупателем, поделившимся своим мнением.