Поиск подшипника
Статьи
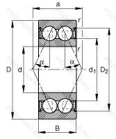
30/8-2Z — Подшипник шариковый двухрядный радиально-упорный, модификация основного исполнения 30/8, выпускается производителями: FAG, INA, SKF, ZEN.
Размер подшипника: 40x90x11 мм.
Защитные металлические шайбы с обеих сторон подшипника.
Международная стандартизации ISO
3082Z
В наличии
| Обозначение | Конструктивные изменения |
|---|---|
| 30/8-B-2Z-TVH | Модифицированная внутренняя конструкция. Защитные металлические шайбы с обеих сторон подшипника. Твердая клетка из полиамида. |
| 30/8-B-2RS-TVH | Резиновые уплотнения с каждой стороны подшипника. Конический роликовый подшипник. Угол контакта 20 градусов. Формованный полиамидный сепаратор защелкивающегося типа. |
| 30/8 2RS | Контактные уплотнения типа RS с обеих сторон игольчатого роликоподшипника. |
| 30/8ZZ EMB | Защитные металлические шайбы с обеих сторон. Land-Riding One-Piece Brass Cage. |
| 30/8ZZ C3 | Внутренний зазор больше нормального. Защитные металлические шайбы с обеих сторон. |
| 30/8-2Z-C3A | Внутренний зазор больше нормального. Защитные металлические шайбы с обеих сторон. |
| 30/8C TVH | 15° Угол контакта. Формованный полиамидный сепаратор защелкивающегося типа. |
| 30/8-B-2RS-TVH-C3 | Внутренний зазор больше нормального. Seal At Each Side Of The Bearing. Модификация внутренней конструкции. Формованный полиамидный сепаратор защелкивающегося типа. |
| 30/8-B-TVH | Модификация внутренней конструкции. Литой полиамидный сепаратор (PA66). защелкивающийся. |
| 30/8-HLC | Код местонахождения завода. может использоваться в стандартной комплектации. |
| 30/8 2RS T9H C3 | Внутренний зазор больше нормального. Контактное уплотнение с обеих сторон. POLYAMID RETAINER. |
| 30/8 2NSL | Контактные уплотнения на каждой стороне подшипника.. |
| 30/8B 2RS GL | Резиновые уплотнения с каждой стороны подшипника. Модификация внутренней конструкции. Консистентная смазка. |
| 30/8-2RSR-HLC | Резиновые уплотнения с каждой стороны подшипника. Код местонахождения завода. может использоваться в стандартной комплектации. |
| 30/8-B-2RSR-TVH | Модифицированная внутренняя конструкция. Твердая клетка из полиамида. Резиновые уплотнения с каждой стороны подшипника. |
Модификации шарикового подшипника 30/8-2Z — это измененное основное конструктивное исполнение 30/8, основные размеры (40x90x11) не отличаются.
| Обозначение | Конструктивные особенности | Внутренний (d) | Наружный (D) | Ширина (B) |
|---|---|---|---|---|
| B8-79T12 | Шариковый радиальный однорядный подшипник. Подшипник со специальными размерами. | 8.00 | 23.00 | 11.00 |
| B8-79T12BDDNCXMC-01 | Шариковый радиальный однорядный подшипник. Подшипник со специальными размерами. | 8.00 | 23.00 | 11.00 |
| B8-74 | Шариковый радиальный однорядный подшипник. Подшипник со специальными размерами. | 8.00 | 22.00 | 11.00 |
| B8-74T12BDDNCXMC3 | Шариковый радиальный однорядный подшипник. Подшипник со специальными размерами. | 8.00 | 22.00 | 11.00 |
| B8-79 | Шариковый радиальный однорядный подшипник. Подшипник со специальными размерами. | 8.00 | 23.00 | 11.00 |
| 76-3160018 Е | Шариковый радиальный однорядный подшипник. Сепаратор из текстолита.. | 8.00 | 22.00 | 11.00 |
| 76-3180018 Е1Т2C15 | Шариковый радиальный однорядный подшипник. ВНИИНП-207. Сепаратор из текстолита.. 200°. Температура отпуска. | 8.00 | 22.00 | 11.00 |
| 76-3180018 Е1Т2C2 | Шариковый радиальный однорядный подшипник. ЦИАТИМ-221. Сепаратор из текстолита.. 200°. Температура отпуска. | 8.00 | 22.00 | 11.00 |
| 76-3180018 Е1Т2C4 | Шариковый радиальный однорядный подшипник. ЦИАТИМ-221С. Сепаратор из текстолита.. 200°. Температура отпуска. | 8.00 | 22.00 | 11.00 |
| 76-3180018 ЕС1 | Шариковый радиальный однорядный подшипник. Сепаратор из текстолита.. Смазка ОКБ 122-7. | 8.00 | 22.00 | 11.00 |
| 76-3180018 ЕС15 | Шариковый радиальный однорядный подшипник. Сепаратор из текстолита.. Смазка ВНИИНП-207. | 8.00 | 22.00 | 11.00 |
| 76-3180018 ЕТ2С2 | Шариковый радиальный однорядный подшипник. Сепаратор из текстолита.. 200°. Смазка ЦИАТИМ-221. Температура отпуска. | 8.00 | 22.00 | 11.00 |
| SC811LLU | Шариковый радиальный однорядный подшипник. Контактное резиновое уплотнение с двух сторон. | 8.00 | 22.00 | 10.00 |
| EC-1SC8A68LLH | Шариковый радиальный однорядный подшипник. Механически обработанный сепаратор. Уплотнение из полиакрила. Подшипник с компенсацией теплового расширения для общего применения. Бесконтактное нитриловое уплотнение с пониженным трением. | 8.00 | 23.00 | 12.00 |
| SAZP7N | Шарнирный подшипник. Канавка под стопорное кольцо на внешнем кольце. | 7.94 | 22.23 | 11.10 |
Способы доставки
Отправка через ведущие транспортные и курьерские компании: ПЭК, Деловые Линии, СДЭК, Байкал-Сервис, Энергия, КИТ, ЖелДорЭкспедиция.
Самовывоз возможен напрямую со склада в Москве.
Сроки доставки
Срок зависит от региона и выбранной транспортной компании. Все заказы комплектуются и отправляются в кратчайшие сроки со склада в Москве.
Надёжность и сохранность
Вся продукция упаковывается с учётом требований транспортировки. Мы гарантируем, что подшипники и комплектующие прибудут к заказчику в полной сохранности.
Доставка в страны ЕАЭС
Мы работаем с проверенными логистическими партнёрами, что позволяет оперативно доставлять заказы в Беларусь, Казахстан, Армению и другие страны ЕАЭС.
Варианты оплаты:
Минимальная сумма заказа и скидки:
Документы и гарантии:
Да, конечно! Наши технические специалисты готовы помочь вам с подбором точного аналога или замены подшипника. Просто позвоните нам по телефону +7 (495) 104-99-04 или напишите на почту zakaz@podsnab.ru.
Для оперативной консультации подготовьте, пожалуйста, имеющиеся данные: маркировку, размеры, тип оборудования или артикул старого подшипника.
Да, конечно! Мы высоко ценим долгосрочное сотрудничество и доверие клиентов по всей России. Для постоянных клиентов действует персональная система скидок.
Условия формируются индивидуально и зависят от:
Чтобы узнать свои условия и получить максимально выгодное предложение, свяжитесь с персональным менеджером или напишите нам на почту zakaz@podsnab.ru.
Вы можете оформить заказ несколькими способами:
Для оформления заказа от юридического лица свяжитесь с нашим отделом по работе с корпоративными клиентами по телефону +7 (495) 104-99-04 или напишите на email zakaz@podsnab.ru, прикрепив реквизиты вашей организации.
Мы оперативно подготовим коммерческое предложение и выставим счет.
Возврат товара надлежащего качества возможен в течение 10 дней с момента получения, если товар не был в употреблении, сохранен товарный вид, упаковка не вскрывалась и присутствуют все сопроводительные документы.
Возврат денежных средств осуществляется в течение 10 рабочих дней после проверки товара складом.
В соответствии с законодательством возврату не подлежат подшипники надлежащего качества, если отсутствует оригинальная упаковка или имеются следы монтажа.
В случае выявления брака или гарантийного случая мы гарантируем возврат или обмен товара.
Да, гарантийный срок хранения устанавливается заводом-изготовителем и в среднем составляет 2 года при соблюдении условий хранения: сухое помещение, оригинальная упаковка и смазка.
Точный срок для конкретного типа подшипника уточняйте у наших менеджеров.
Пн–Пт: с 8:00 до 17:00 (МСК).
Сб–Вс: выходные дни.
Заказы на сайте принимаются круглосуточно. Заявки, поступившие после окончания рабочего дня, обрабатываются на следующий рабочий день.
Минимальная сумма заказа для доставки составляет 3000 рублей. Самовывоз со склада возможен на любую сумму при наличии товара.
ООО «УралТехГрупп»
ИНН: 7415093830
КПП: 772401001
ОГРН: 1167456069021
Банк: ПАО Сбербанк
Р/с: 40702810838000475273
К/с: 30101810400000000225
БИК: 044525225
У подшипника 30/8-2Z пока нет отзывов. Вы можете стать первым покупателем, поделившимся своим мнением.