Поиск подшипника
Статьи
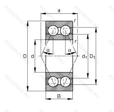
3216B.TVH — Подшипник шариковый двухрядный радиально-упорный, модификация основного исполнения 3216, выпускается производителями: FAG, NEUTRAL.
Размер подшипника: 80x140x44 мм.
Твердая клетка из полиамида, модифицированная внутренняя конструкция.
Аналоги: 3216-B-TVH FAG,3216.TVH INA.
Международная стандартизации ISO
3216BTVH
В наличии
| Обозначение | Конструктивные изменения |
|---|---|
| 3216A/C3 | Внутренний зазор больше нормального. Двухрядный радиально-упорный шарикоподшипник без отверстия для смазки. |
| 3216B.TVH.C3 | Внутренний зазор больше нормального. Конический роликовый подшипник. Угол контакта 20 градусов. Формованный полиамидный сепаратор защелкивающегося типа. |
| 3216 ATNZZ | Подшипник шариковый двухрядный радиально-упорный. |
| 3216 ATN | Подшипник шариковый двухрядный радиально-упорный. |
| 3216 ATN2RS | Подшипник шариковый двухрядный радиально-упорный. |
| 3216 | Подшипник шариковый двухрядный радиально-упорный. Основное конструктивное исполнение. |
| 3216-2RS | Контактные уплотнения типа RS с обеих сторон игольчатого роликоподшипника. |
| 3216-2Z | Защитные металлические шайбы с обеих сторон подшипника. |
| 3216C3 | Внутренний зазор больше нормального. |
| 3216A | Однорядный радиально-упорный шариковый подшипник с полиамидным сепаратором. |
| 3216M | Подшипник с латунным сепаратором. центрированный по телам качения. |
| 3216AM | Двухрядный радиально-упорный шарикоподшипник без отверстия для смазки. Обработанный латунный сепаратор оконного типа. Центрирование шарика. |
| 3216-B-2Z-TVH-L178 | Модификация внутренней конструкции. Щиты с обеих сторон подшипника. Формованный полиамидный сепаратор защелкивающегося типа. High Speed Grease. Low And High Temp. -50°C / 120°C. Longtime Limit Temperature 75°C. |
| 3216-B-2Z-TVH | Модификация внутренней конструкции. Щиты с обеих сторон подшипника. Формованный полиамидный сепаратор защелкивающегося типа. |
| 3216M C3 | Внутренний зазор больше нормального. Механически обработанный латунный сепаратор .Расположенный на элементах качения. |
| 3216B.2ZR.TVH | Модификация внутренней конструкции. Формованный полиамидный сепаратор защелкивающегося типа. Щиты с обеих сторон подшипника. |
| 3216FY | Обработанный латунный сепаратор. |
| 3216FT3 | Carbon Graphite Sleeve. |
| 3216S | Запечатанная версия кулачкового ролика. |
| 3216 ZZ | Защитные металлические шайбы (бесконтактные уплотнения) с обеих сторон подшипника. |
| 3216-B-TV | Конический роликовый подшипник. Угол контакта 20 градусов. Прочный сепаратор из полиамида. армированного стекловолокном. |
| PCZ 3216 E | Повышенная грузоподъемность. |
| PCZ 3216 M | Подшипник с латунным сепаратором. центрированный по телам качения. |
Модификации шарикового подшипника 3216B.TVH — это измененное основное конструктивное исполнение 3216, основные размеры (80x140x44) не отличаются.
| Обозначение | Гост | Конструктивные особенности |
|---|---|---|
| 5216W | ISO | Подшипник без смазочных отверстий в наружном кольце. |
| 5216A | ISO | Измененная или модифицированная внутренняя конструкция при неизменных основных размерах. |
| 5216 | ISO | Подшипник шариковый двухрядный радиально-упорный. |
| 5216MG H501 | ISO | Внутренний суффикс-код MRC. Формованный сепаратор из полиамида. укрепленного стекловолокном. |
| 5216C3 | ISO | Внутренний зазор больше нормального. |
| LDJK80M | ISO | Механически обработанный латунный сепаратор .Расположенный на элементах качения. |
| 5216Z | ISO | щит из листовой прессованной стали с одной стороны подшипника. |
| 5216M | ISO | Двухрядный радиально-упорный. Шарикоподшипник с заполняющей выемкой и сходящимися наружу углами контакта. |
| 5216A/C3 | ISO | Внутренний зазор больше нормального. Двухрядный радиально-упорный шарикоподшипник без отверстия для смазки. |
| 5216MFF | ISO | Двухрядный радиально-упорный. Шарикоподшипник с заполняющей выемкой и сходящимися наружу углами контакта. Металлическое уплотнение с двух сторон. |
| 5216MFFG H501 | ISO | Двухрядный радиально-упорный. Шарикоподшипник с заполняющей выемкой и сходящимися наружу углами контакта. Канавка под стопорное кольцо на наружном кольце с соответствующим стопорным кольцом. Металлическое уплотнение с двух сторон. Внутренний суффикс-код MRC. |
| 5216MG | ISO | Формованный сепаратор из полиамида. укрепленного стекловолокном. |
Аналог шарикового подшипника 3216B.TVH — это подшипник такого же размера dx80,Dx140,Bx44, типа и конструкции.
| Обозначение | Конструктивные особенности | Внутренний (d) | Наружный (D) | Ширина (B) |
|---|---|---|---|---|
| 6-3056216-Л1Ш1 | Шариковый радиально-упорный двухрядный подшипник. Сепаратор из латуни.. Нормы шумности. | 80.00 | 140.00 | 44.40 |
| 6-3056216-Л1Ш | Шариковый радиально-упорный двухрядный подшипник. Сепаратор из латуни.. Нормы шумности. | 80.00 | 140.00 | 44.40 |
| 6-3056216-Ш | Шариковый радиально-упорный двухрядный подшипник. Нормы шумности. | 80.00 | 140.00 | 44.40 |
| 76-3056216 Л1Ш1 | Шариковый радиально-упорный двухрядный подшипник. Сепаратор из латуни.. Нормы шумности. | 80.00 | 140.00 | 44.40 |
| 76-3056216 Л1Ш | Шариковый радиально-упорный двухрядный подшипник. Сепаратор из латуни.. Нормы шумности. | 80.00 | 140.00 | 44.40 |
| 5216G | Шариковый радиально-упорный двухрядный подшипник. Устройство повторного смазывания со смазочной канавкой и отверстием на внешнем кольце. | 80.00 | 140.00 | 44.45 |
| 5216G PRB | Шариковый радиально-упорный двухрядный подшипник. Устройство повторного смазывания со смазочной канавкой и отверстием на внешнем кольце. Molded Nylon Cage. | 80.00 | 140.00 | 44.45 |
| 5216AN | Шариковый радиально-упорный двухрядный подшипник. Код формы шариковой направляющей. | 80.00 | 140.00 | 44.40 |
| 5216NR | Шариковый радиально-упорный двухрядный подшипник. Канавка под стопорное кольцо на наружном кольце с соответствующим стопорным кольцом. | 80.00 | 140.00 | 44.40 |
| 5216N | Шариковый радиально-упорный двухрядный подшипник. Канавка под стопорное кольцо на внешнем кольце. | 80.00 | 140.00 | 44.40 |
| 5216S | Шариковый радиально-упорный двухрядный подшипник. Запечатанная версия кулачкового ролика. Только для тел качения. | 80.00 | 140.00 | 44.40 |
| 3056216-Е | Шариковый радиально-упорный двухрядный подшипник. Сепаратор из текстолита.. | 80.00 | 140.00 | 44.40 |
| 3056216-Л | Шариковый радиально-упорный двухрядный подшипник. Сепаратор из латуни.. | 80.00 | 140.00 | 44.40 |
| 63216-2RS | Шариковый радиальный однорядный подшипник. Резиновые уплотнения с каждой стороны подшипника. | 80.00 | 140.00 | 44.40 |
| 63216 ZZ | Шариковый радиальный однорядный подшипник. Защитные металлические шайбы (бесконтактные уплотнения) с обеих сторон подшипника. | 80.00 | 140.00 | 44.40 |
Способы доставки
Отправка через ведущие транспортные и курьерские компании: ПЭК, Деловые Линии, СДЭК, Байкал-Сервис, Энергия, КИТ, ЖелДорЭкспедиция.
Самовывоз возможен напрямую со склада в Москве.
Сроки доставки
Срок зависит от региона и выбранной транспортной компании. Все заказы комплектуются и отправляются в кратчайшие сроки со склада в Москве.
Надёжность и сохранность
Вся продукция упаковывается с учётом требований транспортировки. Мы гарантируем, что подшипники и комплектующие прибудут к заказчику в полной сохранности.
Доставка в страны ЕАЭС
Мы работаем с проверенными логистическими партнёрами, что позволяет оперативно доставлять заказы в Беларусь, Казахстан, Армению и другие страны ЕАЭС.
Варианты оплаты:
Минимальная сумма заказа и скидки:
Документы и гарантии:
Да, конечно! Наши технические специалисты готовы помочь вам с подбором точного аналога или замены подшипника. Просто позвоните нам по телефону +7 (495) 104-99-04 или напишите на почту zakaz@podsnab.ru.
Для оперативной консультации подготовьте, пожалуйста, имеющиеся данные: маркировку, размеры, тип оборудования или артикул старого подшипника.
Да, конечно! Мы высоко ценим долгосрочное сотрудничество и доверие клиентов по всей России. Для постоянных клиентов действует персональная система скидок.
Условия формируются индивидуально и зависят от:
Чтобы узнать свои условия и получить максимально выгодное предложение, свяжитесь с персональным менеджером или напишите нам на почту zakaz@podsnab.ru.
Вы можете оформить заказ несколькими способами:
Для оформления заказа от юридического лица свяжитесь с нашим отделом по работе с корпоративными клиентами по телефону +7 (495) 104-99-04 или напишите на email zakaz@podsnab.ru, прикрепив реквизиты вашей организации.
Мы оперативно подготовим коммерческое предложение и выставим счет.
Возврат товара надлежащего качества возможен в течение 10 дней с момента получения, если товар не был в употреблении, сохранен товарный вид, упаковка не вскрывалась и присутствуют все сопроводительные документы.
Возврат денежных средств осуществляется в течение 10 рабочих дней после проверки товара складом.
В соответствии с законодательством возврату не подлежат подшипники надлежащего качества, если отсутствует оригинальная упаковка или имеются следы монтажа.
В случае выявления брака или гарантийного случая мы гарантируем возврат или обмен товара.
Да, гарантийный срок хранения устанавливается заводом-изготовителем и в среднем составляет 2 года при соблюдении условий хранения: сухое помещение, оригинальная упаковка и смазка.
Точный срок для конкретного типа подшипника уточняйте у наших менеджеров.
Пн–Пт: с 8:00 до 17:00 (МСК).
Сб–Вс: выходные дни.
Заказы на сайте принимаются круглосуточно. Заявки, поступившие после окончания рабочего дня, обрабатываются на следующий рабочий день.
Минимальная сумма заказа для доставки составляет 3000 рублей. Самовывоз со склада возможен на любую сумму при наличии товара.
ООО «УралТехГрупп»
ИНН: 7415093830
КПП: 772401001
ОГРН: 1167456069021
Банк: ПАО Сбербанк
Р/с: 40702810838000475273
К/с: 30101810400000000225
БИК: 044525225
У подшипника 3216B.TVH пока нет отзывов. Вы можете стать первым покупателем, поделившимся своим мнением.