Поиск подшипника
Статьи
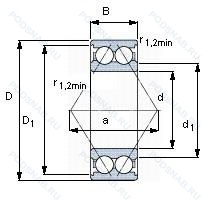
3212ATN9 — Подшипник шариковый двухрядный радиально-упорный, модификация основного исполнения 3212, выпускается производителями: ISB, SKF.
Размер подшипника: 60x110x36 мм.
Литой защелкивающийся сепаратор из полиамида. армированного стекловолокном 6.6, двухрядный радиально-упорный шарикоподшипник без отверстия для смазки.
Альтернативное обозначение: 5212B.2RSR.TVH.
Аналоги: 3212B.TVH FAG,3212-BD-TVH FAG,3212B TNG NSK,3212TVH Sin Nan Hwa.
Международная стандартизации ISO
3212ATN9
В наличии
| Обозначение | Конструктивные изменения |
|---|---|
| 3212-BD-XL-2HRS-C3 | Внутренний зазор больше нормального. Серия X-Life премиум-класс. увеличиный срок службы. Манжетные уплотнения с обеих сторон изготовлены из нитрил-бутадиенового каучука. Эти конструкции смазываются на весь срок службы высококачественной смазкой и подходят для умеренных скоростей. Момент трения и тепловыделение ниже, чем при использовании предыдущего уплотнения RSR.. Модифицированная внутренняя конструкция. угол контакта α=30. без отверстия для заполнения. |
| 3212-2Z-C3 | Внутренний зазор больше нормального. Зазорные уплотнения с обеих сторон подшипника.. |
| 3212A-Z/C3MT33 | Внутренний зазор больше нормального. Двухрядный радиально-упорный шарикоподшипник без отверстия для смазки. щит из листовой прессованной стали с одной стороны подшипника. Lithium Grease. Medium Temp. 74 cSt @ 40°C. -30°C/+120°C. A Two-Figure Number Following MT Identifies The Actual Grease. An Additional Letter Or Letter/Figure Combination As Mentioned Under HT Identifies Filling Degrees Other Than Standard. Examples/ MT33 Or MT37F9. |
| 3212BC.JH | Штампованная сталь. Conrad Type 25° Угол контакта. Domestic Production. |
| 3212BC.JH.C3 | Внутренний зазор больше нормального. Штампованная сталь. Conrad Type 25° Угол контакта. Domestic Production. |
| 3212-BD-TVH-C3 | Внутренний зазор больше нормального. Литой полиамидный сепаратор (PA66). защелкивающийся. Модифицированная внутренняя конструкция. угол контакта α=30. без отверстия для заполнения. |
| 3212-BD-TVH | Литой полиамидный сепаратор (PA66). защелкивающийся. Модифицированная внутренняя конструкция. угол контакта α=30. без отверстия для заполнения. |
| 3212-BD-2HRS-TVH | Формованный полиамидный сепаратор защелкивающегося типа. Манжетные уплотнения с обеих сторон изготовлены из нитрил-бутадиенового каучука. Эти конструкции смазываются на весь срок службы высококачественной смазкой и подходят для умеренных скоростей. Момент трения и тепловыделение ниже, чем при использовании предыдущего уплотнения RSR.. Модифицированная внутренняя конструкция. угол контакта α=30. без отверстия для заполнения. |
| 3212-B-2RS-TNH | Резиновые уплотнения с каждой стороны подшипника. Модификация внутренней конструкции. Подшипник с защелкиваемым сепаратором из пластмассы. |
| 3212A J30 | Без пазов для заполнения, с полиамидным сепаратором, угол 25°. Внутренний зазор больше нормального. |
| 3212G15 | Литой сепаратор из полиамида 6.6. армированного стекловолокном. Центрированный элемент качения.. |
| 3212B/TG/C3 3D | Внутренний зазор больше нормального. Угол контакта 25 Degrees. сепаратор из полиамида 6.6. армированного стекловолокном. |
| 3212B 2RSKTN9 | Резиновые уплотнения с каждой стороны подшипника. 25° Угол контакта. |
| 3212B-2RSTN | Резиновые уплотнения с каждой стороны подшипника. 25° Угол контакта. Сепаратор из полиамида 66. армированного стекловолокном. |
| 3212BTN | 25° Угол контакта. Клетка из армированного стекловолокном полиамида 66. |
| 3212BTNC3 | Внутренний зазор больше нормального. 25° Угол контакта. Клетка из армированного стекловолокном полиамида 66. |
| 3212WAC3 | Внутренний зазор больше нормального. Double Row. Maximum Capacity. With Special Inner And Outer Ring Corners. |
| 3212A/C2 | Внутренний зазор подшипника меньше нормального. Двухрядный радиально-упорный шарикоподшипник без отверстия для смазки. |
| 3212 A-2RS1 | Измененная или модифицированная внутренняя конструкция при неизменных основных размерах. Усиленные листовой сталью контактные уплотнения из акрилонитрил-бутадиенового каучука (NBR) с обеих сторон подшипника. |
| 3212-BD-2Z-TVH | Защитные металлические шайбы с обеих сторон подшипника. Твердая клетка из полиамида. Tapered Roller Bearing. Steep Угол контакта (24° To 32°). Metric Series. |
| 3212A-2Z | Измененная или модифицированная внутренняя конструкция при неизменных основных размерах. Защитные металлические шайбы с обеих сторон подшипника. |
| 3212-B-2Z-TVH | Модифицированная внутренняя конструкция. Защитные металлические шайбы с обеих сторон подшипника. Твердая клетка из полиамида. |
| 3212B2RS/C3 | Внутренний зазор больше нормального. |
| 3212-B-2RSR-TV | Конический роликовый подшипник. Угол контакта 20 градусов. Резиновые уплотнения с каждой стороны подшипника. Прочный сепаратор из полиамида. армированного стекловолокном. |
| 3212 2Z | Защитные металлические шайбы с обеих сторон подшипника. |
Модификации шарикового подшипника 3212ATN9 — это измененное основное конструктивное исполнение 3212, основные размеры (60x110x36) не отличаются.
| Обозначение | Гост | Конструктивные особенности |
|---|---|---|
| 5212E/C3 | ISO | Внутренний зазор больше нормального. Подшипник с заправочным пазом для ввода тел качений. |
| 5212A | ISO | Двухрядный радиально-упорный шарикоподшипник без отверстия для смазки. |
| 5212T | ISO | Textile Laminated Phenolic Resin. Outer Ring Guided. The Cage Is Suitable For Long-Term Operation At Temperatures Up To 100°C. |
| 5212-2RSNRTNGC3 | ISO | Внутренний зазор больше нормального. Резиновые уплотнения с каждой стороны подшипника. Канавка под стопорное кольцо на наружном кольце с соответствующим стопорным кольцом. Сепаратор из полиамида 66. армированного стекловолокном. |
| 5212ZZ G15 NR | ISO | Защитные металлические шайбы с обеих сторон. Канавка под стопорное кольцо на наружном кольце с соответствующим стопорным кольцом. Литой сепаратор из полиамида 6.6. армированного стекловолокном. Центрированный элемент качения.. |
| LDJT60M | ISO | Механически обработанный латунный сепаратор .Расположенный на элементах качения. |
| 5212 2RS | ISO | Резиновые уплотнения с каждой стороны подшипника. |
| 5212ZZ G15 | ISO | Защитные металлические шайбы с обеих сторон. Литой сепаратор из полиамида 6.6. армированного стекловолокном. Центрированный элемент качения.. |
| 5212K C3 | ISO | Внутренний зазор больше нормального. Conrad (Non-Filling Slot) Type. |
| 5212J | ISO | Сепаратор из стали. |
| 5212ANR/C3 | ISO | Внутренний зазор больше нормального. Двухрядный радиально-упорный шарикоподшипник без отверстия для смазки. Канавка под стопорное кольцо на наружном кольце с соответствующим стопорным кольцом. |
| 5212A-2Z | ISO | Двухрядный радиально-упорный шарикоподшипник без отверстия для смазки. Защитные металлические шайбы с обеих сторон подшипника. |
| 5212EE G15 | ISO | Литой сепаратор из полиамида 6.6. армированного стекловолокном. Элемент качения по центру. Резиновые уплотнения с каждой стороны подшипника. |
| 5212KF | ISO | Y-образный подшипник серии YSA2-2FK (внутреннее кольцо расширено с обеих сторон. Коническое отверстие). Стандартное уплотнение + простой маслоотражатель с каждой стороны. |
| 5212CF | ISO | Inner Rings Can Be Provided In A Semi- Finished Condition With Appropriate Grind Stock To Allow Mill Operators To Optimize The Roll’s Precision By Finish Grinding The Inner Ring After Mounting It Onto The Roll. The Part Numbers For These Bearings And Inner Ring Assemblies Are Identified By A Cf Suffix. |
| 5212EE | ISO | Резиновые уплотнения с каждой стороны подшипника. |
| 5212ZZ C3 | ISO | Внутренний зазор больше нормального. Защитные металлические шайбы с обеих сторон. |
| 5212SC3 | ISO | Прессованный стальной сепаратор. Внутренний зазор больше нормального. |
| 5212MZZ | ISO | Защитные металлические шайбы с двух сторон подшипника. Двухрядный радиально-упорный. Шарикоподшипник с заполняющей выемкой и сходящимися наружу углами контакта. |
| 5212K | ISO | Conrad (Non-Filling Slot) Type. |
Аналог шарикового подшипника 3212ATN9 — это подшипник такого же размера dx60,Dx110,Bx36, типа и конструкции.
| Обозначение | Конструктивные особенности | Внутренний (d) | Наружный (D) | Ширина (B) |
|---|---|---|---|---|
| 5212 E-2Z | Шариковый радиально-упорный подшипник. Повышенная грузоподъемность. Защитные металлические шайбы с обеих сторон подшипника. | 60.00 | 110.00 | 36.50 |
| 3056212-К1 | Шариковый радиально-упорный двухрядный подшипник. «Замок» (скос) на внутреннем кольце плюс массивный сепаратор из текстолита. | 60.00 | 110.00 | 36.50 |
| 6-3056212 К1Ш1 | Шариковый радиально-упорный двухрядный подшипник. «Замок» (скос) на внутреннем кольце плюс массивный сепаратор из текстолита. Нормы шумности. | 60.00 | 110.00 | 36.50 |
| 6-3056212 Ш1 | Шариковый радиально-упорный двухрядный подшипник. Нормы шумности. | 60.00 | 110.00 | 36.50 |
| 5212KG | Шариковый радиально-упорный двухрядный подшипник. Серия с закрепительной втулкой и смазочным отверстием. | 60.00 | 110.00 | 36.53 |
| 5212W | Шариковый радиально-упорный двухрядный подшипник. Максимальная грузоподъемность. | 60.00 | 110.00 | 36.53 |
| 5212NR | Шариковый радиально-упорный двухрядный подшипник. Канавка под стопорное кольцо на наружном кольце с соответствующим стопорным кольцом. | 60.00 | 110.00 | 36.50 |
| 5212Z | Шариковый радиально-упорный двухрядный подшипник. щит из листовой прессованной стали с одной стороны подшипника. | 60.00 | 110.00 | 36.50 |
| 5212AN | Шариковый радиально-упорный двухрядный подшипник. Код формы шариковой направляющей. | 60.00 | 110.00 | 36.50 |
| 5212AZZ | Шариковый радиально-упорный двухрядный подшипник. Однорядный радиальный шарикоподшипник с двумя уплотнениями. | 60.00 | 110.00 | 36.50 |
| 5212N | Шариковый радиально-упорный двухрядный подшипник. Канавка под стопорное кольцо на внешнем кольце. | 60.00 | 110.00 | 36.50 |
| 5212S | Шариковый радиально-упорный двухрядный подшипник. Запечатанная версия кулачкового ролика. Только для тел качения. | 60.00 | 110.00 | 36.50 |
| 3056212.2RS | Шариковый радиально-упорный двухрядный подшипник. Резиновые уплотнения с каждой стороны подшипника. | 60.00 | 110.00 | 36.50 |
| 63212-2RS | Шариковый радиальный однорядный подшипник. Резиновые уплотнения с каждой стороны подшипника. | 60.00 | 110.00 | 36.50 |
| 6-3056212 Ш | Шариковый радиально-упорный двухрядный подшипник. Нормы шумности. | 60.00 | 110.00 | 36.50 |
Способы доставки
Отправка через ведущие транспортные и курьерские компании: ПЭК, Деловые Линии, СДЭК, Байкал-Сервис, Энергия, КИТ, ЖелДорЭкспедиция.
Самовывоз возможен напрямую со склада в Москве.
Сроки доставки
Срок зависит от региона и выбранной транспортной компании. Все заказы комплектуются и отправляются в кратчайшие сроки со склада в Москве.
Надёжность и сохранность
Вся продукция упаковывается с учётом требований транспортировки. Мы гарантируем, что подшипники и комплектующие прибудут к заказчику в полной сохранности.
Доставка в страны ЕАЭС
Мы работаем с проверенными логистическими партнёрами, что позволяет оперативно доставлять заказы в Беларусь, Казахстан, Армению и другие страны ЕАЭС.
Варианты оплаты:
Минимальная сумма заказа и скидки:
Документы и гарантии:
Да, конечно! Наши технические специалисты готовы помочь вам с подбором точного аналога или замены подшипника. Просто позвоните нам по телефону +7 (495) 104-99-04 или напишите на почту zakaz@podsnab.ru.
Для оперативной консультации подготовьте, пожалуйста, имеющиеся данные: маркировку, размеры, тип оборудования или артикул старого подшипника.
Да, конечно! Мы высоко ценим долгосрочное сотрудничество и доверие клиентов по всей России. Для постоянных клиентов действует персональная система скидок.
Условия формируются индивидуально и зависят от:
Чтобы узнать свои условия и получить максимально выгодное предложение, свяжитесь с персональным менеджером или напишите нам на почту zakaz@podsnab.ru.
Вы можете оформить заказ несколькими способами:
Для оформления заказа от юридического лица свяжитесь с нашим отделом по работе с корпоративными клиентами по телефону +7 (495) 104-99-04 или напишите на email zakaz@podsnab.ru, прикрепив реквизиты вашей организации.
Мы оперативно подготовим коммерческое предложение и выставим счет.
Возврат товара надлежащего качества возможен в течение 10 дней с момента получения, если товар не был в употреблении, сохранен товарный вид, упаковка не вскрывалась и присутствуют все сопроводительные документы.
Возврат денежных средств осуществляется в течение 10 рабочих дней после проверки товара складом.
В соответствии с законодательством возврату не подлежат подшипники надлежащего качества, если отсутствует оригинальная упаковка или имеются следы монтажа.
В случае выявления брака или гарантийного случая мы гарантируем возврат или обмен товара.
Да, гарантийный срок хранения устанавливается заводом-изготовителем и в среднем составляет 2 года при соблюдении условий хранения: сухое помещение, оригинальная упаковка и смазка.
Точный срок для конкретного типа подшипника уточняйте у наших менеджеров.
Пн–Пт: с 8:00 до 17:00 (МСК).
Сб–Вс: выходные дни.
Заказы на сайте принимаются круглосуточно. Заявки, поступившие после окончания рабочего дня, обрабатываются на следующий рабочий день.
Минимальная сумма заказа для доставки составляет 3000 рублей. Самовывоз со склада возможен на любую сумму при наличии товара.
ООО «УралТехГрупп»
ИНН: 7415093830
КПП: 772401001
ОГРН: 1167456069021
Банк: ПАО Сбербанк
Р/с: 40702810838000475273
К/с: 30101810400000000225
БИК: 044525225
У подшипника 3212ATN9 пока нет отзывов. Вы можете стать первым покупателем, поделившимся своим мнением.