Поиск подшипника
Статьи
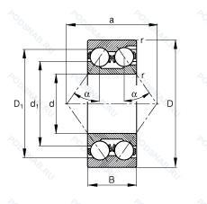
3222-M — Подшипник шариковый двухрядный радиально-упорный, модификация основного исполнения 3222, выпускается производителями: FAG, NKE.
Размер подшипника: 110x200x69 мм.
Подшипник с латунным сепаратором. центрированный по телам качения.
Аналоги: 3222-M FAG,3222CD3 FY Koyo.
Международная стандартизации ISO
3222M
В наличии
| Обозначение | Конструктивные изменения |
|---|---|
| 3222 | Подшипник шариковый двухрядный радиально-упорный. Основное конструктивное исполнение. |
| 3222/C3 | Внутренний зазор больше нормального. |
| 3222 ATNZZ | Подшипник шариковый двухрядный радиально-упорный. |
| 3222 ATN2RS | Подшипник шариковый двухрядный радиально-упорный. |
| 3222 ATN | Подшипник шариковый двухрядный радиально-упорный. |
| 3222C.M | 15° Угол контакта. Твердый латунный сепаратор. Шариковые направляющие. |
| 3222NR C3 | Внутренний зазор больше нормального. Канавка под стопорное кольцо на наружном кольце с соответствующим стопорным кольцом. |
| 3222CD3 FY | Механически обработанный латунный сепаратор. Greater Than Standard Clearance. |
| 3222A | Двухрядный радиально-упорный шарикоподшипник без отверстия для смазки. |
| 3222A/C3 | Внутренний зазор больше нормального. Двухрядный радиально-упорный шарикоподшипник без отверстия для смазки. |
| 3222-M-C3 | Внутренний зазор больше нормального. Подшипник с латунным сепаратором. центрированный по телам качения. |
| 3222CD3 | Greater Than Standard Clearance. |
Модификации шарикового подшипника 3222-M — это измененное основное конструктивное исполнение 3222, основные размеры (110x200x69) не отличаются.
| Обозначение | Гост | Конструктивные особенности |
|---|---|---|
| 5222A/C3W64 | ISO | Внутренний зазор больше нормального. Двухрядный радиально-упорный шарикоподшипник без отверстия для смазки. Антифрикционный заполнитель. твердая смазка. |
| 5222A/W64 | ISO | Двухрядный радиально-упорный шарикоподшипник без отверстия для смазки. Антифрикционный заполнитель. твердая смазка. |
| 5222 | ISO | Подшипник шариковый двухрядный радиально-упорный. |
| 5222A/C3 | ISO | Внутренний зазор больше нормального. Двухрядный радиально-упорный шарикоподшипник без отверстия для смазки. |
| 5222M | ISO | Подшипник с латунным сепаратором. центрированный по телам качения. |
| 5222A | ISO | Измененная или модифицированная внутренняя конструкция при неизменных основных размерах. |
| 5222C | ISO | Двухрядный радиально-упорный подшипник качения без канавки для заполнения шариками. Со сходящимися наружу угловыми контактами. Жесткая конструкция. |
| 5222WS | ISO | Z (SKF)=Shield Of Pressed Sheet Steel On One Side Of The Bearing. |
Аналог шарикового подшипника 3222-M — это подшипник такого же размера dx110,Dx200,Bx69, типа и конструкции.
| Обозначение | Конструктивные особенности | Внутренний (d) | Наружный (D) | Ширина (B) |
|---|---|---|---|---|
| NJ3222 | Роликовый радиальный однорядный подшипник. Штампованный сепаратор из стального листа. Канавка под стопорное кольцо на наружном кольце подшипника. Однорядный цилиндрический роликовый подшипник. Наружное кольцо имеет два борта. | 110.00 | 200.00 | 69.80 |
| NJ5222 | Роликовый радиальный однорядный подшипник. Штампованный сепаратор из стального листа. Канавка под стопорное кольцо на наружном кольце подшипника. Однорядный цилиндрический роликовый подшипник. Наружное кольцо имеет два борта. | 110.00 | 200.00 | 69.85 |
| NP3222 | Роликовый радиальный однорядный подшипник. Канавка под стопорное кольцо на наружном кольце подшипника. | 110.00 | 200.00 | 69.80 |
| NU3222 | Роликовый радиальный однорядный подшипник. Сталь сквозной закалки SUJ2 (японская) и взаимозаменяемость (только для метрических серий). Канавка под стопорное кольцо на наружном кольце подшипника. Однорядные цилиндрические роликоподшипники. Наружное кольцо подшипника имеет два борта. | 110.00 | 200.00 | 69.80 |
| NU5222 | Роликовый радиальный однорядный подшипник. Канавка под стопорное кольцо на наружном кольце подшипника. Однорядные цилиндрические роликоподшипники. Наружное кольцо подшипника имеет два борта. | 110.00 | 200.00 | 69.85 |
| NUP3222 | Роликовый радиальный однорядный подшипник. Канавка под стопорное кольцо на наружном кольце подшипника. Точность размеров примерно соответствует классу точности Р4. Однорядный цилиндрический роликовый подшипник. Наружное кольцо имеет два борта. | 110.00 | 200.00 | 69.80 |
| NUP5222 | Роликовый радиальный однорядный подшипник. Канавка под стопорное кольцо на наружном кольце подшипника. Точность размеров примерно соответствует классу точности Р4. Однорядный цилиндрический роликовый подшипник. Наружное кольцо имеет два борта. | 110.00 | 200.00 | 69.85 |
| 23222AX | Роликовый радиальный сферический двухрядный подшипник. Поверхность контакта скольжения сталь / сталь. | 110.00 | 200.00 | 69.80 |
| 23222EX1 | Роликовый радиальный сферический двухрядный подшипник. Сферический роликоподшипник высокой грузоподъемности. | 110.00 | 200.00 | 69.80 |
| 6-3056222 К1Ш1 | Шариковый радиально-упорный двухрядный подшипник. «Замок» (скос) на внутреннем кольце плюс массивный сепаратор из текстолита. Нормы шумности. | 110.00 | 200.00 | 69.80 |
| 76-3056222 К1Ш1 | Шариковый радиально-упорный двухрядный подшипник. «Замок» (скос) на внутреннем кольце плюс массивный сепаратор из текстолита. Нормы шумности. | 110.00 | 200.00 | 69.80 |
| 76-3056222 Л1Ш1 | Шариковый радиально-упорный двухрядный подшипник. Сепаратор из латуни.. Нормы шумности. | 110.00 | 200.00 | 69.80 |
| 76-3056222 Ш | Шариковый радиально-упорный двухрядный подшипник. Нормы шумности. | 110.00 | 200.00 | 69.80 |
| 3056222-К1 | Шариковый радиально-упорный двухрядный подшипник. «Замок» (скос) на внутреннем кольце плюс массивный сепаратор из текстолита. | 110.00 | 200.00 | 69.80 |
| 3056222-Л1 | Шариковый радиально-упорный двухрядный подшипник. Сепаратор из латуни.. | 110.00 | 200.00 | 69.80 |
Способы доставки
Отправка через ведущие транспортные и курьерские компании: ПЭК, Деловые Линии, СДЭК, Байкал-Сервис, Энергия, КИТ, ЖелДорЭкспедиция.
Самовывоз возможен напрямую со склада в Москве.
Сроки доставки
Срок зависит от региона и выбранной транспортной компании. Все заказы комплектуются и отправляются в кратчайшие сроки со склада в Москве.
Надёжность и сохранность
Вся продукция упаковывается с учётом требований транспортировки. Мы гарантируем, что подшипники и комплектующие прибудут к заказчику в полной сохранности.
Доставка в страны ЕАЭС
Мы работаем с проверенными логистическими партнёрами, что позволяет оперативно доставлять заказы в Беларусь, Казахстан, Армению и другие страны ЕАЭС.
Варианты оплаты:
Минимальная сумма заказа и скидки:
Документы и гарантии:
Да, конечно! Наши технические специалисты готовы помочь вам с подбором точного аналога или замены подшипника. Просто позвоните нам по телефону +7 (495) 104-99-04 или напишите на почту zakaz@podsnab.ru.
Для оперативной консультации подготовьте, пожалуйста, имеющиеся данные: маркировку, размеры, тип оборудования или артикул старого подшипника.
Да, конечно! Мы высоко ценим долгосрочное сотрудничество и доверие клиентов по всей России. Для постоянных клиентов действует персональная система скидок.
Условия формируются индивидуально и зависят от:
Чтобы узнать свои условия и получить максимально выгодное предложение, свяжитесь с персональным менеджером или напишите нам на почту zakaz@podsnab.ru.
Вы можете оформить заказ несколькими способами:
Для оформления заказа от юридического лица свяжитесь с нашим отделом по работе с корпоративными клиентами по телефону +7 (495) 104-99-04 или напишите на email zakaz@podsnab.ru, прикрепив реквизиты вашей организации.
Мы оперативно подготовим коммерческое предложение и выставим счет.
Возврат товара надлежащего качества возможен в течение 10 дней с момента получения, если товар не был в употреблении, сохранен товарный вид, упаковка не вскрывалась и присутствуют все сопроводительные документы.
Возврат денежных средств осуществляется в течение 10 рабочих дней после проверки товара складом.
В соответствии с законодательством возврату не подлежат подшипники надлежащего качества, если отсутствует оригинальная упаковка или имеются следы монтажа.
В случае выявления брака или гарантийного случая мы гарантируем возврат или обмен товара.
Да, гарантийный срок хранения устанавливается заводом-изготовителем и в среднем составляет 2 года при соблюдении условий хранения: сухое помещение, оригинальная упаковка и смазка.
Точный срок для конкретного типа подшипника уточняйте у наших менеджеров.
Пн–Пт: с 8:00 до 17:00 (МСК).
Сб–Вс: выходные дни.
Заказы на сайте принимаются круглосуточно. Заявки, поступившие после окончания рабочего дня, обрабатываются на следующий рабочий день.
Минимальная сумма заказа для доставки составляет 3000 рублей. Самовывоз со склада возможен на любую сумму при наличии товара.
ООО «УралТехГрупп»
ИНН: 7415093830
КПП: 772401001
ОГРН: 1167456069021
Банк: ПАО Сбербанк
Р/с: 40702810838000475273
К/с: 30101810400000000225
БИК: 044525225
У подшипника 3222-M пока нет отзывов. Вы можете стать первым покупателем, поделившимся своим мнением.