Поиск подшипника
Статьи
3322A — Подшипник шариковый двухрядный радиально-упорный, модификация основного исполнения 3322, выпускается производителями: ISB, SKF.
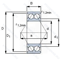
Размер подшипника: 110x240x92 мм.
Двухрядный радиально-упорный шарикоподшипник без отверстия для смазки.
Международная стандартизации ISO
3322A
В наличии
| Обозначение | Конструктивные изменения |
|---|---|
| 3322M C3 | Внутренний зазор больше нормального. Подшипник с латунным сепаратором. центрированный по телам качения. |
| 3322 ATNZZ | Подшипник шариковый двухрядный радиально-упорный. |
| 3322 ATN2RS | Подшипник шариковый двухрядный радиально-упорный. |
| 3322 ATN | Подшипник шариковый двухрядный радиально-упорный. |
| 3322M | Подшипник с латунным сепаратором. центрированный по телам качения. |
| 3322M.L61 | Твердый латунный сепаратор. Шариковые направляющие. Normal Temperature Grease -10°C/+130°C. Aeroshell Grease No. 5. |
| 3322A/C3 | Внутренний зазор больше нормального. Двухрядный радиально-упорный шарикоподшипник без отверстия для смазки. |
| 3322C3 | Внутренний зазор больше нормального. |
| 3322-DA-MA | Механически обработанный латунный сепаратор. Центрирование по внешнему кольцу. Lubricant. MIL-L-6085A2. |
| 3322 DMA | Измененная или модифицированная внутренняя конструкция при неизменных основных размерах. |
| 3322 | Подшипник шариковый двухрядный радиально-упорный. Основное конструктивное исполнение. |
| 3322 D | Половина целого игольчатого валика. Применять суффикс 'D' в базовом номере. |
Модификации шарикового подшипника 3322A — это измененное основное конструктивное исполнение 3322, основные размеры (110x240x92) не отличаются.
| Обозначение | Гост | Конструктивные особенности |
|---|---|---|
| 5322M.C3 | ISO | Внутренний зазор больше нормального. Твердый латунный сепаратор. Шариковые направляющие. |
| 5322WBR FS264B | ISO | Подшипник шариковый двухрядный радиально-упорный. |
| Z-541478.3322-DA-T52A | ISO | Шарикоподшипник двухрядный с разъемным внутренним кольцом. Rolling Bearings With Restricted Tolerances For Radial Runout_ Side Runout And Wall Thickness Variation (Axial Runout). |
| 5322C3 | ISO | Внутренний зазор больше нормального. |
| 5322 | ISO | Подшипник шариковый двухрядный радиально-упорный. |
| 5322M | ISO | Твердый латунный сепаратор. Шариковые направляющие. |
Аналог шарикового подшипника 3322A — это подшипник такого же размера dx110,Dx240,Bx92, типа и конструкции.
| Обозначение | Конструктивные особенности | Внутренний (d) | Наружный (D) | Ширина (B) |
|---|---|---|---|---|
| 23322YMW33W800C3 | Подшипник роликовый сферический. Внутренний зазор больше нормального. Канавка для смазки и три отверстия во внешнем кольце подшипника. Цельный латунный сепаратор пальцевого типа. Модификация грохота вибросита - сочетает в себе W22 (внешнее кольцо с уменьшенным допуском на наружный диаметр). W88 (внутреннее кольцо с уменьшенным допуском на диаметр отверстия) и верхние две трети указанного радиального внутреннего зазора. | 110.00 | 240.00 | 92.10 |
| 23322CAM E4 C3 U15-VS | Подшипник роликовый сферический. Внутренний зазор больше нормального. Канавка для смазки и три отверстия во внешнем кольце подшипника. Плавающее направляющее кольцо. Массивный латунный сепаратор. Спецификация уменьшенных допусков для подшипников вибросита. Символ для подшипников вибрационного грохота. | 110.00 | 240.00 | 92.10 |
| 23322-A-MA-T41A | Подшипник роликовый сферический. Модифицированная внутренняя конструкция. Механически обработанный латунный сепаратор. Центрирование по внешнему кольцу. Для вибросит/виброгрохотов (Зазор С4). | 110.00 | 240.00 | 92.10 |
| 23322CAME4C4U15-VS | Подшипник роликовый сферический. Внутренний зазор подшипника больше. чем C3. Канавка для смазки и три отверстия во внешнем кольце подшипника. Плавающее направляющее кольцо. Массивный латунный сепаратор. Спецификация уменьшенных допусков для подшипников вибросита. Символ для подшипников вибрационного грохота. | 110.00 | 240.00 | 92.10 |
| 30-3053322-Н | Роликовый радиальный двухрядный подшипник. Детали из теплостойкой стали. | 110.00 | 240.00 | 92.10 |
| 3053322Н | Роликовый радиальный двухрядный подшипник. Детали из теплостойкой стали. | 110.00 | 240.00 | 92.10 |
| NU3322A | Роликовый радиальный однорядный подшипник. Двухрядный радиально-упорный шарикоподшипник без отверстия для смазки. | 110.00 | 240.00 | 92.10 |
| A 5322 WB | Роликовый радиальный однорядный подшипник. Cast Iron Take-Up Type Bearing Unit With Its Stretcher Frame. Relubricatable. | 110.00 | 240.00 | 92.08 |
| 23322YMW33W22 C7 | Роликовый радиальный сферический подшипник. Standard Preload For Oil Lubrication. | 110.00 | 240.00 | 92.10 |
| 23322W33 | Роликовый радиальный сферический двухрядный подшипник. Кольцевая канавка и три отверстия для смазывания в наружном кольце подшипника. | 110.00 | 240.00 | 92.00 |
| 23322YM | Роликовый радиальный сферический двухрядный подшипник. 1 Piece Bronze Cage - Finger Type. | 110.00 | 240.00 | 92.10 |
| NJ3322 | Роликовый радиальный однорядный подшипник. Штампованный сепаратор из стального листа. Канавка под стопорное кольцо на наружном кольце подшипника. Однорядный цилиндрический роликовый подшипник. Наружное кольцо имеет два борта. | 110.00 | 240.00 | 92.10 |
| NU3322 | Роликовый радиальный однорядный подшипник. Канавка под стопорное кольцо на наружном кольце подшипника. Однорядные цилиндрические роликоподшипники. Наружное кольцо подшипника имеет два борта. | 110.00 | 240.00 | 92.10 |
| NUP3322 | Роликовый радиальный однорядный подшипник. Канавка под стопорное кольцо на наружном кольце подшипника. Точность размеров примерно соответствует классу точности Р4. Однорядный цилиндрический роликовый подшипник. Наружное кольцо имеет два борта. | 110.00 | 240.00 | 92.10 |
| 5322W | Шариковый радиально-упорный двухрядный подшипник. Максимальная грузоподъемность. | 110.00 | 240.00 | 92.08 |
Способы доставки
Отправка через ведущие транспортные и курьерские компании: ПЭК, Деловые Линии, СДЭК, Байкал-Сервис, Энергия, КИТ, ЖелДорЭкспедиция.
Самовывоз возможен напрямую со склада в Москве.
Сроки доставки
Срок зависит от региона и выбранной транспортной компании. Все заказы комплектуются и отправляются в кратчайшие сроки со склада в Москве.
Надёжность и сохранность
Вся продукция упаковывается с учётом требований транспортировки. Мы гарантируем, что подшипники и комплектующие прибудут к заказчику в полной сохранности.
Доставка в страны ЕАЭС
Мы работаем с проверенными логистическими партнёрами, что позволяет оперативно доставлять заказы в Беларусь, Казахстан, Армению и другие страны ЕАЭС.
Варианты оплаты:
Минимальная сумма заказа и скидки:
Документы и гарантии:
Да, конечно! Наши технические специалисты готовы помочь вам с подбором точного аналога или замены подшипника. Просто позвоните нам по телефону +7 (495) 104-99-04 или напишите на почту zakaz@podsnab.ru.
Для оперативной консультации подготовьте, пожалуйста, имеющиеся данные: маркировку, размеры, тип оборудования или артикул старого подшипника.
Да, конечно! Мы высоко ценим долгосрочное сотрудничество и доверие клиентов по всей России. Для постоянных клиентов действует персональная система скидок.
Условия формируются индивидуально и зависят от:
Чтобы узнать свои условия и получить максимально выгодное предложение, свяжитесь с персональным менеджером или напишите нам на почту zakaz@podsnab.ru.
Вы можете оформить заказ несколькими способами:
Для оформления заказа от юридического лица свяжитесь с нашим отделом по работе с корпоративными клиентами по телефону +7 (495) 104-99-04 или напишите на email zakaz@podsnab.ru, прикрепив реквизиты вашей организации.
Мы оперативно подготовим коммерческое предложение и выставим счет.
Возврат товара надлежащего качества возможен в течение 10 дней с момента получения, если товар не был в употреблении, сохранен товарный вид, упаковка не вскрывалась и присутствуют все сопроводительные документы.
Возврат денежных средств осуществляется в течение 10 рабочих дней после проверки товара складом.
В соответствии с законодательством возврату не подлежат подшипники надлежащего качества, если отсутствует оригинальная упаковка или имеются следы монтажа.
В случае выявления брака или гарантийного случая мы гарантируем возврат или обмен товара.
Да, гарантийный срок хранения устанавливается заводом-изготовителем и в среднем составляет 2 года при соблюдении условий хранения: сухое помещение, оригинальная упаковка и смазка.
Точный срок для конкретного типа подшипника уточняйте у наших менеджеров.
Пн–Пт: с 8:00 до 17:00 (МСК).
Сб–Вс: выходные дни.
Заказы на сайте принимаются круглосуточно. Заявки, поступившие после окончания рабочего дня, обрабатываются на следующий рабочий день.
Минимальная сумма заказа для доставки составляет 3000 рублей. Самовывоз со склада возможен на любую сумму при наличии товара.
ООО «УралТехГрупп»
ИНН: 7415093830
КПП: 772401001
ОГРН: 1167456069021
Банк: ПАО Сбербанк
Р/с: 40702810838000475273
К/с: 30101810400000000225
БИК: 044525225
У подшипника 3322A пока нет отзывов. Вы можете стать первым покупателем, поделившимся своим мнением.