Поиск подшипника
Статьи
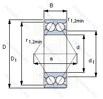
3208ATN9 — Подшипник шариковый двухрядный радиально-упорный, модификация основного исполнения 3208, выпускается производителями: ISB, SKF.
Размер подшипника: 40x80x30 мм.
Литой защелкивающийся сепаратор из полиамида. армированного стекловолокном 6.6, двухрядный радиально-упорный шарикоподшипник без отверстия для смазки.
Альтернативное обозначение: 3208B TVH.
Аналоги: 3208B.TVH FAG,3208-BD-TVH FAG,3208TVH INA,3208TN IBB Fiedler,3208B.TVH Neutral.
Международная стандартизации ISO
3208ATN9
В наличии
| Обозначение | Конструктивные изменения |
|---|---|
| 3208BC.JH.C3 | Внутренний зазор больше нормального. Штампованная сталь. Conrad Type 25° Угол контакта. Domestic Production. |
| 3208-BD-TVH-C3 | Внутренний зазор больше нормального. Литой полиамидный сепаратор (PA66). защелкивающийся. Модифицированная внутренняя конструкция. угол контакта α=30. без отверстия для заполнения. |
| 3208-BD-TVH | Литой полиамидный сепаратор (PA66). защелкивающийся. Модифицированная внутренняя конструкция. угол контакта α=30. без отверстия для заполнения. |
| 3208-BD-2HRS-TVH | Формованный полиамидный сепаратор защелкивающегося типа. Манжетные уплотнения с обеих сторон изготовлены из нитрил-бутадиенового каучука. Эти конструкции смазываются на весь срок службы высококачественной смазкой и подходят для умеренных скоростей. Момент трения и тепловыделение ниже, чем при использовании предыдущего уплотнения RSR.. Модифицированная внутренняя конструкция. угол контакта α=30. без отверстия для заполнения. |
| 3208-BD-2Z-TVH | Щиты с обеих сторон подшипника. Формованный полиамидный сепаратор защелкивающегося типа. Модифицированная внутренняя конструкция. угол контакта α=30. без отверстия для заполнения. |
| 3208-B-TNH-C2 | Внутренний зазор подшипника меньше нормального. Модификация внутренней конструкции. Подшипник с защелкиваемым сепаратором из пластмассы. |
| 3208-B-TNH-C3 | Внутренний зазор больше нормального. Модификация внутренней конструкции. Подшипник с защелкиваемым сепаратором из пластмассы. |
| 3208-B-TNH | Модификация внутренней конструкции. Подшипник с защелкиваемым сепаратором из пластмассы. |
| 3208B.TVH.C2 | Внутренний зазор подшипника меньше нормального. Модификация внутренней конструкции. Литой полиамидный сепаратор (PA66). защелкивающийся. |
| 3208-B-2Z-TNH | Модификация внутренней конструкции. Щиты с обеих сторон подшипника. Подшипник с защелкиваемым сепаратором из пластмассы. |
| 3208-B-2RS-TNH | Резиновые уплотнения с каждой стороны подшипника. Модификация внутренней конструкции. Подшипник с защелкиваемым сепаратором из пластмассы. |
| 3208A-2RS1TN9/C3 | Внутренний зазор больше нормального. Двухрядный радиально-упорный шарикоподшипник без отверстия для смазки. Литой защелкивающийся сепаратор из полиамида. армированного стекловолокном 6.6. Усиленные листовой сталью контактные уплотнения из акрилонитрил-бутадиенового каучука (NBR) с обеих сторон подшипника. |
| 3208A-2Z/MT33 | Измененная или модифицированная внутренняя конструкция при неизменных основных размерах. Защитные металлические шайбы с обеих сторон подшипника. Lithium Grease. Medium Temp. 74 cSt @ 40°C. -30°C/+120°C. A Two-Figure Number Following MT Identifies The Actual Grease. An Additional Letter Or Letter/Figure Combination As Mentioned Under HT Identifies Filling Degrees Other Than Standard. Examples/ MT33 Or MT37F9. |
| 3208-B-TNH-L946 | Модификация внутренней конструкции. Подшипник с защелкиваемым сепаратором из пластмассы. Preserved With Anti-Corrosion Oil. (Normal Preservation Instead Of The Production Grease Filling). |
| 3208TNG | Обработанный сепаратор изготовлен из полиамида или аналогичного пластика со стекловолокном. Роликовые элементы центрированы. |
| 3208.2RSR.C3 | Внутренний зазор больше нормального. Резиновые уплотнения с каждой стороны подшипника. |
| 3208EE G15 | Литой сепаратор из полиамида 6.6. армированного стекловолокном. Элемент качения по центру. Резиновые уплотнения с каждой стороны подшипника. |
| 3208B 2RS TN | Резиновые уплотнения с каждой стороны подшипника. 25° Угол контакта. Сепаратор из полиамида 66. армированного стекловолокном. |
| 3208B TN | 25° Угол контакта. Сепаратор из полиамида 66. армированного стекловолокном. |
| 3208 2NS | Два контактных уплотнения. |
| 3208BD.2ZR.TVH | Формованный полиамидный сепаратор защелкивающегося типа. Защитные металлические шайбы с обеих сторон. Tapered Roller Bearing. Steep Угол контакта (24° To 32°). Metric Series. |
| 3208J C3 | Внутренний зазор больше нормального. Сепаратор из стали. |
| 3208B2RS/C3 | Внутренний зазор больше нормального. |
| 3208-B-2Z-TV | Конический роликовый подшипник. Угол контакта 20 градусов. Защитные металлические шайбы с обеих сторон подшипника. Прочный сепаратор из полиамида. армированного стекловолокном. |
| 3208A-2RS1 | Измененная или модифицированная внутренняя конструкция при неизменных основных размерах. Усиленные листовой сталью контактные уплотнения из акрилонитрил-бутадиенового каучука (NBR) с обеих сторон подшипника. |
Модификации шарикового подшипника 3208ATN9 — это измененное основное конструктивное исполнение 3208, основные размеры (40x80x30) не отличаются.
| Обозначение | Гост | Конструктивные особенности |
|---|---|---|
| S5208ZZ | ISO | Защитные металлические шайбы с обеих сторон. |
| 5208C | ISO | Двухрядный радиально-упорный подшипник качения без канавки для заполнения шариками. Со сходящимися наружу угловыми контактами. Жесткая конструкция. |
| 5208A | ISO | Двухрядный радиально-упорный шарикоподшипник без отверстия для смазки. |
| 5208CG | ISO | Резьбовой винт со стопором и защелкой. |
| 5208M | ISO | Двухрядный радиально-упорный. Шарикоподшипник с заполняющей выемкой и сходящимися наружу углами контакта. |
| 5208NR | ISO | Канавка под стопорное кольцо на наружном кольце с соответствующим стопорным кольцом. |
| UR3208C 1M | ISO | 15° Угол контакта. |
| E2.3208A-2ZTN9/C3 | ISO | Внутренний зазор больше нормального. Двухрядный радиально-упорный шарикоподшипник без отверстия для смазки. Литой защелкивающийся сепаратор из полиамида. армированного стекловолокном 6.6. Защитные металлические шайбы с обеих сторон подшипника. |
| 5208CF | ISO | Inner Rings Can Be Provided In A Semi- Finished Condition With Appropriate Grind Stock To Allow Mill Operators To Optimize The Roll’s Precision By Finish Grinding The Inner Ring After Mounting It Onto The Roll. The Part Numbers For These Bearings And Inner Ring Assemblies Are Identified By A Cf Suffix. |
| 5208MZZ | ISO | Защитные металлические шайбы с двух сторон подшипника. Двухрядный радиально-упорный. Шарикоподшипник с заполняющей выемкой и сходящимися наружу углами контакта. |
| 5208A-2RS1 | ISO | Двухрядный радиально-упорный шарикоподшипник без отверстия для смазки. Усиленные листовой сталью контактные уплотнения из акрилонитрил-бутадиенового каучука (NBR) с обеих сторон подшипника. |
| 5208EE | ISO | Резиновые уплотнения с каждой стороны подшипника. |
| 5208ZZC3 | ISO | Внутренний зазор больше нормального. Защитные металлические шайбы с обеих сторон. |
| 5208 E-2Z/C3 | ISO | Внутренний зазор больше нормального. Подшипник с заправочным пазом для ввода тел качений. Защитные металлические шайбы с обеих сторон подшипника. |
| Y44FB10394S0 | ISO | Кольца или шайбы подшипников, стабилизированные по размерам для использования при рабочих температурах до +150°C (302°F). |
| 5208ENR | ISO | Подшипник с заправочным пазом для ввода тел качений. Канавка под стопорное кольцо на наружном кольце с соответствующим стопорным кольцом. |
| 5208CFF H501 | ISO | Двухрядный радиально-упорный подшипник качения без канавки для заполнения шариками. Со сходящимися наружу угловыми контактами. Жесткая конструкция. Металлическое уплотнение с двух сторон. Внутренний суффикс-код MRC. |
| 5208SCZZ/2AS | ISO | Прессованный стальной сепаратор. Защитные металлические шайбы с обеих сторон. LUBRICANT. SHELL OIL CO.. ALVANIA #2 GREASE. MIL-G-18709A. |
| 3209BD.2ZR.TVH.C3 | ISO | Внутренний зазор больше нормального. Формованный полиамидный сепаратор защелкивающегося типа. Защитные металлические шайбы с обеих сторон. Tapered Roller Bearing. Steep Угол контакта (24° To 32°). Metric Series. |
| S3208 2RS | ISO | Резиновые уплотнения с каждой стороны подшипника. |
Аналог шарикового подшипника 3208ATN9 — это подшипник такого же размера dx40,Dx80,Bx30, типа и конструкции.
| Обозначение | Конструктивные особенности | Внутренний (d) | Наружный (D) | Ширина (B) |
|---|---|---|---|---|
| 6-3056208 К | Шариковый радиально-упорный двухрядный подшипник. «Замок» (скос) на внутреннем кольце плюс массивный сепаратор из текстолита. | 40.00 | 80.00 | 30.20 |
| 6-3286208 Д | Шариковый радиально-упорный двухрядный подшипник. Сепаратор из алюминиевого сплава.. | 40.00 | 80.00 | 30.20 |
| HI-CAP TR080803R-9 | Роликовый радиальный-упорный однорядный подшипник. Угол контакта 20 градусов. | 40.00 | 80.00 | 30.00 |
| HI-CAP 57620/3320 | Роликовый радиальный-упорный однорядный подшипник. Угол контакта 20 градусов. | 39.69 | 80.17 | 29.37 |
| 76-3160208 ЕТ2 | Шариковый радиальный однорядный подшипник. Сепаратор из текстолита.. 200°. Температура отпуска. | 40.00 | 80.00 | 30.20 |
| 76-3160208 ЕТ2С4 | Шариковый радиальный однорядный подшипник. Сепаратор из текстолита.. 200°. Температура отпуска. Смазка ЦИАТИМ-221С. | 40.00 | 80.00 | 30.20 |
| 76-3180208 ЕТ2С4 | Шариковый радиальный однорядный подшипник. Сепаратор из текстолита.. 200°. Температура отпуска. Смазка ЦИАТИМ-221С. | 40.00 | 80.00 | 30.20 |
| 63208LLU | Шариковый радиальный однорядный подшипник. Контактное резиновое уплотнение с двух сторон. | 40.00 | 80.00 | 30.20 |
| 63208LLB | Шариковый радиальный однорядный подшипник. Уплотнение бесконтактного типа из синтетического каучука. | 40.00 | 80.00 | 30.16 |
| RA109RRB | Шариковый радиальный однорядный подшипник. Два резиновых уплотнения Land Riding со сферическим наружным диаметром (B). | 39.69 | 80.00 | 30.18 |
| RA109RR | Шариковый радиальный однорядный подшипник. С выпуклыми асимметричными роликами. Обработанный сепаратор штыревого типа из медного сплава. С центральным ребром. С ребрами с двух сторон (для предотвращения падения роликов). | 39.69 | 80.00 | 30.18 |
| RAE40RR | Шариковый радиальный однорядный подшипник. С выпуклыми асимметричными роликами. Обработанный сепаратор штыревого типа из медного сплава. С центральным ребром. С ребрами с двух сторон (для предотвращения падения роликов). | 40.00 | 80.00 | 30.18 |
| W208KLL | Шариковый радиальный однорядный подшипник. Широкий. BALL BEARING. CONRAD TYPE. INDUSTRIAL POWER TRANSMISSION. DOUBLE MECHANI-SEAL. | 40.00 | 80.00 | 30.18 |
| GRA109RRB | Шариковый радиальный однорядный подшипник. Два резиновых уплотнения Land Riding со сферическим наружным диаметром (B). | 39.69 | 80.00 | 30.18 |
| GRAE40RR | Шариковый радиальный однорядный подшипник. С выпуклыми асимметричными роликами. Обработанный сепаратор штыревого типа из медного сплава. С центральным ребром. С ребрами с двух сторон (для предотвращения падения роликов). | 40.00 | 80.00 | 30.18 |
Способы доставки
Отправка через ведущие транспортные и курьерские компании: ПЭК, Деловые Линии, СДЭК, Байкал-Сервис, Энергия, КИТ, ЖелДорЭкспедиция.
Самовывоз возможен напрямую со склада в Москве.
Сроки доставки
Срок зависит от региона и выбранной транспортной компании. Все заказы комплектуются и отправляются в кратчайшие сроки со склада в Москве.
Надёжность и сохранность
Вся продукция упаковывается с учётом требований транспортировки. Мы гарантируем, что подшипники и комплектующие прибудут к заказчику в полной сохранности.
Доставка в страны ЕАЭС
Мы работаем с проверенными логистическими партнёрами, что позволяет оперативно доставлять заказы в Беларусь, Казахстан, Армению и другие страны ЕАЭС.
Варианты оплаты:
Минимальная сумма заказа и скидки:
Документы и гарантии:
Да, конечно! Наши технические специалисты готовы помочь вам с подбором точного аналога или замены подшипника. Просто позвоните нам по телефону +7 (495) 104-99-04 или напишите на почту zakaz@podsnab.ru.
Для оперативной консультации подготовьте, пожалуйста, имеющиеся данные: маркировку, размеры, тип оборудования или артикул старого подшипника.
Да, конечно! Мы высоко ценим долгосрочное сотрудничество и доверие клиентов по всей России. Для постоянных клиентов действует персональная система скидок.
Условия формируются индивидуально и зависят от:
Чтобы узнать свои условия и получить максимально выгодное предложение, свяжитесь с персональным менеджером или напишите нам на почту zakaz@podsnab.ru.
Вы можете оформить заказ несколькими способами:
Для оформления заказа от юридического лица свяжитесь с нашим отделом по работе с корпоративными клиентами по телефону +7 (495) 104-99-04 или напишите на email zakaz@podsnab.ru, прикрепив реквизиты вашей организации.
Мы оперативно подготовим коммерческое предложение и выставим счет.
Возврат товара надлежащего качества возможен в течение 10 дней с момента получения, если товар не был в употреблении, сохранен товарный вид, упаковка не вскрывалась и присутствуют все сопроводительные документы.
Возврат денежных средств осуществляется в течение 10 рабочих дней после проверки товара складом.
В соответствии с законодательством возврату не подлежат подшипники надлежащего качества, если отсутствует оригинальная упаковка или имеются следы монтажа.
В случае выявления брака или гарантийного случая мы гарантируем возврат или обмен товара.
Да, гарантийный срок хранения устанавливается заводом-изготовителем и в среднем составляет 2 года при соблюдении условий хранения: сухое помещение, оригинальная упаковка и смазка.
Точный срок для конкретного типа подшипника уточняйте у наших менеджеров.
Пн–Пт: с 8:00 до 17:00 (МСК).
Сб–Вс: выходные дни.
Заказы на сайте принимаются круглосуточно. Заявки, поступившие после окончания рабочего дня, обрабатываются на следующий рабочий день.
Минимальная сумма заказа для доставки составляет 3000 рублей. Самовывоз со склада возможен на любую сумму при наличии товара.
ООО «УралТехГрупп»
ИНН: 7415093830
КПП: 772401001
ОГРН: 1167456069021
Банк: ПАО Сбербанк
Р/с: 40702810838000475273
К/с: 30101810400000000225
БИК: 044525225
У подшипника 3208ATN9 пока нет отзывов. Вы можете стать первым покупателем, поделившимся своим мнением.