Поиск подшипника
Статьи
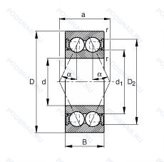
3003-B-2RSR-TVH — Подшипник шариковый двухрядный радиально-упорный, модификация основного исполнения 3003, выпускается производителями: FAG, INA.
Размер подшипника: 17x35x14 мм.
Seal at each side of the bearing, формованный полиамидный сепаратор защелкивающегося типа, модификация внутренней конструкции.
Международная стандартизации ISO
3003B2RSRTVH
В наличии
| Обозначение | Конструктивные изменения |
|---|---|
| 3003-2Z | Защитные металлические шайбы с обеих сторон подшипника. |
| 3003-2RS | Резиновые уплотнения с каждой стороны подшипника. |
| 3003-2RS-L237-C3 | Внутренний зазор больше нормального. Резиновые уплотнения с каждой стороны подшипника. Высокотемпературная смазка. |
| 3003 | Подшипник шариковый двухрядный радиально-упорный. Основное конструктивное исполнение. |
| 3003-2RS-C4 | Внутренний зазор подшипника больше. чем C3. Манжетное уплотнение с обеих сторон подшипника. |
| 3003ZZ | Защитные металлические шайбы с обеих сторон. |
| 3003RS | Резиновое уплотнение с одной стороны. |
| 3003-B-TVH | Модифицированная внутренняя конструкция. Твердая клетка из полиамида. |
| 3003-B-2Z-TVH | Модифицированная внутренняя конструкция. Защитные металлические шайбы с обеих сторон подшипника. Твердая клетка из полиамида. |
Модификации шарикового подшипника 3003-B-2RSR-TVH — это измененное основное конструктивное исполнение 3003, основные размеры (17x35x14) не отличаются.
| Обозначение | Конструктивные особенности | Внутренний (d) | Наружный (D) | Ширина (B) |
|---|---|---|---|---|
| 76-180902 К1С9 | Шариковый радиальный однорядный подшипник. Смазка ЛЗ-31. | 16.00 | 35.00 | 14.00 |
| 76-180902 К2С9 | Шариковый радиальный однорядный подшипник. Смазка ЛЗ-31. | 16.00 | 35.00 | 14.00 |
| 76-180902 С9 | Шариковый радиальный однорядный подшипник. Смазка ЛЗ-31. | 16.00 | 35.00 | 14.00 |
| 63003-2RS C3 | Шариковый радиальный однорядный подшипник. Внутренний зазор больше нормального. Резиновые уплотнения с каждой стороны подшипника. | 17.00 | 35.00 | 14.00 |
| 63003EE | Шариковый радиальный однорядный подшипник. Контактные уплотнения с двух сторон. | 17.00 | 35.00 | 14.00 |
| 180902-АК | Шариковый радиальный однорядный подшипник. Повышенная грузоподъемность. | 16.00 | 35.00 | 14.00 |
| 180902-АК2С17 | Шариковый радиальный однорядный подшипник. Смазка Литол-24. Повышенная грузоподъемность. | 16.00 | 35.00 | 14.00 |
| 180902-АС17 | Шариковый радиальный однорядный подшипник. Смазка Литол-24. Повышенная грузоподъемность. | 16.00 | 35.00 | 14.00 |
| 180902-АС9 | Шариковый радиальный однорядный подшипник. Повышенная грузоподъемность. Смазка ЛЗ-31. | 16.00 | 35.00 | 14.00 |
| 180902-К1С17 | Шариковый радиальный однорядный подшипник. Смазка Литол-24. | 16.00 | 35.00 | 14.00 |
| 180902-К2С17 | Шариковый радиальный однорядный подшипник. Смазка Литол-24. | 16.00 | 35.00 | 14.00 |
| 180902-С9 | Шариковый радиальный однорядный подшипник. Смазка ЛЗ-31. | 16.00 | 35.00 | 14.00 |
| 53203U+U203 | Шариковый упорный однорядный подшипник. Универсальный одиночный подшипник. | 17.00 | 35.00 | 15.00 |
| 5-3086103 Л | Шариковый радиально-упорный двухрядный подшипник. Сепаратор из латуни.. | 17.00 | 35.00 | 14.00 |
| 6-180902 АС17 | Шариковый радиальный однорядный подшипник. Смазка Литол-24. Повышенная грузоподъемность. | 16.00 | 35.00 | 14.00 |
Способы доставки
Отправка через ведущие транспортные и курьерские компании: ПЭК, Деловые Линии, СДЭК, Байкал-Сервис, Энергия, КИТ, ЖелДорЭкспедиция.
Самовывоз возможен напрямую со склада в Москве.
Сроки доставки
Срок зависит от региона и выбранной транспортной компании. Все заказы комплектуются и отправляются в кратчайшие сроки со склада в Москве.
Надёжность и сохранность
Вся продукция упаковывается с учётом требований транспортировки. Мы гарантируем, что подшипники и комплектующие прибудут к заказчику в полной сохранности.
Доставка в страны ЕАЭС
Мы работаем с проверенными логистическими партнёрами, что позволяет оперативно доставлять заказы в Беларусь, Казахстан, Армению и другие страны ЕАЭС.
Варианты оплаты:
Минимальная сумма заказа и скидки:
Документы и гарантии:
Да, конечно! Наши технические специалисты готовы помочь вам с подбором точного аналога или замены подшипника. Просто позвоните нам по телефону +7 (495) 104-99-04 или напишите на почту zakaz@podsnab.ru.
Для оперативной консультации подготовьте, пожалуйста, имеющиеся данные: маркировку, размеры, тип оборудования или артикул старого подшипника.
Да, конечно! Мы высоко ценим долгосрочное сотрудничество и доверие клиентов по всей России. Для постоянных клиентов действует персональная система скидок.
Условия формируются индивидуально и зависят от:
Чтобы узнать свои условия и получить максимально выгодное предложение, свяжитесь с персональным менеджером или напишите нам на почту zakaz@podsnab.ru.
Вы можете оформить заказ несколькими способами:
Для оформления заказа от юридического лица свяжитесь с нашим отделом по работе с корпоративными клиентами по телефону +7 (495) 104-99-04 или напишите на email zakaz@podsnab.ru, прикрепив реквизиты вашей организации.
Мы оперативно подготовим коммерческое предложение и выставим счет.
Возврат товара надлежащего качества возможен в течение 10 дней с момента получения, если товар не был в употреблении, сохранен товарный вид, упаковка не вскрывалась и присутствуют все сопроводительные документы.
Возврат денежных средств осуществляется в течение 10 рабочих дней после проверки товара складом.
В соответствии с законодательством возврату не подлежат подшипники надлежащего качества, если отсутствует оригинальная упаковка или имеются следы монтажа.
В случае выявления брака или гарантийного случая мы гарантируем возврат или обмен товара.
Да, гарантийный срок хранения устанавливается заводом-изготовителем и в среднем составляет 2 года при соблюдении условий хранения: сухое помещение, оригинальная упаковка и смазка.
Точный срок для конкретного типа подшипника уточняйте у наших менеджеров.
Пн–Пт: с 8:00 до 17:00 (МСК).
Сб–Вс: выходные дни.
Заказы на сайте принимаются круглосуточно. Заявки, поступившие после окончания рабочего дня, обрабатываются на следующий рабочий день.
Минимальная сумма заказа для доставки составляет 3000 рублей. Самовывоз со склада возможен на любую сумму при наличии товара.
ООО «УралТехГрупп»
ИНН: 7415093830
КПП: 772401001
ОГРН: 1167456069021
Банк: ПАО Сбербанк
Р/с: 40702810838000475273
К/с: 30101810400000000225
БИК: 044525225
У подшипника 3003-B-2RSR-TVH пока нет отзывов. Вы можете стать первым покупателем, поделившимся своим мнением.