Поиск подшипника
Статьи
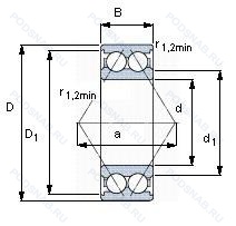
5202ATN9 — Подшипник шариковый двухрядный радиально-упорный, модификация основного исполнения 5202, производство SKF.
Размер подшипника: 15x35x15 мм.
Литой защелкивающийся сепаратор из полиамида. армированного стекловолокном 6.6, двухрядный радиально-упорный шарикоподшипник без отверстия для смазки.
Международная стандартизации ISO
5202ATN9
В наличии
| Обозначение | Конструктивные изменения |
|---|---|
| 5202CLLD/2A | Lubricant. Shell Oil Co.. Alvania #2 Grease. Mil-G-18709A. Контактное. синтетические. резиновое уплотнение с двух сторон. |
| 5202A/C3 | Внутренний зазор больше нормального. Двухрядный радиально-упорный шарикоподшипник без отверстия для смазки. |
| 5202.ZZ G15 | Защитные металлические шайбы с обеих сторон. Литой сепаратор из полиамида 6.6. армированного стекловолокном. Центрированный элемент качения.. |
| 5202NR | Канавка под стопорное кольцо на наружном кольце с соответствующим стопорным кольцом. |
| 5202ZZ C3 | Внутренний зазор больше нормального. Защитные металлические шайбы с обеих сторон. |
| 5202SBKZZ | Защитные металлические шайбы с двух сторон подшипника. Шарикоподшипник. Радиально-упорный. Двухрядный. Без канавки для ввода тел качения. Стандартная ширина подшипника. Сходящиеся наружу контактные углы. Жесткая конструкция. |
| 5202SB | Double Row. Angular Contact. Non-Filling Notch Bearing. With Outwardly Convergent Угол контактаs. Rigid Design. |
| 5202EE | Резиновые уплотнения с каждой стороны подшипника. |
| 5202-2NSC3 | Внутренний зазор больше нормального. Контактное уплотнение с двух сторон подшипника. |
| 5202SCZZ/2AS | Прессованный стальной сепаратор. Защитные металлические шайбы с обеих сторон. LUBRICANT. SHELL OIL CO.. ALVANIA #2 GREASE. MIL-G-18709A. |
| 5202-2NSEC3 | Внутренний зазор больше нормального. Резиновые уплотнения с каждой стороны подшипника. |
| 5202 A-2ZTN9 | Измененная или модифицированная внутренняя конструкция при неизменных основных размерах. |
| 5202-2RS C3 | Внутренний зазор больше нормального. Резиновые уплотнения с каждой стороны подшипника. |
| 5202K PRB | Коническое отверстие. Конусность 1/12. Molded Nylon Cage. |
| 5202AZZ | Однорядный радиальный шарикоподшипник с двумя уплотнениями. |
| 5202A-2NS | Двухрядный радиально-упорный шарикоподшипник без отверстия для смазки. Два контактных уплотнения. |
| 5202N | Канавка под стопорное кольцо на внешнем кольце. |
| 5202AN | Код формы шариковой направляющей. |
| 5202A | Двухрядный радиально-упорный шарикоподшипник без отверстия для смазки. |
| 5202NS | Шарики из нитрида кремния Si3N4 (гибридные подшипники). Керамические шарики. |
| 5202Z | щит из листовой прессованной стали с одной стороны подшипника. |
| 5202SCLLD | Угол контакта 15°. Только для тел качения. |
| 5202SCLLM | Угол контакта 15°. Только для тел качения. |
| 5202S | Запечатанная версия кулачкового ролика. Только для тел качения. |
| 5202SCZZ | Угол контакта 15°. Только для тел качения. |
Модификации шарикового подшипника 5202ATN9 — это измененное основное конструктивное исполнение 5202, основные размеры (15x35x15) не отличаются.
| Обозначение | Гост | Конструктивные особенности |
|---|---|---|
| 3202B-2ZRNRTNG | ISO | 25° Угол контакта. Канавка под стопорное кольцо на наружном кольце с соответствующим стопорным кольцом. Metal Shields At Each Side Of The Bearing. Прочный сепаратор из полиамида. армированного стекловолокном. |
| 3202B-2ZNRTN | ISO | 25° Угол контакта. Metal Shields At Each Side Of The Bearing. Канавка под стопорное кольцо на наружном кольце с соответствующим стопорным кольцом. Прочный сепаратор из полиамида. армированного стекловолокном. |
| 3202B 2RS TNG C3 | ISO | Внутренний зазор больше нормального. Резиновые уплотнения с каждой стороны подшипника. 25° Угол контакта. Сепаратор из полиамида 66. армированного стекловолокном. |
| 3202-B-2Z-TV | ISO | Design Without Filling Slots Have Угол контактаs Of 32°. Защитные металлические шайбы с обеих сторон. Сепаратор из полиамида. |
| 3202.2RS.TN.C3 | ISO | Внутренний зазор больше нормального. Резиновые уплотнения с каждой стороны подшипника. Формованный полиамидный сепаратор оконного типа. Роликовые тела качения. |
| 3202B ZZ TNG C3 | ISO | Внутренний зазор больше нормального. 25° Угол контакта. Защитная металлическая шайба с двух сторон подшипника. Сепаратор из полиамида 66. армированного стекловолокном. |
| 3202B-2RSRSTNGC3 | ISO | Внутренний зазор больше нормального. 25° Угол контакта. Резиновые уплотнения с каждой стороны подшипника. Сепаратор из полиамида 66. армированного стекловолокном. |
| 3202-2Z-C3 | ISO | Внутренний зазор больше нормального. Зазорные уплотнения с обеих сторон подшипника.. |
| 3202BC.TNH | ISO | Подшипник с защелкиваемым сепаратором из пластмассы. Conrad Type 25° Угол контакта. Domestic Production. |
| 3202B.TVH.C2 | ISO | Внутренний зазор подшипника меньше нормального. Модификация внутренней конструкции. Литой полиамидный сепаратор (PA66). защелкивающийся. |
| 3202B.TVH.C3 | ISO | Внутренний зазор больше нормального. Модификация внутренней конструкции. Литой полиамидный сепаратор (PA66). защелкивающийся. |
| 3202B TG MT15 | ISO | Конический роликовый подшипник. Угол контакта 20 градусов. сепаратор из полиамида 6.6. армированного стекловолокном. LUBRICANT. MEDIUM TEMPERATURE RANGES. |
| 3202M | ISO | Механически обработанный латунный сепаратор .Расположенный на элементах качения. |
| 3202BC.TNH.C3 | ISO | Внутренний зазор больше нормального. Подшипник с защелкиваемым сепаратором из пластмассы. Conrad Type 25° Угол контакта. Domestic Production. |
| 3202A J30 | ISO | Без пазов для заполнения, с полиамидным сепаратором, угол 25°. Внутренний зазор больше нормального. |
| 3202-B-2RS-TV | ISO | Резиновые уплотнения с каждой стороны подшипника. Design Without Filling Slots Have Угол контактаs Of 32°. Сепаратор из полиамида. |
| 3202B-2ZTNC3 | ISO | Внутренний зазор больше нормального. 25° Угол контакта. Две металлические защитные шайбы. Сепаратор из полиамида 66. армированного стекловолокном. |
| 3202BTN | ISO | 25° Угол контакта. Клетка из армированного стекловолокном полиамида 66. |
| 3202 2NSE | ISO | Резиновые уплотнения с каждой стороны подшипника. |
| 3202-ST | ISO | Stainless Steel (440C) Rings And Rolling Elements. |
Аналог шарикового подшипника 5202ATN9 — это подшипник такого же размера dx15,Dx35,Bx15, типа и конструкции.
| Обозначение | Конструктивные особенности | Внутренний (d) | Наружный (D) | Ширина (B) |
|---|---|---|---|---|
| 2ШС15 К | Шарнирный подшипник. Канавка и отверстие для смазки на внутреннем и наружном кольцах.. С отверстиями и канавками для смазки во внутреннем кольце.. | 15.00 | 35.00 | 14.00 |
| 2ШСЛ15 | Шарнирный подшипник. С отверстиями и канавками для смазки во внутреннем кольце. | 15.00 | 35.00 | 14.00 |
| 2ШСЛ15К | Шарнирный подшипник. Канавка и отверстие для смазки на внутреннем и наружном кольцах.. С отверстиями и канавками для смазки во внутреннем кольце. | 15.00 | 35.00 | 14.00 |
| 2ШСЛ15К1 | Шарнирный подшипник. Канавка и отверстие для смазки на наружном кольце.. С отверстиями и канавками для смазки во внутреннем кольце. | 15.00 | 35.00 | 14.00 |
| 2ШСП15 | Шарнирный подшипник. С отверстиями и канавками для смазки во внутреннем кольце. | 15.00 | 35.00 | 14.00 |
| 2ШСП15К | Шарнирный подшипник. Канавка и отверстие для смазки на внутреннем и наружном кольцах.. С отверстиями и канавками для смазки во внутреннем кольце. | 15.00 | 35.00 | 14.00 |
| 45-180502 Е1Т2С2 | Шариковый радиальный однорядный подшипник. Сепаратор из текстолита.. 200°. Смазка ЦИАТИМ-221. Температура отпуска. | 15.00 | 35.00 | 14.00 |
| 6-180502 АЕС9 | Шариковый радиальный однорядный подшипник. Сепаратор из текстолита.. Повышенная грузоподъемность. Смазка ЛЗ-31. | 15.00 | 35.00 | 14.00 |
| 6-180502 К1С9 | Шариковый радиальный однорядный подшипник. Смазка ЛЗ-31. | 15.00 | 35.00 | 14.00 |
| 6-180502 К1С9Ш1 | Шариковый радиальный однорядный подшипник. Нормы шумности. Смазка ЛЗ-31. | 15.00 | 35.00 | 14.00 |
| 6-180502 К1УС9 | Шариковый радиальный однорядный подшипник. «Замок» (скос) на внутреннем кольце плюс массивный сепаратор из текстолита. Дополнительные технические требования. Смазка ЛЗ-31. | 15.00 | 35.00 | 14.00 |
| 6-180502 К2УС9 | Шариковый радиальный однорядный подшипник. Дополнительные технические требования. Смазка ЛЗ-31. | 15.00 | 35.00 | 14.00 |
| 6-180502 УС9Ш1 | Шариковый радиальный однорядный подшипник. Дополнительные технические требования. Нормы шумности. Смазка ЛЗ-31. | 15.00 | 35.00 | 14.00 |
| 6-180502 ЮТС2 | Шариковый радиальный однорядный подшипник. Температура отпуска. 160°. Все детали или часть деталей из нержавеющей стали.. Смазка ЦИАТИМ-221. | 15.00 | 35.00 | 14.00 |
| 6-180902 АС17 | Шариковый радиальный однорядный подшипник. Смазка Литол-24. Повышенная грузоподъемность. | 16.00 | 35.00 | 14.00 |
Способы доставки
Отправка через ведущие транспортные и курьерские компании: ПЭК, Деловые Линии, СДЭК, Байкал-Сервис, Энергия, КИТ, ЖелДорЭкспедиция.
Самовывоз возможен напрямую со склада в Москве.
Сроки доставки
Срок зависит от региона и выбранной транспортной компании. Все заказы комплектуются и отправляются в кратчайшие сроки со склада в Москве.
Надёжность и сохранность
Вся продукция упаковывается с учётом требований транспортировки. Мы гарантируем, что подшипники и комплектующие прибудут к заказчику в полной сохранности.
Доставка в страны ЕАЭС
Мы работаем с проверенными логистическими партнёрами, что позволяет оперативно доставлять заказы в Беларусь, Казахстан, Армению и другие страны ЕАЭС.
Варианты оплаты:
Минимальная сумма заказа и скидки:
Документы и гарантии:
Да, конечно! Наши технические специалисты готовы помочь вам с подбором точного аналога или замены подшипника. Просто позвоните нам по телефону +7 (495) 104-99-04 или напишите на почту zakaz@podsnab.ru.
Для оперативной консультации подготовьте, пожалуйста, имеющиеся данные: маркировку, размеры, тип оборудования или артикул старого подшипника.
Да, конечно! Мы высоко ценим долгосрочное сотрудничество и доверие клиентов по всей России. Для постоянных клиентов действует персональная система скидок.
Условия формируются индивидуально и зависят от:
Чтобы узнать свои условия и получить максимально выгодное предложение, свяжитесь с персональным менеджером или напишите нам на почту zakaz@podsnab.ru.
Вы можете оформить заказ несколькими способами:
Для оформления заказа от юридического лица свяжитесь с нашим отделом по работе с корпоративными клиентами по телефону +7 (495) 104-99-04 или напишите на email zakaz@podsnab.ru, прикрепив реквизиты вашей организации.
Мы оперативно подготовим коммерческое предложение и выставим счет.
Возврат товара надлежащего качества возможен в течение 10 дней с момента получения, если товар не был в употреблении, сохранен товарный вид, упаковка не вскрывалась и присутствуют все сопроводительные документы.
Возврат денежных средств осуществляется в течение 10 рабочих дней после проверки товара складом.
В соответствии с законодательством возврату не подлежат подшипники надлежащего качества, если отсутствует оригинальная упаковка или имеются следы монтажа.
В случае выявления брака или гарантийного случая мы гарантируем возврат или обмен товара.
Да, гарантийный срок хранения устанавливается заводом-изготовителем и в среднем составляет 2 года при соблюдении условий хранения: сухое помещение, оригинальная упаковка и смазка.
Точный срок для конкретного типа подшипника уточняйте у наших менеджеров.
Пн–Пт: с 8:00 до 17:00 (МСК).
Сб–Вс: выходные дни.
Заказы на сайте принимаются круглосуточно. Заявки, поступившие после окончания рабочего дня, обрабатываются на следующий рабочий день.
Минимальная сумма заказа для доставки составляет 3000 рублей. Самовывоз со склада возможен на любую сумму при наличии товара.
ООО «УралТехГрупп»
ИНН: 7415093830
КПП: 772401001
ОГРН: 1167456069021
Банк: ПАО Сбербанк
Р/с: 40702810838000475273
К/с: 30101810400000000225
БИК: 044525225
У подшипника 5202ATN9 пока нет отзывов. Вы можете стать первым покупателем, поделившимся своим мнением.