Поиск подшипника
Статьи
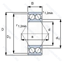
5206A — Подшипник шариковый двухрядный радиально-упорный, модификация основного исполнения 5206, выпускается производителями: NACHI, SKF.
Размер подшипника: 30x62x23 мм.
Двухрядный радиально-упорный шарикоподшипник без отверстия для смазки.
Альтернативное обозначение: 5206C.
Аналоги: 5206 MRC/Marlin Rockwell,5206C MRC/Marlin Rockwell,5206S NTN,5206 Nachi,5206 HIC,5206 KG.
Международная стандартизации ISO
5206A
В наличии
| Обозначение | Конструктивные изменения |
|---|---|
| 5206C ZZ | 15° Угол контакта. Защитные металлические шайбы с обеих сторон. |
| 5206A-2RS1 | Двухрядный радиально-упорный шарикоподшипник без отверстия для смазки. Усиленные листовой сталью контактные уплотнения из акрилонитрил-бутадиенового каучука (NBR) с обеих сторон подшипника. |
| 5206EE | Резиновые уплотнения с каждой стороны подшипника. |
| 5206SNR | Прессованный стальной сепаратор. Канавка под стопорное кольцо на наружном кольце с соответствующим стопорным кольцом. |
| 5206CLLUC3/2AS | Внутренний зазор больше нормального. Резиновые уплотнения с каждой стороны подшипника. LUBRICANT. SHELL OIL CO.. ALVANIA #2 GREASE. MIL-G-18709A. |
| 5206X26 | Dimensionally Stabilised For Operating Temperature Of 150°C Max. |
| 5206B ZZ/AS2S | Стандартное заполнение. 25° Угол контакта. Защитная металлическая шайба с двух сторон подшипника. 1/4 Full. Смазка Aeroshell 7. Диапазон от –10°C до 110°C.. |
| 5206CFF H501 | Двухрядный радиально-упорный подшипник качения без канавки для заполнения шариками. Со сходящимися наружу угловыми контактами. Жесткая конструкция. Металлическое уплотнение с двух сторон. Внутренний суффикс-код MRC. |
| 5206EEC3 | Внутренний зазор больше нормального. Резиновые уплотнения с каждой стороны подшипника. |
| 5206KPP3 | Try-Ply Seal On Both Sides Of The Bearing. |
| 5206 E-2RS1 | Повышенная грузоподъемность. Усиленные листовой сталью контактные уплотнения из акрилонитрил-бутадиенового каучука (NBR) с обеих сторон подшипника. |
| 5206KG | Серия с закрепительной втулкой и смазочным отверстием. |
| 5206K | Коническое отверстие. Конусность 1/12. |
| 5206W | Максимальная грузоподъемность. |
| 5206WG | Максимальная грузоподъемность. |
| 5206NSR1LTSH2CD3 | Угол контакта 15 градусов. |
| 5206AZZ | Однорядный радиальный шарикоподшипник с двумя уплотнениями. |
| 5206NS | Шарики из нитрида кремния Si3N4 (гибридные подшипники). Керамические шарики. |
| 5206N | Канавка под стопорное кольцо на внешнем кольце. |
| 5206A-2NS | Двухрядный радиально-упорный шарикоподшипник без отверстия для смазки. Два контактных уплотнения. |
| 5206AN | Код формы шариковой направляющей. |
| 5206SCZZ | Угол контакта 15°. Только для тел качения. |
| 5206SCLLD | Угол контакта 15°. Только для тел качения. |
| 5206V19 | Только для тел качения. |
| 5206SCLLM | Угол контакта 15°. Только для тел качения. |
Модификации шарикового подшипника 5206A — это измененное основное конструктивное исполнение 5206, основные размеры (30x62x23) не отличаются.
| Обозначение | Гост | Конструктивные особенности |
|---|---|---|
| 3206-B-2RS-TNH-C3 | ISO | Внутренний зазор больше нормального. Резиновые уплотнения с каждой стороны подшипника. Модификация внутренней конструкции. Подшипник с защелкиваемым сепаратором из пластмассы. |
| 3206-B-2RS-TNH | ISO | Резиновые уплотнения с каждой стороны подшипника. Модификация внутренней конструкции. Подшипник с защелкиваемым сепаратором из пластмассы. |
| 3206-B-2Z-TNH | ISO | Модификация внутренней конструкции. Щиты с обеих сторон подшипника. Подшипник с защелкиваемым сепаратором из пластмассы. |
| 3206A-2ZTN9/MT3 | ISO | Двухрядный радиально-упорный шарикоподшипник без отверстия для смазки. Литой защелкивающийся сепаратор из полиамида. армированного стекловолокном 6.6. Защитные металлические шайбы с обеих сторон подшипника. |
| 3206A-2Z/MT33 | ISO | Измененная или модифицированная внутренняя конструкция при неизменных основных размерах. Защитные металлические шайбы с обеих сторон подшипника. Lithium Grease. Medium Temp. 74 cSt @ 40°C. -30°C/+120°C. A Two-Figure Number Following MT Identifies The Actual Grease. An Additional Letter Or Letter/Figure Combination As Mentioned Under HT Identifies Filling Degrees Other Than Standard. Examples/ MT33 Or MT37F9. |
| 3206A-2RS1/C3 | ISO | Внутренний зазор больше нормального. Двухрядный радиально-упорный шарикоподшипник без отверстия для смазки. Усиленные листовой сталью контактные уплотнения из акрилонитрил-бутадиенового каучука (NBR) с обеих сторон подшипника. |
| 3206-B-TVH-C2 | ISO | Внутренний зазор подшипника меньше нормального. Модификация внутренней конструкции. Литой полиамидный сепаратор (PA66). защелкивающийся. |
| 3206B G14 | ISO | Шарикоподшипник радиально-упорный. Двухрядный. С заправочными пазами. Литой сепаратор из полиамида 6.6. армированного стекловолокном. Центрированный элемент качения.. |
| 3206P63 | ISO | Комбинация P6 (Точность размеров и пробега в соответствии с классом допуска ISO 6 (лучше нормы)) и C3 (Внутренний зазор больше нормы). |
| 3206 2RS TNG | ISO | Резиновые уплотнения с каждой стороны подшипника. Прочный сепаратор из полиамида. армированного стекловолокном. |
| 3206J C4 | ISO | Внутренний зазор подшипника больше. чем C3. Дорожки качения наружного кольца. угол контакта и ширина наружного кольца в соответствии с ISO. |
| 3206-2RS-C3 | ISO | Внутренний зазор больше нормального. Манжетное уплотнение с обеих сторон подшипника. |
| 3206C4 | ISO | Внутренний зазор подшипника больше. чем C3. |
| 3206A-Z | ISO | Двухрядный радиально-упорный шарикоподшипник без отверстия для смазки. щит из листовой прессованной стали с одной стороны подшипника. |
| 3206B TV C3 | ISO | Внутренний зазор больше нормального. Design Without Filling Slots Have Угол контактаs Of 32°. Сепаратор из полиамида. |
| 3206B ZZ NR TNG | ISO | 25° Угол контакта. Защитная металлическая шайба с двух сторон подшипника. Канавка под стопорное кольцо на наружном кольце с соответствующим стопорным кольцом. Сепаратор из полиамида 66. армированного стекловолокном. |
| 3206-BD-XL-2HRS-TVH-L285/50-QZ4 | ISO | Серия X-Life премиум-класс. увеличиный срок службы. Формованный полиамидный сепаратор защелкивающегося типа. Манжетные уплотнения с обеих сторон изготовлены из нитрил-бутадиенового каучука. Эти конструкции смазываются на весь срок службы высококачественной смазкой и подходят для умеренных скоростей. Момент трения и тепловыделение ниже, чем при использовании предыдущего уплотнения RSR.. Модифицированная внутренняя конструкция. угол контакта α=30. без отверстия для заполнения. Renolit GA3 Greasefill 50%. Temp Range -30°C to +120°C. |
| 3206BTN | ISO | 25° Угол контакта. Клетка из армированного стекловолокном полиамида 66. |
| 3206BTNC3 | ISO | Внутренний зазор больше нормального. 25° Угол контакта. Клетка из армированного стекловолокном полиамида 66. |
| 3206A-ZNR | ISO | Двухрядный радиально-упорный шарикоподшипник без отверстия для смазки. щит из листовой прессованной стали с одной стороны подшипника. Канавка под стопорное кольцо на наружном кольце с соответствующим стопорным кольцом. |
Аналог шарикового подшипника 5206A — это подшипник такого же размера dx30,Dx62,Bx23, типа и конструкции.
| Обозначение | Конструктивные особенности | Внутренний (d) | Наружный (D) | Ширина (B) |
|---|---|---|---|---|
| 76-3160206 ЕТ2С4 | Шариковый радиальный однорядный подшипник. Сепаратор из текстолита.. 200°. Температура отпуска. Смазка ЦИАТИМ-221С. | 30.00 | 62.00 | 23.80 |
| 76-3180206 ЕТ2С4 | Шариковый радиальный однорядный подшипник. Сепаратор из текстолита.. 200°. Температура отпуска. Смазка ЦИАТИМ-221С. | 30.00 | 62.00 | 23.80 |
| LG30=9 | Шариковый радиальный однорядный подшипник. Largest Fill. | 30.00 | 62.00 | 22.00 |
| 1/LJ30FF | Шариковый радиальный однорядный подшипник. Number Of Carriages Per Rail Track. | 30.00 | 62.00 | 24.00 |
| SC06C88LLA | Шариковый радиальный однорядный подшипник. Уплотнение из полиакрила. | 30.00 | 62.00 | 23.00 |
| SX0663LLUC4 | Шариковый радиальный однорядный подшипник. Внутренний радиальный зазор С4. Двухкромочное нитриловое контактное уплотнение. | 30.00 | 62.00 | 24.00 |
| 63206LLB | Шариковый радиальный однорядный подшипник. Уплотнение бесконтактного типа из синтетического каучука. | 30.00 | 62.00 | 23.80 |
| AB40648 | Шариковый радиальный однорядный подшипник. Однорядный радиально-упорный шариковый подшипник с полиамидным сепаратором. | 30.00 | 62.00 | 23.81 |
| RAE30RR | Шариковый радиальный однорядный подшипник. С выпуклыми асимметричными роликами. Обработанный сепаратор штыревого типа из медного сплава. С центральным ребром. С ребрами с двух сторон (для предотвращения падения роликов). | 30.00 | 62.00 | 23.82 |
| W206PPG | Шариковый радиальный однорядный подшипник. Широкий. Два уплотнения и стопорное кольцо. | 30.00 | 62.00 | 23.83 |
| GRA103RR | Шариковый радиальный однорядный подшипник. С выпуклыми асимметричными роликами. Обработанный сепаратор штыревого типа из медного сплава. С центральным ребром. С ребрами с двух сторон (для предотвращения падения роликов). | 30.16 | 62.00 | 23.83 |
| GRA103RRB | Шариковый радиальный однорядный подшипник. Два резиновых уплотнения Land Riding со сферическим наружным диаметром (B). | 30.16 | 62.00 | 23.83 |
| GRAE30RR | Шариковый радиальный однорядный подшипник. С выпуклыми асимметричными роликами. Обработанный сепаратор штыревого типа из медного сплава. С центральным ребром. С ребрами с двух сторон (для предотвращения падения роликов). | 30.00 | 62.00 | 23.83 |
| 530206-К1С9 | Шариковый радиальный однорядный подшипник. «Замок» (скос) на внутреннем кольце плюс массивный сепаратор из текстолита. Смазка ЛЗ-31. | 30.00 | 62.00 | 24.00 |
| 530206АК | Шариковый радиальный однорядный подшипник. Повышенная грузоподъемность. | 30.00 | 62.00 | 24.00 |
Способы доставки
Отправка через ведущие транспортные и курьерские компании: ПЭК, Деловые Линии, СДЭК, Байкал-Сервис, Энергия, КИТ, ЖелДорЭкспедиция.
Самовывоз возможен напрямую со склада в Москве.
Сроки доставки
Срок зависит от региона и выбранной транспортной компании. Все заказы комплектуются и отправляются в кратчайшие сроки со склада в Москве.
Надёжность и сохранность
Вся продукция упаковывается с учётом требований транспортировки. Мы гарантируем, что подшипники и комплектующие прибудут к заказчику в полной сохранности.
Доставка в страны ЕАЭС
Мы работаем с проверенными логистическими партнёрами, что позволяет оперативно доставлять заказы в Беларусь, Казахстан, Армению и другие страны ЕАЭС.
Варианты оплаты:
Минимальная сумма заказа и скидки:
Документы и гарантии:
Да, конечно! Наши технические специалисты готовы помочь вам с подбором точного аналога или замены подшипника. Просто позвоните нам по телефону +7 (495) 104-99-04 или напишите на почту zakaz@podsnab.ru.
Для оперативной консультации подготовьте, пожалуйста, имеющиеся данные: маркировку, размеры, тип оборудования или артикул старого подшипника.
Да, конечно! Мы высоко ценим долгосрочное сотрудничество и доверие клиентов по всей России. Для постоянных клиентов действует персональная система скидок.
Условия формируются индивидуально и зависят от:
Чтобы узнать свои условия и получить максимально выгодное предложение, свяжитесь с персональным менеджером или напишите нам на почту zakaz@podsnab.ru.
Вы можете оформить заказ несколькими способами:
Для оформления заказа от юридического лица свяжитесь с нашим отделом по работе с корпоративными клиентами по телефону +7 (495) 104-99-04 или напишите на email zakaz@podsnab.ru, прикрепив реквизиты вашей организации.
Мы оперативно подготовим коммерческое предложение и выставим счет.
Возврат товара надлежащего качества возможен в течение 10 дней с момента получения, если товар не был в употреблении, сохранен товарный вид, упаковка не вскрывалась и присутствуют все сопроводительные документы.
Возврат денежных средств осуществляется в течение 10 рабочих дней после проверки товара складом.
В соответствии с законодательством возврату не подлежат подшипники надлежащего качества, если отсутствует оригинальная упаковка или имеются следы монтажа.
В случае выявления брака или гарантийного случая мы гарантируем возврат или обмен товара.
Да, гарантийный срок хранения устанавливается заводом-изготовителем и в среднем составляет 2 года при соблюдении условий хранения: сухое помещение, оригинальная упаковка и смазка.
Точный срок для конкретного типа подшипника уточняйте у наших менеджеров.
Пн–Пт: с 8:00 до 17:00 (МСК).
Сб–Вс: выходные дни.
Заказы на сайте принимаются круглосуточно. Заявки, поступившие после окончания рабочего дня, обрабатываются на следующий рабочий день.
Минимальная сумма заказа для доставки составляет 3000 рублей. Самовывоз со склада возможен на любую сумму при наличии товара.
ООО «УралТехГрупп»
ИНН: 7415093830
КПП: 772401001
ОГРН: 1167456069021
Банк: ПАО Сбербанк
Р/с: 40702810838000475273
К/с: 30101810400000000225
БИК: 044525225
У подшипника 5206A пока нет отзывов. Вы можете стать первым покупателем, поделившимся своим мнением.