Поиск подшипника
Статьи
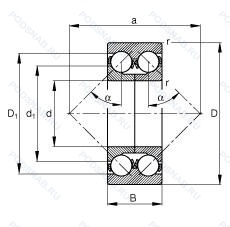
3308DA.MA — Подшипник шариковый двухрядный радиально-упорный, модификация основного исполнения 3308, производство FAG.
Размер подшипника: 40x90x36 мм.
Механически обработанный латунный сепаратор. центрирование по внешнему кольцу, шарикоподшипник двухрядный с разъемным внутренним кольцом.
Аналоги: 3308-DA-MA FAG.
Международная стандартизации ISO
3308DAMA
В наличии
| Обозначение | Конструктивные изменения |
|---|---|
| 3308-BD-TVH-C3 | Внутренний зазор больше нормального. Литой полиамидный сепаратор (PA66). защелкивающийся. Модифицированная внутренняя конструкция. угол контакта α=30. без отверстия для заполнения. |
| 3308-BD-TVH | Литой полиамидный сепаратор (PA66). защелкивающийся. Модифицированная внутренняя конструкция. угол контакта α=30. без отверстия для заполнения. |
| 3308-BD-2HRS-TVH-C3 | Внутренний зазор больше нормального. Формованный полиамидный сепаратор защелкивающегося типа. Манжетные уплотнения с обеих сторон изготовлены из нитрил-бутадиенового каучука. Эти конструкции смазываются на весь срок службы высококачественной смазкой и подходят для умеренных скоростей. Момент трения и тепловыделение ниже, чем при использовании предыдущего уплотнения RSR.. Модифицированная внутренняя конструкция. угол контакта α=30. без отверстия для заполнения. |
| 3308-BD-2HRS-TVH | Формованный полиамидный сепаратор защелкивающегося типа. Манжетные уплотнения с обеих сторон изготовлены из нитрил-бутадиенового каучука. Эти конструкции смазываются на весь срок службы высококачественной смазкой и подходят для умеренных скоростей. Момент трения и тепловыделение ниже, чем при использовании предыдущего уплотнения RSR.. Модифицированная внутренняя конструкция. угол контакта α=30. без отверстия для заполнения. |
| 3308-BD-2Z-TVH | Щиты с обеих сторон подшипника. Формованный полиамидный сепаратор защелкивающегося типа. Модифицированная внутренняя конструкция. угол контакта α=30. без отверстия для заполнения. |
| 3308-B-2RS-TNH-C3 | Внутренний зазор больше нормального. Резиновые уплотнения с каждой стороны подшипника. Модификация внутренней конструкции. Подшипник с защелкиваемым сепаратором из пластмассы. |
| 3308B.2RSR.TVH.C3 | Внутренний зазор больше нормального. Модификация внутренней конструкции. Формованный полиамидный сепаратор защелкивающегося типа. Seal At Each Side Of The Bearing. |
| 3308-B-2Z-TNH | Модификация внутренней конструкции. Щиты с обеих сторон подшипника. Подшипник с защелкиваемым сепаратором из пластмассы. |
| 3308-B-TNH-L946 | Модификация внутренней конструкции. Подшипник с защелкиваемым сепаратором из пластмассы. Preserved With Anti-Corrosion Oil. (Normal Preservation Instead Of The Production Grease Filling). |
| 3308-B-2Z-TNH-C3 | Внутренний зазор больше нормального. Модификация внутренней конструкции. Щиты с обеих сторон подшипника. Подшипник с защелкиваемым сепаратором из пластмассы. |
| 3308B G15 J30 | Шарикоподшипник радиально-упорный. Двухрядный. С заправочными пазами. Внутренний зазор больше нормального. Литой сепаратор из полиамида 6.6. армированного стекловолокном. Элемент качения по центру. |
| 3308TNG | Обработанный сепаратор изготовлен из полиамида или аналогичного пластика со стекловолокном. Роликовые элементы центрированы. |
| 3308ATN9/C4 | Внутренний зазор подшипника больше. чем C3. Двухрядный радиально-упорный шарикоподшипник без отверстия для смазки. Литой защелкивающийся сепаратор из полиамида. армированного стекловолокном 6.6. |
| 3308BB.TVH.C3 | Внутренний зазор больше нормального. Формованный полиамидный сепаратор защелкивающегося типа. Ball Bearing. Paired. Back-To-Back. |
| 3308 2RS TNG | Резиновые уплотнения с каждой стороны подшипника. Прочный сепаратор из полиамида. армированного стекловолокном. |
| 3308A-2Z | Двухрядный радиально-упорный шарикоподшипник без отверстия для смазки. Защитные металлические шайбы с обеих сторон подшипника. |
| 3308A-2RS1TN9/C3MT33 | Внутренний зазор больше нормального. Двухрядный радиально-упорный шарикоподшипник без отверстия для смазки. Литой защелкивающийся сепаратор из полиамида. армированного стекловолокном 6.6. Усиленные листовой сталью контактные уплотнения из акрилонитрил-бутадиенового каучука (NBR) с обеих сторон подшипника. Lithium Grease. Medium Temp. 74 cSt @ 40°C. -30°C/+120°C. A Two-Figure Number Following MT Identifies The Actual Grease. An Additional Letter Or Letter/Figure Combination As Mentioned Under HT Identifies Filling Degrees Other Than Standard. Examples/ MT33 Or MT37F9. |
| 3308B-2RSRTNGC3 | Внутренний зазор больше нормального. 25° Угол контакта. Резиновые уплотнения с каждой стороны подшипника. Сепаратор из полиамида 66. армированного стекловолокном. |
| 3308BTN | 25° Угол контакта. Клетка из армированного стекловолокном полиамида 66. |
| 3308BTNC3 | Внутренний зазор больше нормального. 25° Угол контакта. Клетка из армированного стекловолокном полиамида 66. |
| 3308B TNH CN | Угол контакта 40°. Полиамидный защелкивающийся сепаратор. расположенный на подвижных элементах. Нормальный уровень радиального внутреннего зазора (не маркируется). |
| 3308-BD-XL-2HRS-TVH-L055 | Серия X-Life премиум-класс. увеличиный срок службы. Формованный полиамидный сепаратор защелкивающегося типа. Манжетные уплотнения с обеих сторон изготовлены из нитрил-бутадиенового каучука. Эти конструкции смазываются на весь срок службы высококачественной смазкой и подходят для умеренных скоростей. Момент трения и тепловыделение ниже, чем при использовании предыдущего уплотнения RSR.. Модифицированная внутренняя конструкция. угол контакта α=30. без отверстия для заполнения. Подшипник смазан высокоэффективной смазкой Arcanol MULTITOP. |
| 3308BC3 | Внутренний зазор больше нормального. Шарикоподшипник радиально-упорный. Двухрядный. С заправочными пазами. |
| 3308 A-2Z/MT33 | Измененная или модифицированная внутренняя конструкция при неизменных основных размерах. Защитные металлические шайбы с обеих сторон подшипника. Lithium Grease. Medium Temp. 74 cSt @ 40°C. -30°C/+120°C. A Two-Figure Number Following MT Identifies The Actual Grease. An Additional Letter Or Letter/Figure Combination As Mentioned Under HT Identifies Filling Degrees Other Than Standard. Examples/ MT33 Or MT37F9. |
| 3308-B-2Z-TV | Конический роликовый подшипник. Угол контакта 20 градусов. Защитные металлические шайбы с обеих сторон подшипника. Прочный сепаратор из полиамида. армированного стекловолокном. |
Модификации шарикового подшипника 3308DA.MA — это измененное основное конструктивное исполнение 3308, основные размеры (40x90x36) не отличаются.
| Обозначение | Гост | Конструктивные особенности |
|---|---|---|
| 5308TN | ISO | Прочный сепаратор из полиамида. армированного стекловолокном. |
| 5308MFF C3 | ISO | Внутренний зазор больше нормального. Двухрядный радиально-упорный. Шарикоподшипник с заполняющей выемкой и сходящимися наружу углами контакта. Металлическое уплотнение с двух сторон. |
| 5308ENR/C3 | ISO | Внутренний зазор больше нормального. Подшипник с заправочным пазом для ввода тел качений. Канавка под стопорное кольцо на наружном кольце с соответствующим стопорным кольцом. |
| 5308E | ISO | Подшипник с заправочным пазом для ввода тел качений. |
| 5308ANRH/C3 | ISO | Внутренний зазор больше нормального. Двухрядный радиально-упорный шарикоподшипник без отверстия для смазки. Канавка под стопорное кольцо на наружном кольце с соответствующим стопорным кольцом. Pressed Steel Cage (Snap Type). Hardened. |
| 5308AB | ISO | Модификация внутренней конструкции. |
| 5308TVH | ISO | Формованный полиамидный сепаратор защелкивающегося типа. |
| 5308AH/C3 | ISO | Внутренний зазор больше нормального. Противовращающийся штырь. Массивные ножки и свободный момент выравнивания. |
| S5308ZZ | ISO | Защитные металлические шайбы с обеих сторон. |
| 5308ZZ G15 | ISO | Защитные металлические шайбы с обеих сторон. Литой сепаратор из полиамида 6.6. армированного стекловолокном. Центрированный элемент качения.. |
| 5308ANRH | ISO | Двухрядный радиально-упорный шарикоподшипник без отверстия для смазки. Канавка под стопорное кольцо на наружном кольце с соответствующим стопорным кольцом. Pressed Steel Cage (Snap Type). Hardened. |
| 5308S C3 | ISO | Прессованный стальной сепаратор. Внутренний зазор больше нормального. |
| 5308A-2RS1 | ISO | Двухрядный радиально-упорный шарикоподшипник без отверстия для смазки. Усиленные листовой сталью контактные уплотнения из акрилонитрил-бутадиенового каучука (NBR) с обеих сторон подшипника. |
| 5308EE | ISO | Резиновые уплотнения с каждой стороны подшипника. |
| 5308S | ISO | Запечатанная версия кулачкового ролика. Только для тел качения. |
| 5308ZZC3 | ISO | Внутренний зазор больше нормального. Защитные металлические шайбы с обеих сторон. |
| 5308DDU | ISO | Резиновые уплотнения с каждой стороны подшипника. |
| 5308P6 | ISO | Размерные и геометрические допуски соответствуют классу точности P6. |
| 5308SC3NR | ISO | Прессованный стальной сепаратор. Внутренний зазор больше нормального. Канавка под стопорное кольцо на наружном кольце с соответствующим стопорным кольцом. |
| 5308NRZZG15 | ISO | Защитные металлические шайбы с обеих сторон. Канавка под стопорное кольцо на наружном кольце с соответствующим стопорным кольцом. Литой сепаратор из полиамида 6.6. армированного стекловолокном. Центрированный элемент качения.. |
Аналог шарикового подшипника 3308DA.MA — это подшипник такого же размера dx40,Dx90,Bx36, типа и конструкции.
| Обозначение | Конструктивные особенности | Внутренний (d) | Наружный (D) | Ширина (B) |
|---|---|---|---|---|
| 63308-2RS | Шариковый радиальный однорядный подшипник. Резиновые уплотнения с каждой стороны подшипника. | 40.00 | 90.00 | 36.50 |
| W6308-2RS | Шариковый радиальный однорядный подшипник. Резиновые уплотнения с каждой стороны подшипника. | 40.00 | 90.00 | 36.50 |
| W6308-ZZ | Шариковый радиальный однорядный подшипник. Защитные металлические шайбы с обеих сторон. | 40.00 | 90.00 | 36.50 |
| UK308L3 | Шариковый радиальный однорядный подшипник. Тройное манжетное уплотнение для вкладыша подшипника. | 40.00 | 90.00 | 35.00 |
| 6-7608 А1 | Роликовый радиальный-упорный однорядный подшипник. Повышенная грузоподъемность. | 40.00 | 90.00 | 35.25 |
| 6У-27608 А | Роликовый радиальный-упорный однорядный подшипник. Повышенная грузоподъемность. | 40.00 | 90.00 | 35.25 |
| 6У-27608 А1 | Роликовый радиальный-упорный однорядный подшипник. Повышенная грузоподъемность. | 40.00 | 90.00 | 35.25 |
| 6У-7608 А | Роликовый радиальный-упорный однорядный подшипник. Повышенная грузоподъемность. | 40.00 | 90.00 | 35.25 |
| 32308F | Роликовый радиальный-упорный конический однорядный подшипник. Сепаратор из обработанной стали или специального чугуна. | 40.00 | 90.00 | 35.25 |
| TR0809AR | Роликовый радиальный-упорный однорядный подшипник. Однорядные конические роликоподшипники нестандартных размеров. Код формы шариковой направляющей. | 40.00 | 90.00 | 35.25 |
| TR0809ARUR | Роликовый радиальный-упорный однорядный подшипник. Однорядные конические роликоподшипники нестандартных размеров. | 40.00 | 90.00 | 35.25 |
| 7608-А1 | Роликовый радиальный-упорный однорядный подшипник. Повышенная грузоподъемность. | 40.00 | 90.00 | 35.25 |
| 7608-АУШ2 | Роликовый радиальный-упорный однорядный подшипник. Дополнительные технические требования. Нормы шумности. Повышенная грузоподъемность. | 40.00 | 90.00 | 35.25 |
| 63308LLU | Шариковый радиальный однорядный подшипник. Контактное резиновое уплотнение с двух сторон. | 40.00 | 90.00 | 36.50 |
| W308PPG | Шариковый радиальный однорядный подшипник. Широкий. Два уплотнения и стопорное кольцо. | 40.00 | 90.00 | 36.53 |
Способы доставки
Отправка через ведущие транспортные и курьерские компании: ПЭК, Деловые Линии, СДЭК, Байкал-Сервис, Энергия, КИТ, ЖелДорЭкспедиция.
Самовывоз возможен напрямую со склада в Москве.
Сроки доставки
Срок зависит от региона и выбранной транспортной компании. Все заказы комплектуются и отправляются в кратчайшие сроки со склада в Москве.
Надёжность и сохранность
Вся продукция упаковывается с учётом требований транспортировки. Мы гарантируем, что подшипники и комплектующие прибудут к заказчику в полной сохранности.
Доставка в страны ЕАЭС
Мы работаем с проверенными логистическими партнёрами, что позволяет оперативно доставлять заказы в Беларусь, Казахстан, Армению и другие страны ЕАЭС.
Варианты оплаты:
Минимальная сумма заказа и скидки:
Документы и гарантии:
Да, конечно! Наши технические специалисты готовы помочь вам с подбором точного аналога или замены подшипника. Просто позвоните нам по телефону +7 (495) 104-99-04 или напишите на почту zakaz@podsnab.ru.
Для оперативной консультации подготовьте, пожалуйста, имеющиеся данные: маркировку, размеры, тип оборудования или артикул старого подшипника.
Да, конечно! Мы высоко ценим долгосрочное сотрудничество и доверие клиентов по всей России. Для постоянных клиентов действует персональная система скидок.
Условия формируются индивидуально и зависят от:
Чтобы узнать свои условия и получить максимально выгодное предложение, свяжитесь с персональным менеджером или напишите нам на почту zakaz@podsnab.ru.
Вы можете оформить заказ несколькими способами:
Для оформления заказа от юридического лица свяжитесь с нашим отделом по работе с корпоративными клиентами по телефону +7 (495) 104-99-04 или напишите на email zakaz@podsnab.ru, прикрепив реквизиты вашей организации.
Мы оперативно подготовим коммерческое предложение и выставим счет.
Возврат товара надлежащего качества возможен в течение 10 дней с момента получения, если товар не был в употреблении, сохранен товарный вид, упаковка не вскрывалась и присутствуют все сопроводительные документы.
Возврат денежных средств осуществляется в течение 10 рабочих дней после проверки товара складом.
В соответствии с законодательством возврату не подлежат подшипники надлежащего качества, если отсутствует оригинальная упаковка или имеются следы монтажа.
В случае выявления брака или гарантийного случая мы гарантируем возврат или обмен товара.
Да, гарантийный срок хранения устанавливается заводом-изготовителем и в среднем составляет 2 года при соблюдении условий хранения: сухое помещение, оригинальная упаковка и смазка.
Точный срок для конкретного типа подшипника уточняйте у наших менеджеров.
Пн–Пт: с 8:00 до 17:00 (МСК).
Сб–Вс: выходные дни.
Заказы на сайте принимаются круглосуточно. Заявки, поступившие после окончания рабочего дня, обрабатываются на следующий рабочий день.
Минимальная сумма заказа для доставки составляет 3000 рублей. Самовывоз со склада возможен на любую сумму при наличии товара.
ООО «УралТехГрупп»
ИНН: 7415093830
КПП: 772401001
ОГРН: 1167456069021
Банк: ПАО Сбербанк
Р/с: 40702810838000475273
К/с: 30101810400000000225
БИК: 044525225
У подшипника 3308DA.MA пока нет отзывов. Вы можете стать первым покупателем, поделившимся своим мнением.