Поиск подшипника
Статьи
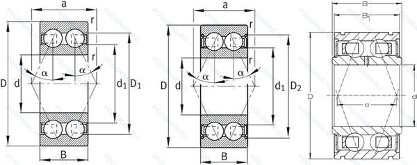
3302J — Подшипник шариковый двухрядный радиально-упорный, модификация основного исполнения 3302, производство NSK.
Размер подшипника: 15x42x19 мм.
Дорожки качения наружного кольца. угол контакта и ширина наружного кольца в соответствии с iso.
Аналоги: 3302 FAG,3302X FAG,3302 SKF,3302AM SKF,3302 Koyo,3302 NSK,3302S1 NTN,3302 ZKL.
Международная стандартизации ISO
3302J
В наличии
| Обозначение | Конструктивные изменения |
|---|---|
| 3302B.2RSR.TVH | Модификация внутренней конструкции. Формованный полиамидный сепаратор защелкивающегося типа. Seal At Each Side Of The Bearing. |
| 3302A-2RS1TN9 | Двухрядный радиально-упорный шарикоподшипник без отверстия для смазки. Литой защелкивающийся сепаратор из полиамида. армированного стекловолокном 6.6. Усиленные листовой сталью контактные уплотнения из акрилонитрил-бутадиенового каучука (NBR) с обеих сторон подшипника. |
| 3302A/P6 | Двухрядный радиально-упорный шарикоподшипник без отверстия для смазки. Размерные и геометрические допуски соответствуют классу точности P6. |
| 3302B 2RS TNG | Резиновые уплотнения с каждой стороны подшипника. Конический роликовый подшипник. Угол контакта 20 градусов. Прочный сепаратор из полиамида. армированного стекловолокном. |
| 3302A-2ZTN9 | Двухрядный радиально-упорный шарикоподшипник без отверстия для смазки. Формованный под давлением защелкивающийся сепаратор из усиленного стекловолокном полиамида 6.6. Защитные металлические шайбы с обеих сторон подшипника. |
| 3302B Z NR TNG | Конический роликовый подшипник. Угол контакта 20 градусов. Одна защитная металлическая шайба. SNAP RING GROOVE WITH SNAP RING. Прочный сепаратор из полиамида. армированного стекловолокном. |
| 3302B ZZ TNG | Конический роликовый подшипник. Угол контакта 20 градусов. Металлические защитные шайбы с двух сторон. Прочный сепаратор из полиамида. армированного стекловолокном. |
| 3302-B-TNH-C3 | Внутренний зазор больше нормального. Модификация внутренней конструкции. Подшипник с защелкиваемым сепаратором из пластмассы. |
| 3302-B-TNH | Модификация внутренней конструкции. Подшипник с защелкиваемым сепаратором из пластмассы. |
| 3302-B-2RS-TNH | Резиновые уплотнения с каждой стороны подшипника. Модификация внутренней конструкции. Подшипник с защелкиваемым сепаратором из пластмассы. |
| 3302A/C2 | радиальный внутренний зазор меньше нормально. Двухрядный радиально-упорный шарикоподшипник без отверстия для смазки. |
| 3302BTN | 25° Угол контакта. Клетка из армированного стекловолокном полиамида 66. |
| 3302-TVH | Формованный полиамидный сепаратор защелкивающегося типа. |
| 3302 2RS TNG | Резиновые уплотнения с каждой стороны подшипника. Прочный сепаратор из полиамида. армированного стекловолокном. |
| 3302ATN9 2RS | Резиновые уплотнения с каждой стороны подшипника. |
| 3302.2RSR | Резиновые уплотнения с каждой стороны подшипника. |
| 3302B-2RSRTNG | Конический роликовый подшипник. Угол контакта 20 градусов. Резиновые уплотнения с каждой стороны подшипника. Сепаратор из полиамида 66. армированного стекловолокном. |
| 3302A-2RS1TN9/C3MT33 | Внутренний зазор больше нормального. Двухрядный радиально-упорный шарикоподшипник без отверстия для смазки. Литой защелкивающийся сепаратор из полиамида. армированного стекловолокном 6.6. Усиленные листовой сталью контактные уплотнения из акрилонитрил-бутадиенового каучука (NBR) с обеих сторон подшипника. Lithium Grease. Medium Temp. 74 cSt @ 40°C. -30°C/+120°C. A Two-Figure Number Following MT Identifies The Actual Grease. An Additional Letter Or Letter/Figure Combination As Mentioned Under HT Identifies Filling Degrees Other Than Standard. Examples/ MT33 Or MT37F9. |
| 3302ATN9/C3 | Внутренний зазор больше нормального. Двухрядный радиально-упорный шарикоподшипник без отверстия для смазки. Литой защелкивающийся сепаратор из полиамида. армированного стекловолокном 6.6. |
| 3302B-2ZRTNGC3 | Внутренний зазор больше нормального. 25° Угол контакта. Metal Shields At Each Side Of The Bearing. Прочный сепаратор из полиамида. армированного стекловолокном. |
| 3302-BD-2Z-TVH | Защитные металлические шайбы с обеих сторон подшипника. Твердая клетка из полиамида. Tapered Roller Bearing. Steep Угол контакта (24° To 32°). Metric Series. |
| 3302-BD-2HRS-TVH | Твердая клетка из полиамида. Манжетные уплотнения с обеих сторон изготовлены из нитрил-бутадиенового каучука. Эти конструкции смазываются на весь срок службы высококачественной смазкой и подходят для умеренных скоростей. Момент трения и тепловыделение ниже, чем при использовании предыдущего уплотнения RSR.. Tapered Roller Bearing. Steep Угол контакта (24° To 32°). Metric Series. |
| 3302 A-2RS1 | Измененная или модифицированная внутренняя конструкция при неизменных основных размерах. Усиленные листовой сталью контактные уплотнения из акрилонитрил-бутадиенового каучука (NBR) с обеих сторон подшипника. |
| 3302A-2Z | Измененная или модифицированная внутренняя конструкция при неизменных основных размерах. Защитные металлические шайбы с обеих сторон подшипника. |
| 3302-BD-TVH | Твердая клетка из полиамида. Tapered Roller Bearing. Steep Угол контакта (24° To 32°). Metric Series. |
Модификации шарикового подшипника 3302J — это измененное основное конструктивное исполнение 3302, основные размеры (15x42x19) не отличаются.
| Обозначение | Гост | Конструктивные особенности |
|---|---|---|
| 5302 2RS | ISO | Резиновые уплотнения с каждой стороны подшипника. |
| 5302ZZ | ISO | Металлическая защитная шайба с двух сторон. |
| 5302 | ISO | Подшипник шариковый двухрядный радиально-упорный. |
| 5302A ZZ | ISO | Двухрядный радиально-упорный шарикоподшипник без отверстия для смазки. Защитные металлические шайбы с обеих сторон. |
| 5302EE G15 | ISO | Литой сепаратор из полиамида 6.6. армированного стекловолокном. Элемент качения по центру. Резиновые уплотнения с каждой стороны подшипника. |
| 5302SCZZ/5C | ISO | Прессованный стальной сепаратор. Защитные металлические шайбы с обеих сторон. Chevron SRI-2 Grease High Temperature -29°C to 177°C. |
| 5302SCZZ | ISO | Прессованный стальной сепаратор. Защитные металлические шайбы с обеих сторон. |
| 5302SC3 | ISO | Прессованный стальной сепаратор. Внутренний зазор больше нормального. |
| 5302S | ISO | Запечатанная версия кулачкового ролика. Только для тел качения. |
Аналог шарикового подшипника 3302J — это подшипник такого же размера dx15,Dx42,Bx19, типа и конструкции.
| Обозначение | Конструктивные особенности | Внутренний (d) | Наружный (D) | Ширина (B) |
|---|---|---|---|---|
| NUTR1542DZ | Опорный ролик. Опорные ролики игольчатого типа. Цилиндрический наружный диаметр. Литой сепаратор оконного типа из полиамида. усиленного стекловолокном. | 15.00 | 42.00 | 18.00 |
| NUTR1542X | Опорный ролик. Измененные размеры границ. введенные пересмотренными стандартами ISO. | 15.00 | 42.00 | 18.00 |
| NUTR1542A | Опорный ролик. Измененная или модифицированная внутренняя конструкция при неизменных основных размерах. | 15.00 | 42.00 | 18.00 |
| PWTR1542-2RS | Опорный ролик. Резиновые уплотнения с каждой стороны подшипника. | 15.00 | 42.00 | 18.00 |
| AB10237 EES | Подшипник однорядный шариковый радиальный. Сферический наружный диаметр. Контактные уплотнения с двух сторон. | 15.00 | 42.00 | 19.05 |
| 1200482B | Подшипник для корпуса. With Lubrication Hole In The Outer Ring. | 15.00 | 42.50 | 18.00 |
| NURT15-1 | Опорный ролик. Number Of Carriages Per Rail Track. | 15.00 | 42.00 | 19.00 |
| FGUL15.42MM | Кулачковый ролик толкатель. Металлические уплотнения с двух сторон подшипника. | 15.00 | 42.00 | 19.00 |
| PWTR1542 2RS A | Опорный ролик. Переделка во внутренней конструкции. Идентичен старой нотации. Rubber Seals At Each Side Of The Bearing. Temperature Range -30℃/+120℃. | 15.00 | 42.00 | 18.00 |
| NUTR1542XA | Опорный ролик. (Cone/Inner Race And Cup/Outer Race) Special Feature Bearing (Non-Interchangeable With Bearings Having The Same Basic Part Number). | 15.00 | 42.00 | 18.00 |
| NUTR302/3AS | Опорный ролик. Смазка. Shell Oil Co. Смазка Alvania #3, стандартная заливка.. | 15.00 | 42.00 | 18.00 |
| 5302-2RS C3 | Шариковый радиально-упорный двухрядный подшипник. Внутренний зазор больше нормального. Резиновые уплотнения с каждой стороны подшипника. | 15.00 | 42.00 | 19.00 |
| W6302-ZZ | Шариковый радиальный однорядный подшипник. Защитные металлические шайбы с обеих сторон. | 15.00 | 42.00 | 19.00 |
| W6302-2RS | Шариковый радиальный однорядный подшипник. Резиновые уплотнения с каждой стороны подшипника. | 15.00 | 42.00 | 19.00 |
| W6302-2RSNR | Шариковый радиальный однорядный подшипник. | 15.00 | 42.00 | 19.00 |
Способы доставки
Отправка через ведущие транспортные и курьерские компании: ПЭК, Деловые Линии, СДЭК, Байкал-Сервис, Энергия, КИТ, ЖелДорЭкспедиция.
Самовывоз возможен напрямую со склада в Москве.
Сроки доставки
Срок зависит от региона и выбранной транспортной компании. Все заказы комплектуются и отправляются в кратчайшие сроки со склада в Москве.
Надёжность и сохранность
Вся продукция упаковывается с учётом требований транспортировки. Мы гарантируем, что подшипники и комплектующие прибудут к заказчику в полной сохранности.
Доставка в страны ЕАЭС
Мы работаем с проверенными логистическими партнёрами, что позволяет оперативно доставлять заказы в Беларусь, Казахстан, Армению и другие страны ЕАЭС.
Варианты оплаты:
Минимальная сумма заказа и скидки:
Документы и гарантии:
Да, конечно! Наши технические специалисты готовы помочь вам с подбором точного аналога или замены подшипника. Просто позвоните нам по телефону +7 (495) 104-99-04 или напишите на почту zakaz@podsnab.ru.
Для оперативной консультации подготовьте, пожалуйста, имеющиеся данные: маркировку, размеры, тип оборудования или артикул старого подшипника.
Да, конечно! Мы высоко ценим долгосрочное сотрудничество и доверие клиентов по всей России. Для постоянных клиентов действует персональная система скидок.
Условия формируются индивидуально и зависят от:
Чтобы узнать свои условия и получить максимально выгодное предложение, свяжитесь с персональным менеджером или напишите нам на почту zakaz@podsnab.ru.
Вы можете оформить заказ несколькими способами:
Для оформления заказа от юридического лица свяжитесь с нашим отделом по работе с корпоративными клиентами по телефону +7 (495) 104-99-04 или напишите на email zakaz@podsnab.ru, прикрепив реквизиты вашей организации.
Мы оперативно подготовим коммерческое предложение и выставим счет.
Возврат товара надлежащего качества возможен в течение 10 дней с момента получения, если товар не был в употреблении, сохранен товарный вид, упаковка не вскрывалась и присутствуют все сопроводительные документы.
Возврат денежных средств осуществляется в течение 10 рабочих дней после проверки товара складом.
В соответствии с законодательством возврату не подлежат подшипники надлежащего качества, если отсутствует оригинальная упаковка или имеются следы монтажа.
В случае выявления брака или гарантийного случая мы гарантируем возврат или обмен товара.
Да, гарантийный срок хранения устанавливается заводом-изготовителем и в среднем составляет 2 года при соблюдении условий хранения: сухое помещение, оригинальная упаковка и смазка.
Точный срок для конкретного типа подшипника уточняйте у наших менеджеров.
Пн–Пт: с 8:00 до 17:00 (МСК).
Сб–Вс: выходные дни.
Заказы на сайте принимаются круглосуточно. Заявки, поступившие после окончания рабочего дня, обрабатываются на следующий рабочий день.
Минимальная сумма заказа для доставки составляет 3000 рублей. Самовывоз со склада возможен на любую сумму при наличии товара.
ООО «УралТехГрупп»
ИНН: 7415093830
КПП: 772401001
ОГРН: 1167456069021
Банк: ПАО Сбербанк
Р/с: 40702810838000475273
К/с: 30101810400000000225
БИК: 044525225
У подшипника 3302J пока нет отзывов. Вы можете стать первым покупателем, поделившимся своим мнением.