Поиск подшипника
Статьи
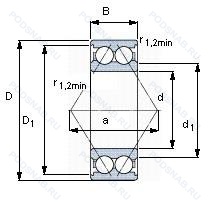
5306A — Подшипник шариковый двухрядный радиально-упорный, модификация основного исполнения 5306, производство SKF.
Размер подшипника: 30x72x30 мм.
Двухрядный радиально-упорный шарикоподшипник без отверстия для смазки.
Аналоги: 5306 NSK,5306 NDH New Departure Hyatt,5306 JAF.
Международная стандартизации ISO
5306A
В наличии
| Обозначение | Конструктивные изменения |
|---|---|
| 5306TVH | Формованный полиамидный сепаратор защелкивающегося типа. |
| 5306MF1 | Двухрядный радиально-упорный. Шарикоподшипник с заполняющей выемкой и сходящимися наружу углами контакта. Металлическая защитная шайба с одной стороны. Extra Width (Spacer Ring Kit Supplied). |
| 5306ZZ G15 | Защитные металлические шайбы с обеих сторон. Литой сепаратор из полиамида 6.6. армированного стекловолокном. Центрированный элемент качения.. |
| 5306S | Запечатанная версия кулачкового ролика. Только для тел качения. |
| 5306ANR/C3 | Внутренний зазор больше нормального. Двухрядный радиально-упорный шарикоподшипник без отверстия для смазки. Канавка под стопорное кольцо на наружном кольце с соответствующим стопорным кольцом. |
| 5306A/C3 | Внутренний зазор больше нормального. Двухрядный радиально-упорный шарикоподшипник без отверстия для смазки. |
| 5306C | Двухрядный радиально-упорный подшипник качения без канавки для заполнения шариками. Со сходящимися наружу угловыми контактами. Жесткая конструкция. |
| 5306CFF | Двухрядный радиально-упорный подшипник качения без канавки для заполнения шариками. Со сходящимися наружу угловыми контактами. Жесткая конструкция. Металлическое уплотнение с двух сторон. |
| 5306MG | Формованный сепаратор из полиамида. укрепленного стекловолокном. |
| 5306K | Conrad (Non-Filling Slot) Type. |
| 5306KG | Серия с закрепительной втулкой и смазочным отверстием. |
| 5306A-2RS1 | Двухрядный радиально-упорный шарикоподшипник без отверстия для смазки. Усиленные листовой сталью контактные уплотнения из акрилонитрил-бутадиенового каучука (NBR) с обеих сторон подшипника. |
| 5306.EE | Резиновые уплотнения с каждой стороны подшипника. |
| 5306SLLDC3 | Прессованный стальной сепаратор. Внутренний зазор больше нормального. Контактное. синтетические. резиновое уплотнение с двух сторон. |
| 5306SCZZC3 | Прессованный стальной сепаратор. Внутренний зазор больше нормального. Защитные металлические шайбы с обеих сторон. |
| A 5306 WB | Cast Iron Take-Up Type Bearing Unit With Its Stretcher Frame. Relubricatable. |
| 5306 E-2RS1 | Повышенная грузоподъемность. Усиленные листовой сталью контактные уплотнения из акрилонитрил-бутадиенового каучука (NBR) с обеих сторон подшипника. |
| 5306 E-2Z | Повышенная грузоподъемность. Защитные металлические шайбы с обеих сторон подшипника. |
| 5306 E | Повышенная грузоподъемность. |
| 5306-2RS C3 | Внутренний зазор больше нормального. Резиновые уплотнения с каждой стороны подшипника. |
| 5306WD | Защитная шайба из штампованной стали с одной стороны. |
| 5306N | Канавка под стопорное кольцо на внешнем кольце. |
| 5306SCZZ | Угол контакта 15°. Только для тел качения. |
| 5306SCLLD | Угол контакта 15°. Только для тел качения. |
| 5306SCLLM | Угол контакта 15°. Только для тел качения. |
Модификации шарикового подшипника 5306A — это измененное основное конструктивное исполнение 5306, основные размеры (30x72x30) не отличаются.
| Обозначение | Гост | Конструктивные особенности |
|---|---|---|
| 3306-BD-TVH-C3 | ISO | Внутренний зазор больше нормального. Литой полиамидный сепаратор (PA66). защелкивающийся. Модифицированная внутренняя конструкция. угол контакта α=30. без отверстия для заполнения. |
| 3306-BD-2HRS-TVH | ISO | Формованный полиамидный сепаратор защелкивающегося типа. Манжетные уплотнения с обеих сторон изготовлены из нитрил-бутадиенового каучука. Эти конструкции смазываются на весь срок службы высококачественной смазкой и подходят для умеренных скоростей. Момент трения и тепловыделение ниже, чем при использовании предыдущего уплотнения RSR.. Модифицированная внутренняя конструкция. угол контакта α=30. без отверстия для заполнения. |
| 3306-BD-2Z-TVH | ISO | Щиты с обеих сторон подшипника. Формованный полиамидный сепаратор защелкивающегося типа. Модифицированная внутренняя конструкция. угол контакта α=30. без отверстия для заполнения. |
| 3306-BD-TVH | ISO | Литой полиамидный сепаратор (PA66). защелкивающийся. Модифицированная внутренняя конструкция. угол контакта α=30. без отверстия для заполнения. |
| 3306-B-2Z-TNH | ISO | Модификация внутренней конструкции. Щиты с обеих сторон подшипника. Подшипник с защелкиваемым сепаратором из пластмассы. |
| 3306ANR | ISO | Двухрядный радиально-упорный шарикоподшипник без отверстия для смазки. Канавка под стопорное кольцо на наружном кольце с соответствующим стопорным кольцом. |
| 3306B 2RSR TG MT2 | ISO | 25° Угол контакта. Контактное уплотнение с обеих сторон подшипника. сепаратор из полиамида 6.6. армированного стекловолокном. LUBRICANT. MEDIUM TEMPERATURE RANGES. |
| 3306M | ISO | Подшипник с латунным сепаратором. центрированный по телам качения. |
| 3306B G15 | ISO | Шарикоподшипник радиально-упорный. Двухрядный. С заправочными пазами. Литой сепаратор из полиамида 6.6. армированного стекловолокном. Центрированный элемент качения.. |
| 3306D | ISO | Половина целого игольчатого валика. Применять суффикс 'D' в базовом номере. |
| 3306ZZ C3 | ISO | Внутренний зазор больше нормального. Защитные стальные шайбы с обеих сторон. |
| 3306B-2ZRTNGC3 | ISO | Внутренний зазор больше нормального. Конический роликовый подшипник. Угол контакта 20 градусов. Metal Shields At Each Side Of The Bearing. Прочный сепаратор из полиамида. армированного стекловолокном. |
| BA2B617074B | ISO | Внутренние изменения в конструкции. |
| 3306B-2RSRTNGC3 | ISO | Внутренний зазор больше нормального. 25° Угол контакта. Резиновые уплотнения с каждой стороны подшипника. Сепаратор из полиамида 66. армированного стекловолокном. |
| 3306B-2ZTN | ISO | 25° Угол контакта. Две металлические защитные шайбы. Сепаратор из полиамида 66. армированного стекловолокном. |
| 3306B 2RSR TNH | ISO | Модификация внутренней конструкции. Формованный полиамидный сепаратор защелкивающегося типа. Seal At Each Side Of The Bearing. |
| 3306-2Z/C3 | ISO | Внутренний зазор больше нормального. Защитные металлические шайбы с обеих сторон подшипника. |
| 3306-DA-MA | ISO | Механически обработанный латунный сепаратор. Центрирование по внешнему кольцу. Шарикоподшипник двухрядный с разъемным внутренним кольцом. |
| 3306-BD-2Z-TVH-L140 | ISO | Щиты с обеих сторон подшипника. Формованный полиамидный сепаратор защелкивающегося типа. (Segment Lubrication. Code 2)High Temperature Grease. -20 To +150°C. Модифицированная внутренняя конструкция. угол контакта α=30. без отверстия для заполнения. |
| 3306NRJC3 | ISO | Внутренний зазор больше нормального. Сепаратор из стали. Канавка под стопорное кольцо на наружном кольце с соответствующим стопорным кольцом. |
Аналог шарикового подшипника 5306A — это подшипник такого же размера dx30,Dx72,Bx30, типа и конструкции.
| Обозначение | Конструктивные особенности | Внутренний (d) | Наружный (D) | Ширина (B) |
|---|---|---|---|---|
| 6-3056306-Ш | Шариковый радиально-упорный двухрядный подшипник. Нормы шумности. | 30.00 | 72.00 | 30.20 |
| S3306-2RS | Шариковый радиально-упорный двухрядный подшипник. Резиновые уплотнения с каждой стороны подшипника. | 30.00 | 72.00 | 30.20 |
| S5306-2RS | Шариковый радиально-упорный двухрядный подшипник. Резиновые уплотнения с каждой стороны подшипника. | 30.00 | 72.00 | 30.20 |
| 3306 A-2RS1 | Шариковый радиально-упорный однорядный подшипник. Измененная или модифицированная внутренняя конструкция при неизменных основных размерах. Усиленные листовой сталью контактные уплотнения из акрилонитрил-бутадиенового каучука (NBR) с обеих сторон подшипника. | 30.00 | 72.00 | 30.20 |
| 3306-B-2Z-TV | Шариковый радиально-упорный двухрядный подшипник. Конический роликовый подшипник. Угол контакта 20 градусов. Защитные металлические шайбы с обеих сторон подшипника. Прочный сепаратор из полиамида. армированного стекловолокном. | 30.00 | 72.00 | 30.20 |
| 63306-2RS | Шариковый радиальный однорядный подшипник. Резиновые уплотнения с каждой стороны подшипника. | 30.00 | 72.00 | 30.20 |
| W6306-2RS | Шариковый радиальный однорядный подшипник. Резиновые уплотнения с каждой стороны подшипника. | 30.00 | 72.00 | 30.20 |
| W6306-ZZ | Шариковый радиальный однорядный подшипник. Защитные металлические шайбы с обеих сторон. | 30.00 | 72.00 | 30.20 |
| 6-27606-А | Роликовый радиальный-упорный однорядный подшипник. Повышенная грузоподъемность. | 30.00 | 72.00 | 29.00 |
| 6-27606-АШ2 | Роликовый радиальный-упорный однорядный подшипник. Нормы шумности. Повышенная грузоподъемность. | 30.00 | 72.00 | 29.00 |
| JHM88540/13 | Роликовый радиальный-упорный однорядный подшипник. 13/16. | 30.00 | 72.00 | 29.37 |
| 7606-A | Роликовый радиальный-упорный однорядный подшипник. Двухрядный радиально-упорный шарикоподшипник без отверстия для смазки. | 30.00 | 72.00 | 29.00 |
| 7606-АШ | Роликовый радиальный-упорный однорядный подшипник. Повышенная грузоподъемность. Нормы шумности. | 30.00 | 72.00 | 29.00 |
| 63306LLB | Шариковый радиальный однорядный подшипник. Уплотнение бесконтактного типа из синтетического каучука. | 30.00 | 72.00 | 30.16 |
| 380806-АУ | Шариковый радиальный однорядный подшипник. Дополнительные технические требования. Повышенная грузоподъемность. | 30.00 | 72.00 | 29.00 |
Способы доставки
Отправка через ведущие транспортные и курьерские компании: ПЭК, Деловые Линии, СДЭК, Байкал-Сервис, Энергия, КИТ, ЖелДорЭкспедиция.
Самовывоз возможен напрямую со склада в Москве.
Сроки доставки
Срок зависит от региона и выбранной транспортной компании. Все заказы комплектуются и отправляются в кратчайшие сроки со склада в Москве.
Надёжность и сохранность
Вся продукция упаковывается с учётом требований транспортировки. Мы гарантируем, что подшипники и комплектующие прибудут к заказчику в полной сохранности.
Доставка в страны ЕАЭС
Мы работаем с проверенными логистическими партнёрами, что позволяет оперативно доставлять заказы в Беларусь, Казахстан, Армению и другие страны ЕАЭС.
Варианты оплаты:
Минимальная сумма заказа и скидки:
Документы и гарантии:
Да, конечно! Наши технические специалисты готовы помочь вам с подбором точного аналога или замены подшипника. Просто позвоните нам по телефону +7 (495) 104-99-04 или напишите на почту zakaz@podsnab.ru.
Для оперативной консультации подготовьте, пожалуйста, имеющиеся данные: маркировку, размеры, тип оборудования или артикул старого подшипника.
Да, конечно! Мы высоко ценим долгосрочное сотрудничество и доверие клиентов по всей России. Для постоянных клиентов действует персональная система скидок.
Условия формируются индивидуально и зависят от:
Чтобы узнать свои условия и получить максимально выгодное предложение, свяжитесь с персональным менеджером или напишите нам на почту zakaz@podsnab.ru.
Вы можете оформить заказ несколькими способами:
Для оформления заказа от юридического лица свяжитесь с нашим отделом по работе с корпоративными клиентами по телефону +7 (495) 104-99-04 или напишите на email zakaz@podsnab.ru, прикрепив реквизиты вашей организации.
Мы оперативно подготовим коммерческое предложение и выставим счет.
Возврат товара надлежащего качества возможен в течение 10 дней с момента получения, если товар не был в употреблении, сохранен товарный вид, упаковка не вскрывалась и присутствуют все сопроводительные документы.
Возврат денежных средств осуществляется в течение 10 рабочих дней после проверки товара складом.
В соответствии с законодательством возврату не подлежат подшипники надлежащего качества, если отсутствует оригинальная упаковка или имеются следы монтажа.
В случае выявления брака или гарантийного случая мы гарантируем возврат или обмен товара.
Да, гарантийный срок хранения устанавливается заводом-изготовителем и в среднем составляет 2 года при соблюдении условий хранения: сухое помещение, оригинальная упаковка и смазка.
Точный срок для конкретного типа подшипника уточняйте у наших менеджеров.
Пн–Пт: с 8:00 до 17:00 (МСК).
Сб–Вс: выходные дни.
Заказы на сайте принимаются круглосуточно. Заявки, поступившие после окончания рабочего дня, обрабатываются на следующий рабочий день.
Минимальная сумма заказа для доставки составляет 3000 рублей. Самовывоз со склада возможен на любую сумму при наличии товара.
ООО «УралТехГрупп»
ИНН: 7415093830
КПП: 772401001
ОГРН: 1167456069021
Банк: ПАО Сбербанк
Р/с: 40702810838000475273
К/с: 30101810400000000225
БИК: 044525225
У подшипника 5306A пока нет отзывов. Вы можете стать первым покупателем, поделившимся своим мнением.