Поиск подшипника
Статьи
5214A — Подшипник шариковый двухрядный радиально-упорный, модификация основного исполнения 5214, выпускается производителями: NACHI, SKF.
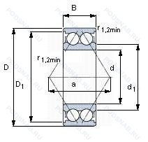
Размер подшипника: 70x125x39 мм.
Двухрядный радиально-упорный шарикоподшипник без отверстия для смазки.
Аналоги: 5214K MRC/Marlin Rockwell,5214 NSK.
Международная стандартизации ISO
5214A
В наличии
| Обозначение | Конструктивные изменения |
|---|---|
| 5214TNG C3 | Внутренний зазор больше нормального. Прочный сепаратор из полиамида. армированного стекловолокном. |
| 5214ZZ | Металлическая защитная шайба с двух сторон. |
| 5214K C3 | Внутренний зазор больше нормального. Коническое отверстие. Конусность 1/12. |
| 5214 | Подшипник шариковый двухрядный радиально-упорный. Основное конструктивное исполнение. |
| 5214C3 | Внутренний зазор больше нормального. |
| 5214B.TVH | Модификация внутренней конструкции. Литой полиамидный сепаратор (PA66). защелкивающийся. |
| 5214EE | Резиновые уплотнения с каждой стороны подшипника. |
| 5214H | Pressed Steel Cage (Snap Type). Hardened. |
| 5214EE G15 | Литой сепаратор из полиамида 6.6. армированного стекловолокном. Элемент качения по центру. Резиновые уплотнения с каждой стороны подшипника. |
| 5214ZZ C3 | Внутренний зазор больше нормального. Защитные металлические шайбы с обеих сторон. |
| 5214KF | Y-образный подшипник серии YSA2-2FK (внутреннее кольцо расширено с обеих сторон. Коническое отверстие). Стандартное уплотнение + простой маслоотражатель с каждой стороны. |
| 5214K | Double Row Angular Contact. Filling Notch Type Bearing. Standard Width And Inwardly Converging Угол контактаs. Non-Rigid Design. |
| 5214S | Запечатанная версия кулачкового ролика. Только для тел качения. |
| A 5214 WB | Cast Iron Take-Up Type Bearing Unit With Its Stretcher Frame. Relubricatable. |
| 5214 A-2Z | Измененная или модифицированная внутренняя конструкция при неизменных основных размерах. Защитные металлические шайбы с обеих сторон подшипника. |
| 5214 E-2Z | Повышенная грузоподъемность. Защитные металлические шайбы с обеих сторон подшипника. |
| 5214 E | Повышенная грузоподъемность. |
| 5214WD | Защитная шайба из штампованной стали с одной стороны. |
| 5214WD PRB | Защитная шайба из штампованной стали с одной стороны. Molded Nylon Cage. |
| 5214N | Канавка под стопорное кольцо на внешнем кольце. |
| 5214AZZ | Однорядный радиальный шарикоподшипник с двумя уплотнениями. |
| 5214NR | Канавка под стопорное кольцо на наружном кольце с соответствующим стопорным кольцом. |
| 5214AN | Код формы шариковой направляющей. |
| 5214Z | щит из листовой прессованной стали с одной стороны подшипника. |
| 5214-2RS | Резиновые уплотнения с каждой стороны подшипника. |
Модификации шарикового подшипника 5214A — это измененное основное конструктивное исполнение 5214, основные размеры (70x125x39) не отличаются.
| Обозначение | Гост | Конструктивные особенности |
|---|---|---|
| 3214TNG C3 | ISO | Внутренний зазор больше нормального. Обработанный сепаратор изготовлен из полиамида или аналогичного пластика со стекловолокном. Роликовые элементы центрированы. |
| 3214TNGZN | ISO | Защитная металлическая шайба с одной стороны. Обработанный сепаратор изготовлен из полиамида или аналогичного пластика со стекловолокном. Роликовые элементы центрированы. Канавка для стопорного кольца во внешнем кольце. Противоположная сторона для ввода тел качения. |
| 3214TNGZN C3 | ISO | Внутренний зазор больше нормального. Защитная металлическая шайба с одной стороны. Обработанный сепаратор изготовлен из полиамида или аналогичного пластика со стекловолокном. Роликовые элементы центрированы. Канавка для стопорного кольца во внешнем кольце. Противоположная сторона для ввода тел качения. |
| 3214B.2RSR.TVH | ISO | Модификация внутренней конструкции. Формованный полиамидный сепаратор защелкивающегося типа. Seal At Each Side Of The Bearing. |
| 3214ATN9 | ISO | Двухрядный радиально-упорный шарикоподшипник без отверстия для смазки. Литой защелкивающийся сепаратор из полиамида. армированного стекловолокном 6.6. |
| 3214A J30 | ISO | Без пазов для заполнения, с полиамидным сепаратором, угол 25°. Внутренний зазор больше нормального. |
| 3214B 2RSR TNG | ISO | 25° Угол контакта. Резиновые уплотнения с каждой стороны подшипника. Сепаратор из полиамида 66. армированного стекловолокном. |
| 3214B-2ZRTNG | ISO | 25° Угол контакта. Metal Shields At Each Side Of The Bearing. Прочный сепаратор из полиамида. армированного стекловолокном. |
| LDJ70K | ISO | Conrad (Non-Filling Slot) Type. |
| 3214B TNG C3 | ISO | Внутренний зазор больше нормального. 25° Угол контакта. Сепаратор из полиамида 66. армированного стекловолокном. |
| 3214B ZZ TNG | ISO | Конический роликовый подшипник. Угол контакта 20 градусов. Металлические защитные шайбы с двух сторон. Прочный сепаратор из полиамида. армированного стекловолокном. |
| 3214BC.JH.C3 | ISO | Внутренний зазор больше нормального. Штампованная сталь. Conrad Type 25° Угол контакта. Domestic Production. |
| 3214C2 | ISO | Внутренний зазор подшипника меньше нормального. |
| 3214A TVH | ISO | Двухрядный радиально-упорный шарикоподшипник без отверстия для смазки. Формованный полиамидный сепаратор защелкивающегося типа. |
| 3214-B-2Z-TVH | ISO | Модификация внутренней конструкции. Щиты с обеих сторон подшипника. Формованный полиамидный сепаратор защелкивающегося типа. |
| 3214B-2RSRTNGC3 | ISO | Внутренний зазор больше нормального. 25° Угол контакта. Резиновые уплотнения с каждой стороны подшипника. Сепаратор из полиамида 66. армированного стекловолокном. |
| 3214B-2ZTN | ISO | 25° Угол контакта. Две металлические защитные шайбы. Сепаратор из полиамида 66. армированного стекловолокном. |
| 3214BTN | ISO | 25° Угол контакта. Клетка из армированного стекловолокном полиамида 66. |
| 3214J | ISO | Сепаратор из стали. |
| 3214J C3 | ISO | Внутренний зазор больше нормального. Сепаратор из стали. |
| 5214 | ГОСТ | Подшипник шариковый двухрядный радиально-упорный. |
Аналог шарикового подшипника 5214A — это подшипник такого же размера dx70,Dx125,Bx39, типа и конструкции.
| Обозначение | Конструктивные особенности | Внутренний (d) | Наружный (D) | Ширина (B) |
|---|---|---|---|---|
| 6-3056214 Ш1 | Шариковый радиально-упорный двухрядный подшипник. Нормы шумности. | 70.00 | 125.00 | 39.70 |
| 3214A-2Z | Шариковый радиально-упорный двухрядный подшипник. Измененная или модифицированная внутренняя конструкция при неизменных основных размерах. Защитные металлические шайбы с обеих сторон подшипника. | 70.00 | 125.00 | 39.70 |
| 3214-B-2RSR-TV | Шариковый радиально-упорный двухрядный подшипник. Конический роликовый подшипник. Угол контакта 20 градусов. Резиновые уплотнения с каждой стороны подшипника. Прочный сепаратор из полиамида. армированного стекловолокном. | 70.00 | 125.00 | 39.70 |
| 3214-B-2Z-TV | Шариковый радиально-упорный двухрядный подшипник. Конический роликовый подшипник. Угол контакта 20 градусов. Защитные металлические шайбы с обеих сторон подшипника. Прочный сепаратор из полиамида. армированного стекловолокном. | 70.00 | 125.00 | 39.70 |
| 3056214-Е | Шариковый радиально-упорный двухрядный подшипник. Сепаратор из текстолита.. | 70.00 | 125.00 | 39.70 |
| 3056214-К1 | Шариковый радиально-упорный двухрядный подшипник. «Замок» (скос) на внутреннем кольце плюс массивный сепаратор из текстолита. | 70.00 | 125.00 | 39.70 |
| 3056214-Л | Шариковый радиально-упорный двухрядный подшипник. Сепаратор из латуни.. | 70.00 | 125.00 | 39.70 |
| 63214-2RS | Шариковый радиальный однорядный подшипник. Резиновые уплотнения с каждой стороны подшипника. | 70.00 | 125.00 | 39.70 |
| 63214ZZ | Шариковый радиальный однорядный подшипник. Защитные металлические шайбы (бесконтактные уплотнения) с обеих сторон подшипника. | 70.00 | 125.00 | 39.70 |
| W214PP2 | Шариковый радиальный однорядный подшипник. Широкий. Long Term Lubrication Unit. | 70.00 | 125.00 | 39.69 |
| W214PP | Шариковый радиальный однорядный подшипник. Широкий. Уплотнения на каждой стороне подшипника. | 70.00 | 125.00 | 39.67 |
| 4-218314-Л | Шариковый упорно-радиальный подшипник. Сепаратор из латуни.. | 70.00 | 125.00 | 40.00 |
| 5-218314 Л | Шариковый упорно-радиальный подшипник. Сепаратор из латуни.. | 70.00 | 125.00 | 40.00 |
| 6-218314 Л | Шариковый упорно-радиальный подшипник. Сепаратор из латуни.. | 70.00 | 125.00 | 40.00 |
| 218314-Л | Шариковый упорный подшипник. Сепаратор из латуни.. | 70.00 | 125.00 | 40.00 |
Способы доставки
Отправка через ведущие транспортные и курьерские компании: ПЭК, Деловые Линии, СДЭК, Байкал-Сервис, Энергия, КИТ, ЖелДорЭкспедиция.
Самовывоз возможен напрямую со склада в Москве.
Сроки доставки
Срок зависит от региона и выбранной транспортной компании. Все заказы комплектуются и отправляются в кратчайшие сроки со склада в Москве.
Надёжность и сохранность
Вся продукция упаковывается с учётом требований транспортировки. Мы гарантируем, что подшипники и комплектующие прибудут к заказчику в полной сохранности.
Доставка в страны ЕАЭС
Мы работаем с проверенными логистическими партнёрами, что позволяет оперативно доставлять заказы в Беларусь, Казахстан, Армению и другие страны ЕАЭС.
Варианты оплаты:
Минимальная сумма заказа и скидки:
Документы и гарантии:
Да, конечно! Наши технические специалисты готовы помочь вам с подбором точного аналога или замены подшипника. Просто позвоните нам по телефону +7 (495) 104-99-04 или напишите на почту zakaz@podsnab.ru.
Для оперативной консультации подготовьте, пожалуйста, имеющиеся данные: маркировку, размеры, тип оборудования или артикул старого подшипника.
Да, конечно! Мы высоко ценим долгосрочное сотрудничество и доверие клиентов по всей России. Для постоянных клиентов действует персональная система скидок.
Условия формируются индивидуально и зависят от:
Чтобы узнать свои условия и получить максимально выгодное предложение, свяжитесь с персональным менеджером или напишите нам на почту zakaz@podsnab.ru.
Вы можете оформить заказ несколькими способами:
Для оформления заказа от юридического лица свяжитесь с нашим отделом по работе с корпоративными клиентами по телефону +7 (495) 104-99-04 или напишите на email zakaz@podsnab.ru, прикрепив реквизиты вашей организации.
Мы оперативно подготовим коммерческое предложение и выставим счет.
Возврат товара надлежащего качества возможен в течение 10 дней с момента получения, если товар не был в употреблении, сохранен товарный вид, упаковка не вскрывалась и присутствуют все сопроводительные документы.
Возврат денежных средств осуществляется в течение 10 рабочих дней после проверки товара складом.
В соответствии с законодательством возврату не подлежат подшипники надлежащего качества, если отсутствует оригинальная упаковка или имеются следы монтажа.
В случае выявления брака или гарантийного случая мы гарантируем возврат или обмен товара.
Да, гарантийный срок хранения устанавливается заводом-изготовителем и в среднем составляет 2 года при соблюдении условий хранения: сухое помещение, оригинальная упаковка и смазка.
Точный срок для конкретного типа подшипника уточняйте у наших менеджеров.
Пн–Пт: с 8:00 до 17:00 (МСК).
Сб–Вс: выходные дни.
Заказы на сайте принимаются круглосуточно. Заявки, поступившие после окончания рабочего дня, обрабатываются на следующий рабочий день.
Минимальная сумма заказа для доставки составляет 3000 рублей. Самовывоз со склада возможен на любую сумму при наличии товара.
ООО «УралТехГрупп»
ИНН: 7415093830
КПП: 772401001
ОГРН: 1167456069021
Банк: ПАО Сбербанк
Р/с: 40702810838000475273
К/с: 30101810400000000225
БИК: 044525225
У подшипника 5214A пока нет отзывов. Вы можете стать первым покупателем, поделившимся своим мнением.