Поиск подшипника
Статьи
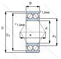
305610A — Подшипник шариковый двухрядный радиально-упорный, модификация основного исполнения 305610, производство SKF.
Размер подшипника: 220x300x76 мм.
Двухрядный радиально-упорный шарикоподшипник без отверстия для смазки.
Международная стандартизации ISO
305610A
В наличии
| Обозначение | Гост | Конструктивные особенности |
|---|---|---|
| Z-514480.SKL | ISO | Подшипник шариковый двухрядный радиально-упорный. |
| 305610A P6 | ISO | Размерные и геометрические допуски соответствуют классу точности P6. |
Аналог шарикового подшипника 305610A — это подшипник такого же размера dx220,Dx300,Bx76, типа и конструкции.
| Обозначение | Конструктивные особенности | Внутренний (d) | Наружный (D) | Ширина (B) |
|---|---|---|---|---|
| 71944ACD/P4ADBB | Подшипник шариковый однорядный радиально-упорный. Точность размеров в соответствии с классом допуска ISO 4. точность вращения лучше чем класс допуска ISO 4. 25° Угол контакта. Два однорядных радиальных шарикоподшипника. Дуплекс. Однорядные радиально-упорные шарикоподшипники или однорядные конические роликовые подшипники. подходящие для монтажа в схеме «спина к спине». Средний преднатяг. | 220.00 | 300.00 | 76.00 |
| 71944ACD/P4ADGA | Подшипник шариковый однорядный радиально-упорный. Точность размеров в соответствии с классом допуска ISO 4. точность вращения лучше чем класс допуска ISO 4. 25° Угол контакта. Два однорядных радиально-упорных шарикоподшипника для универсального сопряжения. т. е. в паре для монтажа «спиной к спине». «лицом к лицу» или «тандем». | 220.00 | 300.00 | 76.00 |
| B71944-E-T-P4S-DTL | Подшипник шариковый однорядный радиально-упорный. 25° Угол контакта. Textile Laminated Phenolic Resin. Outer Ring Guided. The Cage Is Suitable For Long-Term Operation At Temperatures Up To 100°C. Класс точности. стандарт FAG лучше чем P4. Запечатанный с обеих сторон. | 220.00 | 300.00 | 76.00 |
| 7944A5 TR DUL P3 | Подшипник шариковый однорядный радиально-упорный. Комплект из 2 универсальных подшипников. Небольшой предварительный натяг. Сепаратор из фенольных смол. центрируемый по внутреннему кольцу. 25° Угол контакта. Класс точности ниже. чем P2. но выше. чем P4. | 220.00 | 300.00 | 76.00 |
| 7944A5 TR DUL P4 | Подшипник шариковый однорядный радиально-упорный. Комплект из 2 универсальных подшипников. Небольшой предварительный натяг. Точность размеров и хода по классу точности 4 по ISO (более точная. чем P5) - Abec7. Сепаратор из фенольных смол. центрируемый по внутреннему кольцу. 25° Угол контакта. | 220.00 | 300.00 | 76.00 |
| 71944CD/P4ADGA | Подшипник шариковый однорядный радиально-упорный. 15° Угол контакта. Точность размеров в соответствии с классом допуска ISO 4. точность вращения лучше чем класс допуска ISO 4. Два однорядных радиально-упорных шарикоподшипника для универсального монтажа. т.е. спаренные для монтажа по схеме спина к спине. лицом к лицу или в тандемном расположении. Легкий преднатяг. | 220.00 | 300.00 | 76.00 |
| B71944-C-T-P4S-DBM | Подшипник шариковый однорядный радиально-упорный. 15° Угол контакта. Textile Laminated Phenolic Resin. Outer Ring Guided. The Cage Is Suitable For Long-Term Operation At Temperatures Up To 100°C. Класс точности. стандарт FAG лучше чем P4. Комплект из 2 подшипников O-образного расположения. Средний преднатяг. | 220.00 | 300.00 | 76.00 |
| B71944-E-T-P4S-DUL | Подшипник шариковый однорядный радиально-упорный. 25° Угол контакта. Textile Laminated Phenolic Resin. Outer Ring Guided. The Cage Is Suitable For Long-Term Operation At Temperatures Up To 100°C. Класс точности. стандарт FAG лучше чем P4. Комплект из 2 универсальных подшипников. Небольшой предварительный натяг. | 220.00 | 300.00 | 76.00 |
| SF4407DB | Шариковый радиально-упорный двухрядный подшипник. Two Single Row Deep Groove Ball Bearings. Single Row Angular Contact Ball Bearings Or Single Row Tapered Roller Bearings Matched For Mounting In A Back-To-Back Arrangement. | 220.00 | 300.00 | 76.00 |
| SF4403DB | Шариковый радиально-упорный двухрядный подшипник. Two Single Row Deep Groove Ball Bearings. Single Row Angular Contact Ball Bearings Or Single Row Tapered Roller Bearings Matched For Mounting In A Back-To-Back Arrangement. | 220.00 | 300.00 | 76.00 |
| 71944CVDUJ74 | Шариковый радиально-упорный двухрядный подшипник. Угол контакта 15°. Преднатяг (Лёгкий. Комплекты из 2. | 220.00 | 300.00 | 76.00 |
| 71944HVDUJ74 | Шариковый радиально-упорный двухрядный подшипник. Угол контакта 25°. Преднатяг (Лёгкий. Комплекты из 2. | 220.00 | 300.00 | 76.00 |
| F-7944DB | Шариковый радиальный однорядный подшипник. Шариковые подшипники из нержавеющей стали. Two Single Row Deep Groove Ball Bearings. Single Row Angular Contact Ball Bearings Or Single Row Tapered Roller Bearings Matched For Mounting In A Back-To-Back Arrangement. | 220.00 | 300.00 | 76.00 |
| 53244XU | Шариковый упорный однорядный подшипник. Spherical Seat Ring Type. | 220.00 | 300.00 | 75.00 |
Способы доставки
Отправка через ведущие транспортные и курьерские компании: ПЭК, Деловые Линии, СДЭК, Байкал-Сервис, Энергия, КИТ, ЖелДорЭкспедиция.
Самовывоз возможен напрямую со склада в Москве.
Сроки доставки
Срок зависит от региона и выбранной транспортной компании. Все заказы комплектуются и отправляются в кратчайшие сроки со склада в Москве.
Надёжность и сохранность
Вся продукция упаковывается с учётом требований транспортировки. Мы гарантируем, что подшипники и комплектующие прибудут к заказчику в полной сохранности.
Доставка в страны ЕАЭС
Мы работаем с проверенными логистическими партнёрами, что позволяет оперативно доставлять заказы в Беларусь, Казахстан, Армению и другие страны ЕАЭС.
Варианты оплаты:
Минимальная сумма заказа и скидки:
Документы и гарантии:
Да, конечно! Наши технические специалисты готовы помочь вам с подбором точного аналога или замены подшипника. Просто позвоните нам по телефону +7 (495) 104-99-04 или напишите на почту zakaz@podsnab.ru.
Для оперативной консультации подготовьте, пожалуйста, имеющиеся данные: маркировку, размеры, тип оборудования или артикул старого подшипника.
Да, конечно! Мы высоко ценим долгосрочное сотрудничество и доверие клиентов по всей России. Для постоянных клиентов действует персональная система скидок.
Условия формируются индивидуально и зависят от:
Чтобы узнать свои условия и получить максимально выгодное предложение, свяжитесь с персональным менеджером или напишите нам на почту zakaz@podsnab.ru.
Вы можете оформить заказ несколькими способами:
Для оформления заказа от юридического лица свяжитесь с нашим отделом по работе с корпоративными клиентами по телефону +7 (495) 104-99-04 или напишите на email zakaz@podsnab.ru, прикрепив реквизиты вашей организации.
Мы оперативно подготовим коммерческое предложение и выставим счет.
Возврат товара надлежащего качества возможен в течение 10 дней с момента получения, если товар не был в употреблении, сохранен товарный вид, упаковка не вскрывалась и присутствуют все сопроводительные документы.
Возврат денежных средств осуществляется в течение 10 рабочих дней после проверки товара складом.
В соответствии с законодательством возврату не подлежат подшипники надлежащего качества, если отсутствует оригинальная упаковка или имеются следы монтажа.
В случае выявления брака или гарантийного случая мы гарантируем возврат или обмен товара.
Да, гарантийный срок хранения устанавливается заводом-изготовителем и в среднем составляет 2 года при соблюдении условий хранения: сухое помещение, оригинальная упаковка и смазка.
Точный срок для конкретного типа подшипника уточняйте у наших менеджеров.
Пн–Пт: с 8:00 до 17:00 (МСК).
Сб–Вс: выходные дни.
Заказы на сайте принимаются круглосуточно. Заявки, поступившие после окончания рабочего дня, обрабатываются на следующий рабочий день.
Минимальная сумма заказа для доставки составляет 3000 рублей. Самовывоз со склада возможен на любую сумму при наличии товара.
ООО «УралТехГрупп»
ИНН: 7415093830
КПП: 772401001
ОГРН: 1167456069021
Банк: ПАО Сбербанк
Р/с: 40702810838000475273
К/с: 30101810400000000225
БИК: 044525225
У подшипника 305610A пока нет отзывов. Вы можете стать первым покупателем, поделившимся своим мнением.