Поиск подшипника
Статьи
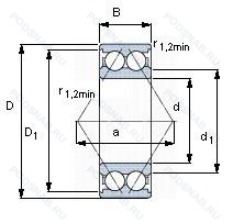
5203ATN9 — Подшипник шариковый двухрядный радиально-упорный, модификация основного исполнения 5203, производство SKF.
Размер подшипника: 17x40x17 мм.
Литой защелкивающийся сепаратор из полиамида. армированного стекловолокном 6.6, двухрядный радиально-упорный шарикоподшипник без отверстия для смазки.
Международная стандартизации ISO
5203ATN9
В наличии
| Обозначение | Конструктивные изменения |
|---|---|
| 5203SBKFF | Металлическое уплотнение с двух сторон. Шарикоподшипник. Радиально-упорный. Двухрядный. Без канавки для ввода тел качения. Стандартная ширина подшипника. Сходящиеся наружу контактные углы. Жесткая конструкция. |
| 5203SBKZ/C0/ABEC-1 | Одно уплотнение из синтетического каучука. Normal Clearance (Not Indicated). Класс точности. Шарикоподшипник. Радиально-упорный. Двухрядный. Без канавки для ввода тел качения. Стандартная ширина подшипника. Сходящиеся наружу контактные углы. Жесткая конструкция. |
| 5203ZZG15/VP8N | Защитные металлические шайбы с обеих сторон. Литой сепаратор из полиамида 6.6. армированного стекловолокном. Центрированный элемент качения.. |
| 5203SBKZZ | Защитные металлические шайбы с двух сторон подшипника. Шарикоподшипник. Радиально-упорный. Двухрядный. Без канавки для ввода тел качения. Стандартная ширина подшипника. Сходящиеся наружу контактные углы. Жесткая конструкция. |
| 5203SCLLD/2AS | Прессованный стальной сепаратор. Контактное. синтетические. резиновое уплотнение с двух сторон. LUBRICANT. SHELL OIL CO.. ALVANIA #2 GREASE. MIL-G-18709A. |
| 5203SBKF | Металлическая защитная шайба с одной стороны. Шарикоподшипник. Радиально-упорный. Двухрядный. Без канавки для ввода тел качения. Стандартная ширина подшипника. Сходящиеся наружу контактные углы. Жесткая конструкция. |
| 5203SBKZ | Одно уплотнение из синтетического каучука. Шарикоподшипник. Радиально-упорный. Двухрядный. Без канавки для ввода тел качения. Стандартная ширина подшипника. Сходящиеся наружу контактные углы. Жесткая конструкция. |
| 5203LLU | Резиновые уплотнения с каждой стороны подшипника. |
| 5203EE G15 | Литой сепаратор из полиамида 6.6. армированного стекловолокном. Элемент качения по центру. Резиновые уплотнения с каждой стороны подшипника. |
| 5203-2RS-C3+L19/146 | Внутренний зазор больше нормального. Резиновые уплотнения с каждой стороны подшипника. Lubricant. Mobil Oil Co.. Mobil 28 Grease. MIL-G-81322 High/Low Temperature -62°C/+176°C. |
| 5203A | Двухрядный радиально-упорный шарикоподшипник без отверстия для смазки. |
| 5203SB | Double Row. Angular Contact. Non-Filling Notch Bearing. With Outwardly Convergent Угол контактаs. Rigid Design. |
| 5203ZZ NR | Защитные металлические шайбы с обеих сторон. Канавка под стопорное кольцо на наружном кольце с соответствующим стопорным кольцом. |
| 5203 A-2RS1TN9 | Измененная или модифицированная внутренняя конструкция при неизменных основных размерах. |
| 5203K PRB | Коническое отверстие. Конусность 1/12. Molded Nylon Cage. |
| 5203AN | Код формы шариковой направляющей. |
| 5203NR | Канавка под стопорное кольцо на наружном кольце с соответствующим стопорным кольцом. |
| 5203NS | Шарики из нитрида кремния Si3N4 (гибридные подшипники). Керамические шарики. |
| 5203A-2NS | Двухрядный радиально-упорный шарикоподшипник без отверстия для смазки. Два контактных уплотнения. |
| 5203AZZ | Однорядный радиальный шарикоподшипник с двумя уплотнениями. |
| 5203SCZZ | Угол контакта 15°. Только для тел качения. |
| 5203SCLLM | Угол контакта 15°. Только для тел качения. |
| 5203S | Запечатанная версия кулачкового ролика. Только для тел качения. |
| 5203SCLLD | Угол контакта 15°. Только для тел качения. |
| SL 5203-2T | By Construction Is The Same As 2S. Except Rubber Lip Is Tripled. Therefore. It Seals Better But Has Even Larger Friction. The Permitted Speeds Are Much Lower. Up To 500. It Emerges Out Of External Ring Width And Is Applied Only With Special Bearings For The Agricultural Machines (Practically Standard Sealing For The Disc Harrow Bearings) And To The Less Extent. Y-Bearing Program. |
Модификации шарикового подшипника 5203ATN9 — это измененное основное конструктивное исполнение 5203, основные размеры (17x40x17) не отличаются.
| Обозначение | Гост | Конструктивные особенности |
|---|---|---|
| 3203P6 | ISO | Размерные и геометрические допуски соответствуют классу точности P6. |
| 3203B ZR TN | ISO | 25° Угол контакта. Сепаратор из полиамида 66. армированного стекловолокном. Металлическое уплотнение с одной стороны. Радиальный тип. |
| 3203J C3 | ISO | Внутренний зазор больше нормального. Сепаратор из стали. |
| 3203B ZZ TNG | ISO | 25° Угол контакта. Защитная металлическая шайба с двух сторон подшипника. Сепаратор из полиамида 66. армированного стекловолокном. |
| 3203B ZZ | ISO | 25° Угол контакта. Защитная металлическая шайба с двух сторон подшипника. |
| 3203B Z NR TNG | ISO | Конический роликовый подшипник. Угол контакта 20 градусов. Одна защитная металлическая шайба. SNAP RING GROOVE WITH SNAP RING. Прочный сепаратор из полиамида. армированного стекловолокном. |
| 3203B TNG C2 | ISO | Внутренний зазор подшипника меньше нормального. Конический роликовый подшипник. Угол контакта 20 градусов. Прочный сепаратор из полиамида. армированного стекловолокном. |
| 3203B TNH | ISO | Угол контакта 40°. Полиамидный защелкивающийся сепаратор. расположенный на подвижных элементах. |
| 3203B.TVH.C3 | ISO | Внутренний зазор больше нормального. Модификация внутренней конструкции. Литой полиамидный сепаратор (PA66). защелкивающийся. |
| 3203-B-2RS-TVH | ISO | Резиновые уплотнения с каждой стороны подшипника. Модификация внутренней конструкции. Формованный полиамидный сепаратор защелкивающегося типа. |
| 3203A TG | ISO | Двухрядный радиально-упорный шарикоподшипник без отверстия для смазки. Пластиковый сепаратор с фиксатором. |
| 3203S | ISO | Запечатанная версия кулачкового ролика. |
| 3203B 2RSR TG MT2 | ISO | Конический роликовый подшипник. Угол контакта 20 градусов. Контактное уплотнение с обеих сторон подшипника. сепаратор из полиамида 6.6. армированного стекловолокном. LUBRICANT. MEDIUM TEMPERATURE RANGES. |
| 3203B TG MT15 3D | ISO | 25 DEGREES CONTACT ANGLE. сепаратор из полиамида 6.6. армированного стекловолокном. LUBRICANT. MEDIUM TEMPERATURE RANGES. |
| 3203ZZ TNG | ISO | Защитные металлические шайбы с обеих сторон. Прочный сепаратор из полиамида. армированного стекловолокном. |
| 3203 2RS TNG | ISO | Резиновые уплотнения с каждой стороны подшипника. Прочный сепаратор из полиамида. армированного стекловолокном. |
| 3203-2RS-C3 | ISO | Внутренний зазор больше нормального. Манжетное уплотнение с обеих сторон подшипника. |
| 3203A-2RS1TN9/C3 | ISO | Внутренний зазор больше нормального. Двухрядный радиально-упорный шарикоподшипник без отверстия для смазки. Литой защелкивающийся сепаратор из полиамида. армированного стекловолокном 6.6. Усиленные листовой сталью контактные уплотнения из акрилонитрил-бутадиенового каучука (NBR) с обеих сторон подшипника. |
| 3203B-2ZTNC3 | ISO | Внутренний зазор больше нормального. 25° Угол контакта. Две металлические защитные шайбы. Сепаратор из полиамида 66. армированного стекловолокном. |
| 3203BTNC3 | ISO | Внутренний зазор больше нормального. 25° Угол контакта. Клетка из армированного стекловолокном полиамида 66. |
Аналог шарикового подшипника 5203ATN9 — это подшипник такого же размера dx17,Dx40,Bx17, типа и конструкции.
| Обозначение | Конструктивные особенности | Внутренний (d) | Наружный (D) | Ширина (B) |
|---|---|---|---|---|
| 6-180503 АК4С9И | Шариковый радиальный однорядный подшипник. Повышенная грузоподъемность. Изменение ТУ на поставку комплектующих деталей или исходных материалов. Смазка ЛЗ-31. | 17.00 | 40.00 | 16.00 |
| 6-180503 АК4С9Ш1 | Шариковый радиальный однорядный подшипник. Нормы шумности. Повышенная грузоподъемность. Смазка ЛЗ-31. | 17.00 | 40.00 | 16.00 |
| 6-180503 АК4С9Ш1И | Шариковый радиальный однорядный подшипник. Нормы шумности. Повышенная грузоподъемность. Изменение ТУ на поставку комплектующих деталей или исходных материалов. Смазка ЛЗ-31. | 17.00 | 40.00 | 16.00 |
| 6-180503 АК4С9ШИ | Шариковый радиальный однорядный подшипник. Повышенная грузоподъемность. Изменение ТУ на поставку комплектующих деталей или исходных материалов. Нормы шумности. Смазка ЛЗ-31. | 17.00 | 40.00 | 16.00 |
| 6-180503 АС9 | Шариковый радиальный однорядный подшипник. Повышенная грузоподъемность. Смазка ЛЗ-31. | 17.00 | 40.00 | 16.00 |
| 6-180503 АС9Ш1 | Шариковый радиальный однорядный подшипник. Повышенная грузоподъемность. Нормы шумности. Смазка ЛЗ-31. | 17.00 | 40.00 | 16.00 |
| 6-180503 АС9Ш1К4 | Шариковый радиальный однорядный подшипник. Повышенная грузоподъемность. Нормы шумности. Смазка ЛЗ-31. | 17.00 | 40.00 | 16.00 |
| 6-180503 К1С9 | Шариковый радиальный однорядный подшипник. Смазка ЛЗ-31. | 17.00 | 40.00 | 16.00 |
| 6-180503 К2С9Ш1 | Шариковый радиальный однорядный подшипник. Нормы шумности. Смазка ЛЗ-31. | 17.00 | 40.00 | 16.00 |
| 6-180503 К3С9 | Шариковый радиальный однорядный подшипник. «Замок» (скос) на внутреннем кольце плюс массивный сепаратор из текстолита. Смазка ЛЗ-31. | 17.00 | 40.00 | 16.00 |
| 6-180503 К4С9 | Шариковый радиальный однорядный подшипник. «Замок» (скос) на внутреннем кольце плюс массивный сепаратор из текстолита. Смазка ЛЗ-31. | 17.00 | 40.00 | 16.00 |
| 6-180503 К4С9И | Шариковый радиальный однорядный подшипник. «Замок» (скос) на внутреннем кольце плюс массивный сепаратор из текстолита. Изменение ТУ на поставку комплектующих деталей или исходных материалов. Смазка ЛЗ-31. | 17.00 | 40.00 | 16.00 |
| 6-180503 К4С9Ш1 | Шариковый радиальный однорядный подшипник. Нормы шумности. Смазка ЛЗ-31. | 17.00 | 40.00 | 16.00 |
| 6-180503 С17 | Шариковый радиальный однорядный подшипник. Смазка Литол-24. | 17.00 | 40.00 | 16.00 |
| 6-180503 С9 | Шариковый радиальный однорядный подшипник. Смазка ЛЗ-31. | 17.00 | 40.00 | 16.00 |
Способы доставки
Отправка через ведущие транспортные и курьерские компании: ПЭК, Деловые Линии, СДЭК, Байкал-Сервис, Энергия, КИТ, ЖелДорЭкспедиция.
Самовывоз возможен напрямую со склада в Москве.
Сроки доставки
Срок зависит от региона и выбранной транспортной компании. Все заказы комплектуются и отправляются в кратчайшие сроки со склада в Москве.
Надёжность и сохранность
Вся продукция упаковывается с учётом требований транспортировки. Мы гарантируем, что подшипники и комплектующие прибудут к заказчику в полной сохранности.
Доставка в страны ЕАЭС
Мы работаем с проверенными логистическими партнёрами, что позволяет оперативно доставлять заказы в Беларусь, Казахстан, Армению и другие страны ЕАЭС.
Варианты оплаты:
Минимальная сумма заказа и скидки:
Документы и гарантии:
Да, конечно! Наши технические специалисты готовы помочь вам с подбором точного аналога или замены подшипника. Просто позвоните нам по телефону +7 (495) 104-99-04 или напишите на почту zakaz@podsnab.ru.
Для оперативной консультации подготовьте, пожалуйста, имеющиеся данные: маркировку, размеры, тип оборудования или артикул старого подшипника.
Да, конечно! Мы высоко ценим долгосрочное сотрудничество и доверие клиентов по всей России. Для постоянных клиентов действует персональная система скидок.
Условия формируются индивидуально и зависят от:
Чтобы узнать свои условия и получить максимально выгодное предложение, свяжитесь с персональным менеджером или напишите нам на почту zakaz@podsnab.ru.
Вы можете оформить заказ несколькими способами:
Для оформления заказа от юридического лица свяжитесь с нашим отделом по работе с корпоративными клиентами по телефону +7 (495) 104-99-04 или напишите на email zakaz@podsnab.ru, прикрепив реквизиты вашей организации.
Мы оперативно подготовим коммерческое предложение и выставим счет.
Возврат товара надлежащего качества возможен в течение 10 дней с момента получения, если товар не был в употреблении, сохранен товарный вид, упаковка не вскрывалась и присутствуют все сопроводительные документы.
Возврат денежных средств осуществляется в течение 10 рабочих дней после проверки товара складом.
В соответствии с законодательством возврату не подлежат подшипники надлежащего качества, если отсутствует оригинальная упаковка или имеются следы монтажа.
В случае выявления брака или гарантийного случая мы гарантируем возврат или обмен товара.
Да, гарантийный срок хранения устанавливается заводом-изготовителем и в среднем составляет 2 года при соблюдении условий хранения: сухое помещение, оригинальная упаковка и смазка.
Точный срок для конкретного типа подшипника уточняйте у наших менеджеров.
Пн–Пт: с 8:00 до 17:00 (МСК).
Сб–Вс: выходные дни.
Заказы на сайте принимаются круглосуточно. Заявки, поступившие после окончания рабочего дня, обрабатываются на следующий рабочий день.
Минимальная сумма заказа для доставки составляет 3000 рублей. Самовывоз со склада возможен на любую сумму при наличии товара.
ООО «УралТехГрупп»
ИНН: 7415093830
КПП: 772401001
ОГРН: 1167456069021
Банк: ПАО Сбербанк
Р/с: 40702810838000475273
К/с: 30101810400000000225
БИК: 044525225
У подшипника 5203ATN9 пока нет отзывов. Вы можете стать первым покупателем, поделившимся своим мнением.