Поиск подшипника
Статьи
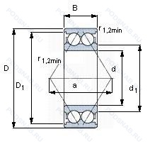
3309DMA — Подшипник шариковый двухрядный радиально-упорный, модификация основного исполнения 3309, выпускается производителями: NEUTRAL, SKF.
Размер подшипника: 45x100x39 мм.
Измененная или модифицированная внутренняя конструкция при неизменных основных размерах.
Международная стандартизации ISO
3309DMA
В наличии
| Обозначение | Конструктивные изменения |
|---|---|
| 3309DA | Шарикоподшипник двухрядный с разъемным внутренним кольцом. |
| 3309BC.JH | Штампованная сталь. Conrad Type 25° Угол контакта. Domestic Production. |
| 3309-BD-TVH-C3 | Внутренний зазор больше нормального. Литой полиамидный сепаратор (PA66). защелкивающийся. Модифицированная внутренняя конструкция. угол контакта α=30. без отверстия для заполнения. |
| 3309-BD-TVH | Литой полиамидный сепаратор (PA66). защелкивающийся. Модифицированная внутренняя конструкция. угол контакта α=30. без отверстия для заполнения. |
| 3309-BD-2HRS-TVH | Формованный полиамидный сепаратор защелкивающегося типа. Манжетные уплотнения с обеих сторон изготовлены из нитрил-бутадиенового каучука. Эти конструкции смазываются на весь срок службы высококачественной смазкой и подходят для умеренных скоростей. Момент трения и тепловыделение ниже, чем при использовании предыдущего уплотнения RSR.. Модифицированная внутренняя конструкция. угол контакта α=30. без отверстия для заполнения. |
| 3309-B-TNH-C3 | Внутренний зазор больше нормального. Модификация внутренней конструкции. Подшипник с защелкиваемым сепаратором из пластмассы. |
| 3309-B-2RS-TNH | Резиновые уплотнения с каждой стороны подшипника. Модификация внутренней конструкции. Подшипник с защелкиваемым сепаратором из пластмассы. |
| 3309DNRCBM | Two-Piece Inner Ring And A 45° Угол контакта. Обработанный латунный сепаратор оконного типа. Центрирование шарика. Канавка под стопорное кольцо на наружном кольце с соответствующим стопорным кольцом. Controlled Axial Internal Clearance. |
| 3309DA.MA | Механически обработанный латунный сепаратор. Центрирование по внешнему кольцу. Шарикоподшипник двухрядный с разъемным внутренним кольцом. |
| 3309-B-TNH-L946 | Модификация внутренней конструкции. Подшипник с защелкиваемым сепаратором из пластмассы. Preserved With Anti-Corrosion Oil. (Normal Preservation Instead Of The Production Grease Filling). |
| 3309 2RS TNG | Резиновые уплотнения с каждой стороны подшипника. Прочный сепаратор из полиамида. армированного стекловолокном. |
| 3309BA | Ball Bearing. High Capacity. 40° Угол контакта. |
| 3309-BD-2Z | Щиты с обеих сторон подшипника. Модифицированная внутренняя конструкция. угол контакта α=30. без отверстия для заполнения. |
| 3309-BD-XL-2Z | Серия X-Life премиум-класс. увеличиный срок службы. Щиты с обеих сторон подшипника. Модифицированная внутренняя конструкция. угол контакта α=30. без отверстия для заполнения. |
| 3309B.2RS.TV | Резиновые уплотнения с каждой стороны подшипника. Design Without Filling Slots Have Угол контактаs Of 32°. Сепаратор из полиамида. |
| 3309B-2RSTNC3 | Внутренний зазор больше нормального. Резиновые уплотнения с каждой стороны подшипника. 25° Угол контакта. Сепаратор из полиамида 66. армированного стекловолокном. |
| 3309B-2ZTN | 25° Угол контакта. Две металлические защитные шайбы. Сепаратор из полиамида 66. армированного стекловолокном. |
| 3309BTNC3 | Внутренний зазор больше нормального. 25° Угол контакта. Клетка из армированного стекловолокном полиамида 66. |
| 3309BTN | 25° Угол контакта. Клетка из армированного стекловолокном полиамида 66. |
| 3309NRJC3 | Внутренний зазор больше нормального. Сепаратор из стали. Канавка под стопорное кольцо на наружном кольце с соответствующим стопорным кольцом. |
| 3309 A-2Z/MT33 | Измененная или модифицированная внутренняя конструкция при неизменных основных размерах. Защитные металлические шайбы с обеих сторон подшипника. Lithium Grease. Medium Temp. 74 cSt @ 40°C. -30°C/+120°C. A Two-Figure Number Following MT Identifies The Actual Grease. An Additional Letter Or Letter/Figure Combination As Mentioned Under HT Identifies Filling Degrees Other Than Standard. Examples/ MT33 Or MT37F9. |
| 3309 A-2Z | Измененная или модифицированная внутренняя конструкция при неизменных основных размерах. Защитные металлические шайбы с обеих сторон подшипника. |
| 3309-BD-2Z-TVH | Защитные металлические шайбы с обеих сторон подшипника. Твердая клетка из полиамида. Tapered Roller Bearing. Steep Угол контакта (24° To 32°). Metric Series. |
| 3309 D | Половина целого игольчатого валика. Применять суффикс 'D' в базовом номере. |
| 3309-B-2RSR-TV | Конический роликовый подшипник. Угол контакта 20 градусов. Резиновые уплотнения с каждой стороны подшипника. Прочный сепаратор из полиамида. армированного стекловолокном. |
Модификации шарикового подшипника 3309DMA — это измененное основное конструктивное исполнение 3309, основные размеры (45x100x39) не отличаются.
| Обозначение | Гост | Конструктивные особенности |
|---|---|---|
| 5309.2RSR | ISO | Резиновые уплотнения с каждой стороны подшипника. |
| 5309CG | ISO | Резьбовой винт со стопором и защелкой. |
| 5309RS | ISO | Резиновое уплотнение с одной стороны. |
| 5309S | ISO | Запечатанная версия кулачкового ролика. Только для тел качения. |
| 5309MFG | ISO | Двухрядный радиально-упорный. Шарикоподшипник с заполняющей выемкой и сходящимися наружу углами контакта. Металлическая защитная шайба с одной стороны. Канавка под стопорное кольцо на наружном кольце с соответствующим стопорным кольцом. |
| 5309MF H501 | ISO | Внутренний суффикс-код MRC. Миниатюрный метрический подшипник со специальными размерами и фланцевым наружным кольцом. |
| 5309MFF | ISO | Двухрядный радиально-упорный. Шарикоподшипник с заполняющей выемкой и сходящимися наружу углами контакта. Металлическое уплотнение с двух сторон. |
| 5309MG | ISO | Формованный сепаратор из полиамида. укрепленного стекловолокном. |
| 5309EEG15 | ISO | Литой сепаратор из полиамида 6.6. армированного стекловолокном. Элемент качения по центру. Резиновые уплотнения с каждой стороны подшипника. |
| 5309ZZ G15 | ISO | Защитные металлические шайбы с обеих сторон. Литой сепаратор из полиамида 6.6. армированного стекловолокном. Центрированный элемент качения.. |
| 5309AH/C3 | ISO | Внутренний зазор больше нормального. Противовращающийся штырь. Массивные ножки и свободный момент выравнивания. |
| 5309A-2Z/C3 | ISO | Внутренний зазор больше нормального. Двухрядный радиально-упорный шарикоподшипник без отверстия для смазки. Защитные металлические шайбы с обеих сторон подшипника. |
| 5309A-2RS1 | ISO | Двухрядный радиально-упорный шарикоподшипник без отверстия для смазки. Усиленные листовой сталью контактные уплотнения из акрилонитрил-бутадиенового каучука (NBR) с обеих сторон подшипника. |
| 5309EE | ISO | Резиновые уплотнения с каждой стороны подшипника. |
| 5309SC3 | ISO | Прессованный стальной сепаратор. Внутренний зазор больше нормального. |
| 5309SCZZ | ISO | Прессованный стальной сепаратор. Защитные металлические шайбы с обеих сторон. |
| 5309DDU | ISO | Резиновые уплотнения с каждой стороны подшипника. |
| 33109J | ISO | Сепаратор из стали. |
| 5309ZZ CD3 | ISO | Защитные металлические шайбы с обеих сторон. Greater Than Standard Clearance. |
| 5309NRZZG15 ST3N | ISO | Защитные металлические шайбы с обеих сторон. Канавка под стопорное кольцо на наружном кольце с соответствующим стопорным кольцом. Литой сепаратор из полиамида 6.6. армированного стекловолокном. Элемент качения по центру. Rhenus Norlith STM3. |
Аналог шарикового подшипника 3309DMA — это подшипник такого же размера dx45,Dx100,Bx39, типа и конструкции.
| Обозначение | Конструктивные особенности | Внутренний (d) | Наружный (D) | Ширина (B) |
|---|---|---|---|---|
| 5309N | Шариковый радиально-упорный двухрядный подшипник. Канавка под стопорное кольцо на внешнем кольце. | 45.00 | 100.00 | 39.70 |
| 63309-2RS | Шариковый радиальный однорядный подшипник. Резиновые уплотнения с каждой стороны подшипника. | 45.00 | 100.00 | 39.70 |
| W6309-2RS | Шариковый радиальный однорядный подшипник. Резиновые уплотнения с каждой стороны подшипника. | 45.00 | 100.00 | 39.70 |
| W6309-ZZ | Шариковый радиальный однорядный подшипник. Защитные металлические шайбы с обеих сторон. | 45.00 | 100.00 | 39.70 |
| UK309L3 | Шариковый радиальный однорядный подшипник. Тройное манжетное уплотнение для вкладыша подшипника. | 45.00 | 100.00 | 38.00 |
| 6-218409 Л | Шариковый упорный однорядный подшипник. Сепаратор из латуни.. | 45.00 | 100.00 | 39.00 |
| 6У-7609 А | Роликовый радиальный-упорный однорядный подшипник. Повышенная грузоподъемность. | 45.00 | 100.00 | 38.25 |
| 6У-7609 АУШ | Роликовый радиальный-упорный однорядный подшипник. Дополнительные технические требования. Повышенная грузоподъемность. Нормы шумности. | 45.00 | 100.00 | 38.25 |
| 32309F | Роликовый радиальный-упорный однорядный подшипник. Сепаратор из обработанной стали или специального чугуна. | 45.00 | 100.00 | 38.25 |
| 32309CR | Роликовый радиальный-упорный однорядный подшипник. (TB-Segment) Phenolic (Composition) Fafnir Standard. | 45.00 | 100.00 | 38.25 |
| 7609-КУ | Роликовый радиальный-упорный однорядный подшипник. Кольцевая проточка на середине цилиндрической наружной поверхности наружного кольца плюс три отверстия для смазки. Дополнительные технические требования. | 45.00 | 100.00 | 38.25 |
| 63309LLB | Шариковый радиальный однорядный подшипник. Уплотнение бесконтактного типа из синтетического каучука. | 45.00 | 100.00 | 39.70 |
| 63309LLU | Шариковый радиальный однорядный подшипник. Контактное резиновое уплотнение с двух сторон. | 45.00 | 100.00 | 39.70 |
| 218409-Л | Шариковый упорный подшипник. Сепаратор из латуни.. | 45.00 | 100.00 | 39.00 |
| 5В0-218409 Л | Шариковый упорный однорядный подшипник. Сепаратор из латуни.. | 45.00 | 100.00 | 39.00 |
Способы доставки
Отправка через ведущие транспортные и курьерские компании: ПЭК, Деловые Линии, СДЭК, Байкал-Сервис, Энергия, КИТ, ЖелДорЭкспедиция.
Самовывоз возможен напрямую со склада в Москве.
Сроки доставки
Срок зависит от региона и выбранной транспортной компании. Все заказы комплектуются и отправляются в кратчайшие сроки со склада в Москве.
Надёжность и сохранность
Вся продукция упаковывается с учётом требований транспортировки. Мы гарантируем, что подшипники и комплектующие прибудут к заказчику в полной сохранности.
Доставка в страны ЕАЭС
Мы работаем с проверенными логистическими партнёрами, что позволяет оперативно доставлять заказы в Беларусь, Казахстан, Армению и другие страны ЕАЭС.
Варианты оплаты:
Минимальная сумма заказа и скидки:
Документы и гарантии:
Да, конечно! Наши технические специалисты готовы помочь вам с подбором точного аналога или замены подшипника. Просто позвоните нам по телефону +7 (495) 104-99-04 или напишите на почту zakaz@podsnab.ru.
Для оперативной консультации подготовьте, пожалуйста, имеющиеся данные: маркировку, размеры, тип оборудования или артикул старого подшипника.
Да, конечно! Мы высоко ценим долгосрочное сотрудничество и доверие клиентов по всей России. Для постоянных клиентов действует персональная система скидок.
Условия формируются индивидуально и зависят от:
Чтобы узнать свои условия и получить максимально выгодное предложение, свяжитесь с персональным менеджером или напишите нам на почту zakaz@podsnab.ru.
Вы можете оформить заказ несколькими способами:
Для оформления заказа от юридического лица свяжитесь с нашим отделом по работе с корпоративными клиентами по телефону +7 (495) 104-99-04 или напишите на email zakaz@podsnab.ru, прикрепив реквизиты вашей организации.
Мы оперативно подготовим коммерческое предложение и выставим счет.
Возврат товара надлежащего качества возможен в течение 10 дней с момента получения, если товар не был в употреблении, сохранен товарный вид, упаковка не вскрывалась и присутствуют все сопроводительные документы.
Возврат денежных средств осуществляется в течение 10 рабочих дней после проверки товара складом.
В соответствии с законодательством возврату не подлежат подшипники надлежащего качества, если отсутствует оригинальная упаковка или имеются следы монтажа.
В случае выявления брака или гарантийного случая мы гарантируем возврат или обмен товара.
Да, гарантийный срок хранения устанавливается заводом-изготовителем и в среднем составляет 2 года при соблюдении условий хранения: сухое помещение, оригинальная упаковка и смазка.
Точный срок для конкретного типа подшипника уточняйте у наших менеджеров.
Пн–Пт: с 8:00 до 17:00 (МСК).
Сб–Вс: выходные дни.
Заказы на сайте принимаются круглосуточно. Заявки, поступившие после окончания рабочего дня, обрабатываются на следующий рабочий день.
Минимальная сумма заказа для доставки составляет 3000 рублей. Самовывоз со склада возможен на любую сумму при наличии товара.
ООО «УралТехГрупп»
ИНН: 7415093830
КПП: 772401001
ОГРН: 1167456069021
Банк: ПАО Сбербанк
Р/с: 40702810838000475273
К/с: 30101810400000000225
БИК: 044525225
У подшипника 3309DMA пока нет отзывов. Вы можете стать первым покупателем, поделившимся своим мнением.