Поиск подшипника
Статьи
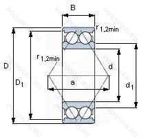
3207ATN9 — Подшипник шариковый двухрядный радиально-упорный, модификация основного исполнения 3207, выпускается производителями: ISB, NEUTRAL, SKF.
Размер подшипника: 35x72x27 мм.
Измененная или модифицированная внутренняя конструкция при неизменных основных размерах.
Альтернативное обозначение: 5207FFH.
Аналоги: 3207B TNG NSK,3207ATN9 Trans Link,3207TN IBU Fiedler,3207 TN9 Neutral,3207ATN9 Neutral,3207TVH Neutral.
Международная стандартизации ISO
3207ATN9
В наличии
| Обозначение | Конструктивные изменения |
|---|---|
| 3207ACC | Подшипник со стальным сепаратором. |
| 3207 TN9 | Литой сепаратор из полиамида 6.6. армированного стекловолокном. Элемент качения по центру. |
| 3207A-Z/C3MT33 | Внутренний зазор больше нормального. Двухрядный радиально-упорный шарикоподшипник без отверстия для смазки. щит из листовой прессованной стали с одной стороны подшипника. Lithium Grease. Medium Temp. 74 cSt @ 40°C. -30°C/+120°C. A Two-Figure Number Following MT Identifies The Actual Grease. An Additional Letter Or Letter/Figure Combination As Mentioned Under HT Identifies Filling Degrees Other Than Standard. Examples/ MT33 Or MT37F9. |
| 3207BC.JH | Штампованная сталь. Conrad Type 25° Угол контакта. Domestic Production. |
| 3207BC.JH.C3 | Внутренний зазор больше нормального. Штампованная сталь. Conrad Type 25° Угол контакта. Domestic Production. |
| 3207-BD-TVH-C3 | Внутренний зазор больше нормального. Литой полиамидный сепаратор (PA66). защелкивающийся. Модифицированная внутренняя конструкция. угол контакта α=30. без отверстия для заполнения. |
| 3207-BD-TVH | Литой полиамидный сепаратор (PA66). защелкивающийся. Модифицированная внутренняя конструкция. угол контакта α=30. без отверстия для заполнения. |
| 3207-BD-2Z-TVH | Щиты с обеих сторон подшипника. Формованный полиамидный сепаратор защелкивающегося типа. Модифицированная внутренняя конструкция. угол контакта α=30. без отверстия для заполнения. |
| 3207-BD-2HRS-TVH | Формованный полиамидный сепаратор защелкивающегося типа. Манжетные уплотнения с обеих сторон изготовлены из нитрил-бутадиенового каучука. Эти конструкции смазываются на весь срок службы высококачественной смазкой и подходят для умеренных скоростей. Момент трения и тепловыделение ниже, чем при использовании предыдущего уплотнения RSR.. Модифицированная внутренняя конструкция. угол контакта α=30. без отверстия для заполнения. |
| 3207-B-2RS-TNH | Резиновые уплотнения с каждой стороны подшипника. Модификация внутренней конструкции. Подшипник с защелкиваемым сепаратором из пластмассы. |
| 3207-B-TNH | Модификация внутренней конструкции. Подшипник с защелкиваемым сепаратором из пластмассы. |
| 3207-B-2Z-TNH | Модификация внутренней конструкции. Щиты с обеих сторон подшипника. Подшипник с защелкиваемым сепаратором из пластмассы. |
| 3207J30 | Внутренний зазор больше нормального. |
| 3207-B-2RS-TNH-C3 | Внутренний зазор больше нормального. Резиновые уплотнения с каждой стороны подшипника. Модификация внутренней конструкции. Подшипник с защелкиваемым сепаратором из пластмассы. |
| 3207-B-TNH-L946 | Модификация внутренней конструкции. Подшипник с защелкиваемым сепаратором из пластмассы. Preserved With Anti-Corrosion Oil. (Normal Preservation Instead Of The Production Grease Filling). |
| 3207A-2RS1 | Двухрядный радиально-упорный шарикоподшипник без отверстия для смазки. Усиленные листовой сталью контактные уплотнения из акрилонитрил-бутадиенового каучука (NBR) с обеих сторон подшипника. |
| 3207B J30 | Шарикоподшипник радиально-упорный. Двухрядный. С заправочными пазами. Радиальный внутренний зазор больше нормального. |
| 3207ZZ TNG | Защитные металлические шайбы с обеих сторон. Прочный сепаратор из полиамида. армированного стекловолокном. |
| 3207ATN9/C2 | Внутренний зазор подшипника меньше нормального. Двухрядный радиально-упорный шарикоподшипник без отверстия для смазки. Литой защелкивающийся сепаратор из полиамида. армированного стекловолокном 6.6. |
| 3207BTN | 25° Угол контакта. Клетка из армированного стекловолокном полиамида 66. |
| 3207BTNC3 | Внутренний зазор больше нормального. 25° Угол контакта. Клетка из армированного стекловолокном полиамида 66. |
| 3207 2NS | Два контактных уплотнения. |
| 3207.2RSR.C3 | Внутренний зазор больше нормального. Резиновые уплотнения с каждой стороны подшипника. |
| 3207 A-2Z | Измененная или модифицированная внутренняя конструкция при неизменных основных размерах. Защитные металлические шайбы с обеих сторон подшипника. |
| 3207B2RS/C3 | Внутренний зазор больше нормального. |
Модификации шарикового подшипника 3207ATN9 — это измененное основное конструктивное исполнение 3207, основные размеры (35x72x27) не отличаются.
| Обозначение | Гост | Конструктивные особенности |
|---|---|---|
| 5207FFH | ISO | Подшипник шариковый двухрядный радиально-упорный. |
| 5207M H501 | ISO | Двухрядный радиально-упорный. Шарикоподшипник с заполняющей выемкой и сходящимися наружу углами контакта. Внутренний суффикс-код MRC. |
| 5207CF H301 | ISO | Inner Rings Can Be Provided In A Semi- Finished Condition With Appropriate Grind Stock To Allow Mill Operators To Optimize The Roll’s Precision By Finish Grinding The Inner Ring After Mounting It Onto The Roll. The Part Numbers For These Bearings And Inner Ring Assemblies Are Identified By A Cf Suffix. |
| 5207ZZ C3 | ISO | Внутренний зазор больше нормального. Защитные металлические шайбы с обеих сторон. |
| 5207CFF H501 | ISO | Двухрядный радиально-упорный подшипник качения без канавки для заполнения шариками. Со сходящимися наружу угловыми контактами. Жесткая конструкция. Металлическое уплотнение с двух сторон. Внутренний суффикс-код MRC. |
| 5207 2NS | ISO | Два контактных уплотнения. |
| 5207KG | ISO | Серия с закрепительной втулкой и смазочным отверстием. |
| 5207EE G15 | ISO | Литой сепаратор из полиамида 6.6. армированного стекловолокном. Элемент качения по центру. Резиновые уплотнения с каждой стороны подшипника. |
| 5207M | ISO | Двухрядный радиально-упорный. Шарикоподшипник с заполняющей выемкой и сходящимися наружу углами контакта. |
| 5207K | ISO | Double Row Angular Contact. Filling Notch Type Bearing. Standard Width And Inwardly Converging Угол контактаs. Non-Rigid Design. |
| 5207CF | ISO | Inner Rings Can Be Provided In A Semi- Finished Condition With Appropriate Grind Stock To Allow Mill Operators To Optimize The Roll’s Precision By Finish Grinding The Inner Ring After Mounting It Onto The Roll. The Part Numbers For These Bearings And Inner Ring Assemblies Are Identified By A Cf Suffix. |
| 440182A | ISO | Двухрядный радиально-упорный шарикоподшипник без отверстия для смазки. |
| 5207FF | ISO | Металлическое уплотнение с двух сторон. |
| 5207A-2RS1 | ISO | Двухрядный радиально-упорный шарикоподшипник без отверстия для смазки. Усиленные листовой сталью контактные уплотнения из акрилонитрил-бутадиенового каучука (NBR) с обеих сторон подшипника. |
| 5207EE | ISO | Резиновые уплотнения с каждой стороны подшипника. |
| W5207SLLD/2AS | ISO | Прессованный стальной сепаратор. Контактное. синтетические. резиновое уплотнение с двух сторон. LUBRICANT. SHELL OIL CO.. ALVANIA #2 GREASE. MIL-G-18709A. |
| 5207KFG | ISO | Double Row Angular Contact. Filling Notch Type Bearing. Standard Width And Inwardly Converging Угол контактаs. Non-Rigid Design. Металлическая защитная шайба с одной стороны. Канавка под стопорное кольцо на наружном кольце с соответствующим стопорным кольцом. |
| 5207KF | ISO | Y-образный подшипник серии YSA2-2FK (внутреннее кольцо расширено с обеих сторон. Коническое отверстие). Стандартное уплотнение + простой маслоотражатель с каждой стороны. |
| 5207SCLLD/2A | ISO | Прессованный стальной сепаратор. Lubricant. Shell Oil Co.. Alvania #2 Grease. Mil-G-18709A. Контактное. синтетические. резиновое уплотнение с двух сторон. |
| 5207 2RSN | ISO | Манжетное уплотнение с обеих сторон подшипника. Канавка под стопорное кольцо на внешнем кольце. |
| W5207LLUAC3 | ISO | Внутренний зазор больше нормального. Полиакриловое резиновое уплотнение. |
Аналог шарикового подшипника 3207ATN9 — это подшипник такого же размера dx35,Dx72,Bx27, типа и конструкции.
| Обозначение | Конструктивные особенности | Внутренний (d) | Наружный (D) | Ширина (B) |
|---|---|---|---|---|
| 3056207-К1 | Шариковый радиально-упорный двухрядный подшипник. «Замок» (скос) на внутреннем кольце плюс массивный сепаратор из текстолита. | 35.00 | 72.00 | 27.00 |
| 3056207-Ю | Шариковый радиально-упорный двухрядный подшипник. Все детали или часть деталей из нержавеющей стали.. | 35.00 | 72.00 | 27.00 |
| 3056207.2RS | Шариковый радиально-упорный двухрядный подшипник. Резиновые уплотнения с каждой стороны подшипника. | 35.00 | 72.00 | 27.00 |
| 3056207-Л | Шариковый радиально-упорный двухрядный подшипник. Сепаратор из латуни.. | 35.00 | 72.00 | 27.00 |
| 3086207-Е | Шариковый радиально-упорный двухрядный подшипник. Сепаратор из текстолита.. | 35.00 | 72.00 | 27.00 |
| 63207-2RS | Шариковый радиальный однорядный подшипник. Резиновые уплотнения с каждой стороны подшипника. | 35.00 | 72.00 | 27.00 |
| W6207-2RS | Шариковый радиальный однорядный подшипник. Резиновые уплотнения с каждой стороны подшипника. | 35.00 | 72.00 | 27.00 |
| W6207-ZZ | Шариковый радиальный однорядный подшипник. Защитные металлические шайбы с обеих сторон. | 35.00 | 72.00 | 27.00 |
| DG3572DWRKCS27 | Шариковый радиальный однорядный подшипник. Угол контакта 20 градусов. | 35.00 | 72.00 | 26.00 |
| 6-3056207 Ш | Шариковый радиально-упорный двухрядный подшипник. Нормы шумности. | 35.00 | 72.00 | 27.00 |
| 6-3092207 ЛМ | Роликовый радиальный однорядный подшипник. Сепаратор из латуни.. Модифицированный контакт.. | 35.00 | 72.00 | 27.00 |
| 33207F | Роликовый радиальный-упорный однорядный подшипник. Сепаратор из обработанной стали или специального чугуна. | 35.00 | 72.00 | 28.00 |
| 63207LLU | Шариковый радиальный однорядный подшипник. Контактное резиновое уплотнение с двух сторон. | 35.00 | 72.00 | 26.99 |
| 63207LLB | Шариковый радиальный однорядный подшипник. Уплотнение бесконтактного типа из синтетического каучука. | 35.00 | 72.00 | 26.99 |
| W207KLL | Шариковый радиальный однорядный подшипник. Широкий. BALL BEARING. CONRAD TYPE. INDUSTRIAL POWER TRANSMISSION. DOUBLE MECHANI-SEAL. | 35.00 | 72.00 | 26.97 |
Способы доставки
Отправка через ведущие транспортные и курьерские компании: ПЭК, Деловые Линии, СДЭК, Байкал-Сервис, Энергия, КИТ, ЖелДорЭкспедиция.
Самовывоз возможен напрямую со склада в Москве.
Сроки доставки
Срок зависит от региона и выбранной транспортной компании. Все заказы комплектуются и отправляются в кратчайшие сроки со склада в Москве.
Надёжность и сохранность
Вся продукция упаковывается с учётом требований транспортировки. Мы гарантируем, что подшипники и комплектующие прибудут к заказчику в полной сохранности.
Доставка в страны ЕАЭС
Мы работаем с проверенными логистическими партнёрами, что позволяет оперативно доставлять заказы в Беларусь, Казахстан, Армению и другие страны ЕАЭС.
Варианты оплаты:
Минимальная сумма заказа и скидки:
Документы и гарантии:
Да, конечно! Наши технические специалисты готовы помочь вам с подбором точного аналога или замены подшипника. Просто позвоните нам по телефону +7 (495) 104-99-04 или напишите на почту zakaz@podsnab.ru.
Для оперативной консультации подготовьте, пожалуйста, имеющиеся данные: маркировку, размеры, тип оборудования или артикул старого подшипника.
Да, конечно! Мы высоко ценим долгосрочное сотрудничество и доверие клиентов по всей России. Для постоянных клиентов действует персональная система скидок.
Условия формируются индивидуально и зависят от:
Чтобы узнать свои условия и получить максимально выгодное предложение, свяжитесь с персональным менеджером или напишите нам на почту zakaz@podsnab.ru.
Вы можете оформить заказ несколькими способами:
Для оформления заказа от юридического лица свяжитесь с нашим отделом по работе с корпоративными клиентами по телефону +7 (495) 104-99-04 или напишите на email zakaz@podsnab.ru, прикрепив реквизиты вашей организации.
Мы оперативно подготовим коммерческое предложение и выставим счет.
Возврат товара надлежащего качества возможен в течение 10 дней с момента получения, если товар не был в употреблении, сохранен товарный вид, упаковка не вскрывалась и присутствуют все сопроводительные документы.
Возврат денежных средств осуществляется в течение 10 рабочих дней после проверки товара складом.
В соответствии с законодательством возврату не подлежат подшипники надлежащего качества, если отсутствует оригинальная упаковка или имеются следы монтажа.
В случае выявления брака или гарантийного случая мы гарантируем возврат или обмен товара.
Да, гарантийный срок хранения устанавливается заводом-изготовителем и в среднем составляет 2 года при соблюдении условий хранения: сухое помещение, оригинальная упаковка и смазка.
Точный срок для конкретного типа подшипника уточняйте у наших менеджеров.
Пн–Пт: с 8:00 до 17:00 (МСК).
Сб–Вс: выходные дни.
Заказы на сайте принимаются круглосуточно. Заявки, поступившие после окончания рабочего дня, обрабатываются на следующий рабочий день.
Минимальная сумма заказа для доставки составляет 3000 рублей. Самовывоз со склада возможен на любую сумму при наличии товара.
ООО «УралТехГрупп»
ИНН: 7415093830
КПП: 772401001
ОГРН: 1167456069021
Банк: ПАО Сбербанк
Р/с: 40702810838000475273
К/с: 30101810400000000225
БИК: 044525225
У подшипника 3207ATN9 пока нет отзывов. Вы можете стать первым покупателем, поделившимся своим мнением.