Поиск подшипника
Статьи
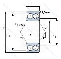
3218A — Подшипник шариковый двухрядный радиально-упорный, модификация основного исполнения 3218, выпускается производителями: FAG, ISB, SKF.
Размер подшипника: 90x160x52 мм.
Измененная или модифицированная внутренняя конструкция при неизменных основных размерах.
Аналоги: 3218 FAG,3218 SKF,5L18 NDH New Departure Hyatt,3218 SNR,3218 Steyr.
Международная стандартизации ISO
3218A
В наличии
| Обозначение | Конструктивные изменения |
|---|---|
| 3218-2RS | Резиновые уплотнения с каждой стороны подшипника. |
| 3218M C3 | Внутренний зазор больше нормального. Подшипник с латунным сепаратором. центрированный по телам качения. |
| 3218A/W64H | Двухрядный радиально-упорный шарикоподшипник без отверстия для смазки. W64 (Segment Lubrication. Code 1)=Solid Oil Filling And H (High Temperature Grease. -20°C/+130°C). |
| 3218 ATN2RS | Подшипник шариковый двухрядный радиально-упорный. |
| 3218 ATN | Подшипник шариковый двухрядный радиально-упорный. |
| 3218 ATNZZ | Подшипник шариковый двухрядный радиально-упорный. |
| 3218 | Подшипник шариковый двухрядный радиально-упорный. Основное конструктивное исполнение. |
| 3218B.TVH.C3 | Внутренний зазор больше нормального. Модификация внутренней конструкции. Литой полиамидный сепаратор (PA66). защелкивающийся. |
| 3218M | Подшипник с латунным сепаратором. центрированный по телам качения. |
| 3218A/C3 | Внутренний зазор больше нормального. Двухрядный радиально-упорный шарикоподшипник без отверстия для смазки. |
| 3218FY | Обработанный латунный сепаратор. |
| 3218C3 | Внутренний зазор больше нормального. |
| 3218DN | Two-Piece Inner Ring And A 45° Угол контакта. Канавка под стопорное кольцо на внешнем кольце. |
| 3218N | Канавка для стопорного кольца во внешнем кольце. Противоположная сторона для ввода тел качения. |
| 3218A/NR | Двойной радиальный шарикоподшипник без заправочных пазов. Канавка под стопорное кольцо на наружном кольце с соответствующим стопорным кольцом. |
| 3218B.TVH | Внутренние изменения в конструкции. Литой полиамидный сепаратор (PA66). защелкивающийся. |
| 3218S | Запечатанная версия кулачкового ролика. |
| 3218A-2Z | Двухрядный радиально-упорный шарикоподшипник без отверстия для смазки. Защитные металлические шайбы с обеих сторон подшипника. |
| W-3218-B | Конический роликовый подшипник. Угол контакта 20 градусов. Подшипник без смазочных отверстий в наружном кольце. |
| 3218 A/W64 | Измененная или модифицированная внутренняя конструкция при неизменных основных размерах. Антифрикционный заполнитель. твердая смазка. |
| 3218 ZZ | Защитные металлические шайбы (бесконтактные уплотнения) с обеих сторон подшипника. |
Модификации шарикового подшипника 3218A — это измененное основное конструктивное исполнение 3218, основные размеры (90x160x52) не отличаются.
| Обозначение | Гост | Конструктивные особенности |
|---|---|---|
| 5218A/W64H | ISO | Двухрядный радиально-упорный шарикоподшипник без отверстия для смазки. W64 (Segment Lubrication. Code 1)=Solid Oil Filling And H (High Temperature Grease. -20°C/+130°C). |
| 5218A/C3W64 | ISO | Внутренний зазор больше нормального. Двухрядный радиально-упорный шарикоподшипник без отверстия для смазки. Антифрикционный заполнитель. твердая смазка. |
| 5218E/C3W64 | ISO | Внутренний зазор больше нормального. Подшипник с заправочным пазом для ввода тел качений. Антифрикционный заполнитель. твердая смазка. |
| 5218 | ISO | Подшипник шариковый двухрядный радиально-упорный. |
| 5L18 | ISO | Подшипник шариковый двухрядный радиально-упорный. |
| 5218W2 M | ISO | Two Piece Inner Ring. MAXIMUM CAPACITY. RIGID CONSTRUCTION. STANDARD WIDTH . SUFFIX DESCRIPTION. |
| 5218WBR | ISO | Радиальный подшипник. Тип заправочного паза. Бронзовый фиксатор корпуса. |
| 5218CFF | ISO | Двухрядный радиально-упорный подшипник качения без канавки для заполнения шариками. Со сходящимися наружу угловыми контактами. Жесткая конструкция. Металлическое уплотнение с двух сторон. |
| 5218E ZZ C3 | ISO | Внутренний зазор больше нормального. Повышенная грузоподъемность. Защитные металлические шайбы с обеих сторон. |
| 5218C3 | ISO | Внутренний зазор больше нормального. |
| 5218F | ISO | Сепаратор из обработанной стали или специального чугуна. |
| 5218A | ISO | Двухрядный радиально-упорный шарикоподшипник без отверстия для смазки. |
| 5218M | ISO | Обработанный латунный сепаратор оконного типа. Центрирование шарика. |
| 5218MF C3 | ISO | Внутренний зазор больше нормального. Миниатюрный метрический подшипник со специальными размерами и фланцевым наружным кольцом. |
| 5218MFG C3 | ISO | Внутренний зазор больше нормального. Двухрядный радиально-упорный. Шарикоподшипник с заполняющей выемкой и сходящимися наружу углами контакта. Металлическая защитная шайба с одной стороны. Канавка под стопорное кольцо на наружном кольце с соответствующим стопорным кольцом. |
| 5218S | ISO | Запечатанная версия кулачкового ролика. |
| 5218W2BR | ISO | Бронзовый фиксатор корпуса. |
Аналог шарикового подшипника 3218A — это подшипник такого же размера dx90,Dx160,Bx52, типа и конструкции.
| Обозначение | Конструктивные особенности | Внутренний (d) | Наружный (D) | Ширина (B) |
|---|---|---|---|---|
| 5218-2RS | Шариковый радиально-упорный подшипник. Резиновые уплотнения с каждой стороны подшипника. | 90.00 | 160.00 | 52.39 |
| 6-3056218 К1Ш1 | Шариковый радиально-упорный двухрядный подшипник. «Замок» (скос) на внутреннем кольце плюс массивный сепаратор из текстолита. Нормы шумности. | 90.00 | 160.00 | 52.40 |
| 6-3056218 К1Ш | Шариковый радиально-упорный двухрядный подшипник. «Замок» (скос) на внутреннем кольце плюс массивный сепаратор из текстолита. Нормы шумности. | 90.00 | 160.00 | 52.40 |
| 6-3056218 Ш | Шариковый радиально-упорный двухрядный подшипник. Нормы шумности. | 90.00 | 160.00 | 52.40 |
| 76-3056218 К1Ш1 | Шариковый радиально-упорный двухрядный подшипник. «Замок» (скос) на внутреннем кольце плюс массивный сепаратор из текстолита. Нормы шумности. | 90.00 | 160.00 | 52.40 |
| 76-3056218 К1Ш | Шариковый радиально-упорный двухрядный подшипник. «Замок» (скос) на внутреннем кольце плюс массивный сепаратор из текстолита. Нормы шумности. | 90.00 | 160.00 | 52.40 |
| 76-3056218 Л1Ш1 | Шариковый радиально-упорный двухрядный подшипник. Сепаратор из латуни.. Нормы шумности. | 90.00 | 160.00 | 52.40 |
| 76-3056218 Л1Ш | Шариковый радиально-упорный двухрядный подшипник. Сепаратор из латуни.. Нормы шумности. | 90.00 | 160.00 | 52.40 |
| 5218W | Шариковый радиально-упорный двухрядный подшипник. Максимальная грузоподъемность. | 90.00 | 160.00 | 52.37 |
| 5218WD | Шариковый радиально-упорный двухрядный подшипник. Защитная шайба из штампованной стали с одной стороны. | 90.00 | 160.00 | 52.37 |
| 5218AN | Шариковый радиально-упорный двухрядный подшипник. Код формы шариковой направляющей. | 90.00 | 160.00 | 52.40 |
| 5218NR | Шариковый радиально-упорный двухрядный подшипник. Канавка под стопорное кольцо на наружном кольце с соответствующим стопорным кольцом. | 90.00 | 160.00 | 52.40 |
| 5218N | Шариковый радиально-упорный двухрядный подшипник. Канавка под стопорное кольцо на внешнем кольце. | 90.00 | 160.00 | 52.40 |
| 3056218-К1 | Шариковый радиально-упорный двухрядный подшипник. «Замок» (скос) на внутреннем кольце плюс массивный сепаратор из текстолита. | 90.00 | 160.00 | 52.40 |
| 3056218-Л1 | Шариковый радиально-упорный двухрядный подшипник. Сепаратор из латуни.. | 90.00 | 160.00 | 52.40 |
Способы доставки
Отправка через ведущие транспортные и курьерские компании: ПЭК, Деловые Линии, СДЭК, Байкал-Сервис, Энергия, КИТ, ЖелДорЭкспедиция.
Самовывоз возможен напрямую со склада в Москве.
Сроки доставки
Срок зависит от региона и выбранной транспортной компании. Все заказы комплектуются и отправляются в кратчайшие сроки со склада в Москве.
Надёжность и сохранность
Вся продукция упаковывается с учётом требований транспортировки. Мы гарантируем, что подшипники и комплектующие прибудут к заказчику в полной сохранности.
Доставка в страны ЕАЭС
Мы работаем с проверенными логистическими партнёрами, что позволяет оперативно доставлять заказы в Беларусь, Казахстан, Армению и другие страны ЕАЭС.
Варианты оплаты:
Минимальная сумма заказа и скидки:
Документы и гарантии:
Да, конечно! Наши технические специалисты готовы помочь вам с подбором точного аналога или замены подшипника. Просто позвоните нам по телефону +7 (495) 104-99-04 или напишите на почту zakaz@podsnab.ru.
Для оперативной консультации подготовьте, пожалуйста, имеющиеся данные: маркировку, размеры, тип оборудования или артикул старого подшипника.
Да, конечно! Мы высоко ценим долгосрочное сотрудничество и доверие клиентов по всей России. Для постоянных клиентов действует персональная система скидок.
Условия формируются индивидуально и зависят от:
Чтобы узнать свои условия и получить максимально выгодное предложение, свяжитесь с персональным менеджером или напишите нам на почту zakaz@podsnab.ru.
Вы можете оформить заказ несколькими способами:
Для оформления заказа от юридического лица свяжитесь с нашим отделом по работе с корпоративными клиентами по телефону +7 (495) 104-99-04 или напишите на email zakaz@podsnab.ru, прикрепив реквизиты вашей организации.
Мы оперативно подготовим коммерческое предложение и выставим счет.
Возврат товара надлежащего качества возможен в течение 10 дней с момента получения, если товар не был в употреблении, сохранен товарный вид, упаковка не вскрывалась и присутствуют все сопроводительные документы.
Возврат денежных средств осуществляется в течение 10 рабочих дней после проверки товара складом.
В соответствии с законодательством возврату не подлежат подшипники надлежащего качества, если отсутствует оригинальная упаковка или имеются следы монтажа.
В случае выявления брака или гарантийного случая мы гарантируем возврат или обмен товара.
Да, гарантийный срок хранения устанавливается заводом-изготовителем и в среднем составляет 2 года при соблюдении условий хранения: сухое помещение, оригинальная упаковка и смазка.
Точный срок для конкретного типа подшипника уточняйте у наших менеджеров.
Пн–Пт: с 8:00 до 17:00 (МСК).
Сб–Вс: выходные дни.
Заказы на сайте принимаются круглосуточно. Заявки, поступившие после окончания рабочего дня, обрабатываются на следующий рабочий день.
Минимальная сумма заказа для доставки составляет 3000 рублей. Самовывоз со склада возможен на любую сумму при наличии товара.
ООО «УралТехГрупп»
ИНН: 7415093830
КПП: 772401001
ОГРН: 1167456069021
Банк: ПАО Сбербанк
Р/с: 40702810838000475273
К/с: 30101810400000000225
БИК: 044525225
У подшипника 3218A пока нет отзывов. Вы можете стать первым покупателем, поделившимся своим мнением.