Поиск подшипника
Статьи
5215A — Подшипник шариковый двухрядный радиально-упорный, модификация основного исполнения 5215, выпускается производителями: MRC, NACHI, SKF.
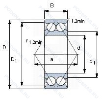
Размер подшипника: 75x130x41 мм.
Измененная или модифицированная внутренняя конструкция при неизменных основных размерах.
Аналоги: 5215A MRC/Marlin Rockwell.
Международная стандартизации ISO
5215A
В наличии
| Обозначение | Конструктивные изменения |
|---|---|
| 5215TS | Лабиринтные уплотнения. |
| 5215ANR/W64 | Двухрядный радиально-упорный шарикоподшипник без отверстия для смазки. Антифрикционный заполнитель. твердая смазка. Канавка под стопорное кольцо на наружном кольце с соответствующим стопорным кольцом. |
| 5215 | Подшипник шариковый двухрядный радиально-упорный. Основное конструктивное исполнение. |
| 5215A/C3 | Внутренний зазор больше нормального. Двухрядный радиально-упорный шарикоподшипник без отверстия для смазки. |
| 5215F | Металлическая защитная шайба с одной стороны. |
| 5215ZZ | Защитные металлические шайбы с обеих сторон. |
| 5215Z | щит из листовой прессованной стали с одной стороны подшипника. |
| 5215S C3 | Прессованный стальной сепаратор. Внутренний зазор больше нормального. |
| 5215UMR | Outer Race With Two Flanges. Non-Separable. |
| 5215KF | Y-образный подшипник серии YSA2-2FK (внутреннее кольцо расширено с обеих сторон. Коническое отверстие). Стандартное уплотнение + простой маслоотражатель с каждой стороны. |
| 5215S | Запечатанная версия кулачкового ролика. Только для тел качения. |
| 5215 2RS | Резиновые уплотнения с каждой стороны подшипника. |
| 5215M | Двухрядный радиально-упорный. Шарикоподшипник с заполняющей выемкой и сходящимися наружу углами контакта. |
| 5215G | Wireloc (стопорное кольцо). |
| A 5215 WB | Cast Iron Take-Up Type Bearing Unit With Its Stretcher Frame. Relubricatable. |
| 5215 A-2RS1 | Измененная или модифицированная внутренняя конструкция при неизменных основных размерах. Усиленные листовой сталью контактные уплотнения из акрилонитрил-бутадиенового каучука (NBR) с обеих сторон подшипника. |
| 5215 A-2Z | Измененная или модифицированная внутренняя конструкция при неизменных основных размерах. Защитные металлические шайбы с обеих сторон подшипника. |
| 5215 E-2Z | Повышенная грузоподъемность. Защитные металлические шайбы с обеих сторон подшипника. |
| 5215 E | Повышенная грузоподъемность. |
| 5215G PRB | Устройство повторного смазывания со смазочной канавкой и отверстием на внешнем кольце. Molded Nylon Cage. |
| 5215K | Коническое отверстие. Конусность 1/12. |
| 5215AZZ | Однорядный радиальный шарикоподшипник с двумя уплотнениями. |
| 5215AN | Код формы шариковой направляющей. |
| 5215NR | Канавка под стопорное кольцо на наружном кольце с соответствующим стопорным кольцом. |
| 5215N | Канавка под стопорное кольцо на внешнем кольце. |
Модификации шарикового подшипника 5215A — это измененное основное конструктивное исполнение 5215, основные размеры (75x130x41) не отличаются.
| Обозначение | Гост | Конструктивные особенности |
|---|---|---|
| 3215B TNH | ISO | Конический роликовый подшипник. Угол контакта 20 градусов. Подшипник с защелкиваемым сепаратором из пластмассы. |
| 3215TNG C3 | ISO | Внутренний зазор больше нормального. Обработанный сепаратор изготовлен из полиамида или аналогичного пластика со стекловолокном. Роликовые элементы центрированы. |
| 3215TNGZN | ISO | Защитная металлическая шайба с одной стороны. Обработанный сепаратор изготовлен из полиамида или аналогичного пластика со стекловолокном. Роликовые элементы центрированы. Канавка для стопорного кольца во внешнем кольце. Противоположная сторона для ввода тел качения. |
| 3215TNG ZZ | ISO | Защитные металлические шайбы с обеих сторон. Обработанный сепаратор изготовлен из полиамида или аналогичного пластика со стекловолокном. Роликовые элементы центрированы. |
| 3215ZN | ISO | Защитная металлическая шайба с одной стороны. Канавка для стопорного кольца во внешнем кольце. Противоположная сторона для ввода тел качения. |
| 3215M | ISO | Обработанный латунный сепаратор оконного типа. Центрирование шарика. |
| 3215N/C3 | ISO | Внутренний зазор больше нормального. Канавка под стопорное кольцо на внешнем кольце. |
| 3215.TVH | ISO | Формованный полиамидный сепаратор защелкивающегося типа. |
| 3215TN1 2RS | ISO | Резиновые уплотнения с каждой стороны подшипника. Пластиковый сепаратор. |
| 3215TN1 C3 | ISO | Внутренний зазор больше нормального. Пластиковый сепаратор. |
| 3215TN1 C4 | ISO | Внутренний зазор подшипника больше. чем C3. Пластиковый сепаратор. |
| 3215TN1 | ISO | Пластиковый сепаратор. |
| 3215M C3 | ISO | Внутренний зазор больше нормального. Механически обработанный латунный сепаратор .Расположенный на элементах качения. |
| 3215A-2Z/MT33 | ISO | Двухрядный радиально-упорный шарикоподшипник без отверстия для смазки. Защитные металлические шайбы с обеих сторон подшипника. Lithium Grease. Medium Temp. 74 cSt @ 40°C. -30°C/+120°C. A Two-Figure Number Following MT Identifies The Actual Grease. An Additional Letter Or Letter/Figure Combination As Mentioned Under HT Identifies Filling Degrees Other Than Standard. Examples/ MT33 Or MT37F9. |
| 3215S | ISO | Запечатанная версия кулачкового ролика. |
| 3215C3 | ISO | Внутренний зазор больше нормального. |
| 3215BC.JH.C3 | ISO | Внутренний зазор больше нормального. Штампованная сталь. Conrad Type 25° Угол контакта. Domestic Production. |
| 3215A-2RS1 | ISO | Двухрядный радиально-упорный шарикоподшипник без отверстия для смазки. Усиленные листовой сталью контактные уплотнения из акрилонитрил-бутадиенового каучука (NBR) с обеих сторон подшипника. |
| 3215-2RS-C3 | ISO | Внутренний зазор больше нормального. Манжетное уплотнение с обеих сторон подшипника. |
| 3215AC3(J30) | ISO | Внутренний зазор больше нормального. Без пазов для заполнения, с полиамидным сепаратором, угол 25°. Радиальный внутренний зазор больше нормального. |
Аналог шарикового подшипника 5215A — это подшипник такого же размера dx75,Dx130,Bx41, типа и конструкции.
| Обозначение | Конструктивные особенности | Внутренний (d) | Наружный (D) | Ширина (B) |
|---|---|---|---|---|
| NJ3215 | Роликовый радиальный однорядный подшипник. Штампованный сепаратор из стального листа. Канавка под стопорное кольцо на наружном кольце подшипника. Однорядный цилиндрический роликовый подшипник. Наружное кольцо имеет два борта. | 75.00 | 130.00 | 41.30 |
| NJ5215 | Роликовый радиальный однорядный подшипник. Штампованный сепаратор из стального листа. Канавка под стопорное кольцо на наружном кольце подшипника. Однорядный цилиндрический роликовый подшипник. Наружное кольцо имеет два борта. | 75.00 | 130.00 | 41.28 |
| NUP3215 | Роликовый радиальный однорядный подшипник. Канавка под стопорное кольцо на наружном кольце подшипника. Точность размеров примерно соответствует классу точности Р4. Однорядный цилиндрический роликовый подшипник. Наружное кольцо имеет два борта. | 75.00 | 130.00 | 41.30 |
| NUP5215 | Роликовый радиальный однорядный подшипник. Канавка под стопорное кольцо на наружном кольце подшипника. Точность размеров примерно соответствует классу точности Р4. Однорядный цилиндрический роликовый подшипник. Наружное кольцо имеет два борта. | 75.00 | 130.00 | 41.28 |
| X33215M/Y33215M | Роликовый радиальный-упорный однорядный подшипник. Подшипник с латунным сепаратором. центрированный по телам качения. | 75.00 | 130.00 | 41.00 |
| 3215 A-2Z | Шариковый радиально-упорный подшипник. Измененная или модифицированная внутренняя конструкция при неизменных основных размерах. Защитные металлические шайбы с обеих сторон подшипника. | 75.00 | 130.00 | 41.30 |
| 26-3056215 Л | Шариковый радиально-упорный двухрядный подшипник. Сепаратор из латуни.. | 75.00 | 130.00 | 41.30 |
| 3215 ZZ | Шариковый радиально-упорный двухрядный подшипник. Защитные металлические шайбы (бесконтактные уплотнения) с обеих сторон подшипника. | 75.00 | 130.00 | 41.30 |
| 3215-B-TV | Шариковый радиально-упорный двухрядный подшипник. Конический роликовый подшипник. Угол контакта 20 градусов. Прочный сепаратор из полиамида. армированного стекловолокном. | 75.00 | 130.00 | 41.30 |
| 3056215-Е | Шариковый радиально-упорный двухрядный подшипник. Сепаратор из текстолита.. | 75.00 | 130.00 | 41.30 |
| 3056215-Л | Шариковый радиально-упорный двухрядный подшипник. Сепаратор из латуни.. | 75.00 | 130.00 | 41.30 |
| 63215-2RS | Шариковый радиальный однорядный подшипник. Резиновые уплотнения с каждой стороны подшипника. | 75.00 | 130.00 | 41.30 |
| 63215 ZZ | Шариковый радиальный однорядный подшипник. Защитные металлические шайбы (бесконтактные уплотнения) с обеих сторон подшипника. | 75.00 | 130.00 | 41.30 |
| 6-3056215 Л | Шариковый радиально-упорный двухрядный подшипник. Сепаратор из латуни.. | 75.00 | 130.00 | 41.30 |
| 33215F | Роликовый радиальный-упорный однорядный подшипник. Сепаратор из обработанной стали или специального чугуна. | 75.00 | 130.00 | 41.00 |
Способы доставки
Отправка через ведущие транспортные и курьерские компании: ПЭК, Деловые Линии, СДЭК, Байкал-Сервис, Энергия, КИТ, ЖелДорЭкспедиция.
Самовывоз возможен напрямую со склада в Москве.
Сроки доставки
Срок зависит от региона и выбранной транспортной компании. Все заказы комплектуются и отправляются в кратчайшие сроки со склада в Москве.
Надёжность и сохранность
Вся продукция упаковывается с учётом требований транспортировки. Мы гарантируем, что подшипники и комплектующие прибудут к заказчику в полной сохранности.
Доставка в страны ЕАЭС
Мы работаем с проверенными логистическими партнёрами, что позволяет оперативно доставлять заказы в Беларусь, Казахстан, Армению и другие страны ЕАЭС.
Варианты оплаты:
Минимальная сумма заказа и скидки:
Документы и гарантии:
Да, конечно! Наши технические специалисты готовы помочь вам с подбором точного аналога или замены подшипника. Просто позвоните нам по телефону +7 (495) 104-99-04 или напишите на почту zakaz@podsnab.ru.
Для оперативной консультации подготовьте, пожалуйста, имеющиеся данные: маркировку, размеры, тип оборудования или артикул старого подшипника.
Да, конечно! Мы высоко ценим долгосрочное сотрудничество и доверие клиентов по всей России. Для постоянных клиентов действует персональная система скидок.
Условия формируются индивидуально и зависят от:
Чтобы узнать свои условия и получить максимально выгодное предложение, свяжитесь с персональным менеджером или напишите нам на почту zakaz@podsnab.ru.
Вы можете оформить заказ несколькими способами:
Для оформления заказа от юридического лица свяжитесь с нашим отделом по работе с корпоративными клиентами по телефону +7 (495) 104-99-04 или напишите на email zakaz@podsnab.ru, прикрепив реквизиты вашей организации.
Мы оперативно подготовим коммерческое предложение и выставим счет.
Возврат товара надлежащего качества возможен в течение 10 дней с момента получения, если товар не был в употреблении, сохранен товарный вид, упаковка не вскрывалась и присутствуют все сопроводительные документы.
Возврат денежных средств осуществляется в течение 10 рабочих дней после проверки товара складом.
В соответствии с законодательством возврату не подлежат подшипники надлежащего качества, если отсутствует оригинальная упаковка или имеются следы монтажа.
В случае выявления брака или гарантийного случая мы гарантируем возврат или обмен товара.
Да, гарантийный срок хранения устанавливается заводом-изготовителем и в среднем составляет 2 года при соблюдении условий хранения: сухое помещение, оригинальная упаковка и смазка.
Точный срок для конкретного типа подшипника уточняйте у наших менеджеров.
Пн–Пт: с 8:00 до 17:00 (МСК).
Сб–Вс: выходные дни.
Заказы на сайте принимаются круглосуточно. Заявки, поступившие после окончания рабочего дня, обрабатываются на следующий рабочий день.
Минимальная сумма заказа для доставки составляет 3000 рублей. Самовывоз со склада возможен на любую сумму при наличии товара.
ООО «УралТехГрупп»
ИНН: 7415093830
КПП: 772401001
ОГРН: 1167456069021
Банк: ПАО Сбербанк
Р/с: 40702810838000475273
К/с: 30101810400000000225
БИК: 044525225
У подшипника 5215A пока нет отзывов. Вы можете стать первым покупателем, поделившимся своим мнением.