Поиск подшипника
Статьи
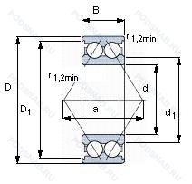
3315A — Подшипник шариковый двухрядный радиально-упорный, модификация основного исполнения 3315, выпускается производителями: FAG, ISB, SKF.
Размер подшипника: 75x160x68 мм.
Измененная или модифицированная внутренняя конструкция при неизменных основных размерах.
Альтернативное обозначение: 5315H.
Аналоги: 3315 FAG,3315 SKF.
Международная стандартизации ISO
3315A
В наличии
| Обозначение | Конструктивные изменения |
|---|---|
| 3315C3 | Внутренний зазор больше нормального. |
| 3315/C4 | Внутренний зазор подшипника больше. чем C3. |
| 3315 ATN | Подшипник шариковый двухрядный радиально-упорный. |
| 3315 | Подшипник шариковый двухрядный радиально-упорный. Основное конструктивное исполнение. |
| 3315A/C3 | Внутренний зазор больше нормального. Двухрядный радиально-упорный шарикоподшипник без отверстия для смазки. |
| 3315C D3 | 15° Угол контакта. Количество узлов скольжения. |
| 3315M | Подшипник с латунным сепаратором. центрированный по телам качения. |
| 3315A-2Z/C3MT33 | Внутренний зазор больше нормального. Двухрядный радиально-упорный шарикоподшипник без отверстия для смазки. Защитные металлические шайбы с обеих сторон подшипника. Lithium Grease. Medium Temp. 74 cSt @ 40°C. -30°C/+120°C. A Two-Figure Number Following MT Identifies The Actual Grease. An Additional Letter Or Letter/Figure Combination As Mentioned Under HT Identifies Filling Degrees Other Than Standard. Examples/ MT33 Or MT37F9. |
| 3315-2Z | Защитные металлические шайбы с обеих сторон подшипника. |
| 3315T | Textile Laminated Phenolic Resin. Outer Ring Guided. The Cage Is Suitable For Long-Term Operation At Temperatures Up To 100°C. |
| 3315C.M.C3 | 15° Угол контакта. Внутренний зазор больше нормального. Твердый латунный сепаратор. Шариковые направляющие. |
| 3315-B-TV-C3 | Внутренний зазор больше нормального. Design Without Filling Slots Have Угол контактаs Of 32°. Сепаратор из полиамида. |
| 3315S | Запечатанная версия кулачкового ролика. |
| 3315ZZ | Защитные металлические шайбы с обеих сторон. |
| 3315N | Канавка под стопорное кольцо на внешнем кольце. |
| 3315B.TV | Конический роликовый подшипник. Угол контакта 20 градусов. Сепаратор из полиамида. |
| 3315C.M | 15° Угол контакта. Твердый латунный сепаратор. Шариковые направляющие. |
| 3315NR | Канавка под стопорное кольцо на наружном кольце с соответствующим стопорным кольцом. |
| 3315NR.C5 | Канавка под стопорное кольцо на наружном кольце с соответствующим стопорным кольцом. Внутренний зазор подшипника больше. чем С4. |
| 3315A-2Z/C3 | Внутренний зазор больше нормального. Двухрядный радиально-упорный шарикоподшипник без отверстия для смазки. Защитные металлические шайбы с обеих сторон подшипника. |
| 3315M C3 | Внутренний зазор больше нормального. Механически обработанный латунный сепаратор .Расположенный на элементах качения. |
| 3315-DA-MA | Механически обработанный латунный сепаратор. Центрирование по внешнему кольцу. Шарикоподшипник двухрядный с разъемным внутренним кольцом. |
| 3315 A-2Z/MT33 | Измененная или модифицированная внутренняя конструкция при неизменных основных размерах. Защитные металлические шайбы с обеих сторон подшипника. Lithium Grease. Medium Temp. 74 cSt @ 40°C. -30°C/+120°C. A Two-Figure Number Following MT Identifies The Actual Grease. An Additional Letter Or Letter/Figure Combination As Mentioned Under HT Identifies Filling Degrees Other Than Standard. Examples/ MT33 Or MT37F9. |
| 3315A-2Z | Измененная или модифицированная внутренняя конструкция при неизменных основных размерах. Защитные металлические шайбы с обеих сторон подшипника. |
| 3315-2RS | Резиновые уплотнения с каждой стороны подшипника. |
Модификации шарикового подшипника 3315A — это измененное основное конструктивное исполнение 3315, основные размеры (75x160x68) не отличаются.
| Обозначение | Гост | Конструктивные особенности |
|---|---|---|
| 5315 | ISO | Подшипник шариковый двухрядный радиально-упорный. |
| 5315H | ISO | Pressed Steel Cage (Snap Type). Hardened. |
| 5315E | ISO | Подшипник с заправочным пазом для ввода тел качений. |
| 5315AH | ISO | Ball Bearing. Conrad Type. 30° Угол контакта. Heavy Duty Design. Example 5310AH. |
| 5315G | ISO | Канавка под стопорное кольцо на наружном кольце с соответствующим стопорным кольцом. |
| 5315H/C3 | ISO | Внутренний зазор больше нормального. Pressed Snap-Type Steel Cage. Hardened. |
| MDJK75 | ISO | Подшипник шариковый двухрядный радиально-упорный. |
| 5315-K-M-C3 | ISO | Внутренний зазор больше нормального. Коническое отверстие. конус 1/12. Твердый латунный сепаратор. Шариковые направляющие. |
| 5315B | ISO | Конический роликовый подшипник. Угол контакта 20 градусов. |
| 5315S | ISO | Запечатанная версия кулачкового ролика. |
| 45315 | ISO | Подшипник шариковый двухрядный радиально-упорный. |
| 5315MFF | ISO | Двухрядный радиально-упорный. Шарикоподшипник с заполняющей выемкой и сходящимися наружу углами контакта. Металлическое уплотнение с двух сторон. |
| 5315K C3 | ISO | Внутренний зазор больше нормального. Conrad (Non-Filling Slot) Type. |
| 5315C3 | ISO | Внутренний зазор больше нормального. |
| 5315A | ISO | Двухрядный радиально-упорный шарикоподшипник без отверстия для смазки. |
Аналог шарикового подшипника 3315A — это подшипник такого же размера dx75,Dx160,Bx68, типа и конструкции.
| Обозначение | Конструктивные особенности | Внутренний (d) | Наружный (D) | Ширина (B) |
|---|---|---|---|---|
| 5315 A-2Z | Шариковый радиально-упорный подшипник. Измененная или модифицированная внутренняя конструкция при неизменных основных размерах. Защитные металлические шайбы с обеих сторон подшипника. | 75.00 | 160.00 | 68.30 |
| 6-3086315 Ш | Шариковый радиально-упорный подшипник. Нормы шумности. | 75.00 | 160.00 | 68.30 |
| 5315KG | Шариковый радиально-упорный двухрядный подшипник. Серия с закрепительной втулкой и смазочным отверстием. | 75.00 | 160.00 | 68.30 |
| 5315W | Шариковый радиально-упорный двухрядный подшипник. Максимальная грузоподъемность. | 75.00 | 160.00 | 68.30 |
| 5315NR | Шариковый радиально-упорный двухрядный подшипник. Канавка под стопорное кольцо на наружном кольце с соответствующим стопорным кольцом. | 75.00 | 160.00 | 68.30 |
| 5315N | Шариковый радиально-упорный двухрядный подшипник. Канавка под стопорное кольцо на внешнем кольце. | 75.00 | 160.00 | 68.30 |
| 5315ZZ | Шариковый радиально-упорный двухрядный подшипник. Металлическая защитная шайба с двух сторон. | 75.00 | 160.00 | 68.26 |
| 5315-2RS | Шариковый радиально-упорный двухрядный подшипник. Резиновые уплотнения с каждой стороны подшипника. | 75.00 | 160.00 | 68.26 |
| 3086315-Л | Шариковый радиально-упорный двухрядный подшипник. Сепаратор из латуни.. | 75.00 | 160.00 | 68.30 |
| 63315-2RS | Шариковый радиальный однорядный подшипник. Резиновые уплотнения с каждой стороны подшипника. | 75.00 | 160.00 | 68.30 |
| 63315 ZZ | Шариковый радиальный однорядный подшипник. Защитные металлические шайбы (бесконтактные уплотнения) с обеих сторон подшипника. | 75.00 | 160.00 | 68.30 |
| W315PP | Шариковый радиальный однорядный подшипник. Широкий. Уплотнения на каждой стороне подшипника. | 75.00 | 160.00 | 68.28 |
| 53415- MP+U415 | Шариковый упорный однорядный подшипник. Массивный латунный сепаратор. центрированный по телам качения. | 75.00 | 160.00 | 69.00 |
| 53415M+U415 | Шариковый упорный однорядный подшипник. Подшипник с латунным сепаратором. центрированный по телам качения. | 75.00 | 160.00 | 69.00 |
| 53415 M U | Шариковый упорный однорядный подшипник. Подшипник с латунным сепаратором. центрированный по телам качения. Универсальный одиночный подшипник. | 75.00 | 160.00 | 69.00 |
Способы доставки
Отправка через ведущие транспортные и курьерские компании: ПЭК, Деловые Линии, СДЭК, Байкал-Сервис, Энергия, КИТ, ЖелДорЭкспедиция.
Самовывоз возможен напрямую со склада в Москве.
Сроки доставки
Срок зависит от региона и выбранной транспортной компании. Все заказы комплектуются и отправляются в кратчайшие сроки со склада в Москве.
Надёжность и сохранность
Вся продукция упаковывается с учётом требований транспортировки. Мы гарантируем, что подшипники и комплектующие прибудут к заказчику в полной сохранности.
Доставка в страны ЕАЭС
Мы работаем с проверенными логистическими партнёрами, что позволяет оперативно доставлять заказы в Беларусь, Казахстан, Армению и другие страны ЕАЭС.
Варианты оплаты:
Минимальная сумма заказа и скидки:
Документы и гарантии:
Да, конечно! Наши технические специалисты готовы помочь вам с подбором точного аналога или замены подшипника. Просто позвоните нам по телефону +7 (495) 104-99-04 или напишите на почту zakaz@podsnab.ru.
Для оперативной консультации подготовьте, пожалуйста, имеющиеся данные: маркировку, размеры, тип оборудования или артикул старого подшипника.
Да, конечно! Мы высоко ценим долгосрочное сотрудничество и доверие клиентов по всей России. Для постоянных клиентов действует персональная система скидок.
Условия формируются индивидуально и зависят от:
Чтобы узнать свои условия и получить максимально выгодное предложение, свяжитесь с персональным менеджером или напишите нам на почту zakaz@podsnab.ru.
Вы можете оформить заказ несколькими способами:
Для оформления заказа от юридического лица свяжитесь с нашим отделом по работе с корпоративными клиентами по телефону +7 (495) 104-99-04 или напишите на email zakaz@podsnab.ru, прикрепив реквизиты вашей организации.
Мы оперативно подготовим коммерческое предложение и выставим счет.
Возврат товара надлежащего качества возможен в течение 10 дней с момента получения, если товар не был в употреблении, сохранен товарный вид, упаковка не вскрывалась и присутствуют все сопроводительные документы.
Возврат денежных средств осуществляется в течение 10 рабочих дней после проверки товара складом.
В соответствии с законодательством возврату не подлежат подшипники надлежащего качества, если отсутствует оригинальная упаковка или имеются следы монтажа.
В случае выявления брака или гарантийного случая мы гарантируем возврат или обмен товара.
Да, гарантийный срок хранения устанавливается заводом-изготовителем и в среднем составляет 2 года при соблюдении условий хранения: сухое помещение, оригинальная упаковка и смазка.
Точный срок для конкретного типа подшипника уточняйте у наших менеджеров.
Пн–Пт: с 8:00 до 17:00 (МСК).
Сб–Вс: выходные дни.
Заказы на сайте принимаются круглосуточно. Заявки, поступившие после окончания рабочего дня, обрабатываются на следующий рабочий день.
Минимальная сумма заказа для доставки составляет 3000 рублей. Самовывоз со склада возможен на любую сумму при наличии товара.
ООО «УралТехГрупп»
ИНН: 7415093830
КПП: 772401001
ОГРН: 1167456069021
Банк: ПАО Сбербанк
Р/с: 40702810838000475273
К/с: 30101810400000000225
БИК: 044525225
У подшипника 3315A пока нет отзывов. Вы можете стать первым покупателем, поделившимся своим мнением.